Информационная система
«Ёшкин Кот»

Скачать базу одним архивом
Скачать обновления
История создания базы
Карта сайта

Скачать Типовой проект 901-1-54.86 Альбом I. Пояснительная записка и чертежи. Технологическая часть и строительные решения

Дата актуализации: 10.08.2017

Типовой проект 901-1-54.86

Альбом I. Пояснительная записка и чертежи. Технологическая часть и строительные решения

Обозначение: Типовой проект 901-1-54.86
Обозначение англ: 901-1-54.86
Статус:не определен законодательством
Название рус.:Альбом I. Пояснительная записка и чертежи. Технологическая часть и строительные решения
Дата добавления в базу:01.10.2014
Дата актуализации:05.05.2017
Дата введения:30.07.1986
Оглавление:Содержание альбома
Пояснительная записка
Схема устройства стапеля
Чертежи основного комплекта марки НВ
   Общие данные
   План. Разрезы 1-1, 2-2, 3-3
   Узлы I и II. Разрезы 1-1, 2-2, 3-3, 4-4. Спецификация
   Схема крепления струенаправляющих щитов
Чертежи основного комплекта марки КМ
   Общие данные
   Секция левая. План. Разрезы
   Секция левая. Марка 1. План. Разрезы
   Секция левая. Марки 2, 3
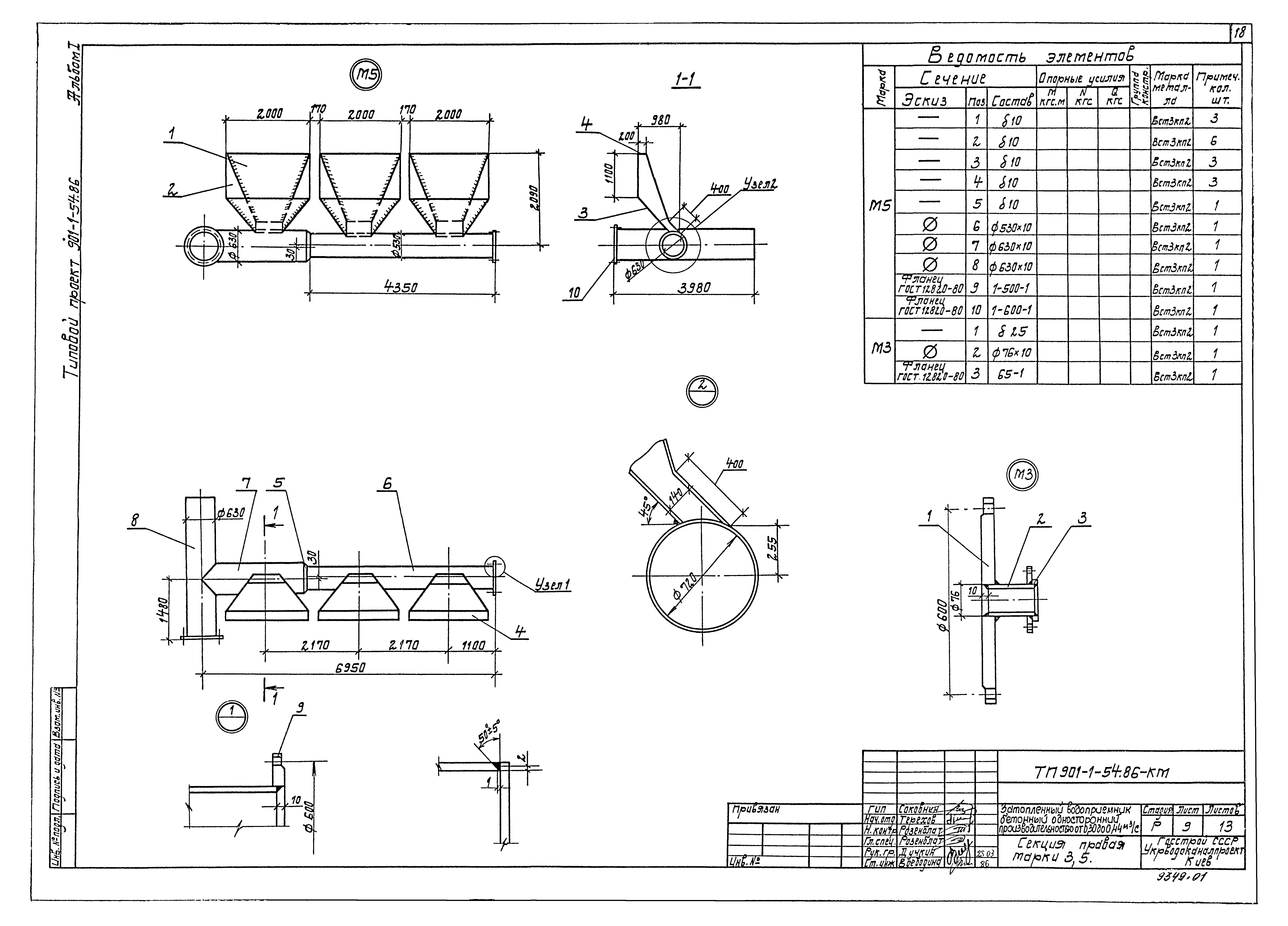
   Секция правая. План. Разрезы
   Секция правая. Марка 4. План. Разрезы
   Секция правая. Марка 4. План. Разрезы. Ведомость металлоконструкций по видам профилей
   Секция правая. Марка 3, 5
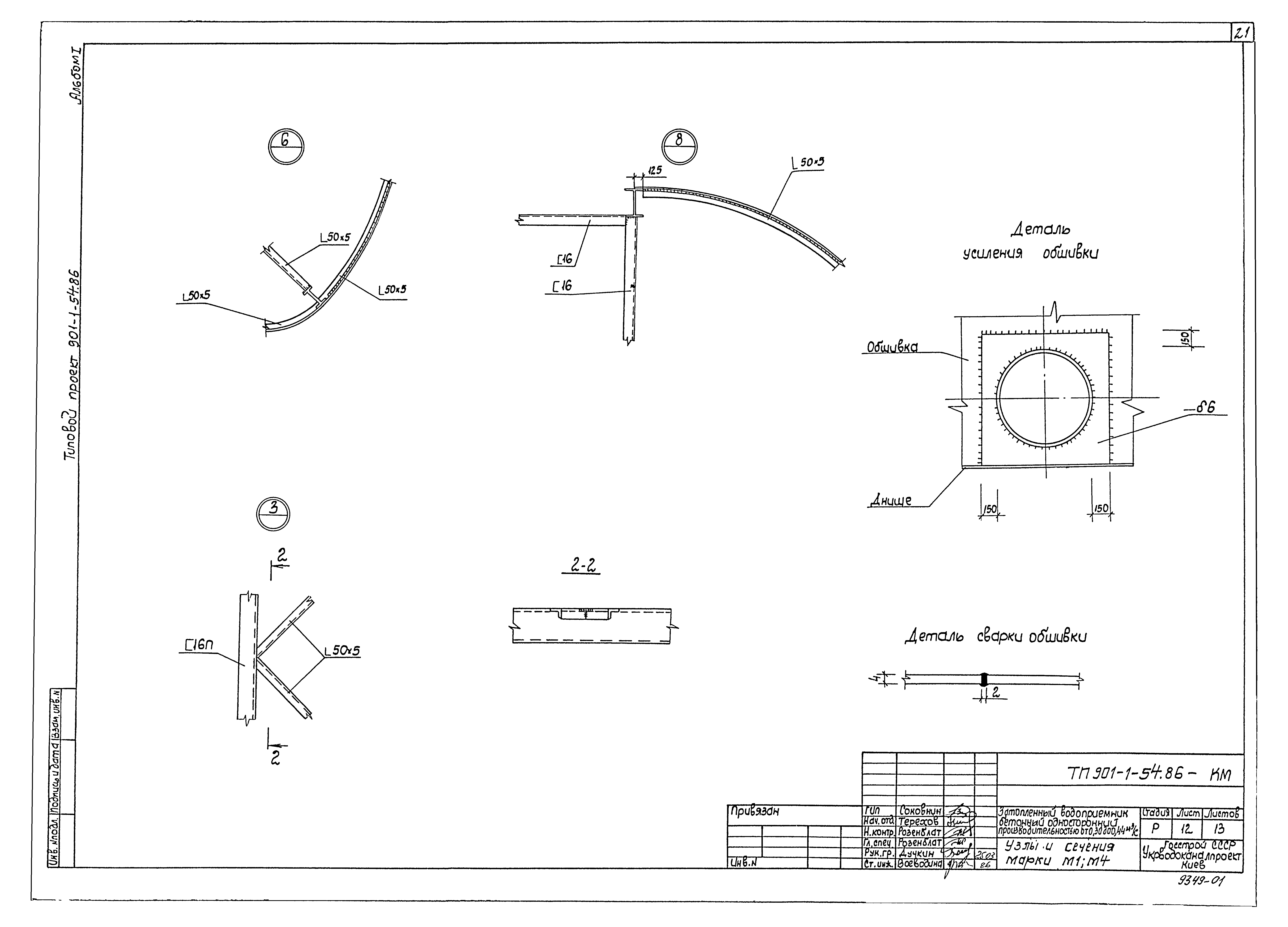
   Узлы и сечения марки М1, М4
   Техническая спецификация металла
Разработан: ВНИИ ВОДГЕО Госстроя СССР
Укрводоканалпроект
Утверждён:23.04.1986 Госстрой СССР (АЧ-20)
Издан: ЦИТП Госстроя СССР (CITP, Gosstroy (USSR) 1987 г. )
Расположен в:Техническая документация Строительство Справочные документы Типовые строительные конструкции, изделия и узлы Общероссийский строительный каталог Промышленные предприятия, здания и сооружения Здания и сооружения санитарно-технические Водоснабжение Водозаборные сооружения
Заменяет собой:
Типовой проект 901-1-54.86Типовой проект 901-1-54.86Типовой проект 901-1-54.86Типовой проект 901-1-54.86Типовой проект 901-1-54.86Типовой проект 901-1-54.86Типовой проект 901-1-54.86Типовой проект 901-1-54.86Типовой проект 901-1-54.86Типовой проект 901-1-54.86Типовой проект 901-1-54.86Типовой проект 901-1-54.86Типовой проект 901-1-54.86Типовой проект 901-1-54.86Типовой проект 901-1-54.86Типовой проект 901-1-54.86Типовой проект 901-1-54.86Типовой проект 901-1-54.86Типовой проект 901-1-54.86Типовой проект 901-1-54.86Типовой проект 901-1-54.86Типовой проект 901-1-54.86Типовой проект 901-1-54.86Типовой проект 901-1-54.86

© 2013 Ёшкин Кот :-) Карта сайта