| ||||||||||||||||||||||||||
Скачать Типовые материалы для проектирования 407-03-565.90 Альбом 1. Пояснительная записка. Электрические чертежи. Строительные конструкции. Стальные конструкцииДата актуализации: 10.08.2017
|
| Обозначение: | Типовые материалы для проектирования 407-03-565.90 |
| Обозначение англ: | 407-03-565.90 |
| Статус: | cправочные материалы, мп, тпр |
| Название рус.: | Альбом 1. Пояснительная записка. Электрические чертежи. Строительные конструкции. Стальные конструкции |
| Дата добавления в базу: | 01.10.2014 |
| Дата актуализации: | 05.05.2017 |
| Дата введения: | 20.07.1990 |
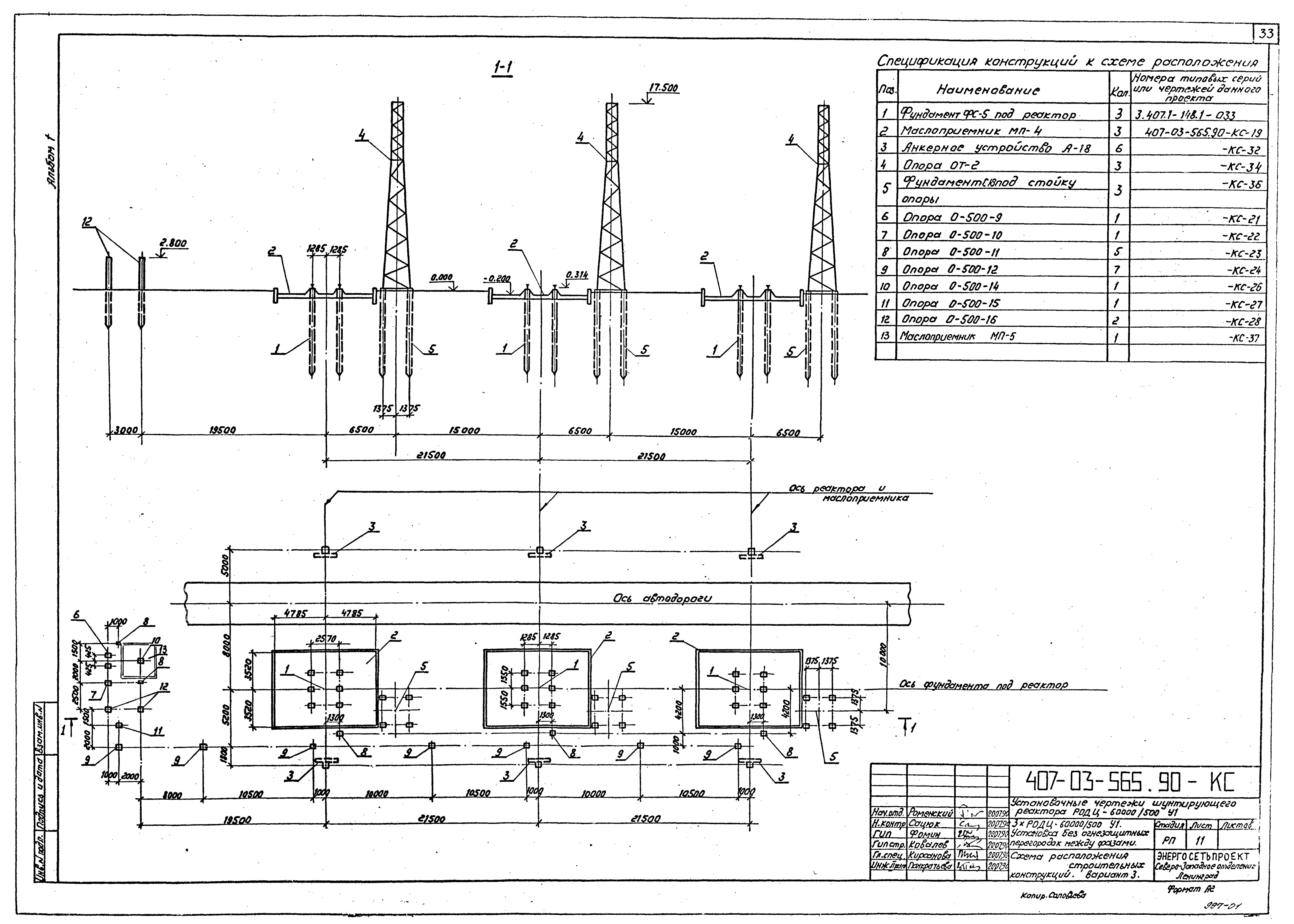
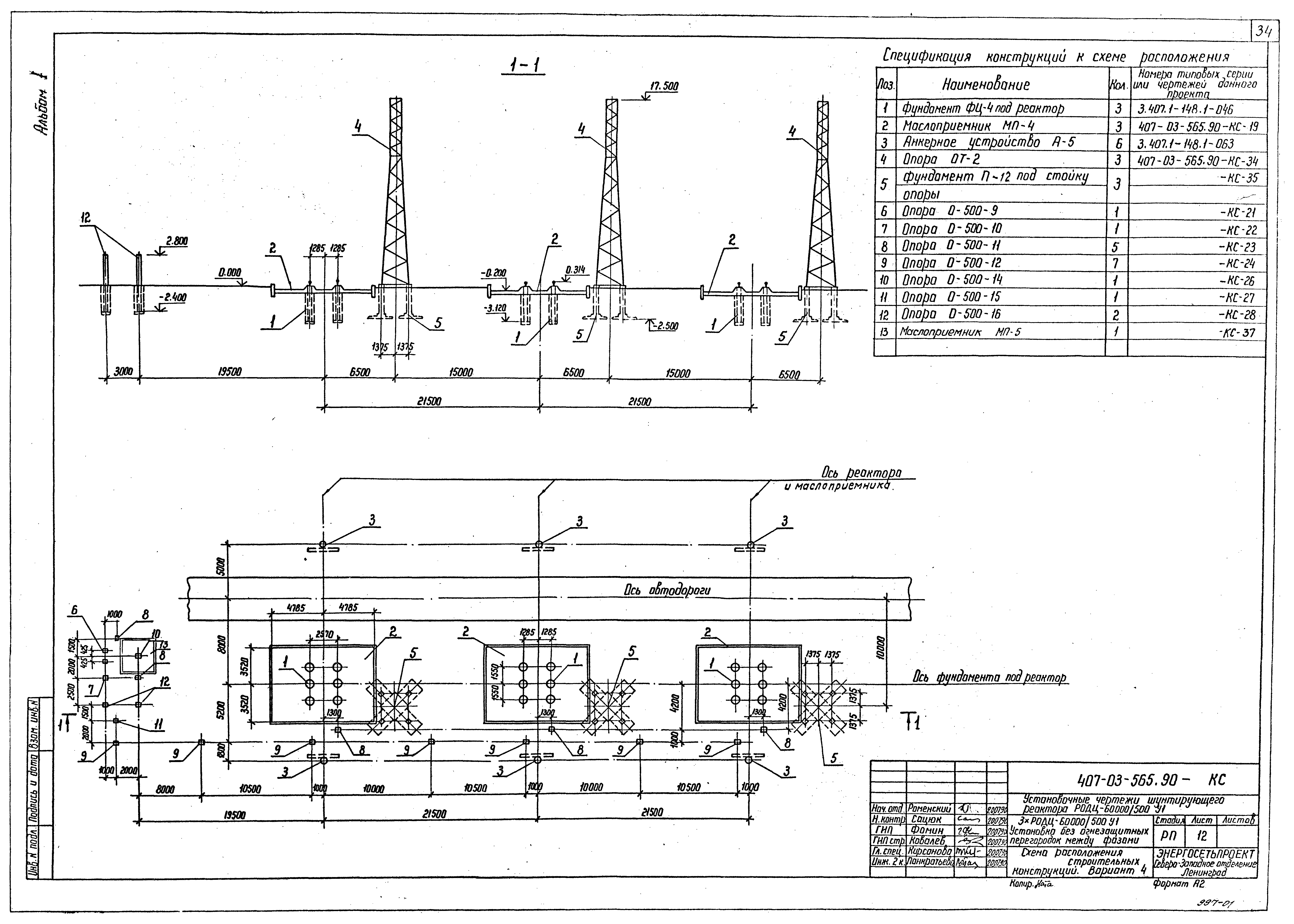
| Оглавление: | Пояснительная записка Электротехнические чертежи Установка одной фазы реактора в маслоприемнике Установка трехфазной группы. Вариант без огнезащитных перегородок между фазами. План, разрез А-А, вид Б Установка трехфазной группы. Вариант с огнезащитными перегородками между фазами. План, разрез А-А, вид Б Установка трехфазной группы с подключением компенсирующего реактора. Вариант без огнезащитных перегородок между фазами. План, разрезы А-А, Б-Б Установка трехфазной группы с подключением компенсирующего реактора. Вариант с огнезащитными перегородками между фазами. План, разрезы А-А, Б-Б Установка трехфазной группы с подключением компенсирующего реактора. Спецификация оборудования и материалов к листам ЭП-4, 5 Установка трехфазной группы с резервной фазой. Вариант без огнезащитных перегородок между фазами. План, разрез А-А, вид Б Установка трехфазной группы с резервной фазой. Вариант с огнезащитными перегородками между фазами. План, разрез А-А, вид Б Установка трехфазной группы с резервной фазой. Спецификация оборудования и материалов к листам ЭП-7, 8 Узел установки реактора без кареток. План и разрез А-А Установка заземляющего реактора РЗКОМ-16000/35-У1 на опоре О-500-14 Установка масляного выключателя ВМУЭ-35Б-25/1250УХЛ1 на опоре О-500-9 Установка однополюсного разъединителя РНДЗ-1б-35/1000У1 на опоре О-500-16 Установка трансформатора тока ТФЗМ-35Б-IУ1 на опоре О-500-11 Установка трансформатора напряжения НОМ-35-66У1 на опоре О-500-10 Установка разрядника РВМ-35У1 на опоре О-500-15 Установка опорного изолятора С4-195-IУХЛ на опоре О-500-12 Установка шкафа ШАОТ на опоре О-500-13 Подвод к реактору силовых и контрольных кабелей Пример размещения демонтируемого оборудования Рекомендации по выполнению узлов заземления трансформаторов (примеры) Электротехнические изделия Скоба С-1 Планка опорная П-1 Строительные конструкции 3хРОДЦ-60000/500У1. Установка с огнезащитными перегородками между фазами. Схема расположения строительных конструкций. Вариант 1 3хРОДЦ-60000/500У1. Установка с огнезащитными перегородками между фазами. Схема расположения строительных конструкций. Вариант 2 3хРОДЦ-60000/500У1. Установка с огнезащитными перегородками между фазами. Схема расположения строительных конструкций. Вариант 3 3хРОДЦ-60000/500У1. Установка с огнезащитными перегородками между фазами. Схема расположения строительных конструкций. Вариант 4 3хРОДЦ-60000/500У1. Установка без огнезащитных перегородок между фазами. Схема расположения строительных конструкций. Вариант 1 3хРОДЦ-60000/500У1. Установка без огнезащитных перегородок между фазами. Схема расположения строительных конструкций. Вариант 2 3хРОДЦ-60000/500У1. Установка без огнезащитных перегородок между фазами. Схема расположения строительных конструкций. Вариант 3 3хРОДЦ-60000/500У1. Установка без огнезащитных перегородок между фазами. Схема расположения строительных конструкций. Вариант 4 3хРОДЦ-60000/500У1. Установка без огнезащитных перегородок между фазами. Схема расположения строительных конструкций. Вариант 1 3хРОДЦ-60000/500У1. Установка без огнезащитных перегородок между фазами. Схема расположения строительных конструкций. Вариант 2 3хРОДЦ-60000/500У1. Установка без огнезащитных перегородок между фазами. Схема расположения строительных конструкций. Вариант 3 3хРОДЦ-60000/500У1. Установка без огнезащитных перегородок между фазами. Схема расположения строительных конструкций. Вариант 4 3хРОДЦ-60000/500У1. Установка с огнезащитными перегородками между фазами. Схема расположения строительных конструкций. Вариант 1 3хРОДЦ-60000/500У1. Установка с огнезащитными перегородками между фазами. Схема расположения строительных конструкций. Вариант 2 3хРОДЦ-60000/500У1. Установка с огнезащитными перегородками между фазами. Схема расположения строительных конструкций. Вариант 3 3хРОДЦ-60000/500У1. Установка с огнезащитными перегородками между фазами. Схема расположения строительных конструкций. Вариант 4 Схема расположения элементов огнезащитной перегородки ОП-1 Закрепление стоек огнезащитной перегородки в грунте. Узлы К-1…К-4; К-3х, К-4х Схема расположения элементов маслоприемника МП-4 Маслоприемник. Узлы I…III. Приямок Масляный выключатель ВМУЭ-27,56-16/1250. Схема расположения элементов конструкций на опоре О-500-9 Трансформатор напряжения НОМ-35-66.У1. Схема расположения элементов конструкций на опоре О-500-10 Трансформатор тока ТФЗМ-356-IУ1. Схема расположения элементов конструкций на опоре О-500-11 Опорный изолятор С4-195-IУХЛ. Схема расположения элементов конструкций на опоре О-500-12 Опорный зажим, шкаф ШАОТ. Схема расположения элементов конструкций на опоре О-500-13 Заземляющий реактор РЗКОМ-16000/35У1. Схема расположения элементов конструкций на опоре О-500-14 Разрядник РВМ-35У1. Схема расположения элементов конструкций на опоре О-500-15 Однополюсный разъединитель РНДЗ-1б-35/1000. Схема расположения элементов конструкций на опоре О-500-16 Трансформатор тока ТФЗМ-35Б-IУ1. Схема расположения элементов конструкций на опоре О-500-17 Опорный зажим. Схема расположения элементов конструкций на опоре О-500-18 Типы закрепления опор под оборудование в грунте Схема расположения элементов анкерного устройства А-18, А-18А Опоры О-500-9…О-500-18.. Спецификация сборных железобетонных элементов Схема расположения элементов трансформаторных опор ОТ-2 и ОТ-2А Схема расположения элементов фундаментов П-12…П-14 Схема расположения элементов фундаментов С-18…С-21 Схема расположения элементов маслоприемника МП-5 Строительные изделия Изделие МТ-3, МТ-6, МТ-8, МТ-20…МТ-23 Изделие МТ-24…МТ-33 Стальные конструкции Стойка П-21Б Стойка П-25А Тросостойка П-94А |
| Разработан: | Северо-западное отделение института Энергосетьпроект |
| Утверждён: | 20.07.1990 Минэнерго СССР (USSR Minenergo 42) |
| Расположен в: |

























































