Скачать Типовой проект 903-4-128.87 Альбом 5. Силовое электрооборудование, автоматизация технологии производстваДата актуализации: 10.08.2017 Типовой проект 903-4-128.87
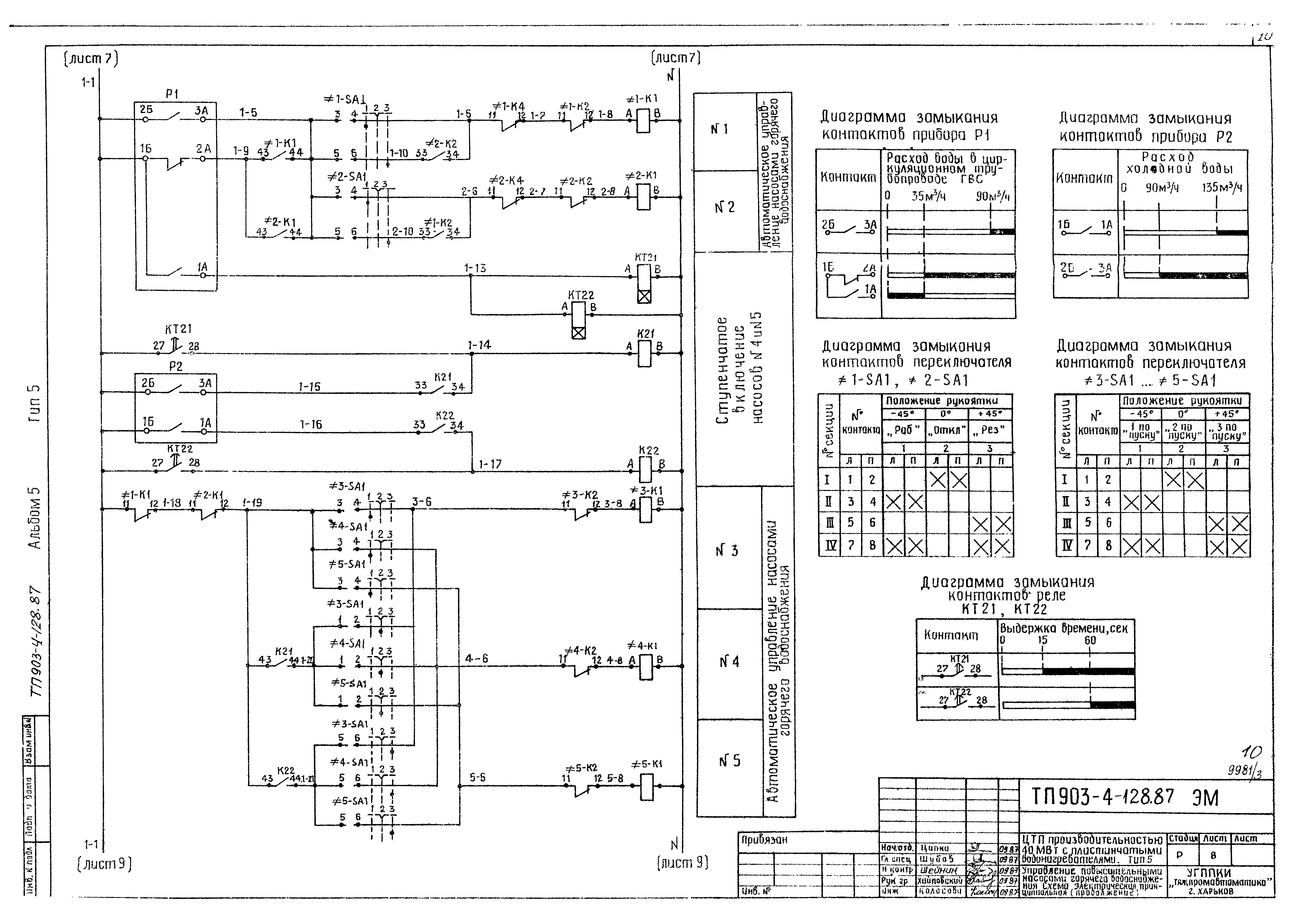
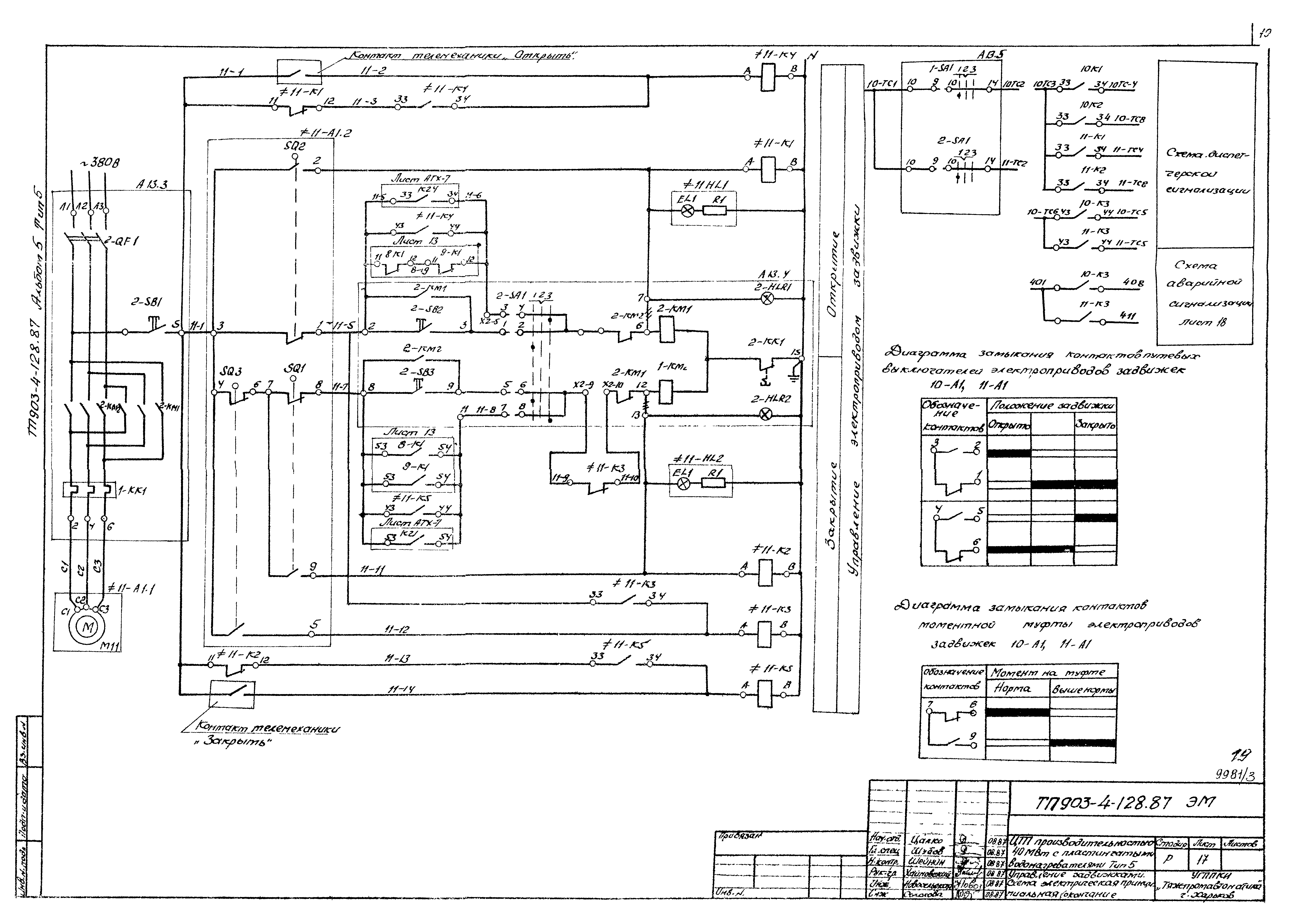
Альбом 5. Силовое электрооборудование, автоматизация технологии производстваОбозначение: | Типовой проект 903-4-128.87 | Обозначение англ: | 903-4-128.87 | Статус: | действует | Название рус.: | Альбом 5. Силовое электрооборудование, автоматизация технологии производства | Дата добавления в базу: | 01.10.2014 | Дата актуализации: | 05.05.2017 | Оглавление: | Содержание альбома Силовое электрооборудование Общие данные Распределительная сеть 380/220 В. Схема электрическая принципиальная Управление повысительными насосами горячего водоснабжения. Схема электрическая принципиальная Управление корректирующими смесительными насосами. Схема электрическая принципиальная Управление подпиточными насосами. Схема электрическая принципиальная Управление сетевыми насосами. Схема электрическая принципиальная Управление задвижками. Схема электрическая принципиальная Аварийная сигнализация. Схема электрическая принципиальная Схема подключения Кабельный журнал План расположения электрооборудования и электропроводок Заземление электроустановок Опросный лист для заказа панелей ЩО-70 Автоматизация технологии производства Общие данные Схема автоматизации Аварийная защита и блокировка. Схема гидравлическая принципиальная Аварийная защита и блокировка. Схема электрическая принципиальная Регулирование теплопотребления температуры воды на ГВС. Схема электрическая принципиальная Аварийная сигнализация. Схема электрическая принципиальная Измерение технологических параметров. Схема электрическая принципиальная Питание приборов и средств автоматизации. Схема электрическая принципиальная Схема соединений внешних проводок План расположения технических средств и проводок | Разработан: | Тяжпромавтоматика
| Утверждён: | 16.07.1986 Госстрой УССР (UkrSSR Gosstroy 136)
| Расположен в: |
|
                                                             
|