Информационная система
«Ёшкин Кот»

Скачать базу одним архивом
Скачать обновления
История создания базы
Карта сайта

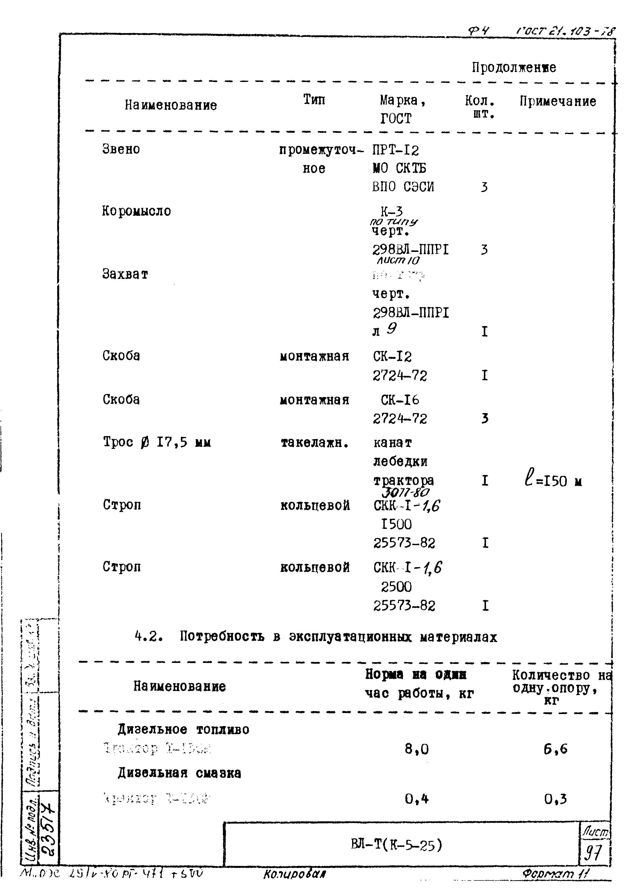
Скачать Технологическая карта К-5-25-8 Технологические карты на сооружение ВЛ и ПС 35 - 1150 кВ. Раздел 12. Монтаж проводов и грозозащитных тросов ВЛ 35 - 500 кВ. Монтаж проводов и грозозащитных тросов ВЛ 500 кВ. Подъем проводов с гирляндами изоляторов на портальные свободностоящие железобетонные опоры с внутренними связями при раскатке

Дата актуализации: 10.08.2017

Технологическая карта К-5-25-8

Технологические карты на сооружение ВЛ и ПС 35 - 1150 кВ. Раздел 12. Монтаж проводов и грозозащитных тросов ВЛ 35 - 500 кВ. Монтаж проводов и грозозащитных тросов ВЛ 500 кВ. Подъем проводов с гирляндами изоляторов на портальные свободностоящие железобетонные опоры с внутренними связями при раскатке

Обозначение: Технологическая карта К-5-25-8
Обозначение англ: К-5-25-8
Статус:cправочные материалы, мп, тпр
Название рус.:Технологические карты на сооружение ВЛ и ПС 35 - 1150 кВ. Раздел 12. Монтаж проводов и грозозащитных тросов ВЛ 35 - 500 кВ. Монтаж проводов и грозозащитных тросов ВЛ 500 кВ. Подъем проводов с гирляндами изоляторов на портальные свободностоящие железобетонные опоры с внутренними связями при раскатке
Дата добавления в базу:01.10.2014
Дата актуализации:05.05.2017
Область применения:Карта служит руководством при сооружении линии электропередачи и является пособием при проектировании производства работ
Оглавление:Общая часть
1. Область применения
2. Организация и технология работ
3. Технико-экономические показатели на одну опору
4. Материально-технические ресурсы
Технологические схемы
Разработан: Институт Оргэнергострой
Утверждён: Институт Оргэнергострой
Расположен в:Техническая документация Строительство Справочные документы Технологические карты Линии электропередачи
Заменяет собой:
  • Технологические карты К-5-10
  • Технологические карты К-5-4
Технологическая карта К-5-25-8Технологическая карта К-5-25-8Технологическая карта К-5-25-8Технологическая карта К-5-25-8Технологическая карта К-5-25-8Технологическая карта К-5-25-8Технологическая карта К-5-25-8Технологическая карта К-5-25-8Технологическая карта К-5-25-8Технологическая карта К-5-25-8Технологическая карта К-5-25-8Технологическая карта К-5-25-8Технологическая карта К-5-25-8Технологическая карта К-5-25-8Технологическая карта К-5-25-8Технологическая карта К-5-25-8Технологическая карта К-5-25-8Технологическая карта К-5-25-8Технологическая карта К-5-25-8Технологическая карта К-5-25-8Технологическая карта К-5-25-8Технологическая карта К-5-25-8Технологическая карта К-5-25-8Технологическая карта К-5-25-8Технологическая карта К-5-25-8Технологическая карта К-5-25-8Технологическая карта К-5-25-8Технологическая карта К-5-25-8Технологическая карта К-5-25-8Технологическая карта К-5-25-8Технологическая карта К-5-25-8Технологическая карта К-5-25-8Технологическая карта К-5-25-8Технологическая карта К-5-25-8Технологическая карта К-5-25-8Технологическая карта К-5-25-8Технологическая карта К-5-25-8Технологическая карта К-5-25-8Технологическая карта К-5-25-8Технологическая карта К-5-25-8Технологическая карта К-5-25-8Технологическая карта К-5-25-8

© 2013 Ёшкин Кот :-) Карта сайта