Информационная система
«Ёшкин Кот»

Скачать базу одним архивом
Скачать обновления
История создания базы
Карта сайта

Скачать Типовой проект 903-1-264.88 Альбом 13. Автоматизация. Схемы функциональные

Дата актуализации: 10.08.2017

Типовой проект 903-1-264.88

Альбом 13. Автоматизация. Схемы функциональные

Обозначение: Типовой проект 903-1-264.88
Обозначение англ: 903-1-264.88
Статус:не определен законодательством
Название рус.:Альбом 13. Автоматизация. Схемы функциональные
Дата добавления в базу:01.10.2014
Дата актуализации:05.05.2017
Дата введения:07.07.1988
Оглавление:Общие данные
Котел ДЕ-6,5-14ГМ №1(2, 3, 4). Схема автоматизации
Котел ДЕ-6,5-14ГМ №1(2, 3, 4). Схема соединения внешних проводок
Котел ДЕ-6,5-14ГМ №1(2, 3, 4). Регуляторы. Схема подключения внешних проводок
Котел ДЕ-6,5-14ГМ №1(2, 3, 4). Стенды приборов №1, 2, 3. Схема подключения внешних проводок
Котел ДЕ-6,5-14ГМ №1(2, 3, 4). Щит общих замеров. Схема подключения внешних проводок
Котел ДЕ-6,5-14ГМ №1(2, 3, 4). Щит управления Ш-ДЕ. Схема подключения внешних проводок
Котел ДЕ-6,5-14ГМ №1(2, 3, 4). План расположения
Вспомогательное оборудование. Схема автоматизации
Газо- и мазутоснабжение. Схема автоматизации
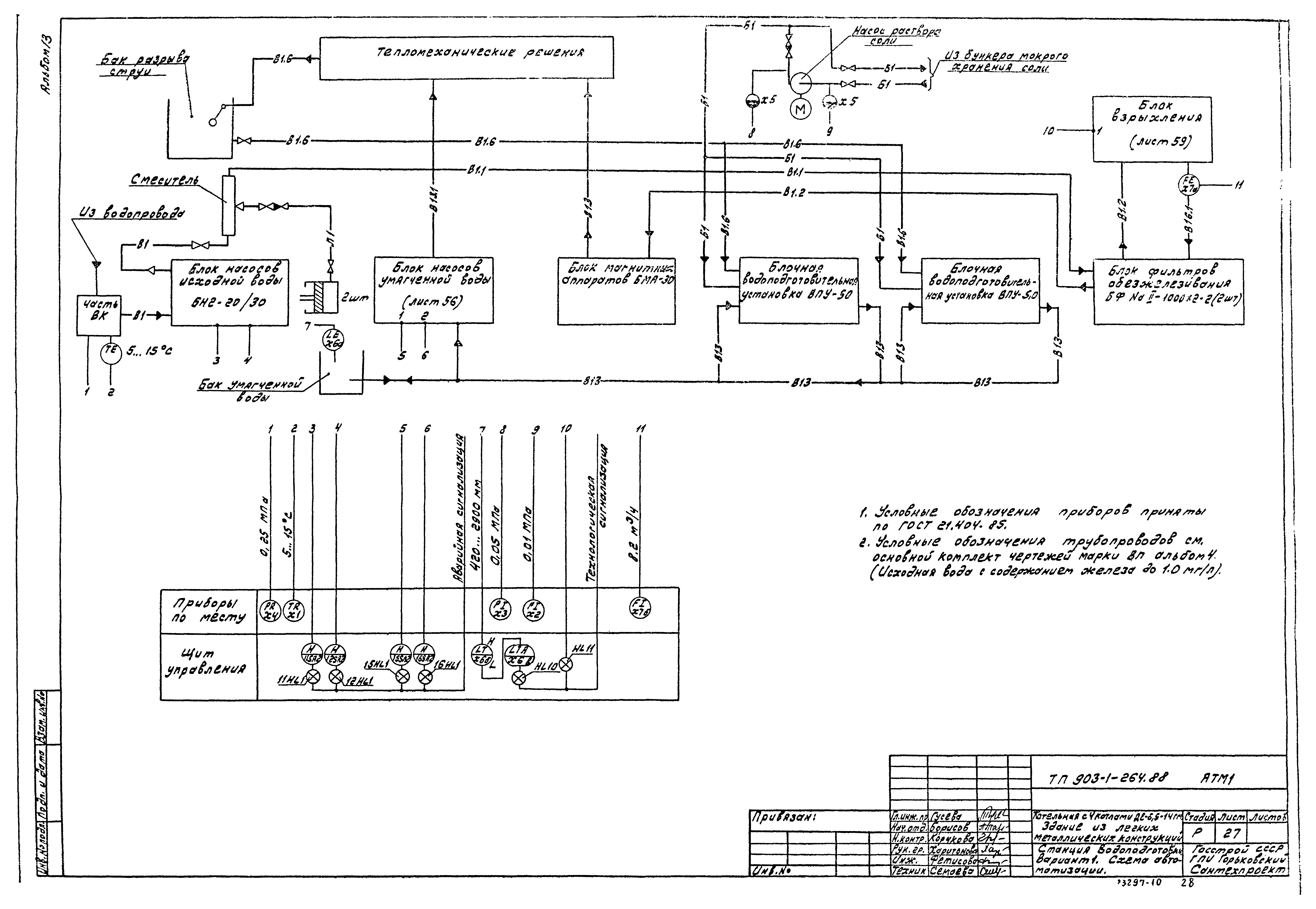
Станция водоподготовки. Вариант 1. Схема автоматизации
Станция водоподготовки. Вариант 2. Схема автоматизации
Вспомогательное оборудование. Схема соединений внешних проводок
Газо- и мазутоснабжение. Схема соединений внешних проводок
Станция водоподготовки. Вариант 1, 2. Схема соединений внешних проводок
Щит 1. Схема подключения внешних проводок
Щиты 2, 3. Схема подключения внешних проводок
Общекотельное оборудование. План расположения
Блок парового коллектора
КБУПП-25. Схема автоматизации
КБУПП-25. Схема соединения внешних проводок
КБУПП-25. План расположения
КБУГВ-25. Схема автоматизации
КБУГВ-25. Схема соединения внешних проводок
КБУГВ-25. План расположения
Установка системы оборотного водоснабжения
Блок приема топлива
Блок насосов подачи мазута к горелкам
Блок насосов умягченной воды
Блок регенерации
Блоки взрыхления
Система №П1. Схема автоматизации. Схема соединения внешних проводок
Система №П1. Схема электрическая принципиальная
Узел управления. Схема автоматизации. Схема соединения внешних проводок
Сочленение исполнительного механизма МЭО-100/25-0,25Р с вентилятором ВДН-9У1
Сочленение исполнительного механизма МЭО-100/25-0,25Р с вентилятором ВДН-11,2
Сочленение исполнительного механизма МЭО-100/25-0,25Р с клапаном КРП-50
Сочленение исполнительного механизма МЭО-16/25-0,25Р-77 с заслонкой 3МС-50
Сочленение исполнительного механизма МЭО-16/25-0,25Р с клапаном 25с047нж
Сочленение исполнительного механизма МЭО-250/25-0,25Р с заслонкой тройника
Сочленение исполнительного механизма МЭО-100/25-0,25Р с клапаном регулирующим поворотным 6с-9-1
Сочленение исполнительного механизма МЭО-100/25-0,25Р с клапаном Б-9с-4-4-1
Котел ДЕ-6,5-14ГМ №1(2, 3, 4). Стенд приборов №1
Котел ДЕ-6,5-14ГМ №1(2, 3, 4). Стенд приборов №2
Котел ДЕ-6,5-14ГМ №1(2, 3, 4). Стенд приборов №3
Разработан: Горьковский Сантехпроект
Утверждён:07.07.1988 Госстрой СССР (Государственный комитет Совета Министров СССР по делам строительства) (USSR Gosstroy 44)
Издан: ЦИТП Госстроя СССР (CITP, Gosstroy (USSR) 1989 г. )
Расположен в:Техническая документация Строительство Справочные документы Типовые строительные конструкции, изделия и узлы Общероссийский строительный каталог Промышленные предприятия, здания и сооружения Здания и сооружения санитарно-технические Теплоснабжение Котельные установки Закрытые системы теплоснабжения Топливо - газ, резерв - мазут
Типовой проект 903-1-264.88Типовой проект 903-1-264.88Типовой проект 903-1-264.88Типовой проект 903-1-264.88Типовой проект 903-1-264.88Типовой проект 903-1-264.88Типовой проект 903-1-264.88Типовой проект 903-1-264.88Типовой проект 903-1-264.88Типовой проект 903-1-264.88Типовой проект 903-1-264.88Типовой проект 903-1-264.88Типовой проект 903-1-264.88Типовой проект 903-1-264.88Типовой проект 903-1-264.88Типовой проект 903-1-264.88Типовой проект 903-1-264.88Типовой проект 903-1-264.88Типовой проект 903-1-264.88Типовой проект 903-1-264.88Типовой проект 903-1-264.88Типовой проект 903-1-264.88Типовой проект 903-1-264.88Типовой проект 903-1-264.88Типовой проект 903-1-264.88Типовой проект 903-1-264.88Типовой проект 903-1-264.88Типовой проект 903-1-264.88Типовой проект 903-1-264.88Типовой проект 903-1-264.88Типовой проект 903-1-264.88Типовой проект 903-1-264.88Типовой проект 903-1-264.88Типовой проект 903-1-264.88Типовой проект 903-1-264.88Типовой проект 903-1-264.88Типовой проект 903-1-264.88Типовой проект 903-1-264.88Типовой проект 903-1-264.88Типовой проект 903-1-264.88Типовой проект 903-1-264.88Типовой проект 903-1-264.88Типовой проект 903-1-264.88Типовой проект 903-1-264.88Типовой проект 903-1-264.88Типовой проект 903-1-264.88Типовой проект 903-1-264.88Типовой проект 903-1-264.88Типовой проект 903-1-264.88Типовой проект 903-1-264.88Типовой проект 903-1-264.88Типовой проект 903-1-264.88Типовой проект 903-1-264.88Типовой проект 903-1-264.88Типовой проект 903-1-264.88Типовой проект 903-1-264.88Типовой проект 903-1-264.88Типовой проект 903-1-264.88Типовой проект 903-1-264.88Типовой проект 903-1-264.88Типовой проект 903-1-264.88Типовой проект 903-1-264.88Типовой проект 903-1-264.88Типовой проект 903-1-264.88Типовой проект 903-1-264.88Типовой проект 903-1-264.88Типовой проект 903-1-264.88Типовой проект 903-1-264.88Типовой проект 903-1-264.88Типовой проект 903-1-264.88

© 2013 Ёшкин Кот :-) Карта сайта