Информационная система
«Ёшкин Кот»

Скачать базу одним архивом
Скачать обновления
История создания базы
Карта сайта

Скачать Типовой проект 704-1-54 Альбом I. Рабочие чертежи КМ резервуара

Дата актуализации: 10.08.2017

Типовой проект 704-1-54

Альбом I. Рабочие чертежи КМ резервуара

Обозначение: Типовой проект 704-1-54
Обозначение англ: 704-1-54
Статус:действует
Название рус.:Альбом I. Рабочие чертежи КМ резервуара
Дата добавления в базу:01.10.2014
Дата актуализации:05.05.2017
Оглавление:Содержание альбома
Пояснительная записка
Техническая спецификация стали для районов со снеговой нагрузкой до 100 кг/кв. м и ветровой нагрузкой до 70 кг/кв. м
Техническая спецификация стали для районов со снеговой нагрузкой до 100 кг/кв. м и ветровой нагрузкой свыше 70 кг/кв. м до 100кг/кв. м
Техническая спецификация стали для районов: а) со снеговой нагрузкой свыше 100 кг/кв. м до 150 кг/кв. м и ветровой нагрузкой до 70 кг/кв. м; б) со снеговой нагрузкой свыше 150 кг/кв. м до 200 кг/кв. м и ветровой нагрузкой до 55 кг/кв. м
Техническая спецификация стали для районов: а) со снеговой нагрузкой свыше 100 кг/кв. м до 150 кг/кв. м и ветровой нагрузкой свыше 70 кг/кв. м до 100 кг/кв. м; б) со снеговой нагрузкой свыше 150 кг/кв. м до 200 кг/кв. м и ветровой нагрузкой свыше 55 кг/кв. м до 100 кг/кв. м
Общий вид
Монтажные узлы
Днище
Стенка
Таблица сечений и расчетных усилий элементов щитов
Покрытие. Центральное кольцо
Покрытие. Начальный щит
Покрытие. Промежуточный щит
Покрытие. Замыкающий щит
Покрытие. Узлы щитов
Ограждение и обслуживающая площадка на крыше. План и разрезы
Люк-лаз в I поясе стенки Dy500
Люк-лаз в I поясе стенки овальный 600х900
Патрубок для установки клапанов Dy200; Dy250; Dy350
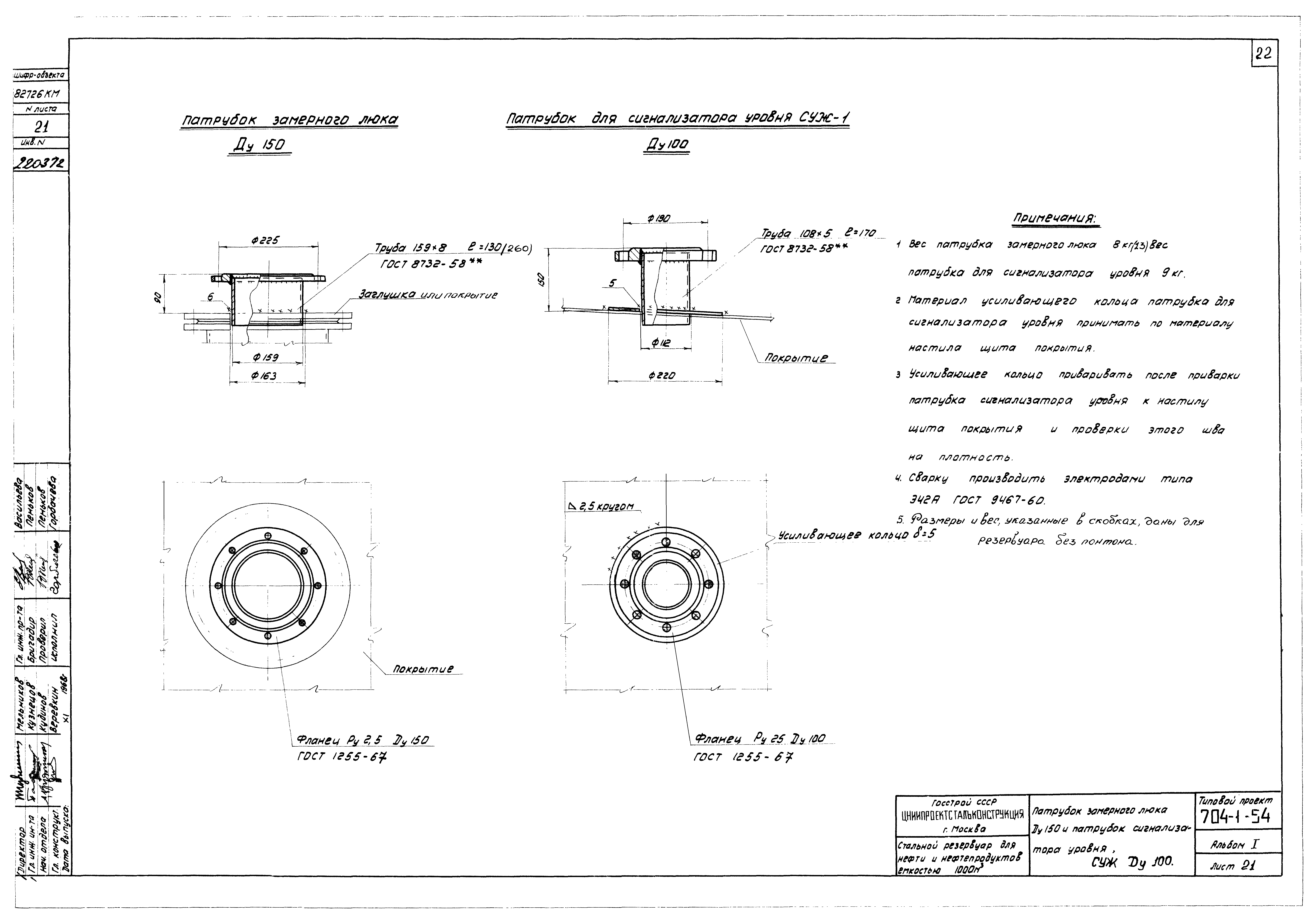
Патрубок замерного люка Dy150 и патрубок сигнализатора уровня СУЖ Dy100
Площадки для обслуживания оборудования на крыше. Узлы
Разработан: ЦНИИпроектстальконструкция
Утверждён:25.12.1969 ЦНИИпроектстальконструкция (TsNIIprojectstalkonstruktsiya 221)
Расположен в:Техническая документация Строительство Справочные документы Типовые строительные конструкции, изделия и узлы Общероссийский строительный каталог Промышленные предприятия, здания и сооружения Предприятия, здания и сооружения складские Резервуары и склады для нефти и нефтепродуктов Резервуары стальные для нефти и нефтепродуктов
Типовой проект 704-1-54Типовой проект 704-1-54Типовой проект 704-1-54Типовой проект 704-1-54Типовой проект 704-1-54Типовой проект 704-1-54Типовой проект 704-1-54Типовой проект 704-1-54Типовой проект 704-1-54Типовой проект 704-1-54Типовой проект 704-1-54Типовой проект 704-1-54Типовой проект 704-1-54Типовой проект 704-1-54Типовой проект 704-1-54Типовой проект 704-1-54Типовой проект 704-1-54Типовой проект 704-1-54Типовой проект 704-1-54Типовой проект 704-1-54Типовой проект 704-1-54Типовой проект 704-1-54Типовой проект 704-1-54Типовой проект 704-1-54

© 2013 Ёшкин Кот :-) Карта сайта