Информационная система
«Ёшкин Кот»

Скачать базу одним архивом
Скачать обновления
История создания базы
Карта сайта

Скачать Типовой проект 902-2-470.89 Альбом 4. Отстойники. Строительные изделия

Дата актуализации: 10.08.2017

Типовой проект 902-2-470.89

Альбом 4. Отстойники. Строительные изделия

Обозначение: Типовой проект 902-2-470.89
Обозначение англ: 902-2-470.89
Статус:не определен законодательством
Название рус.:Альбом 4. Отстойники. Строительные изделия
Дата добавления в базу:01.10.2014
Дата актуализации:05.05.2017
Дата введения:27.04.1989
Оглавление:Содержание альбома
902-2-470.89-КЖ.И-0.0.0ТУ Технические условия
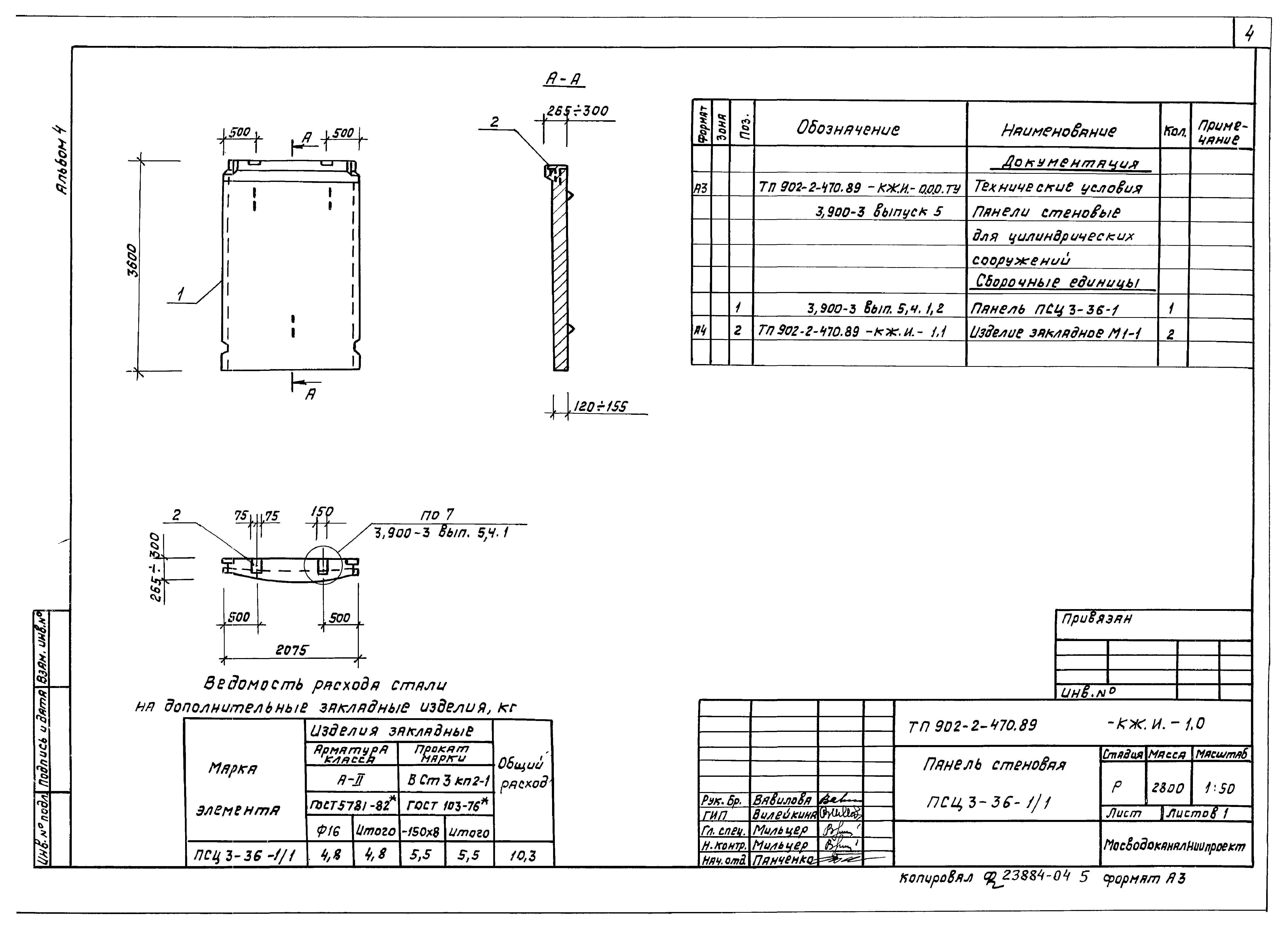
902-2-470.89-КЖ.И-1.0 Панель стеновая ПСЦ3-36-1/1
902-2-470.89-КЖ.И-2.0 Панель стеновая ПСЦ3-36-1/3
902-2-470.89-КЖ.И-3.0 Лоток ЛО1
902-2-470.89-КЖ.И-4.0 Каркас плоский КР1
902-2-470.89-КЖ.И-5.0 Каркас плоский КР2
902-2-470.89-КЖ.И-6.0 Каркас плоский КР3
902-2-470.89-КЖ.И-3.1 Сетка С1
902-2-470.89-КЖ.И-3.2 Сетка С2
902-2-470.89-КЖ.И-1.1 Изделие закладное М1-1
902-2-470.89-КЖ.И-3.3 Изделие закладное М2-1
902-2-470.89-КЖ.И-3.4 Изделие закладное М2-2
902-2-470.89-КЖ.И-7.0 Изделие закладное МН1
902-2-470.89-КЖ.И-8.0 Изделие закладное МН2
902-2-470.89-КЖ.И-9.0 Изделие закладное МН3
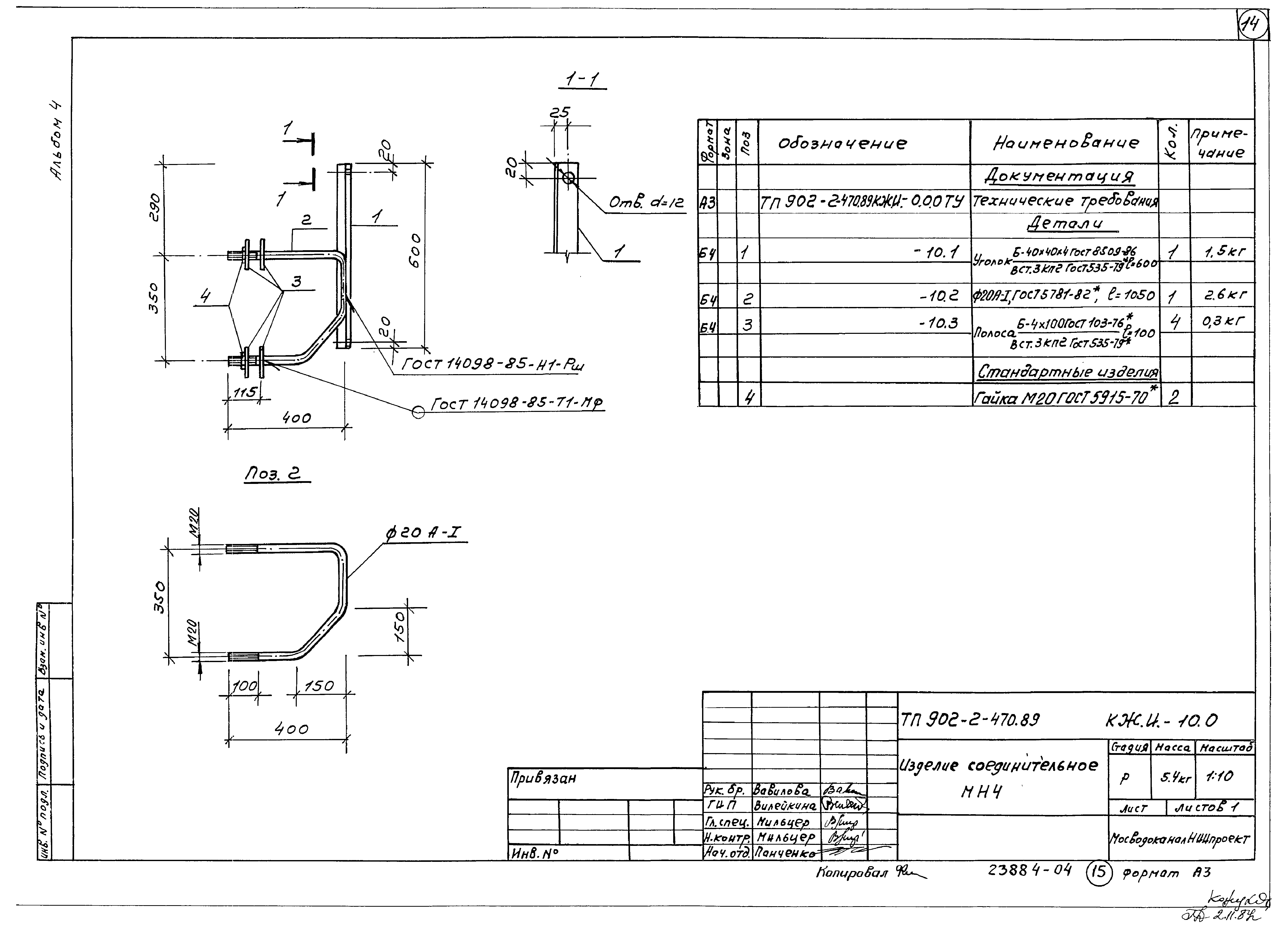
902-2-470.89-КЖ.И-10.0 Изделие соединительное МН4
Разработан: МосводоканалНИИпроект
Утверждён:24.04.1989 Мосгорисполком (Mosgorispolkom 841р)
Расположен в:Техническая документация Строительство Справочные документы Типовые строительные конструкции, изделия и узлы Общероссийский строительный каталог Промышленные предприятия, здания и сооружения Здания и сооружения санитарно-технические Канализация Сооружения механической очистки Отстойники Отстойники радиальные первичные
Типовой проект 902-2-470.89Типовой проект 902-2-470.89Типовой проект 902-2-470.89Типовой проект 902-2-470.89Типовой проект 902-2-470.89Типовой проект 902-2-470.89Типовой проект 902-2-470.89Типовой проект 902-2-470.89Типовой проект 902-2-470.89Типовой проект 902-2-470.89Типовой проект 902-2-470.89Типовой проект 902-2-470.89Типовой проект 902-2-470.89Типовой проект 902-2-470.89Типовой проект 902-2-470.89

© 2013 Ёшкин Кот :-) Карта сайта