Информационная система
«Ёшкин Кот»

Скачать базу одним архивом
Скачать обновления
История создания базы
Карта сайта

Скачать Типовой проект А-IV-600-476.90 Альбом 5. Часть 3. Отопление и вентиляция. Водопровод и канализация (4 климатическая зона)

Дата актуализации: 10.08.2017

Типовой проект А-IV-600-476.90

Альбом 5. Часть 3. Отопление и вентиляция. Водопровод и канализация (4 климатическая зона)

Обозначение: Типовой проект А-IV-600-476.90
Обозначение англ: А-IV-600-476.90
Статус:не определен законодательством
Название рус.:Альбом 5. Часть 3. Отопление и вентиляция. Водопровод и канализация (4 климатическая зона)
Дата добавления в базу:01.10.2014
Дата актуализации:05.05.2017
Дата введения:24.08.1990
Оглавление:Содержание альбома
Отопление и вентиляция
   Общие данные
   План и схема отопления. Узел управления (теплоноситель 95 - 70 градусов Цельсия)
   План и схема отопления. Узел управления (теплоноситель 150 - 70 градусов Цельсия)
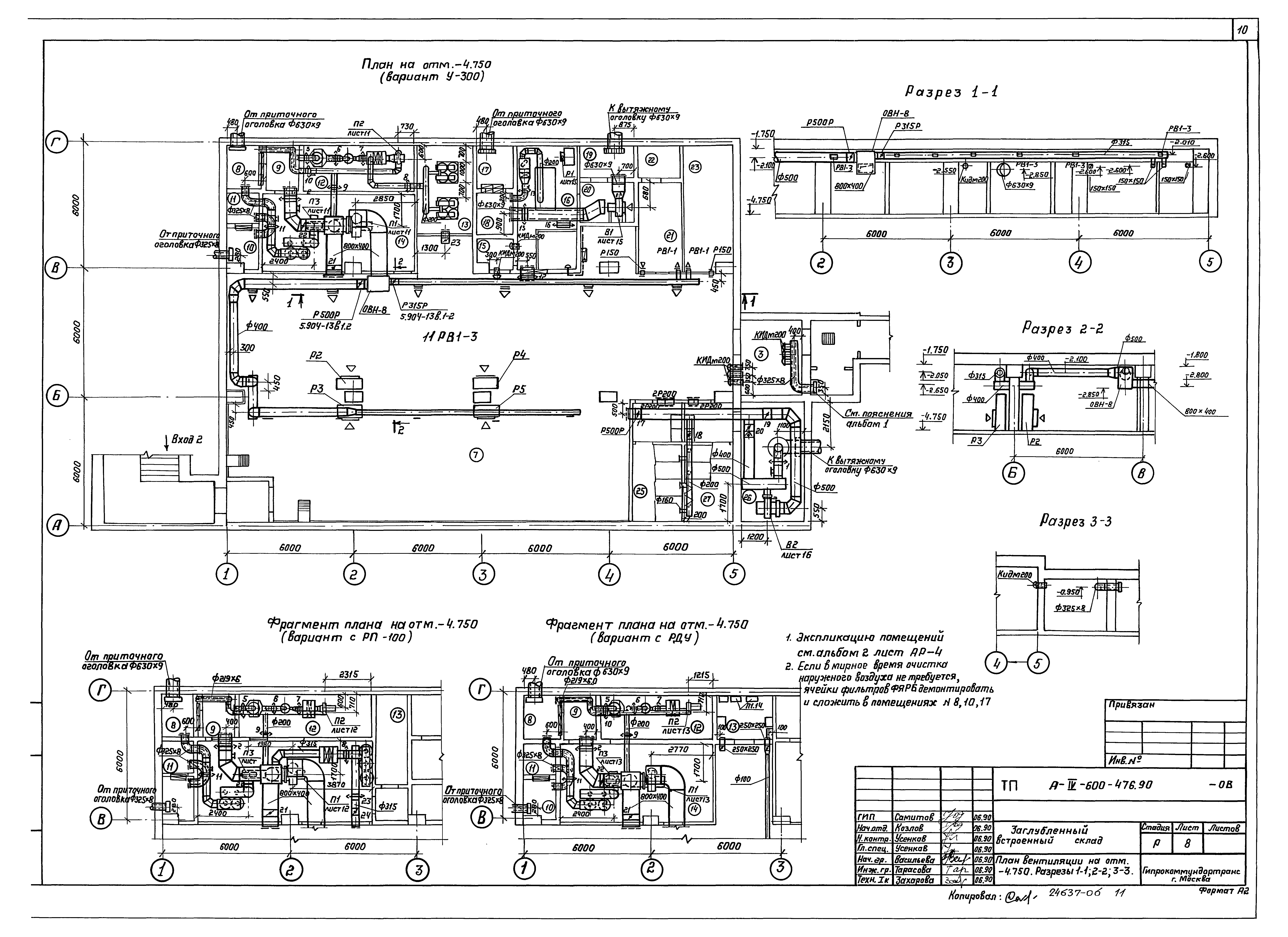
   План вентиляции на отм. - 4.750. Разрезы 1-1, 2-2, 3-3
   Схема приточных систем П1, П2, П3
   Схемы вытяжных систем В1, В2, Р1 и системы ПЕ1
   Установка систем П1, П2, П3. План, разрезы (вариант с У-300)
   Установка систем П1, П2, П3. План, разрезы (вариант с РП-100)
   Установка систем П1, П2, П3. План, разрезы (вариант с РДУ)
   Спецификация вентиляционных установок П1, П2, П3
   Установка систем ПЕ1, В1, Р1. План, разрезы. Спецификация
   Установка системы В2. План, разрезы, спецификация
   Коробка размером 900х700х1000 мм
   Коробка размером 300х530х503 мм
   Коробка размером 200х530х503 мм
   Переход размером Ф200/530х503 мм
   Коробка размером 530х300х503 мм
   Переход размером 350х355/Ф630 мм
   Коробка размером 655х503х650 мм
   Коробка размером 600х900х1050 мм
   Стеллажи для комплектов В-64
   Коробка размером 655х200х503 мм
   Питометражный лючок
   Патрубки с сеткой
   Расширитель для установки ДРПВ-2
   Установки сдвоенных фильтров ФЯРБ
Водопровод и канализация
   Общие данные
   Фрагмент плана на отм. - 4.750 м в осях 4 - 5 и А - Б системы хозяйственно-питьевого водопровода В1. Разрез 1-1. Схема системы В1
   Спецификация системы В1
   План в осях Б - Г и 1 - 5 на отм. - 4.750 м систем В1, В3 (вариант с У-300). Разрезы 1-1, 2-2
   Схемы системы В3 для варианта с У-300
   План в осях Б - Г и 1 - 5 на отм. - 4.750 м систем В1, В3 (вариант с РП-100). Разрезы 1-1- 3-3
   Схемы системы В3 для варианта с РП-100
   План в осях Б - Г и 1 - 5 на отм. - 4.750 м систем В1, В3 (вариант с РДУ). Разрезы 1-1- 3-3
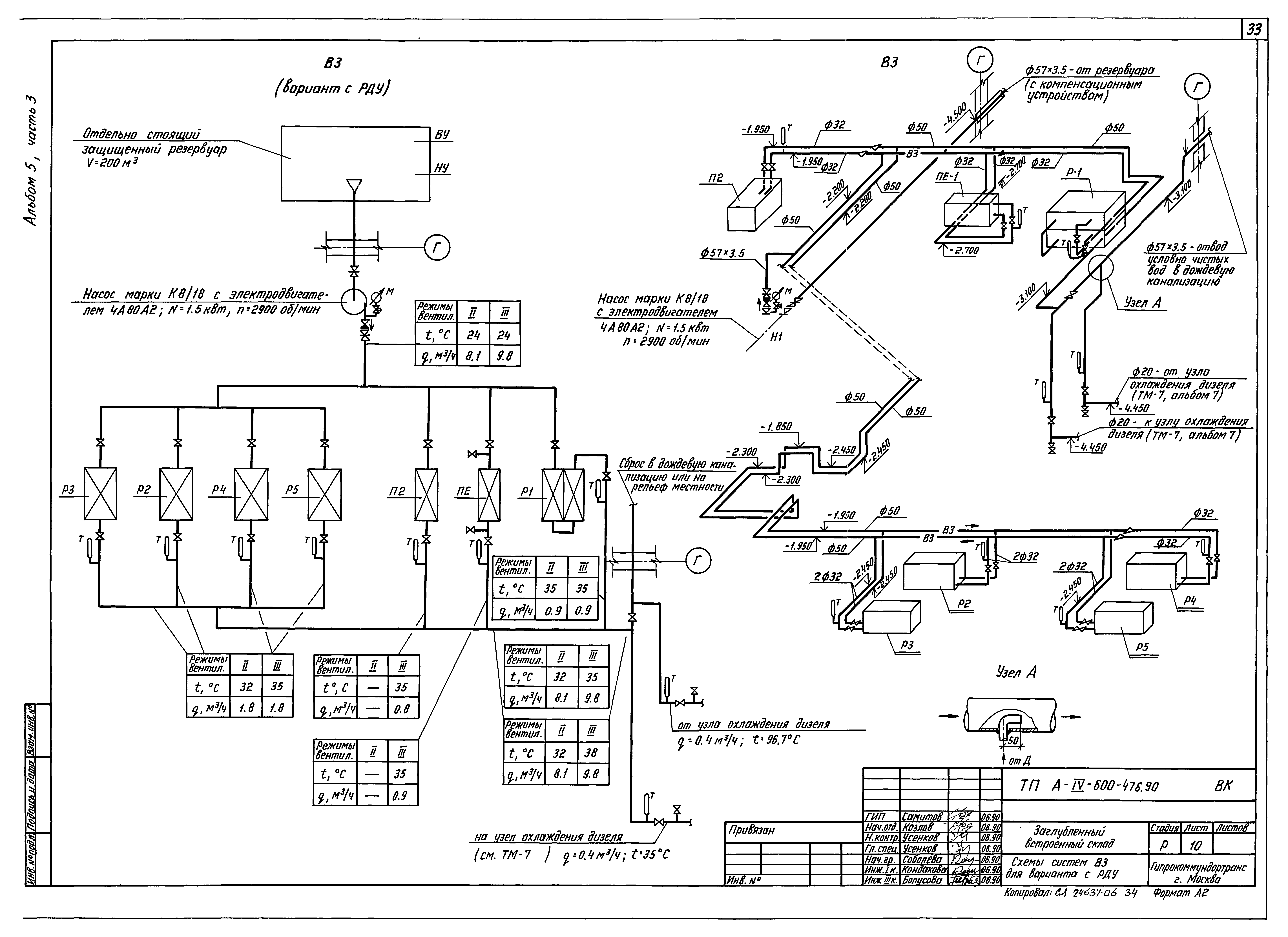
   Схемы системы В3 для варианта с РДУ
   Спецификация системы В3
   План насосной и резервуара бытовых сточных вод. Разрезы 1-1, 2-2. Схема (напорный выпуск)
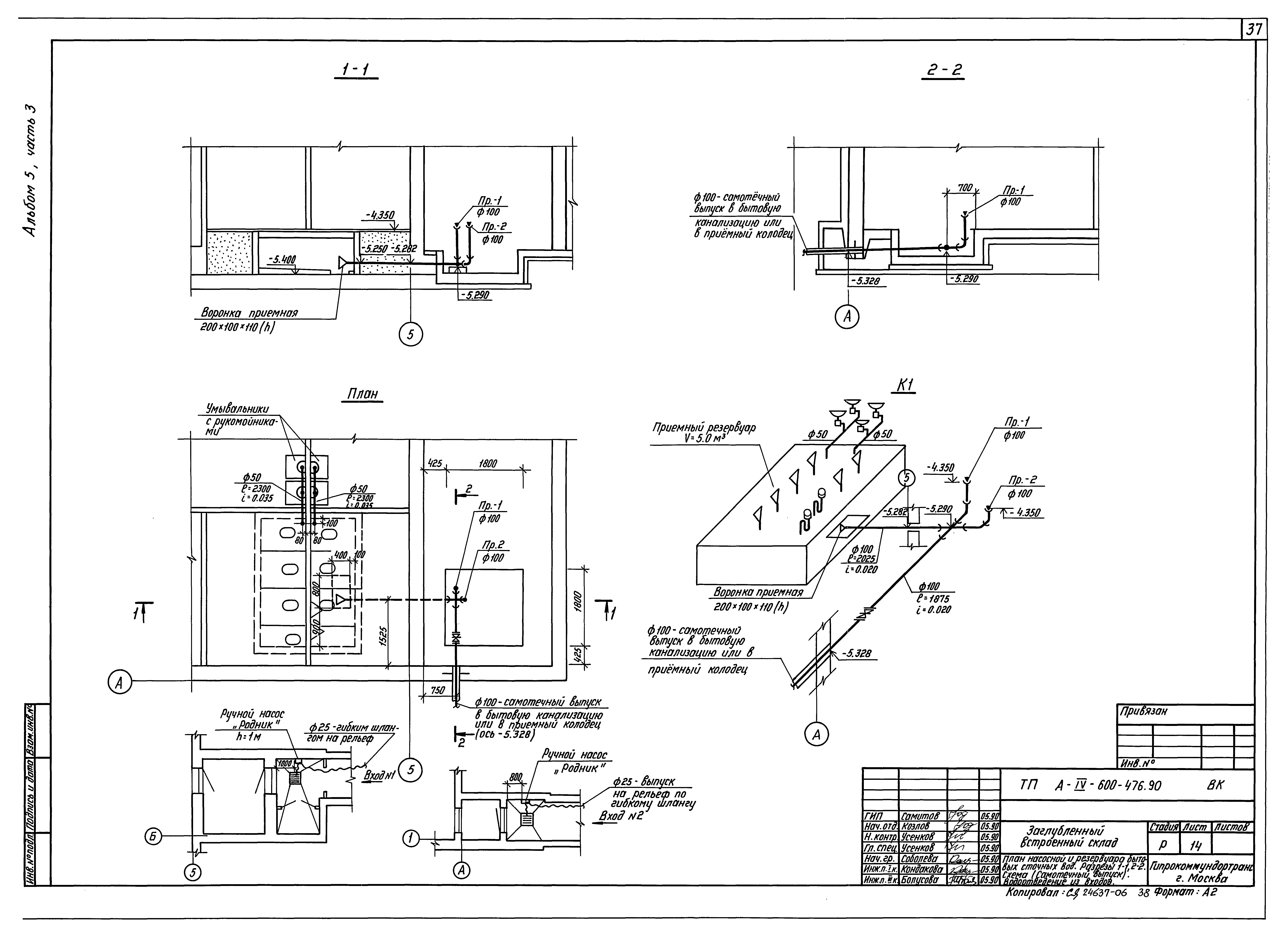
   План насосной и резервуара бытовых сточных вод. Разрезы 1-1, 2-2. Схема (самотечный выпуск). Водоотведение из входов
   Спецификация системы К1
   Емкости запаса питьевой воды. Общий вид. Разрезы
   Стульчак. План. Общий вид
   Стульчак. Разрез 1-1
Разработан: Гипрокоммундортранс
Утверждён:17.08.1990 НГО СССР (62)
Расположен в:Техническая документация Строительство Справочные документы Типовые строительные конструкции, изделия и узлы Общероссийский строительный каталог Защитные сооружения гражданской обороны Типовые проекты защитных сооружений гражданской обороны для объектов промышленности, электроэнергетики, транспорта, связи и складского хозяйства Встроенные помещения, приспособленные под убежища Убежища межотраслевого назначения
Типовой проект А-IV-600-476.90Типовой проект А-IV-600-476.90Типовой проект А-IV-600-476.90Типовой проект А-IV-600-476.90Типовой проект А-IV-600-476.90Типовой проект А-IV-600-476.90Типовой проект А-IV-600-476.90Типовой проект А-IV-600-476.90Типовой проект А-IV-600-476.90Типовой проект А-IV-600-476.90Типовой проект А-IV-600-476.90Типовой проект А-IV-600-476.90Типовой проект А-IV-600-476.90Типовой проект А-IV-600-476.90Типовой проект А-IV-600-476.90Типовой проект А-IV-600-476.90Типовой проект А-IV-600-476.90Типовой проект А-IV-600-476.90Типовой проект А-IV-600-476.90Типовой проект А-IV-600-476.90Типовой проект А-IV-600-476.90Типовой проект А-IV-600-476.90Типовой проект А-IV-600-476.90Типовой проект А-IV-600-476.90Типовой проект А-IV-600-476.90Типовой проект А-IV-600-476.90Типовой проект А-IV-600-476.90Типовой проект А-IV-600-476.90Типовой проект А-IV-600-476.90Типовой проект А-IV-600-476.90Типовой проект А-IV-600-476.90Типовой проект А-IV-600-476.90Типовой проект А-IV-600-476.90Типовой проект А-IV-600-476.90Типовой проект А-IV-600-476.90Типовой проект А-IV-600-476.90Типовой проект А-IV-600-476.90Типовой проект А-IV-600-476.90Типовой проект А-IV-600-476.90Типовой проект А-IV-600-476.90Типовой проект А-IV-600-476.90

© 2013 Ёшкин Кот :-) Карта сайта