Информационная система
«Ёшкин Кот»

Скачать базу одним архивом
Скачать обновления
История создания базы
Карта сайта

Скачать Типовой проект 703-2-1.86 Альбом 4. Конструкции металлические

Дата актуализации: 10.08.2017

Типовой проект 703-2-1.86

Альбом 4. Конструкции металлические

Обозначение: Типовой проект 703-2-1.86
Обозначение англ: 703-2-1.86
Статус:не определен законодательством
Название рус.:Альбом 4. Конструкции металлические
Дата добавления в базу:01.10.2014
Дата актуализации:05.05.2017
Дата введения:23.05.1986
Оглавление:Содержание альбома
Общие данные
Техническая спецификация металла
Ведомость металлоконструкций по видам профилей
Схема расчетных нагрузок на фундаменты ОП1 - ОП5
Таблица расчетных нагрузок на фундаменты
Схема расположения баз колонн. Фрагменты 1 - 7
Типы баз колонн. Сечения 1-1 - 6-6
Схема расположения колонн и связей
Разрезы 1-1, 2-2, 3-3, 4-4, 5-5
Разрезы 6-6, 7-7, 8-8, 9-9
Схема расположения элементов покрытия
Разрезы 10-10; 11-11; 12-12; 13-13
Схема раскладки настила покрытия каркаса и навесов. Стык листов. Фрагмент 1
Схема расположения элементов подвесного перекрытия. Разрезы 14-14; 15-15; 16-16
Схемы расположения ригелей фахверка по осям А, И, 9, 2
Схемы расположения ригелей фахверка по осям Г, Д между осями 6 и 7
Схема расположения крепления коммуникаций
Опоры ОП1, ОП2. Сечения 1-1 - 6-6
Площадки металлические ПМ1 - ПМ4
Рама Р1, лестница Л1
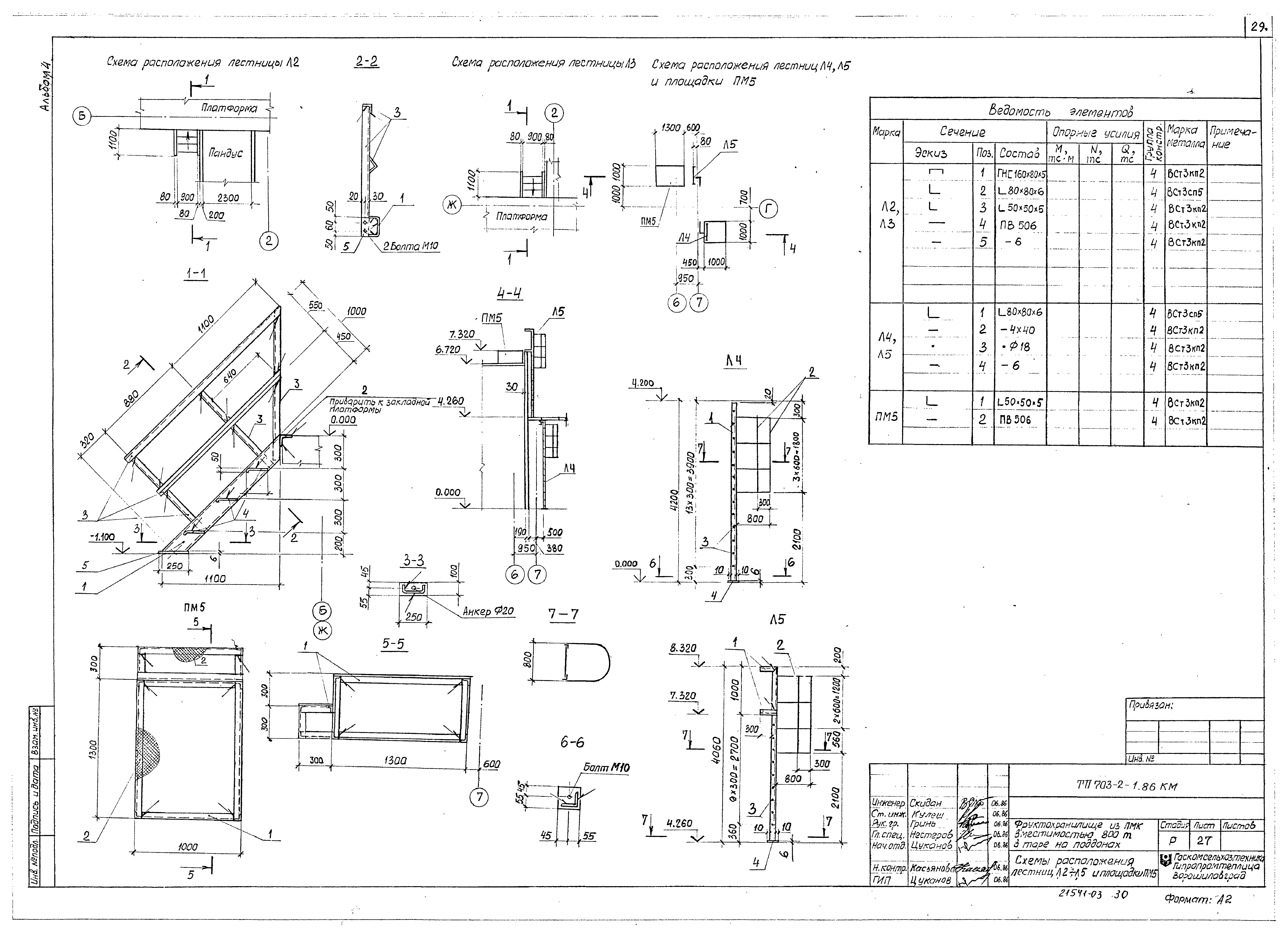
Схемы расположения лестниц Л2 - Л5 и площадки ПМ5
Узлы 1, 2
Узлы 3, 4, 5
Узлы 6, 7
Узлы 8, 9, 10
Узлы 11, 12, 13
Узлы 14, 15, 16
Узлы 17, 18
Узлы 19, 20
Узлы 21, 22
Узлы 23, 24, 25
Узлы 26, 27
Узлы 28, 29, 30
Узлы 31, 32, 33, 34
Узел 35
Узлы 36, 37
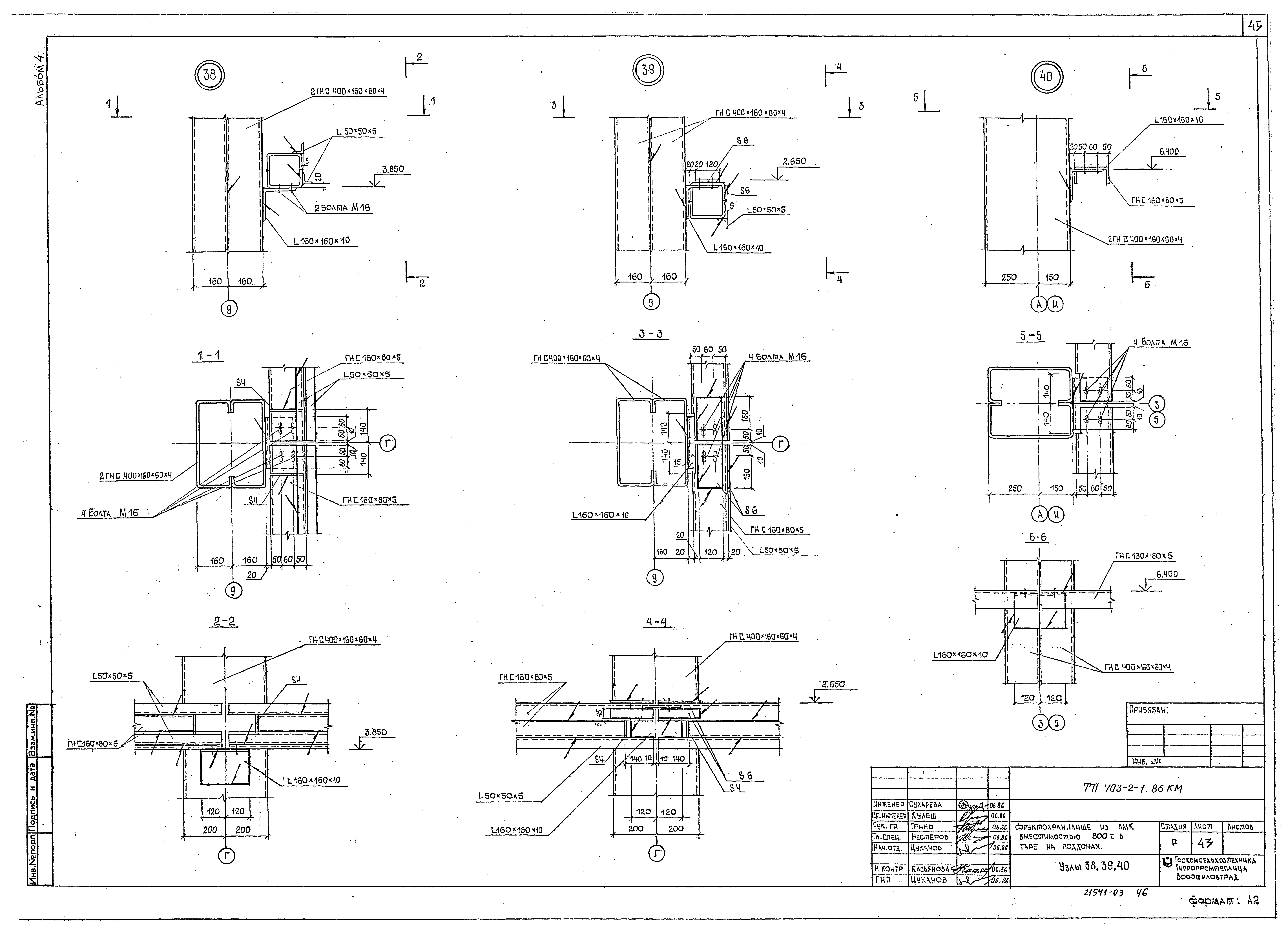
Узлы 38, 39, 40
Узлы 41 - 47
Фермы ФС1; ФС2. Узлы 48, 49, 50, 51, 52, 53, 54, 55
Схема расположения ворот. Узлы 56, 57, 58
Разработан: Гипроторг
Гипропромтеплица
Утверждён:17.02.1986 Министерство торговли СССР (USSR Ministry of Commerce 31/П-3)
Расположен в:Техническая документация Строительство Справочные документы Типовые строительные конструкции, изделия и узлы Общероссийский строительный каталог Промышленные предприятия, здания и сооружения Предприятия, здания и сооружения складские Овощехранилища и фруктохранилища Фруктохранилища
Типовой проект 703-2-1.86Типовой проект 703-2-1.86Типовой проект 703-2-1.86Типовой проект 703-2-1.86Типовой проект 703-2-1.86Типовой проект 703-2-1.86Типовой проект 703-2-1.86Типовой проект 703-2-1.86Типовой проект 703-2-1.86Типовой проект 703-2-1.86Типовой проект 703-2-1.86Типовой проект 703-2-1.86Типовой проект 703-2-1.86Типовой проект 703-2-1.86Типовой проект 703-2-1.86Типовой проект 703-2-1.86Типовой проект 703-2-1.86Типовой проект 703-2-1.86Типовой проект 703-2-1.86Типовой проект 703-2-1.86Типовой проект 703-2-1.86Типовой проект 703-2-1.86Типовой проект 703-2-1.86Типовой проект 703-2-1.86Типовой проект 703-2-1.86Типовой проект 703-2-1.86Типовой проект 703-2-1.86Типовой проект 703-2-1.86Типовой проект 703-2-1.86Типовой проект 703-2-1.86Типовой проект 703-2-1.86Типовой проект 703-2-1.86Типовой проект 703-2-1.86Типовой проект 703-2-1.86Типовой проект 703-2-1.86Типовой проект 703-2-1.86Типовой проект 703-2-1.86Типовой проект 703-2-1.86Типовой проект 703-2-1.86Типовой проект 703-2-1.86Типовой проект 703-2-1.86Типовой проект 703-2-1.86Типовой проект 703-2-1.86Типовой проект 703-2-1.86Типовой проект 703-2-1.86Типовой проект 703-2-1.86Типовой проект 703-2-1.86Типовой проект 703-2-1.86

© 2013 Ёшкин Кот :-) Карта сайта