Информационная система
«Ёшкин Кот»

Скачать базу одним архивом
Скачать обновления
История создания базы
Карта сайта

Скачать Типовой проект 703-2-1.86 Альбом 2. Архитектурные решения. Конструкции железобетонные

Дата актуализации: 10.08.2017

Типовой проект 703-2-1.86

Альбом 2. Архитектурные решения. Конструкции железобетонные

Обозначение: Типовой проект 703-2-1.86
Обозначение англ: 703-2-1.86
Статус:не определен законодательством
Название рус.:Альбом 2. Архитектурные решения. Конструкции железобетонные
Дата добавления в базу:01.10.2014
Дата актуализации:05.05.2017
Дата введения:23.05.1986
Оглавление:Чертежи основного комплекта марки АР
   Общие данные
   План на отм. 0.000. Фрагмент 1
   Разрезы 1-1, 2-2
   Разрез 3-3. Фасад 1 - 10. Схемы заполнения оконных проемов
   Фасады А- И; И - А; 10 - 1
   Схемы расположения элементов стальных щитовых перегородок и асбестоцементных листов защитной стенки
   План кровли и полов. Экспликация полов
   Спецификация элементов к узлам заполнения дверных проемов и ворот
   Схема расположения стеновых панелей. Схема 1, 2, 3
   Схема расположения стеновых панелей. Схема 4, 5, 6
   Схема расположения противопожарных стен и стеновых панелей. Схема 7, 8, 9
   Спецификация к схемам расположения стеновых панелей
   Схема расположения панелей перегородок. Сечения 1-1…8-8
   Схема расположения панелей перегородок. Сечения 9-9…16-16
   Схема расположения панелей подвесного потолка. Сечение 1-1
   Схема расположения панелей подвесного потолка. Сечения 2-2, 3-3
Чертежи основного комплекта марки КЖ
   Общие данные
   Схема расположения фундаментов и подпорных стен
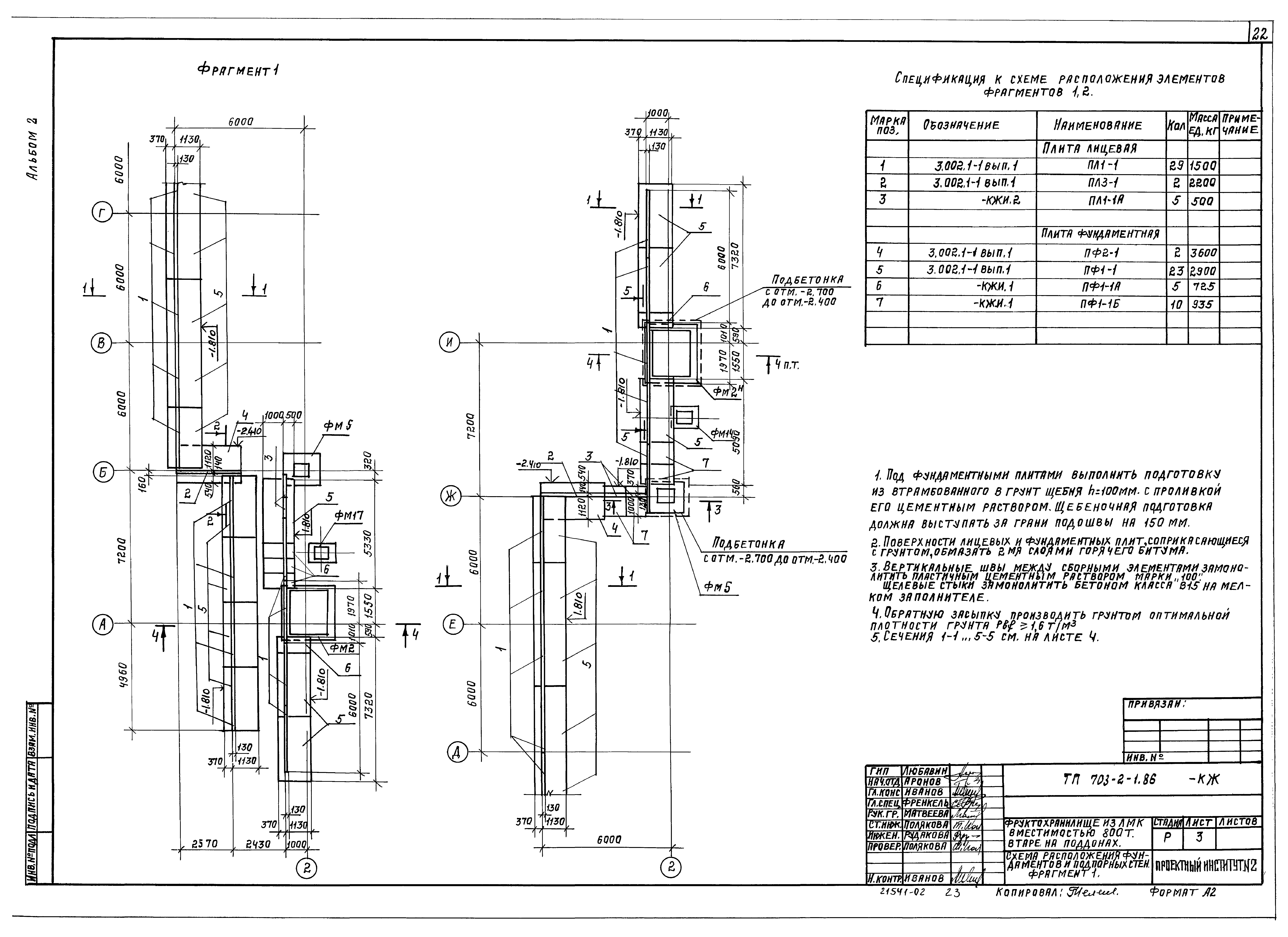
   Схема расположения фундаментов и подпорных стен. Фрагмент 1
   Схема расположения фундаментов и подпорных стен. Фрагмент 2. Сечения 1-1…7-7
   Схема расположения фундаментов и подпорных стен. Фрагменты 3…6. Узлы 1, 2
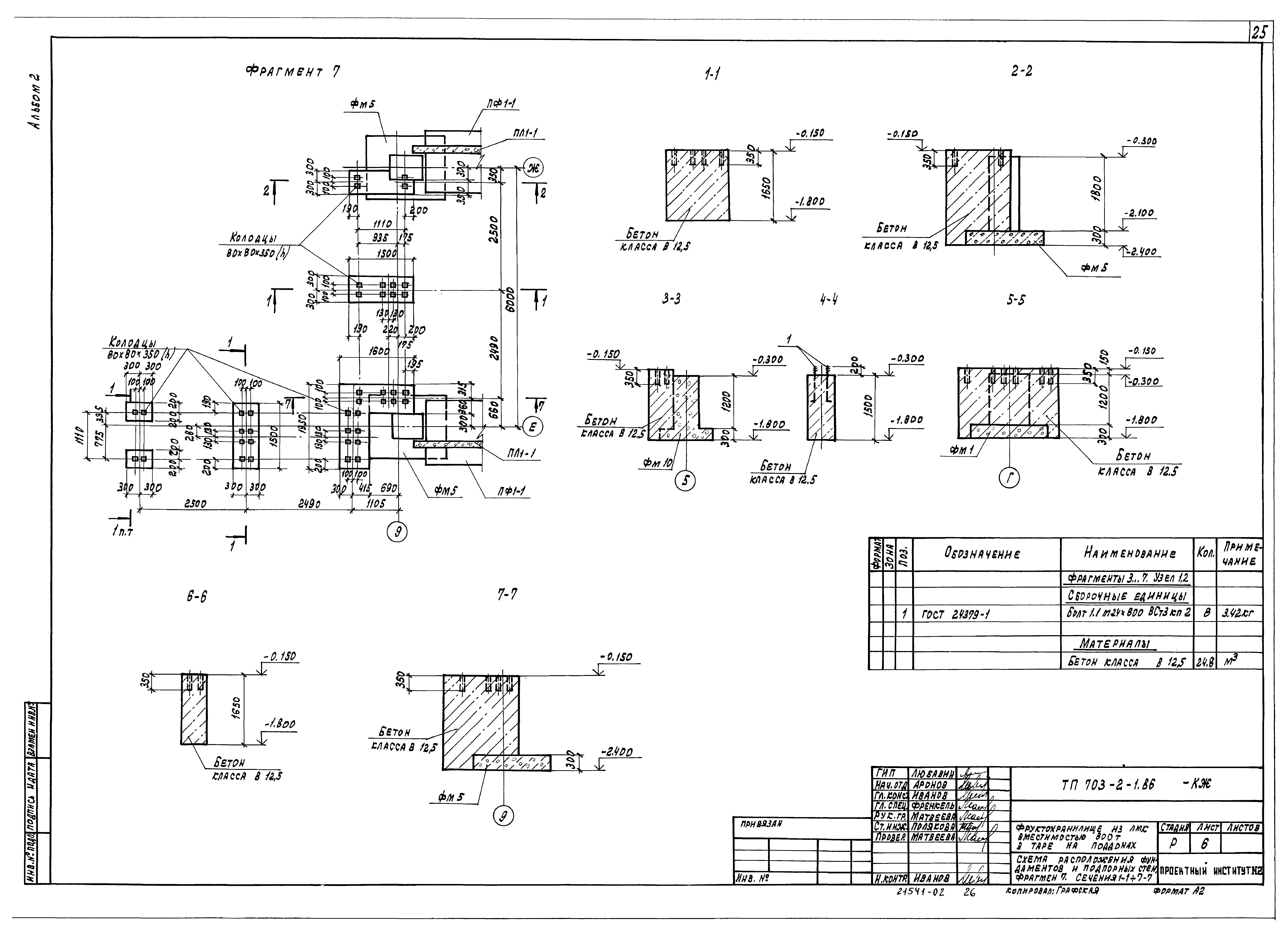
   Схема расположения фундаментов и подпорных стен. Фрагмент 7. Сечения 1-1…7-7
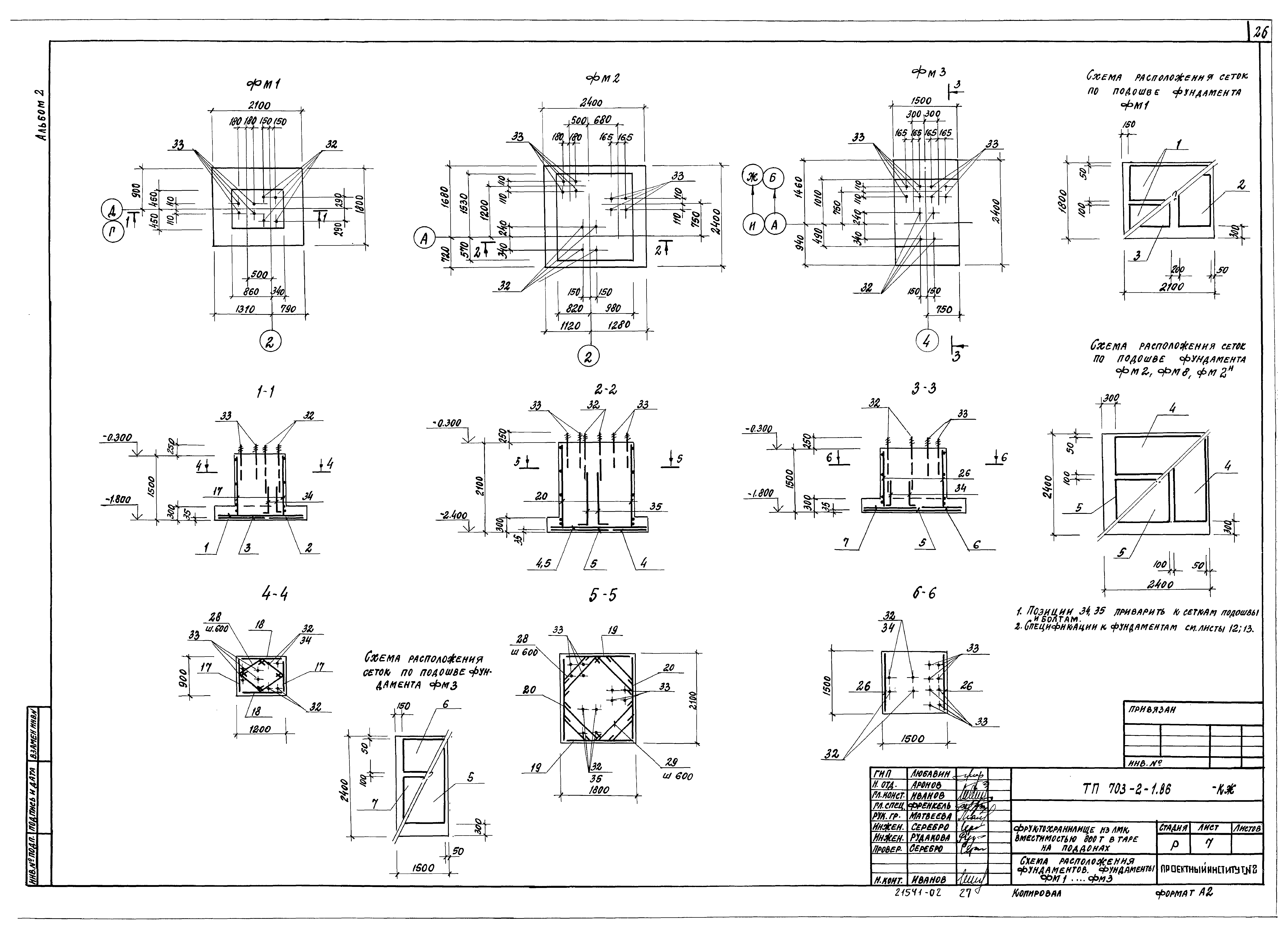
   Схема расположения фундаментов. Фундаменты Фм1…Фм3
   Схема расположения фундаментов. Фундаменты Фм4…Фм7
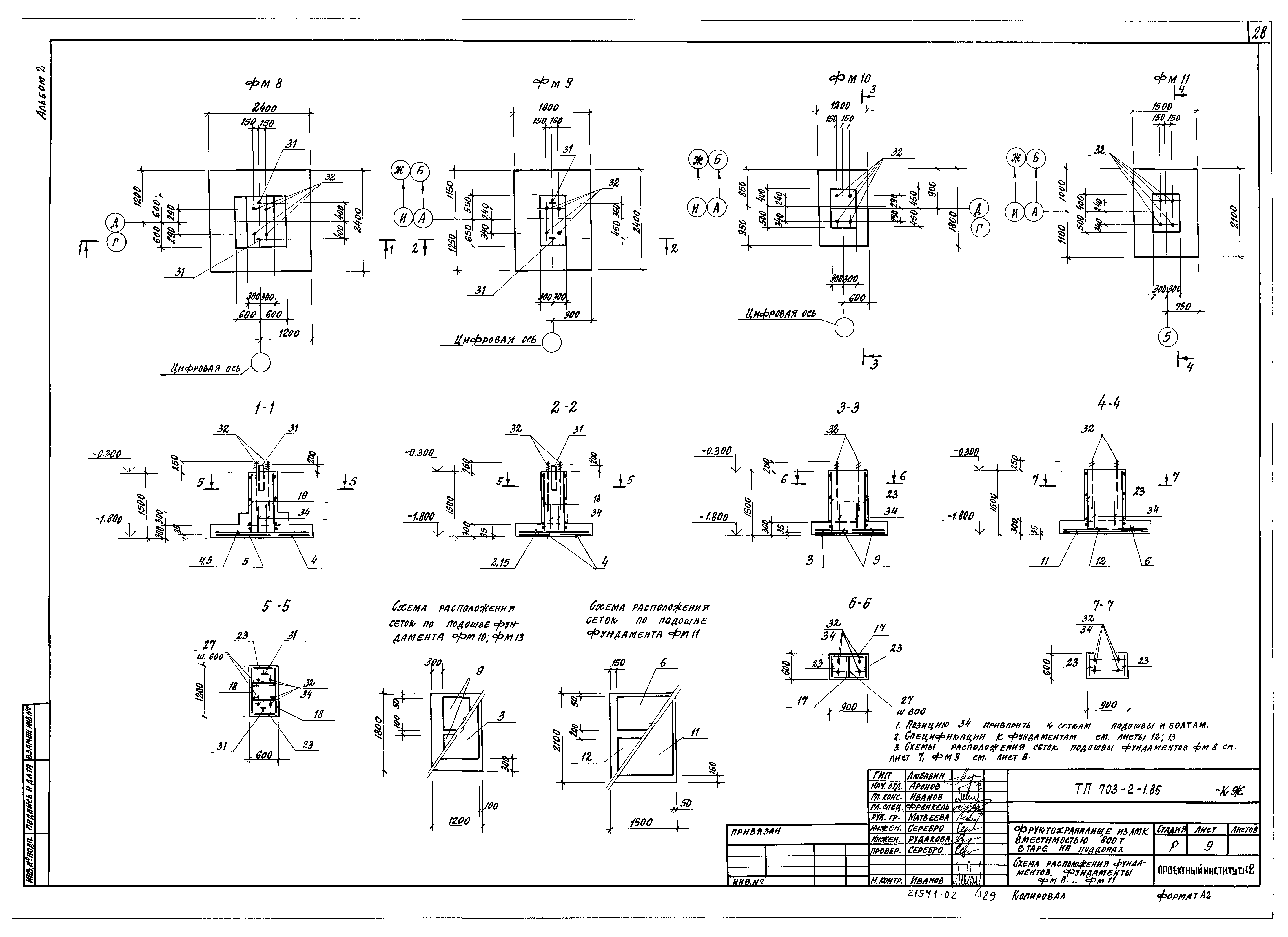
   Схема расположения фундаментов. Фундаменты Фм8…Фм11
   Схема расположения фундаментов. Фундаменты Фм12, Фм13, Фм15
   Схема расположения фундаментов. Фундаменты Фм2и, Фм5, Фм14, Фм16, Фм17
   Схема расположения фундаментов. Выборка арматурных и закладных изделий
   Схема расположения фундаментов. Выборка арматурных и закладных изделий. Ведомость расхода стали на элемент
   Схема расположения фундаментов. Расчетные схемы фундаментов Фм1…Фм6, Фм8, Фм10
   Схема расположения фундаментов. Расчетные схемы фундаментов Фм5, Фм7, Фм9, Фм11 - Фм17
   Схема расположения бетонного монолитного цоколя и элементов подземного хозяйства
   Схема расположения бетонного монолитного цоколя и элементов подземного хозяйства. Лестницы Л1, Л2. Канал К1
   Технические условия на изготовление сборных железобетонных конструкций
   Технические условия на изготовление арматурных и закладных изделий
   Плита фундаментная (ПФ1-1А; ПФ1-1Б). Сборочный чертеж
   Плита лицевая ПЛ1-1А
   Плита лицевая ПЛ1-1А. Сборочный чертеж
   Сетка (С1, С2)
   Сетка (С3, С4)
   Сетка (С5, С6)
   Сетка (С7, С8)
   Сетка (С9, С10)
   Каркас (КР1, КР2)
   Каркас КР3
   Сетка С11
   Сетка С12
   Сетка С13
   Щит Щ1
   Изделие закладное Мн1
   Шпилька горизонтальная (ШП1…ШП4)
   Анкер (А1…А4)
Разработан: Гипроторг
Гипропромтеплица
Утверждён:17.02.1986 Министерство торговли СССР (USSR Ministry of Commerce 31/П-3)
Расположен в:Техническая документация Строительство Справочные документы Типовые строительные конструкции, изделия и узлы Общероссийский строительный каталог Промышленные предприятия, здания и сооружения Предприятия, здания и сооружения складские Овощехранилища и фруктохранилища Фруктохранилища
Типовой проект 703-2-1.86Типовой проект 703-2-1.86Типовой проект 703-2-1.86Типовой проект 703-2-1.86Типовой проект 703-2-1.86Типовой проект 703-2-1.86Типовой проект 703-2-1.86Типовой проект 703-2-1.86Типовой проект 703-2-1.86Типовой проект 703-2-1.86Типовой проект 703-2-1.86Типовой проект 703-2-1.86Типовой проект 703-2-1.86Типовой проект 703-2-1.86Типовой проект 703-2-1.86Типовой проект 703-2-1.86Типовой проект 703-2-1.86Типовой проект 703-2-1.86Типовой проект 703-2-1.86Типовой проект 703-2-1.86Типовой проект 703-2-1.86Типовой проект 703-2-1.86Типовой проект 703-2-1.86Типовой проект 703-2-1.86Типовой проект 703-2-1.86Типовой проект 703-2-1.86Типовой проект 703-2-1.86Типовой проект 703-2-1.86Типовой проект 703-2-1.86Типовой проект 703-2-1.86Типовой проект 703-2-1.86Типовой проект 703-2-1.86Типовой проект 703-2-1.86Типовой проект 703-2-1.86Типовой проект 703-2-1.86Типовой проект 703-2-1.86Типовой проект 703-2-1.86Типовой проект 703-2-1.86Типовой проект 703-2-1.86Типовой проект 703-2-1.86Типовой проект 703-2-1.86Типовой проект 703-2-1.86

© 2013 Ёшкин Кот :-) Карта сайта