Информационная система
«Ёшкин Кот»

Скачать базу одним архивом
Скачать обновления
История создания базы
Карта сайта

Скачать Типовой проект 414-4-30.96 Альбом 2. Архитектурные решения. Конструкции железобетонные. Конструкции металлические

Дата актуализации: 10.08.2017

Типовой проект 414-4-30.96

Альбом 2. Архитектурные решения. Конструкции железобетонные. Конструкции металлические

Обозначение: Типовой проект 414-4-30.96
Обозначение англ: 414-4-30.96
Статус:не определен законодательством
Название рус.:Альбом 2. Архитектурные решения. Конструкции железобетонные. Конструкции металлические
Дата добавления в базу:01.10.2014
Дата актуализации:05.05.2017
Дата введения:28.03.1996
Оглавление:Содержание альбома
Архитектурные решения
   Общие данные
   План на отм. 0.000
   Фрагмент 1 план а
   Фасады 1 - 8; 8 - 1; А - Г; Г - А
   Схемы заполнения оконных проемов
   Разрезы 1-1 - 4-4
   План полов
   План кровли
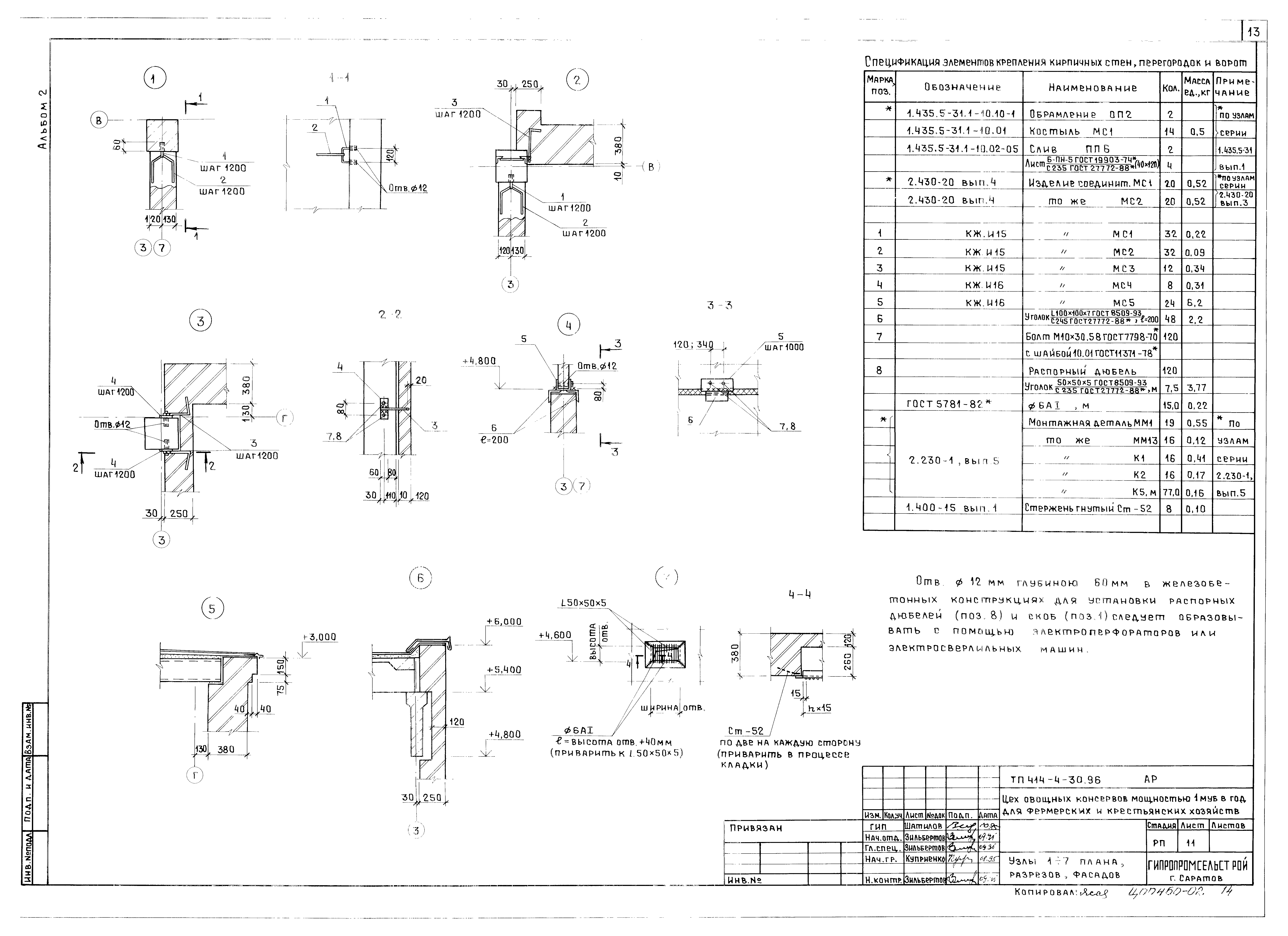
   Узлы 1 - 7 плана, разрезов, фасадов
Конструкции железобетонные
   Общие данные
   Схема расположения элементов фундаментов
   Фрагмент 1 схемы расположения элементов фундаментов. Развертки. Сечения
   Схема расположения элементов подземного хозяйства
   Схема расположения колонн и балок. Разрезы 1-1 - 3-3
   Схема расположения элементов покрытия. Разрез 4-4
   Схемы расположения стеновых панелей
   Фундаменты. Схема сборки сеток в пространственный каркас. Узел 1
   Ведомость расхода стали на фундаменты
   Фундамент Фм1
   Фундаменты Фм2, Фм3
   Фундаменты Фм4 - Фм6
   Фундамент Фм7
   Фундаменты Фм8, Фм9
   Фундамент Фм10
Конструкции металлические
   Общие данные
   Техническая спецификация металла
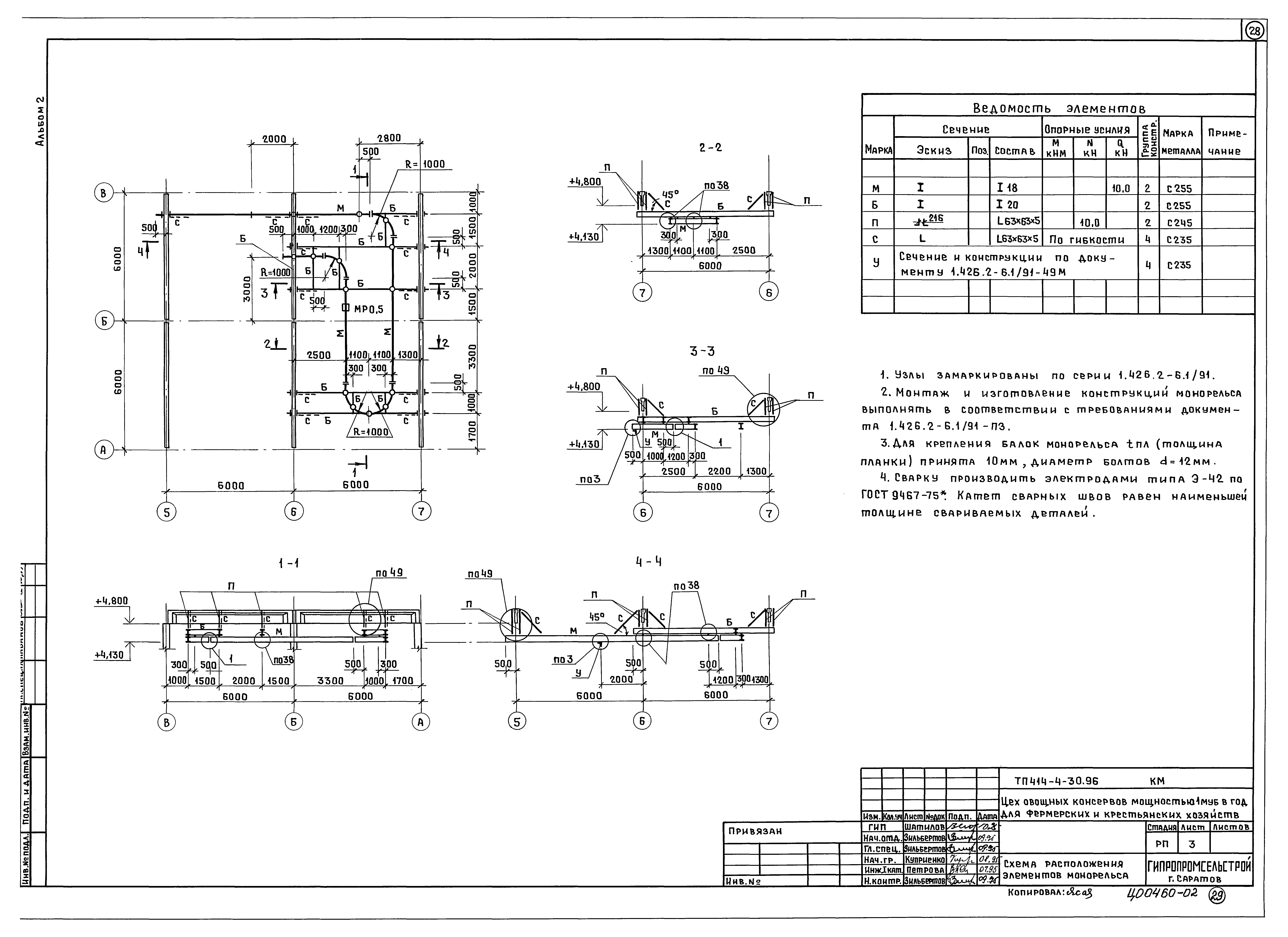
   Схема расположения элементов монорельса
Разработан: Гипропромсельстрой
Утверждён:20.03.1996 Минсельхозпрод России (Russian Federation Minselkhozprod 16)
Расположен в:Техническая документация Строительство Справочные документы Типовые строительные конструкции, изделия и узлы Общероссийский строительный каталог Промышленные предприятия, здания и сооружения Предприятия, здания и сооружения промышленности и электроэнергетики Промышленность пищевая Промышленность консервная
Типовой проект 414-4-30.96Типовой проект 414-4-30.96Типовой проект 414-4-30.96Типовой проект 414-4-30.96Типовой проект 414-4-30.96Типовой проект 414-4-30.96Типовой проект 414-4-30.96Типовой проект 414-4-30.96Типовой проект 414-4-30.96Типовой проект 414-4-30.96Типовой проект 414-4-30.96Типовой проект 414-4-30.96Типовой проект 414-4-30.96Типовой проект 414-4-30.96Типовой проект 414-4-30.96Типовой проект 414-4-30.96Типовой проект 414-4-30.96Типовой проект 414-4-30.96Типовой проект 414-4-30.96Типовой проект 414-4-30.96Типовой проект 414-4-30.96Типовой проект 414-4-30.96Типовой проект 414-4-30.96Типовой проект 414-4-30.96Типовой проект 414-4-30.96Типовой проект 414-4-30.96Типовой проект 414-4-30.96Типовой проект 414-4-30.96Типовой проект 414-4-30.96

© 2013 Ёшкин Кот :-) Карта сайта