Скачать Типовой проект 801-3-39.84 Альбом II. Механико-технологические решения. Внутренний водопровод и канализация. Отопление и вентиляция. Электроснабжение. Автоматизация производства. Сигнализация и связьДата актуализации: 10.08.2017 Типовой проект 801-3-39.84
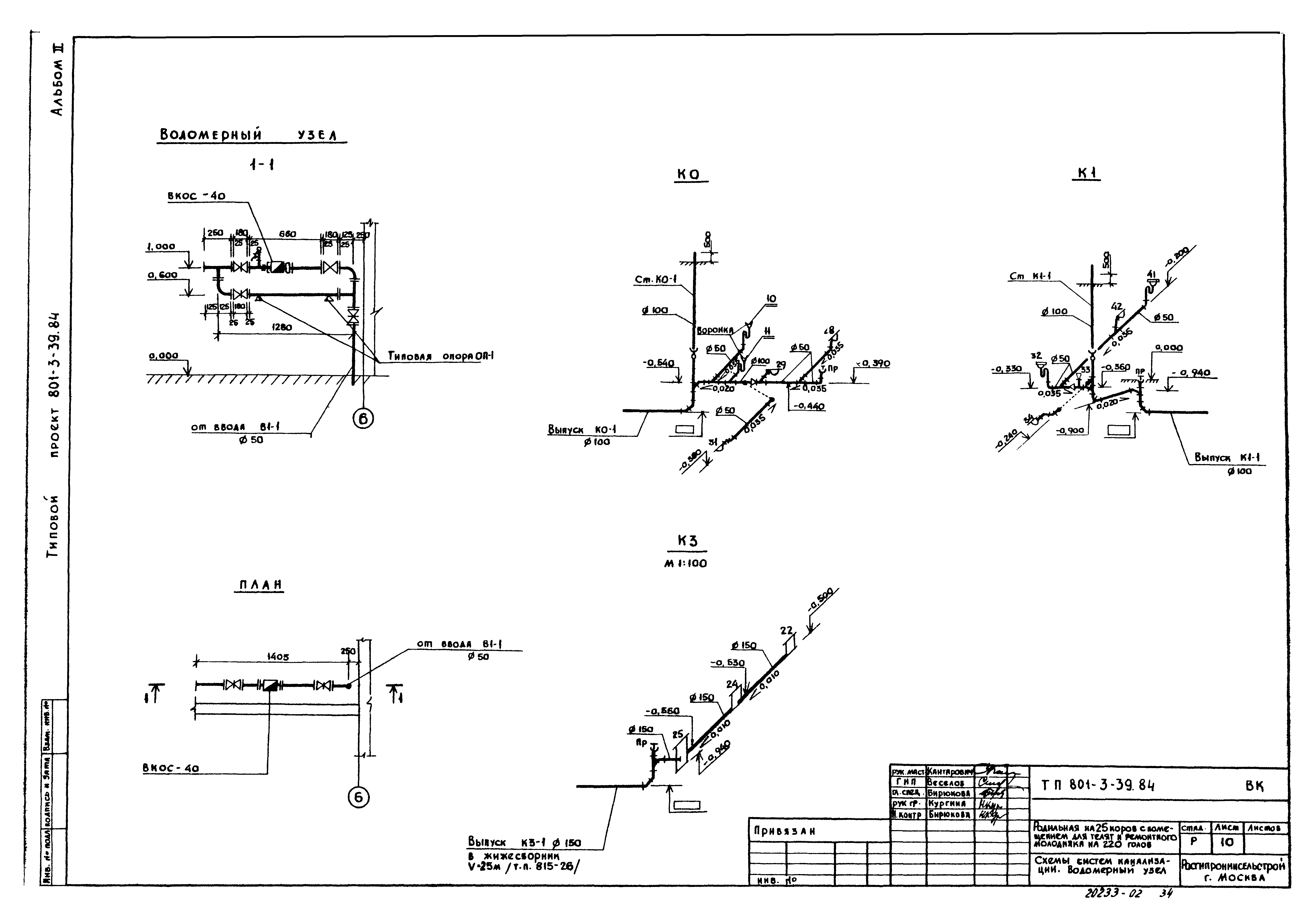
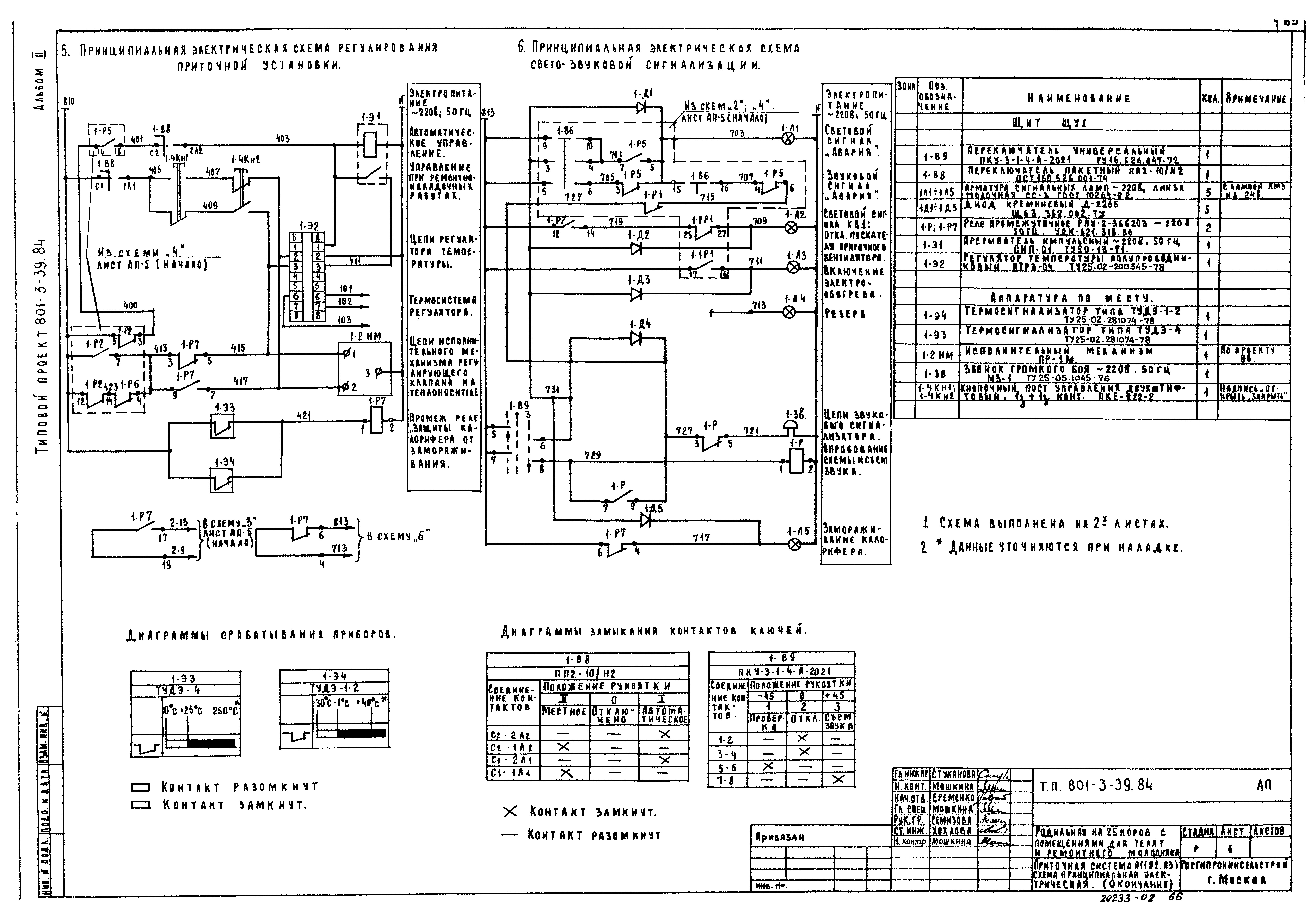
Альбом II. Механико-технологические решения. Внутренний водопровод и канализация. Отопление и вентиляция. Электроснабжение. Автоматизация производства. Сигнализация и связьОбозначение: | Типовой проект 801-3-39.84 | Обозначение англ: | 801-3-39.84 | Статус: | не определен законодательством | Название рус.: | Альбом II. Механико-технологические решения. Внутренний водопровод и канализация. Отопление и вентиляция. Электроснабжение. Автоматизация производства. Сигнализация и связь | Дата добавления в базу: | 01.10.2014 | Дата актуализации: | 05.05.2017 | Дата введения: | 29.12.1984 | Оглавление: | Содержание альбома Чертежи основного комплекта марки ТХ Общие данные. Пояснительная записка Технологический план расстановки стойл и боксов Расстановка технологического оборудования. План. Экспликация помещений Расстановка технологического оборудования. Разрезы. Спецификация Фрагмент плана в осях Г - И. Разрезы Монтаж вакуумпровода. План. Схема. Сечения Установка стойлового оборудования. Разрезы. Спецификация Установка транспортера ТСН-160 №1. План. Разрезы. Сечения Установка групповой клетки 2А. План в осях 5 - 8. Разрезы. Спецификация Установка ведродержателей и фиксаторов в клетках 2А. Разрезы. Спецификация Установка групповой клетки 2Б. План в осях 9 - 12. Разрезы. Спецификация Установка групповой клетки 2В. План в осях 5 - 9. Разрезы. Спецификация Установка групповой клетки 2Г и 2Д. План в осях 2 - 5. Разрезы. Спецификация Монтаж скрепера цепного УС-15. План. Разрезы. Узлы Установка транспортера скребкового навозоуборочного ТСН-160 №2. План. Разрезы Чертежи основного комплекта марки ВК Общие данные Спецификация систем водопровода и канализации План систем водопровода и канализации родильного отделения и телятника Схема систем водопровода родильного отделения и телятника План и схема систем водопровода и канализации молочных помещений Схемы систем канализации. Водомерный узел Чертежи основного комплекта марки ОВ Общие данные План систем отопления, вентиляции и пароснабжения Схемы систем отопления, теплоснабжения и пароснабжения Схемы систем вентиляции. Разрез 1-1 Установка систем П1, П2, П3 Спецификация отопительно-вентиляционных установок П1, П2, П3 Чертежи основного комплекта марки ОВН Чертежи общих видов нетиповых конструкций. Содержание. Конфузоры Детали воздуховода из полиэтиленовой пленки. Конфузор. Диффузор Диффузор. Крепление воздуховода из полиэтиленовой пленки. Воздуховод из полиэтиленовой пленки Чертежи основного комплекта марки ЭЛ Общие данные Силовое электрооборудование. Питающая и распределительная сеть 380/220 в СШ №1. Схема принципиальная Силовое электрооборудование. Питающая и распределительная сеть 380/220 в СШ №2. Схема принципиальная Силовое электрооборудование. Кабельный журнал Силовое электрооборудование. Расположение электрооборудования и прокладка кабелей. План Силовое электрооборудование. Ведомость электрооборудования кабельных изделий и материалов, поставляемых заказчиком и генподрядчиком и электромонтажной организацией План молниезащиты Электроосвещение. План групповой сети Электроосвещение. Экспликация Электроосвещение. Расчетная схема питающей сети. Таблица Электроосвещение. Ведомости электрооборудования, кабельных изделий и материалов Чертежи основного комплекта марки АП Общие данные Приточная система П1 (П2, П3). Функциональная схема автоматизации Приточная система П1 (П2, П3). Схемы принципиальные электрические Приточная система П1 (П2, П3). Схема подключения Узел регулирования температуры воды на поение Приточная система П1 (П2, П3). Схема расположения трасс и средств автоматизации Задание заводу-изготовителю Щит управления ЩУ1. Общий вид Щит управления ЩУ1. Технические данные электрооборудования. Таблица Щит управления ЩУ1. Перечень надписей. Таблица Щит управления ЩУ1. Схема соединений Чертежи основного комплекта марки СС Слаботочные сети на плане родильного отделения. Пояснительная записка. Спецификация | Разработан: | Росгипрониисельстрой
| Утверждён: | 21.01.1983 МСХ СССР Главное управление лугов, кормов и пастбищ (9)
| Расположен в: |
|
                                                                          
|