Информационная система
«Ёшкин Кот»

Скачать базу одним архивом
Скачать обновления
История создания базы
Карта сайта

Скачать Типовой проект 903-1-198 Альбом 2.4. Строительно-технологическая блок-секция котлоагрегата ГМ-50-14. Тепломеханическая часть. Конструкции железобетонные. Автоматизация

Дата актуализации: 10.08.2017

Типовой проект 903-1-198

Альбом 2.4. Строительно-технологическая блок-секция котлоагрегата ГМ-50-14. Тепломеханическая часть. Конструкции железобетонные. Автоматизация

Обозначение: Типовой проект 903-1-198
Обозначение англ: 903-1-198
Статус:действует
Название рус.:Альбом 2.4. Строительно-технологическая блок-секция котлоагрегата ГМ-50-14. Тепломеханическая часть. Конструкции железобетонные. Автоматизация
Дата добавления в базу:01.10.2014
Дата актуализации:05.05.2017
Оглавление:Содержание альбома
Тепломеханическая часть
   Общие данные
   Перечень изолируемых поверхностей
   Компоновка оборудования
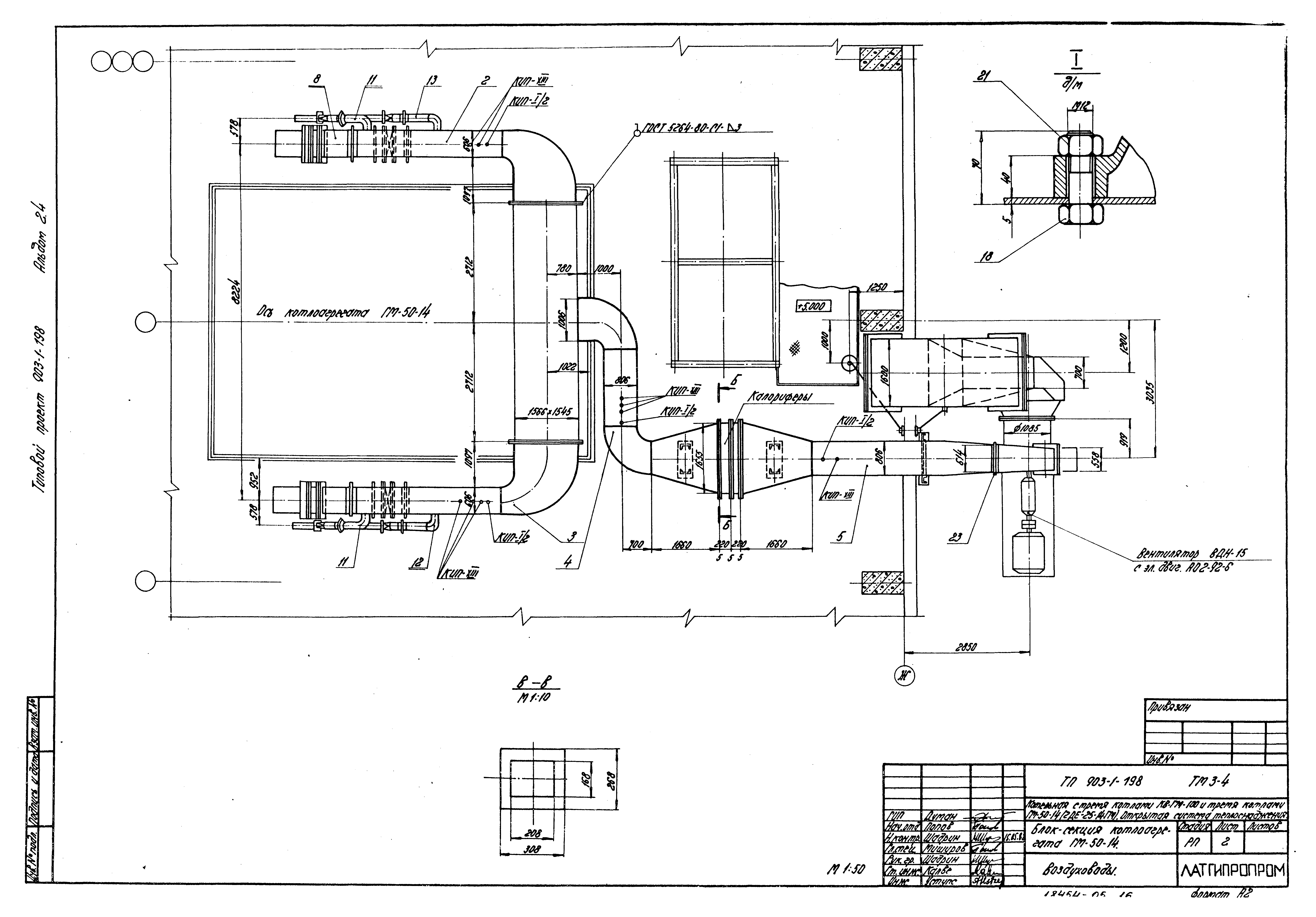
   Воздуховоды
   Газоходы
   Трубопроводы пара, выхлопа и питательной воды
   Схема дренажей и продувки трубопроводов пара, выхлопа и питательной воды
   Трубопроводы конденсата непрерывной и периодической продувки
   Трубопроводы пожаротушения
   Паромазутопроводы
   Газооборудование
Конструкции железобетонные
   Общие данные
   Схема расположения подземного хозяйства котлоагрегата
   Фкм1. Опалубка и армирование. Разрезы 1-1 - 4-4
   Фкм1. Опалубка и армирование. Разрезы 5-5 - 12-12
   Фкм1. Опалубка и армирование. Разрезы 13-13 - 17-17
   Фкм2 - Фкм4. Опалубка и армирование
   Изделие закладное МН1, МН2, МН3. Сетка арматурная С1, С2
   Каркас арматурный КР1 - КР7
   Каркас арматурный КР8, сетка арматурная С3 - С6
Автоматизация
   Общие данные
   Схема функциональная теплового контроля
   Схема функциональная регулирования
   Схема функциональная тепловой защиты и управления
   Схема электрическая принципиальная технологической сигнализации
   Схема электрическая принципиальная тепловой защиты
   Схема электрическая принципиальная розжига
   Схемы электрические принципиальные управления задвижками и вентилями
   Схема электрическая принципиальная регулятора топлива (газ) и главного регулятора
   Схема электрическая принципиальная регулятора топлива (мазут)
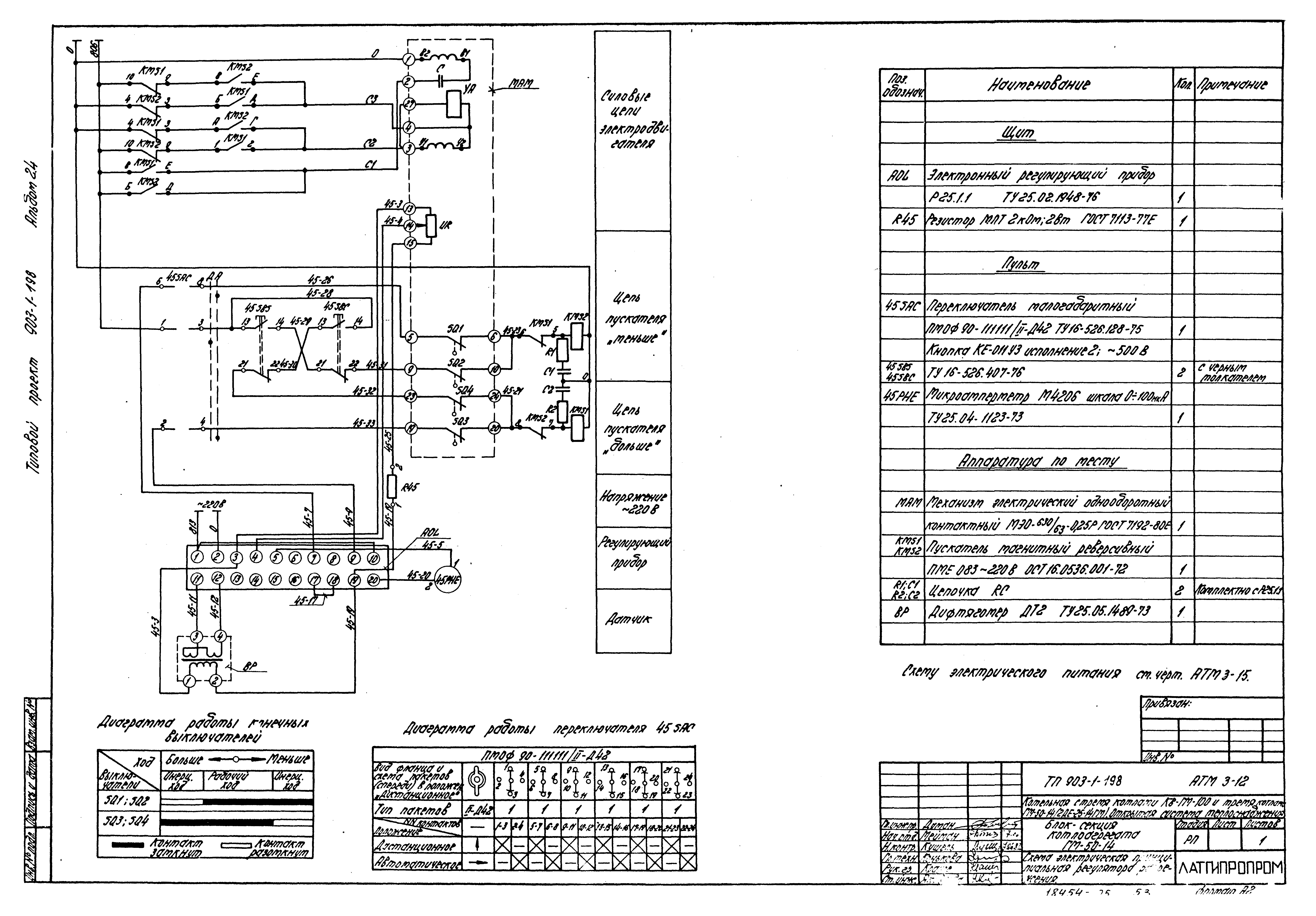
   Схема электрическая принципиальная регулятора воздуха
   Схема электрическая принципиальная регулятора разрежения
   Схема электрическая принципиальная регулятора питания
   Схема электрическая принципиальная регулятора непрерывной продувки
   Схема электрическая принципиальная питания
   Схема внешних проводок
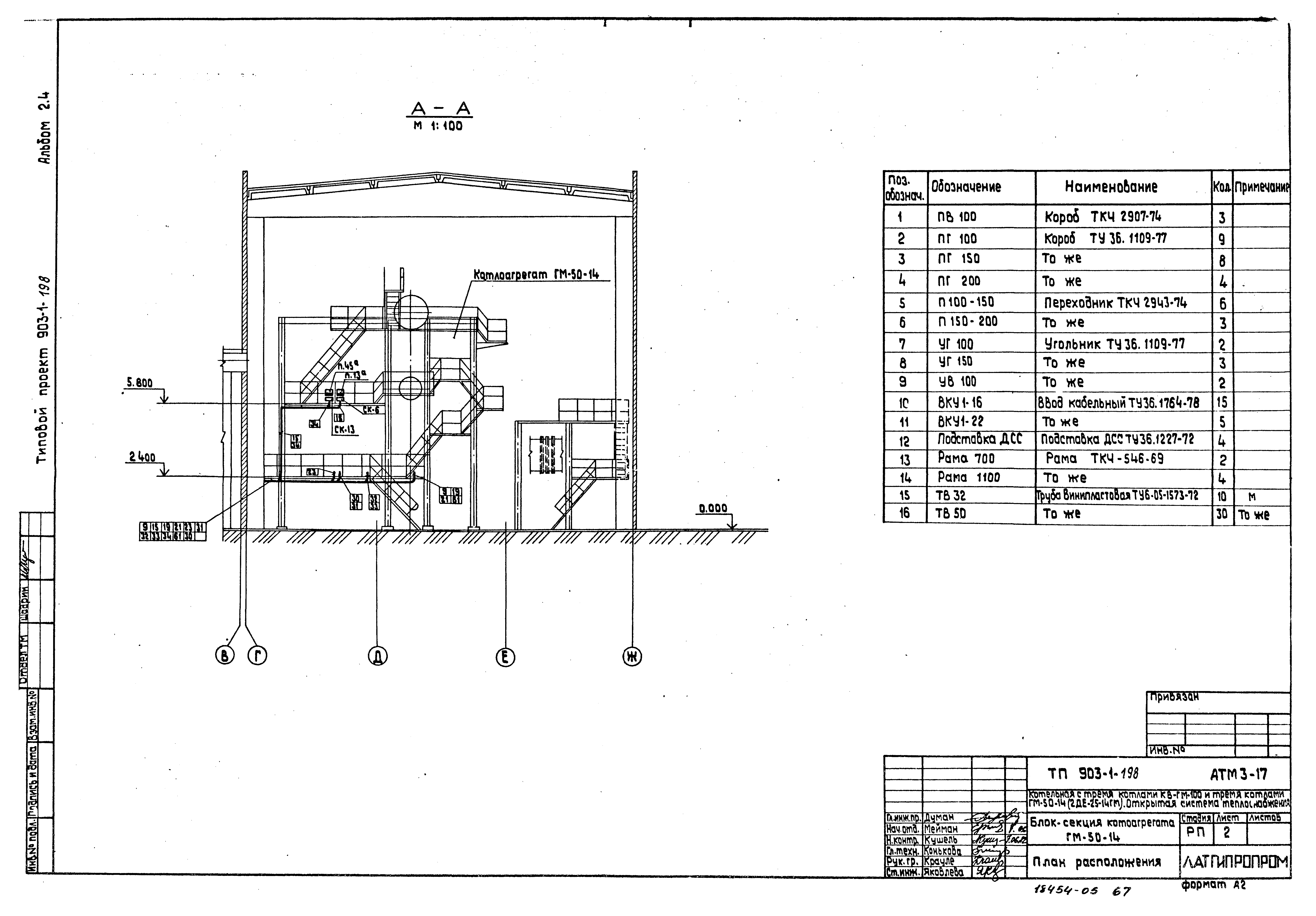
   План расположения
   Спецификация основных материалов и изделий
Разработан: Латгипропром
Утверждён:14.05.1982 Латгипропром (101А)
Расположен в:Техническая документация Строительство Справочные документы Типовые строительные конструкции, изделия и узлы Общероссийский строительный каталог Промышленные предприятия, здания и сооружения Здания и сооружения санитарно-технические Теплоснабжение Котельные установки Открытые системы теплоснабжения Топливо - газ и мазут
Типовой проект 903-1-198Типовой проект 903-1-198Типовой проект 903-1-198Типовой проект 903-1-198Типовой проект 903-1-198Типовой проект 903-1-198Типовой проект 903-1-198Типовой проект 903-1-198Типовой проект 903-1-198Типовой проект 903-1-198Типовой проект 903-1-198Типовой проект 903-1-198Типовой проект 903-1-198Типовой проект 903-1-198Типовой проект 903-1-198Типовой проект 903-1-198Типовой проект 903-1-198Типовой проект 903-1-198Типовой проект 903-1-198Типовой проект 903-1-198Типовой проект 903-1-198Типовой проект 903-1-198Типовой проект 903-1-198Типовой проект 903-1-198Типовой проект 903-1-198Типовой проект 903-1-198Типовой проект 903-1-198Типовой проект 903-1-198Типовой проект 903-1-198Типовой проект 903-1-198Типовой проект 903-1-198Типовой проект 903-1-198Типовой проект 903-1-198Типовой проект 903-1-198Типовой проект 903-1-198Типовой проект 903-1-198Типовой проект 903-1-198Типовой проект 903-1-198Типовой проект 903-1-198Типовой проект 903-1-198Типовой проект 903-1-198Типовой проект 903-1-198Типовой проект 903-1-198Типовой проект 903-1-198Типовой проект 903-1-198Типовой проект 903-1-198Типовой проект 903-1-198Типовой проект 903-1-198Типовой проект 903-1-198Типовой проект 903-1-198Типовой проект 903-1-198Типовой проект 903-1-198Типовой проект 903-1-198Типовой проект 903-1-198Типовой проект 903-1-198Типовой проект 903-1-198Типовой проект 903-1-198Типовой проект 903-1-198Типовой проект 903-1-198Типовой проект 903-1-198Типовой проект 903-1-198Типовой проект 903-1-198Типовой проект 903-1-198Типовой проект 903-1-198Типовой проект 903-1-198Типовой проект 903-1-198Типовой проект 903-1-198Типовой проект 903-1-198Типовой проект 903-1-198

© 2013 Ёшкин Кот :-) Карта сайта