| ||||||||||||||||||||||||||||||
Скачать Серия 3.503.9-59 Опоры для установки дорожных знаковДата актуализации: 10.08.2017
|
| Обозначение: | Серия 3.503.9-59 |
| Обозначение англ: | Series 3.503.9-59 |
| Статус: | заменен |
| Название рус.: | Опоры для установки дорожных знаков |
| Дата добавления в базу: | 01.09.2013 |
| Дата актуализации: | 05.05.2017 |
| Дата введения: | 01.07.1988 |
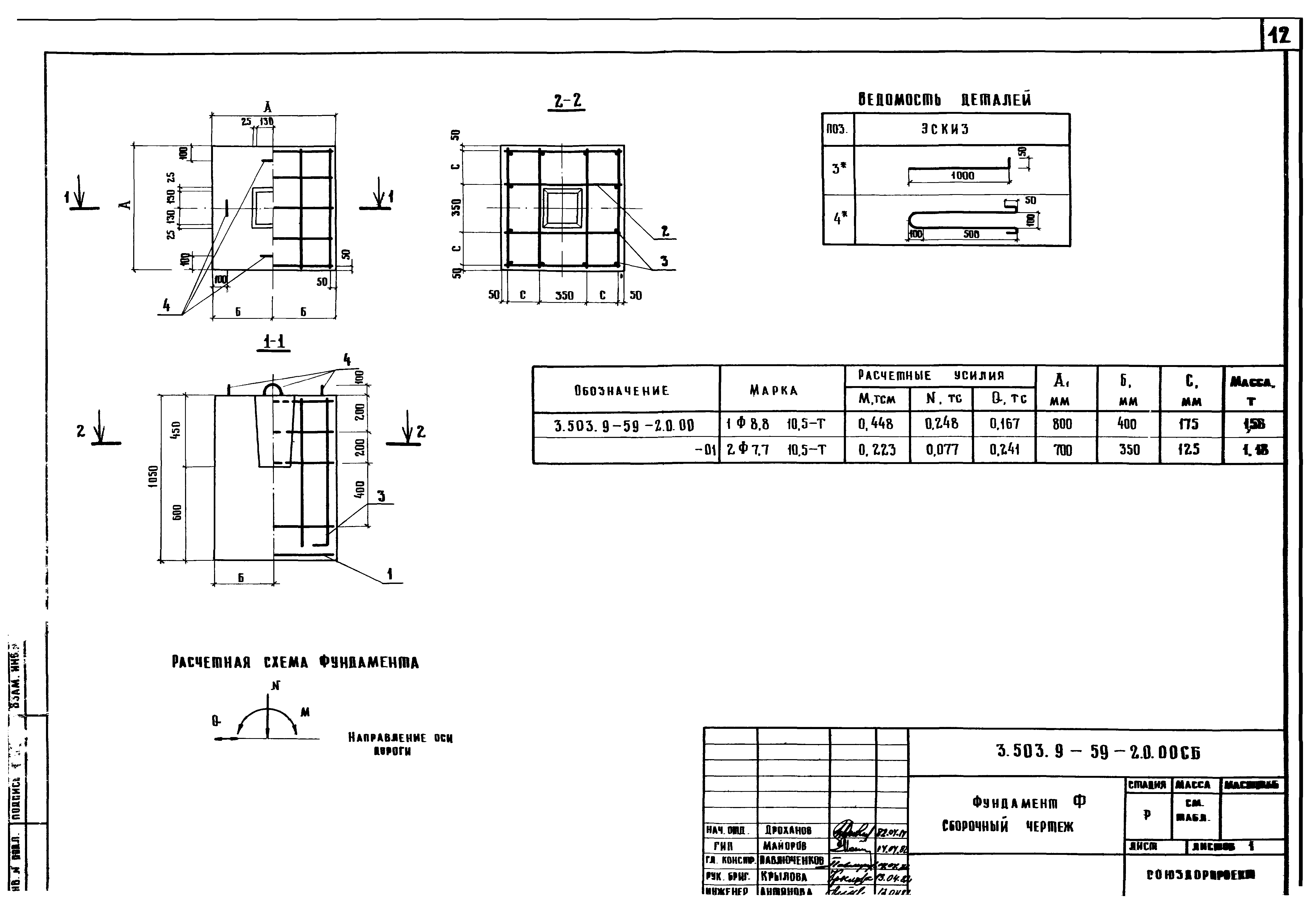
| Оглавление: | 3.503.9-59-0.0.00ПЗ Пояснительная записка 3.503.9-59-1.0.00 Стойка Ст 3.503.9-59-1.0.00СБ Стойка Ст. Сборочный чертеж 3.503.9-59-2.0.00 Фундамент Ф 3.503.9-59-2.0.00СБ Фундамент Ф. Сборочный чертеж 3.503.9-59-3.0.00 Фундамент Ф 3.503.9-59-3.0.00СБ Фундамент Ф. Сборочный чертеж 3.503.9-59-1.1.00 Каркас КР 3.503.9-59-1.1.00СБ Каркас КР. Сборочный чертеж 3.503.9-59-2.1.00 Сетка С 3.503.9-59-2.1.00СБ Сетка С. Сборочный чертеж 3.503.9-59-0.0.00 Ведомость расхода стали на элемент 3.503.9-59-4.0.00 Стойка Ст 3.503.9-59-4.1.00 Накладной элемент МН 3.503.9-59-5.0.00 Стойка Ст 3.503.9-59-6.0.00 Стойка Ст 3.503.9-59-6.0.00СБ Стойка Ст. Сборочный чертеж 3.503.9-59-5.1.00 Накладной элемент МН 3.503.9-59-1.0.00 Деталь крепления ДК 3.503.9-59-1.0.00СБ Деталь крепления ДК. Сборочный чертеж |
| Разработан: | Союздорпроект Минтрансстроя |
| Утверждён: | 10.06.1982 Минтрансстрой (Mintransstroy ЛН-505) |
| Расположен в: | |
| Заменяет собой: | |
| Чем заменён: |
























