Информационная система
«Ёшкин Кот»

Скачать базу одним архивом
Скачать обновления
История создания базы
Карта сайта

Скачать Типовой проект 407-3-578.90 Альбом 4. Строительные изделия

Дата актуализации: 10.08.2017

Типовой проект 407-3-578.90

Альбом 4. Строительные изделия

Обозначение: Типовой проект 407-3-578.90
Обозначение англ: 407-3-578.90
Статус:не определен законодательством
Название рус.:Альбом 4. Строительные изделия
Дата добавления в базу:01.09.2013
Дата актуализации:05.05.2017
Дата введения:16.11.1990
Оглавление:407-3-578.90-АС.И Содержание альбома
407-3-578.90-АС.И-ТТ Технические требования
407-3-578.90-АС.И-1 Колонны 2КБД4.36-2.1-1; 2КБД4.36-2.1-2
407-3-578.90-АС.И-2 Колонны 2КБД4.36-2.1-3; 2КБД4.36-2.1-4
407-3-578.90-АС.И-3 Колонны 2КБО4.36-2.1-1; 1КБД4.36-2.1-1
407-3-578.90-АС.И-4 Колонны 2КБО4.36-2.1-2; 1КБО4.36-2.1-3
407-3-578.90-АС.И-5 Колонны 2КБО4.36-2.1-4
407-3-578.90-АС.И-6 Плиты сантехнические ПРС56.15-10А-IVТ-1, ПРС56.15-10АIVТ-2, ПРС56.15-10АIVТ-3
407-3-578.90-АС.И-7 Плиты сантехнические ПРС56.15-10А-IVТ-4, ПРС56.15-10АIVТ-5, ПРС56.15-10АIVТ-9
407-3-578.90-АС.И-8 Плиты сантехнические ПРС56.15-10А-IVТ-6, ПРС56.15-10АIVТ-7, ПРС56.15-10АIVТ-8
407-3-578.90-АС.И-9 Плита сантехническая ПРС56.15-10А-IVТ-10
407-3-578.90-АС.И-10 Марка ЛМ-1
407-3-578.90-АС.И-11 Марка ЛМ-2
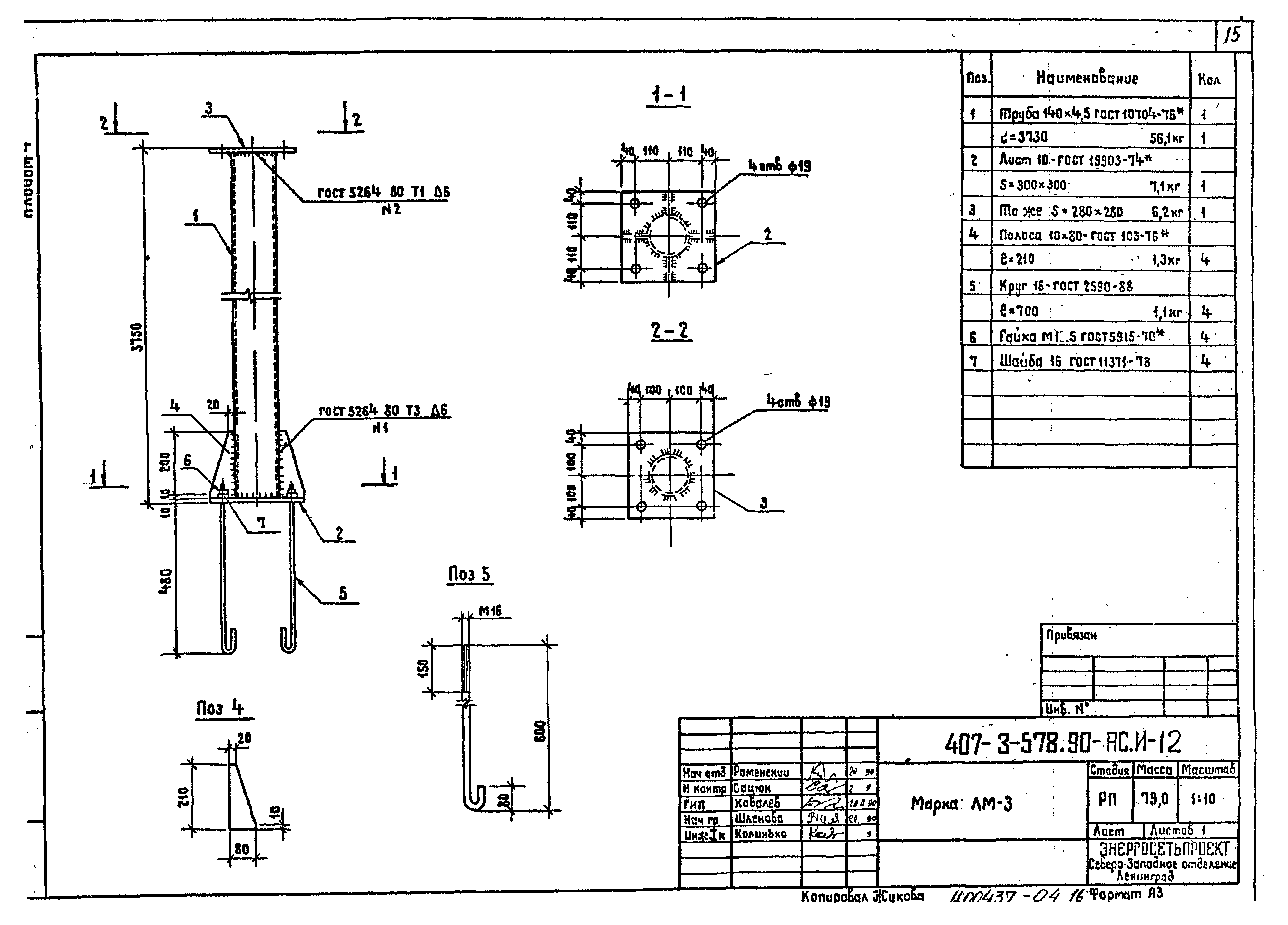
407-3-578.90-АС.И-12 Марка ЛМ-3
407-3-578.90-АС.И-13 Марка ЛМ-4
407-3-578.90-АС.И-14 Марка ЛМ-5
407-3-578.90-АС.И-15 Марка ЛМ-7
407-3-578.90-АС.И-16 Марка ЛМ-8
407-3-578.90-АС.И-17 Марки ОГ-1, ОГ-4
407-3-578.90-АС.И-18 Марки ОГ-2, ОГ-3
407-3-578.90-АС.И-19 Марки МН-1, МН-4, МН-5, МН-6
407-3-578.90-АС.И-20 Закладное изделие МН(МН-8, МН-9, МН-10)
407-3-578.90-АС.И-21 Марки Б-1, МН-7, МН-15
407-3-578.90-АС.И-22 Марка МН-11
407-3-578.90-АС.И-23 Марка МН-12
407-3-578.90-АС.И-24 Марка МН-13
407-3-578.90-АС.И-25 Марки МН-16, МН-17
407-3-578.90-АС.И-26 Марки МН-18…МН21
407-3-578.90-АС.И-27 Марки МП-7 - МП-11
407-3-578.90-АС.И-28 Марки МП-13, МП-14
407-3-578.90-АС.И-29 Марки МП-15, МП-20, МП-22, МП-23
407-3-578.90-АС.И-30 Марки МП-18, МП-19
407-3-578.90-АС.И-31 Марки МП-35, МП-38, МП-39
407-3-578.90-АС.И-32 Марки МП-40, МП-21
407-3-578.90-АС.И-33 Марка МП-41
407-3-578.90-АС.И-34 Марка СК1
407-3-578.90-АС.И-35 Марки СК2, МН-2, МН-3
407-3-578.90-АС.И-36 Марки СК3, СК4, СК5
407-3-578.90-АС.И-37 Сетки С1, С2, С3
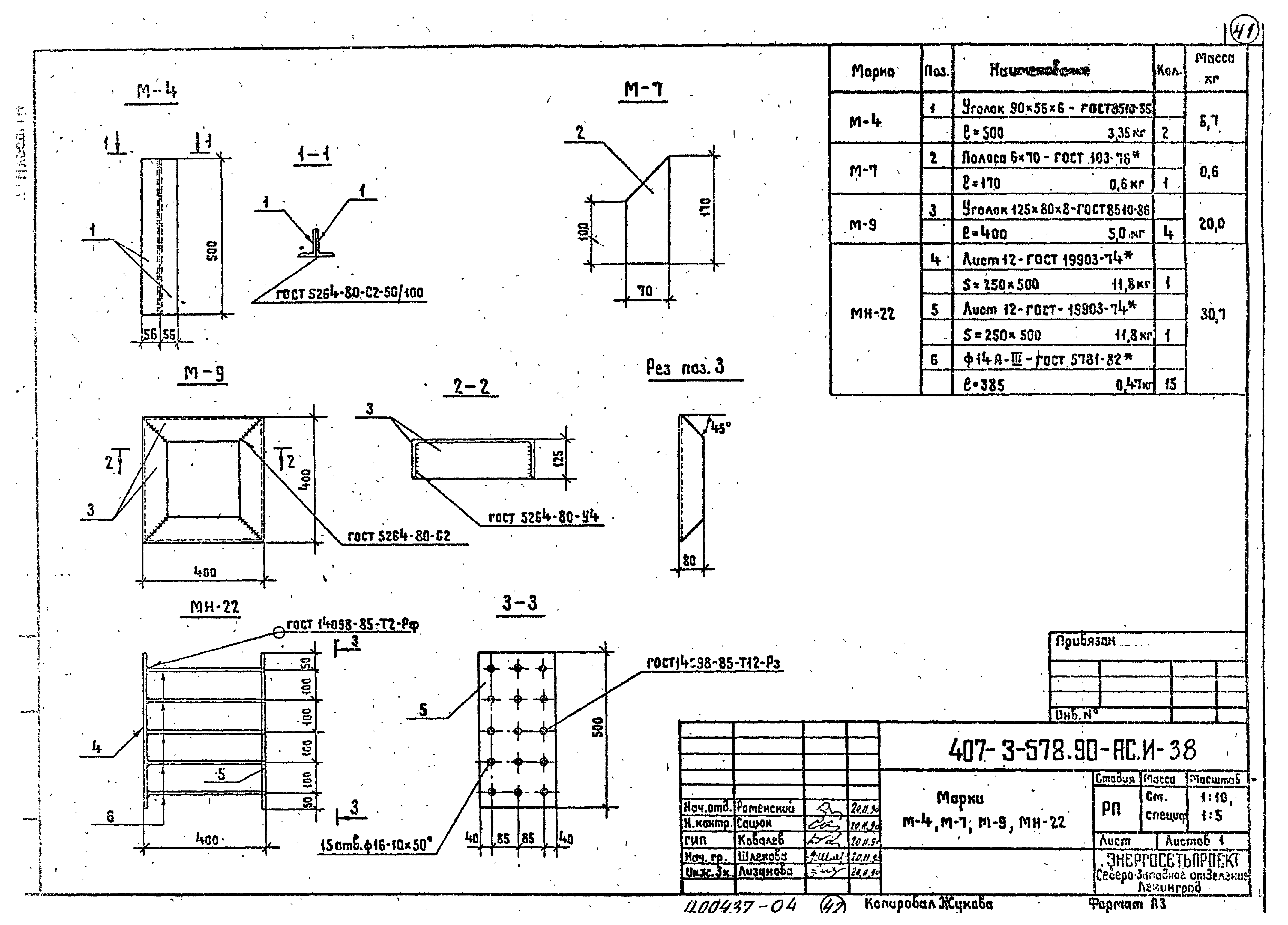
407-3-578.90-АС.И-38 Марки М-4, М-7, М-9, МН-22
Разработан: Северо-западное отделение института Энергосетьпроект
Утверждён:16.11.1990 Минэнерго СССР (USSR Minenergo 56)
Издан: СЗО Энергосетьпроект (1990 г. )
Расположен в:Техническая документация Строительство Справочные документы Типовые строительные конструкции, изделия и узлы Общероссийский строительный каталог Промышленные предприятия, здания и сооружения Предприятия, здания и сооружения промышленности и электроэнергетики Электроэнергетика Устройства и подстанции распределительные
Типовой проект 407-3-578.90Типовой проект 407-3-578.90Типовой проект 407-3-578.90Типовой проект 407-3-578.90Типовой проект 407-3-578.90Типовой проект 407-3-578.90Типовой проект 407-3-578.90Типовой проект 407-3-578.90Типовой проект 407-3-578.90Типовой проект 407-3-578.90Типовой проект 407-3-578.90Типовой проект 407-3-578.90Типовой проект 407-3-578.90Типовой проект 407-3-578.90Типовой проект 407-3-578.90Типовой проект 407-3-578.90Типовой проект 407-3-578.90Типовой проект 407-3-578.90Типовой проект 407-3-578.90Типовой проект 407-3-578.90Типовой проект 407-3-578.90Типовой проект 407-3-578.90Типовой проект 407-3-578.90Типовой проект 407-3-578.90Типовой проект 407-3-578.90Типовой проект 407-3-578.90Типовой проект 407-3-578.90Типовой проект 407-3-578.90Типовой проект 407-3-578.90Типовой проект 407-3-578.90Типовой проект 407-3-578.90Типовой проект 407-3-578.90Типовой проект 407-3-578.90Типовой проект 407-3-578.90Типовой проект 407-3-578.90Типовой проект 407-3-578.90Типовой проект 407-3-578.90Типовой проект 407-3-578.90Типовой проект 407-3-578.90Типовой проект 407-3-578.90Типовой проект 407-3-578.90Типовой проект 407-3-578.90

© 2013 Ёшкин Кот :-) Карта сайта