Информационная система
«Ёшкин Кот»

Скачать базу одним архивом
Скачать обновления
История создания базы
Карта сайта

Скачать Типовой проект 902-3-83.88 Альбом II. Технологические решения

Дата актуализации: 10.08.2017

Типовой проект 902-3-83.88

Альбом II. Технологические решения

Обозначение: Типовой проект 902-3-83.88
Обозначение англ: 902-3-83.88
Статус:не определен законодательством
Название рус.:Альбом II. Технологические решения
Дата добавления в базу:01.10.2014
Дата актуализации:05.05.2017
Дата введения:01.09.1988
Оглавление:Содержание
Общие данные
Технологическая схема
План
Разрезы 1-1, 2-2, 3-3
Схемы трубопроводов М1, М4
Схемы трубопроводов М5, М9
Схемы трубопроводов И2, И3, И16
Схемы трубопроводов П2, А1, А2, 1К3, 2К3
Схемы трубопроводов 1В3, 2В3, Т1, Т2, Х5, И3
Емкостные сооружения. Планы. Разрезы
Песколовка. Эскизный чертеж общего вида
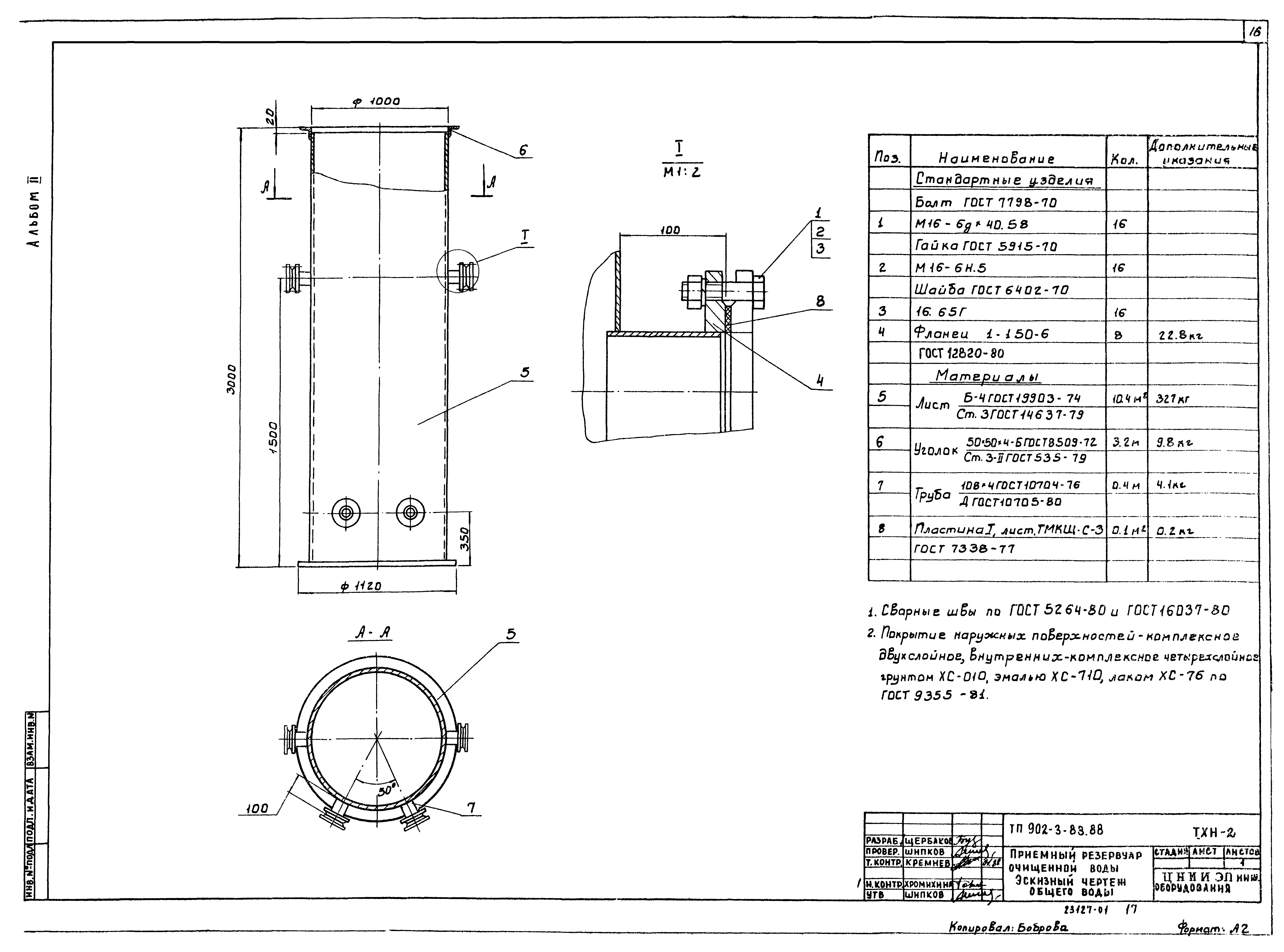
Приемный резервуар очищенной воды 100 - 200 куб. м/сутки
Камера входная. Эскизный чертеж общего вида
Фильтр песчаный. Эскизный чертеж общего вида
Форсунка эрлифта. Эскизный чертеж общего вида
Дегельминтизатор. Эскизный чертеж общего вида
Камера иловая. Эскизный чертеж общего вида
Разработан: ЦНИИЭП инженерного оборудования
Утверждён:10.02.1988 Госкомархитектура (38)
Расположен в:Техническая документация Строительство Справочные документы Типовые строительные конструкции, изделия и узлы Общероссийский строительный каталог Промышленные предприятия, здания и сооружения Здания и сооружения санитарно-технические Канализация Сооружения биологической (биохимической) очистки Станции биологической очистки сточных вод
Типовой проект 902-3-83.88Типовой проект 902-3-83.88Типовой проект 902-3-83.88Типовой проект 902-3-83.88Типовой проект 902-3-83.88Типовой проект 902-3-83.88Типовой проект 902-3-83.88Типовой проект 902-3-83.88Типовой проект 902-3-83.88Типовой проект 902-3-83.88Типовой проект 902-3-83.88Типовой проект 902-3-83.88Типовой проект 902-3-83.88Типовой проект 902-3-83.88Типовой проект 902-3-83.88Типовой проект 902-3-83.88Типовой проект 902-3-83.88Типовой проект 902-3-83.88Типовой проект 902-3-83.88Типовой проект 902-3-83.88Типовой проект 902-3-83.88Типовой проект 902-3-83.88

© 2013 Ёшкин Кот :-) Карта сайта