Информационная система
«Ёшкин Кот»

Скачать базу одним архивом
Скачать обновления
История создания базы
Карта сайта

Скачать Типовой проект 902-3-79.88 Альбом IV. Архитектурные решения. Конструкции железобетонные. Конструкции металлические. Санитарно-технические решения (из ТП 902-3-80.88)

Дата актуализации: 10.08.2017

Типовой проект 902-3-79.88

Альбом IV. Архитектурные решения. Конструкции железобетонные. Конструкции металлические. Санитарно-технические решения (из ТП 902-3-80.88)

Обозначение: Типовой проект 902-3-79.88
Обозначение англ: 902-3-79.88
Статус:не определен законодательством
Название рус.:Альбом IV. Архитектурные решения. Конструкции железобетонные. Конструкции металлические. Санитарно-технические решения (из ТП 902-3-80.88)
Дата добавления в базу:01.10.2014
Дата актуализации:05.05.2017
Дата введения:01.09.1988
Оглавление:Архитектурно-строительные решения
   Общие данные
   План на отм. 0.000
   Разрезы 1-1, 2-2. Ведомость проемов ворот и дверей. Спецификация элементов заполнения проемов
   Фасады 1 - 8; 8 - 1; Б - Е; Д - А
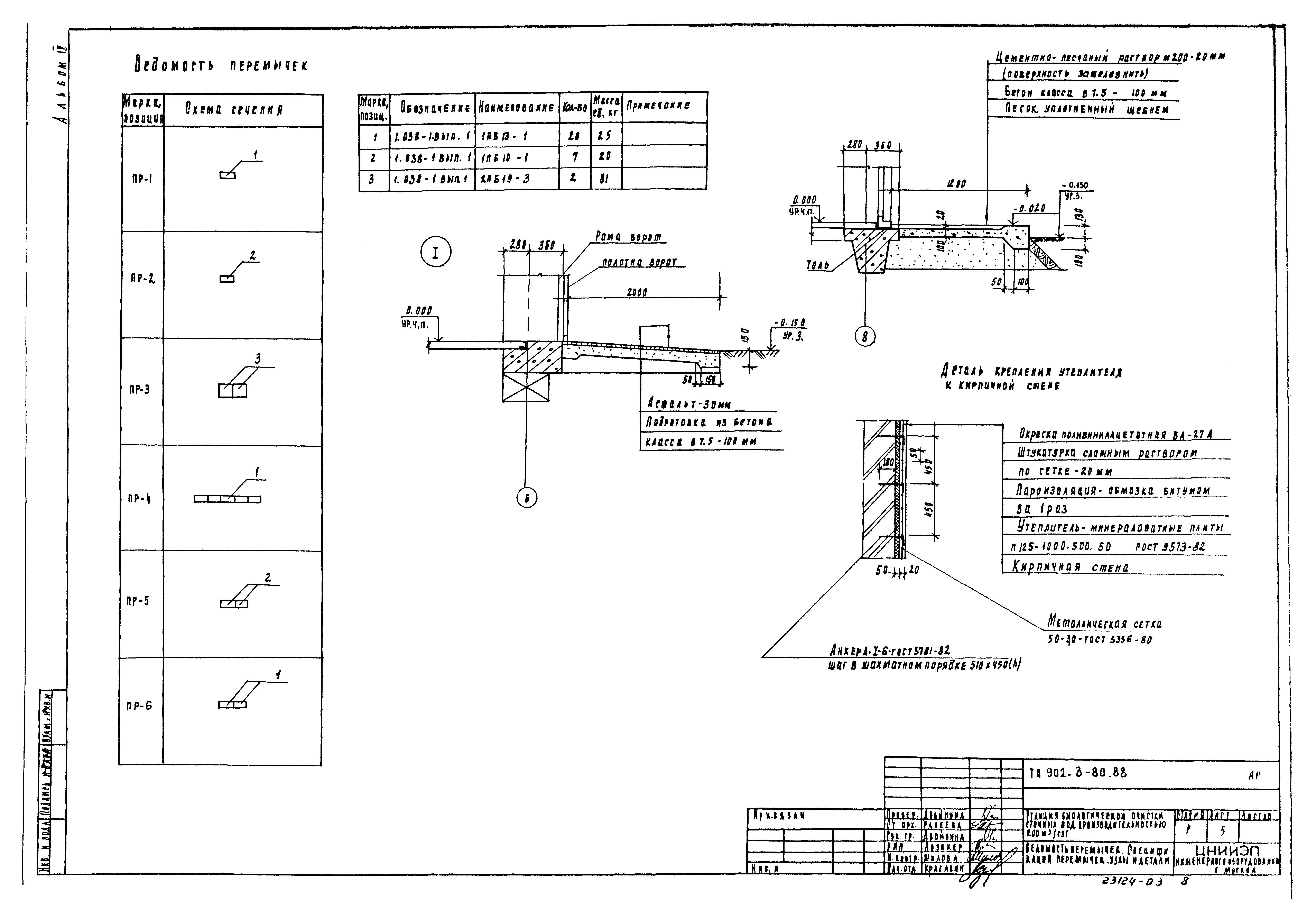
   Ведомость перемычек. Спецификация перемычек. Узлы и детали
   План кровли. План полов. Ведомость отделки помещений
   План отверстий на отм. 0.000. Ведомость отверстий
Конструкции железобетонные
   Общие данные
   Схема расположения фундаментов и фундаментных балок. Узлы 1 - 4
   Схема расположения фундаментов и фундаментных балок. Узлы 5, 6. Схема расположения подпорных стен у оси "3"
   Фундаменты Ф1 - Ф4. Опалубочный чертеж. Армирование
   Фундаменты Ф5 - Ф9. Опалубочный чертеж. Армирование
   Фундаменты. Схема сборки пространственных каркасов. Спецификация
   Схема расположения фундаментов под оборудование резервуаров и колодцев
   Фундаменты под оборудование
   Схема расположения колонн и балок покрытия
   Схема расположения колонн и балок покрытия. Узлы
   Схемы расположения плит покрытия и перекрытия тамбура. Приточная венткамера
   Схемы расположения стеновых панелей
   Схемы расположения стеновых панелей емкостей и лотков
   Схемы расположения стеновых панелей емкостей и лотков. Разрезы. Узлы
   Схемы расположения плит покрытия емкостей. Разрезы 1-1 - 2-2
   Схемы расположения плит покрытия емкостей. Узлы 1 - 4
   Схемы расположения плит покрытия емкостей. Узлы 5 - 9. Щит Щ3
   Схемы расположения набетонок днища в осях "1" - "2"
   Днище. Опалубочный чертеж
   Днище. Армирование. Схемы расположения каркасов
   Днище. Армирование. Схемы расположения нижних и верхних сеток
   Днище. Армирование. Узлы 1 - 3
   Монолитные участки стен. Опалубочный чертеж
   Монолитные участки стен. Армирование
   Монолитные участки стен. Армирование. Спецификация
   Емкостные сооружения
Конструкции металлические
   Общие данные. Ведомость металлоконструкций по видам профилей
   Техническая спецификация стали
   Схемы расположения металлических площадок
   Схемы расположения опор под электрощиты и лестниц на перекрытия блока емкостей. Узлы
   Схема расположения подвесного пути. Деталь крепления трубопроводов
   Выбросная труба
Внутренний водопровод и канализация
   Общие данные. План
   Схемы трубопроводов В1, К1, Т3
Отопление и вентиляция
   Общие данные
   План на отм. 0.000. Схемы систем П1, В1, В2, В3, ВЕ1, ВЕ2
   Схема системы отопления. Схема системы теплоснабжения установки П1, ИТП. Схема теплоснабжения водоподогревателя
   Установки систем П1, В1, В2, В3
   Переход №1, Переход №2
Организация строительства
   Схема строительства
   График производства работ
Разработан: ЦНИИЭП инженерного оборудования
Утверждён:10.02.1988 Госкомархитектура (38)
Расположен в:Техническая документация Строительство Справочные документы Типовые строительные конструкции, изделия и узлы Общероссийский строительный каталог Промышленные предприятия, здания и сооружения Здания и сооружения санитарно-технические Канализация Сооружения биологической (биохимической) очистки Станции биологической очистки сточных вод
Типовой проект 902-3-79.88Типовой проект 902-3-79.88Типовой проект 902-3-79.88Типовой проект 902-3-79.88Типовой проект 902-3-79.88Типовой проект 902-3-79.88Типовой проект 902-3-79.88Типовой проект 902-3-79.88Типовой проект 902-3-79.88Типовой проект 902-3-79.88Типовой проект 902-3-79.88Типовой проект 902-3-79.88Типовой проект 902-3-79.88Типовой проект 902-3-79.88Типовой проект 902-3-79.88Типовой проект 902-3-79.88Типовой проект 902-3-79.88Типовой проект 902-3-79.88Типовой проект 902-3-79.88Типовой проект 902-3-79.88Типовой проект 902-3-79.88Типовой проект 902-3-79.88Типовой проект 902-3-79.88Типовой проект 902-3-79.88Типовой проект 902-3-79.88Типовой проект 902-3-79.88Типовой проект 902-3-79.88Типовой проект 902-3-79.88Типовой проект 902-3-79.88Типовой проект 902-3-79.88Типовой проект 902-3-79.88Типовой проект 902-3-79.88Типовой проект 902-3-79.88Типовой проект 902-3-79.88Типовой проект 902-3-79.88Типовой проект 902-3-79.88Типовой проект 902-3-79.88Типовой проект 902-3-79.88Типовой проект 902-3-79.88Типовой проект 902-3-79.88Типовой проект 902-3-79.88Типовой проект 902-3-79.88Типовой проект 902-3-79.88Типовой проект 902-3-79.88Типовой проект 902-3-79.88Типовой проект 902-3-79.88Типовой проект 902-3-79.88Типовой проект 902-3-79.88Типовой проект 902-3-79.88Типовой проект 902-3-79.88Типовой проект 902-3-79.88Типовой проект 902-3-79.88Типовой проект 902-3-79.88Типовой проект 902-3-79.88

© 2013 Ёшкин Кот :-) Карта сайта