Скачать Типовые материалы для проектирования 904-02-27.86 Альбом XIV. Приточная вентиляционная камера с двумя (рабочим и резервным) вентиляторами и электронагревателем клапана наружного воздуха, переключаемая на режим дежурного отопленияДата актуализации: 10.08.2017 Типовые материалы для проектирования 904-02-27.86
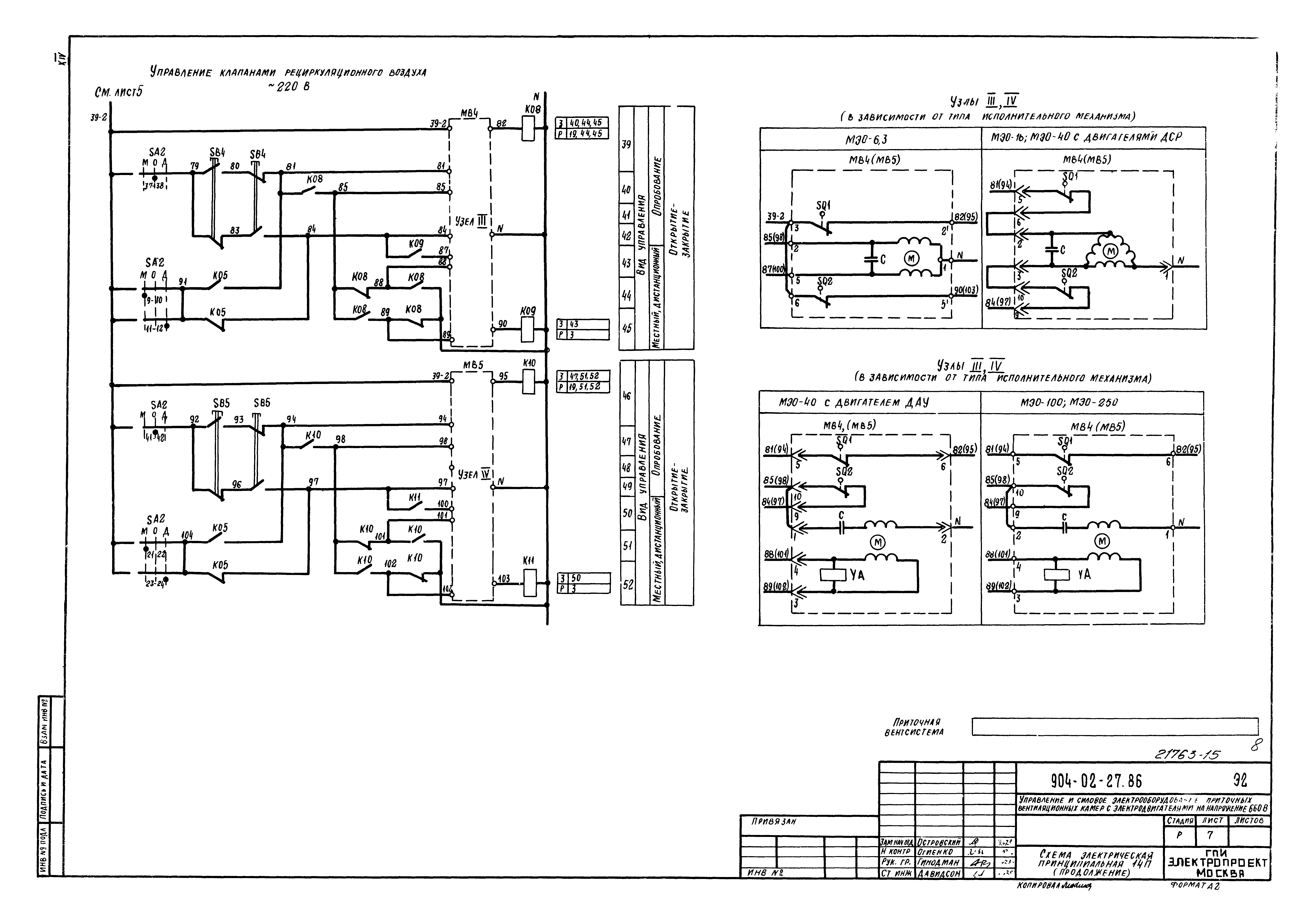
Альбом XIV. Приточная вентиляционная камера с двумя (рабочим и резервным) вентиляторами и электронагревателем клапана наружного воздуха, переключаемая на режим дежурного отопления| Обозначение: | Типовые материалы для проектирования 904-02-27.86 | | Обозначение англ: | 904-02-27.86 | | Статус: | действует | | Название рус.: | Альбом XIV. Приточная вентиляционная камера с двумя (рабочим и резервным) вентиляторами и электронагревателем клапана наружного воздуха, переключаемая на режим дежурного отопления | | Дата добавления в базу: | 01.09.2013 | | Дата актуализации: | 05.05.2017 | | Оглавление: | Общие данные Схема электрическая принципиальная 14П Щит управления. Схема электрическая подключений Опросный лист | | Разработан: | Электропроект Минмонтажспецстроя СССР
| | Утверждён: | 15.09.1986 Минмонтажспецстрой СССР (USSR Minmontazhspetsstroy )
| | Расположен в: |
|
                 
|