Информационная система
«Ёшкин Кот»

Скачать базу одним архивом
Скачать обновления
История создания базы
Карта сайта

Скачать Типовые материалы для проектирования 904-02-27.86 Альбом V. Приточная вентиляционная камера с двумя (рабочим и резервным) вентиляторами

Дата актуализации: 10.08.2017

Типовые материалы для проектирования 904-02-27.86

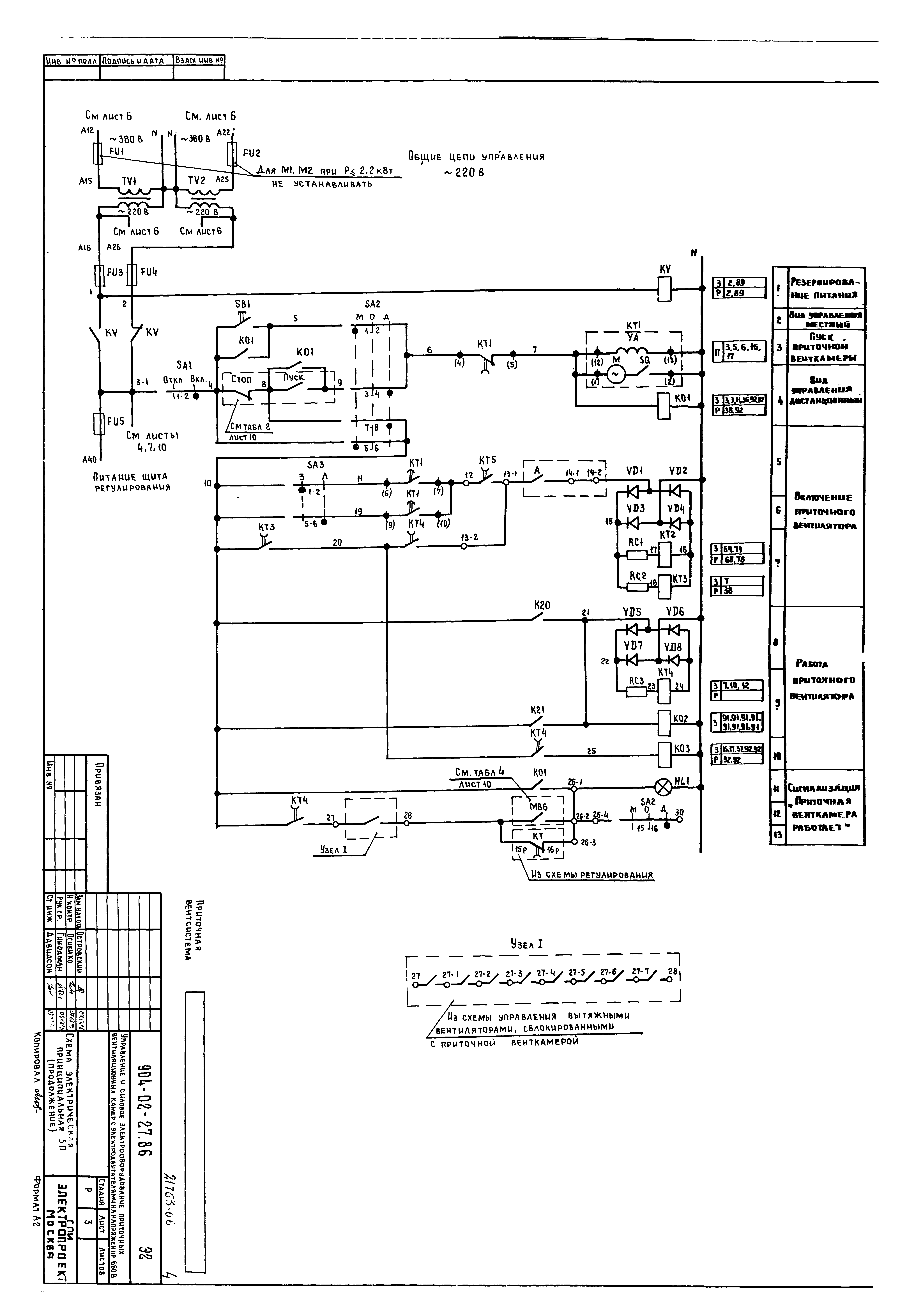
Альбом V. Приточная вентиляционная камера с двумя (рабочим и резервным) вентиляторами

Обозначение: Типовые материалы для проектирования 904-02-27.86
Обозначение англ: 904-02-27.86
Статус:действует
Название рус.:Альбом V. Приточная вентиляционная камера с двумя (рабочим и резервным) вентиляторами
Дата добавления в базу:01.09.2013
Дата актуализации:05.05.2017
Оглавление:Общие данные
Схема электрическая принципиальная 5П
Щит управления. Схема электрическая подключений
Опросный лист
Разработан: Электропроект Минмонтажспецстроя СССР
Утверждён:15.09.1986 Минмонтажспецстрой СССР (USSR Minmontazhspetsstroy )
Расположен в:Техническая документация Строительство Справочные документы Типовые строительные конструкции, изделия и узлы Общероссийский строительный каталог Промышленные предприятия, здания и сооружения Здания и сооружения санитарно-технические Воздухоснабжение, вентиляция и кондиционирование воздуха Вентиляция, кондиционирование воздуха
Типовые материалы для проектирования 904-02-27.86Типовые материалы для проектирования 904-02-27.86Типовые материалы для проектирования 904-02-27.86Типовые материалы для проектирования 904-02-27.86Типовые материалы для проектирования 904-02-27.86Типовые материалы для проектирования 904-02-27.86Типовые материалы для проектирования 904-02-27.86Типовые материалы для проектирования 904-02-27.86Типовые материалы для проектирования 904-02-27.86Типовые материалы для проектирования 904-02-27.86Типовые материалы для проектирования 904-02-27.86Типовые материалы для проектирования 904-02-27.86Типовые материалы для проектирования 904-02-27.86Типовые материалы для проектирования 904-02-27.86Типовые материалы для проектирования 904-02-27.86

© 2013 Ёшкин Кот :-) Карта сайта