Информационная система
«Ёшкин Кот»

Скачать базу одним архивом
Скачать обновления
История создания базы
Карта сайта

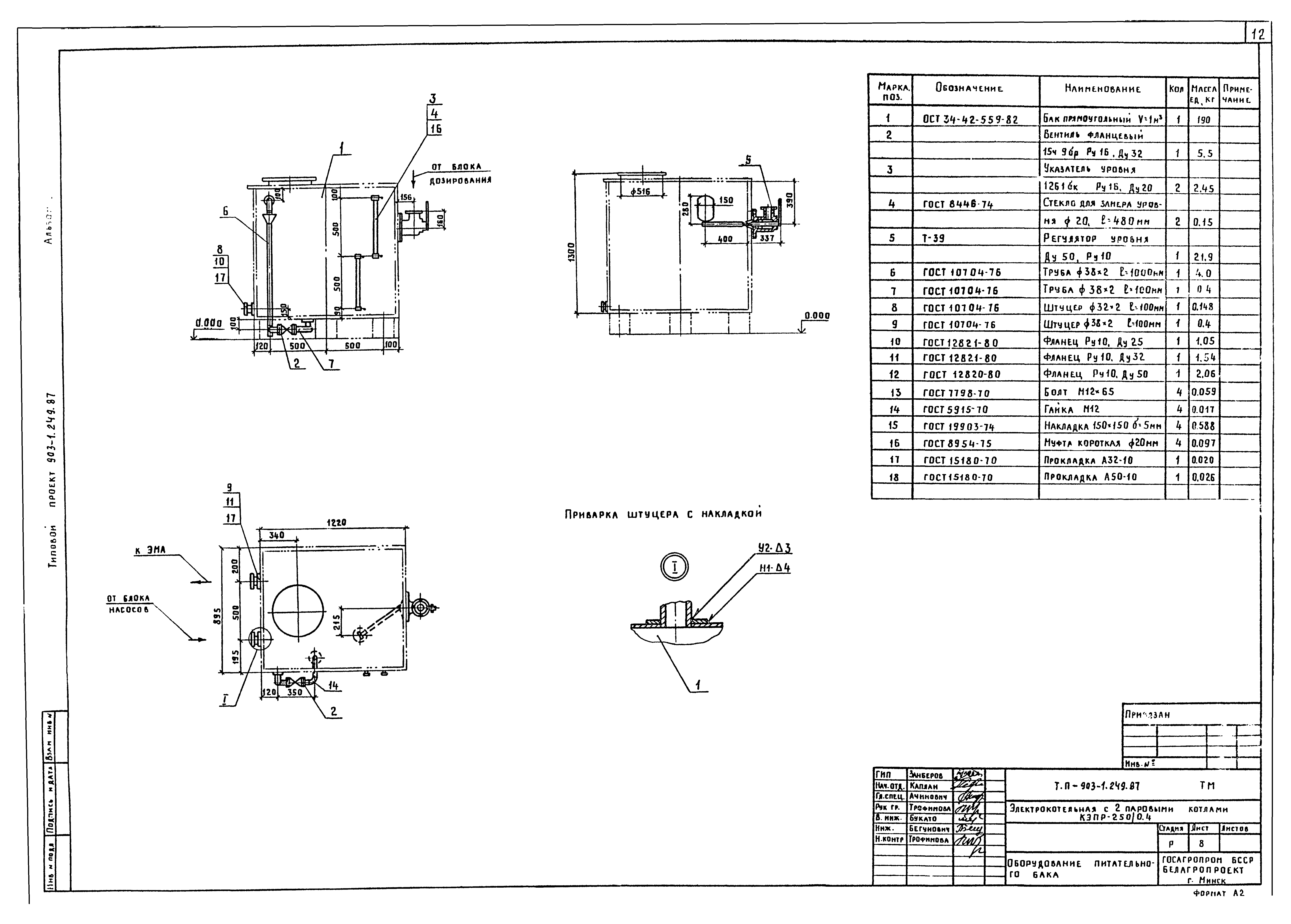
Скачать Типовой проект 903-1-249.87 Альбом I. Пояснительная записка. Тепломеханическое оборудование. Силовое электрооборудование и электроосвещение. Автоматизация и КИП. Архитектурно-строительные решения. Водопровод и канализация

Дата актуализации: 10.08.2017

Типовой проект 903-1-249.87

Альбом I. Пояснительная записка. Тепломеханическое оборудование. Силовое электрооборудование и электроосвещение. Автоматизация и КИП. Архитектурно-строительные решения. Водопровод и канализация

Обозначение: Типовой проект 903-1-249.87
Обозначение англ: 903-1-249.87
Статус:не определен законодательством
Название рус.:Альбом I. Пояснительная записка. Тепломеханическое оборудование. Силовое электрооборудование и электроосвещение. Автоматизация и КИП. Архитектурно-строительные решения. Водопровод и канализация
Дата добавления в базу:12.02.2016
Дата актуализации:05.05.2017
Дата введения:29.06.1987
Разработан: Белагропроект
Утверждён:29.06.1987 Госагропром СССР (USSR Gosagroprom 501)
Расположен в:Техническая документация Строительство Справочные документы Типовые строительные конструкции, изделия и узлы Общероссийский строительный каталог Промышленные предприятия, здания и сооружения Здания и сооружения санитарно-технические Теплоснабжение Котельные установки Электрокотельные
Типовой проект 903-1-249.87Типовой проект 903-1-249.87Типовой проект 903-1-249.87Типовой проект 903-1-249.87Типовой проект 903-1-249.87Типовой проект 903-1-249.87Типовой проект 903-1-249.87Типовой проект 903-1-249.87Типовой проект 903-1-249.87Типовой проект 903-1-249.87Типовой проект 903-1-249.87Типовой проект 903-1-249.87Типовой проект 903-1-249.87Типовой проект 903-1-249.87Типовой проект 903-1-249.87Типовой проект 903-1-249.87Типовой проект 903-1-249.87Типовой проект 903-1-249.87Типовой проект 903-1-249.87Типовой проект 903-1-249.87Типовой проект 903-1-249.87Типовой проект 903-1-249.87Типовой проект 903-1-249.87Типовой проект 903-1-249.87Типовой проект 903-1-249.87Типовой проект 903-1-249.87Типовой проект 903-1-249.87Типовой проект 903-1-249.87Типовой проект 903-1-249.87Типовой проект 903-1-249.87Типовой проект 903-1-249.87Типовой проект 903-1-249.87Типовой проект 903-1-249.87Типовой проект 903-1-249.87Типовой проект 903-1-249.87Типовой проект 903-1-249.87Типовой проект 903-1-249.87

© 2013 Ёшкин Кот :-) Карта сайта