Информационная система
«Ёшкин Кот»

Скачать базу одним архивом
Скачать обновления
История создания базы
Карта сайта

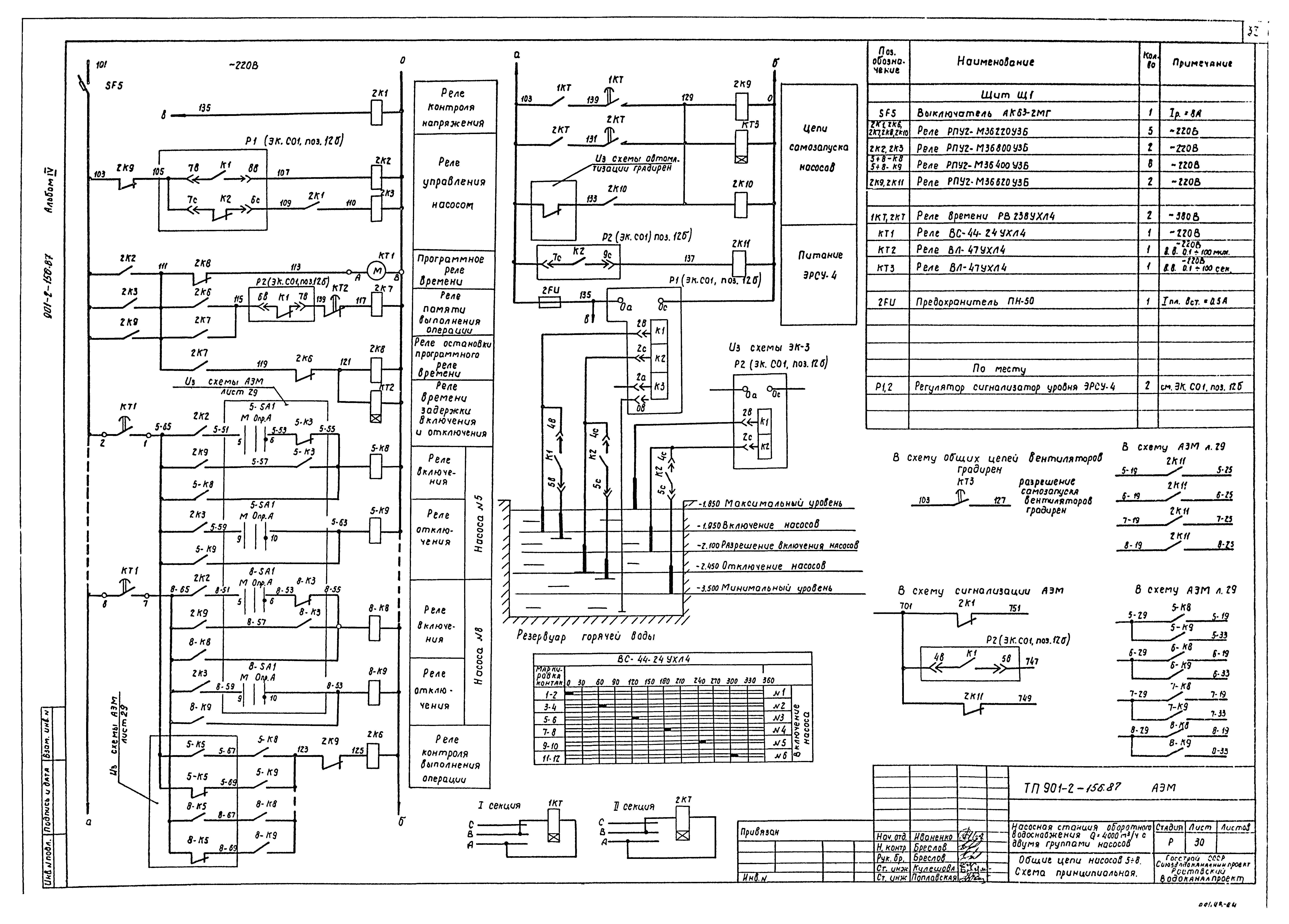
Скачать Типовой проект 901-2-156.87 Альбом IV. Электротехническая часть

Дата актуализации: 10.08.2017

Типовой проект 901-2-156.87

Альбом IV. Электротехническая часть

Обозначение: Типовой проект 901-2-156.87
Обозначение англ: 901-2-156.87
Статус:отменен
Название рус.:Альбом IV. Электротехническая часть
Дата добавления в базу:01.02.2017
Дата актуализации:05.05.2017
Дата введения:01.07.1996
Разработан: Союзводоканалпроект
Утверждён:09.07.1987 Госстрой СССР (Государственный комитет Совета Министров СССР по делам строительства) (USSR Gosstroy АЧ-59)
Издан: ЦИТП Госстроя СССР (CITP, Gosstroy (USSR) 1987 г. )
Расположен в:Техническая документация Строительство Справочные документы Типовые строительные конструкции, изделия и узлы Общероссийский строительный каталог Промышленные предприятия, здания и сооружения Здания и сооружения санитарно-технические Водоснабжение Насосные станции Насосные станции оборотного водоснабжения
Заменяет собой:
  • Типовой проект 901-2-74
Типовой проект 901-2-156.87Типовой проект 901-2-156.87Типовой проект 901-2-156.87Типовой проект 901-2-156.87Типовой проект 901-2-156.87Типовой проект 901-2-156.87Типовой проект 901-2-156.87Типовой проект 901-2-156.87Типовой проект 901-2-156.87Типовой проект 901-2-156.87Типовой проект 901-2-156.87Типовой проект 901-2-156.87Типовой проект 901-2-156.87Типовой проект 901-2-156.87Типовой проект 901-2-156.87Типовой проект 901-2-156.87Типовой проект 901-2-156.87Типовой проект 901-2-156.87Типовой проект 901-2-156.87Типовой проект 901-2-156.87Типовой проект 901-2-156.87Типовой проект 901-2-156.87Типовой проект 901-2-156.87Типовой проект 901-2-156.87Типовой проект 901-2-156.87Типовой проект 901-2-156.87Типовой проект 901-2-156.87Типовой проект 901-2-156.87Типовой проект 901-2-156.87Типовой проект 901-2-156.87Типовой проект 901-2-156.87Типовой проект 901-2-156.87Типовой проект 901-2-156.87Типовой проект 901-2-156.87Типовой проект 901-2-156.87Типовой проект 901-2-156.87Типовой проект 901-2-156.87Типовой проект 901-2-156.87Типовой проект 901-2-156.87Типовой проект 901-2-156.87Типовой проект 901-2-156.87Типовой проект 901-2-156.87Типовой проект 901-2-156.87Типовой проект 901-2-156.87Типовой проект 901-2-156.87Типовой проект 901-2-156.87Типовой проект 901-2-156.87Типовой проект 901-2-156.87Типовой проект 901-2-156.87Типовой проект 901-2-156.87Типовой проект 901-2-156.87Типовой проект 901-2-156.87Типовой проект 901-2-156.87Типовой проект 901-2-156.87Типовой проект 901-2-156.87Типовой проект 901-2-156.87Типовой проект 901-2-156.87Типовой проект 901-2-156.87Типовой проект 901-2-156.87Типовой проект 901-2-156.87Типовой проект 901-2-156.87Типовой проект 901-2-156.87Типовой проект 901-2-156.87Типовой проект 901-2-156.87Типовой проект 901-2-156.87Типовой проект 901-2-156.87Типовой проект 901-2-156.87Типовой проект 901-2-156.87Типовой проект 901-2-156.87Типовой проект 901-2-156.87Типовой проект 901-2-156.87Типовой проект 901-2-156.87Типовой проект 901-2-156.87Типовой проект 901-2-156.87Типовой проект 901-2-156.87Типовой проект 901-2-156.87

© 2013 Ёшкин Кот :-) Карта сайта