Информационная система
«Ёшкин Кот»

Скачать базу одним архивом
Скачать обновления
История создания базы
Карта сайта

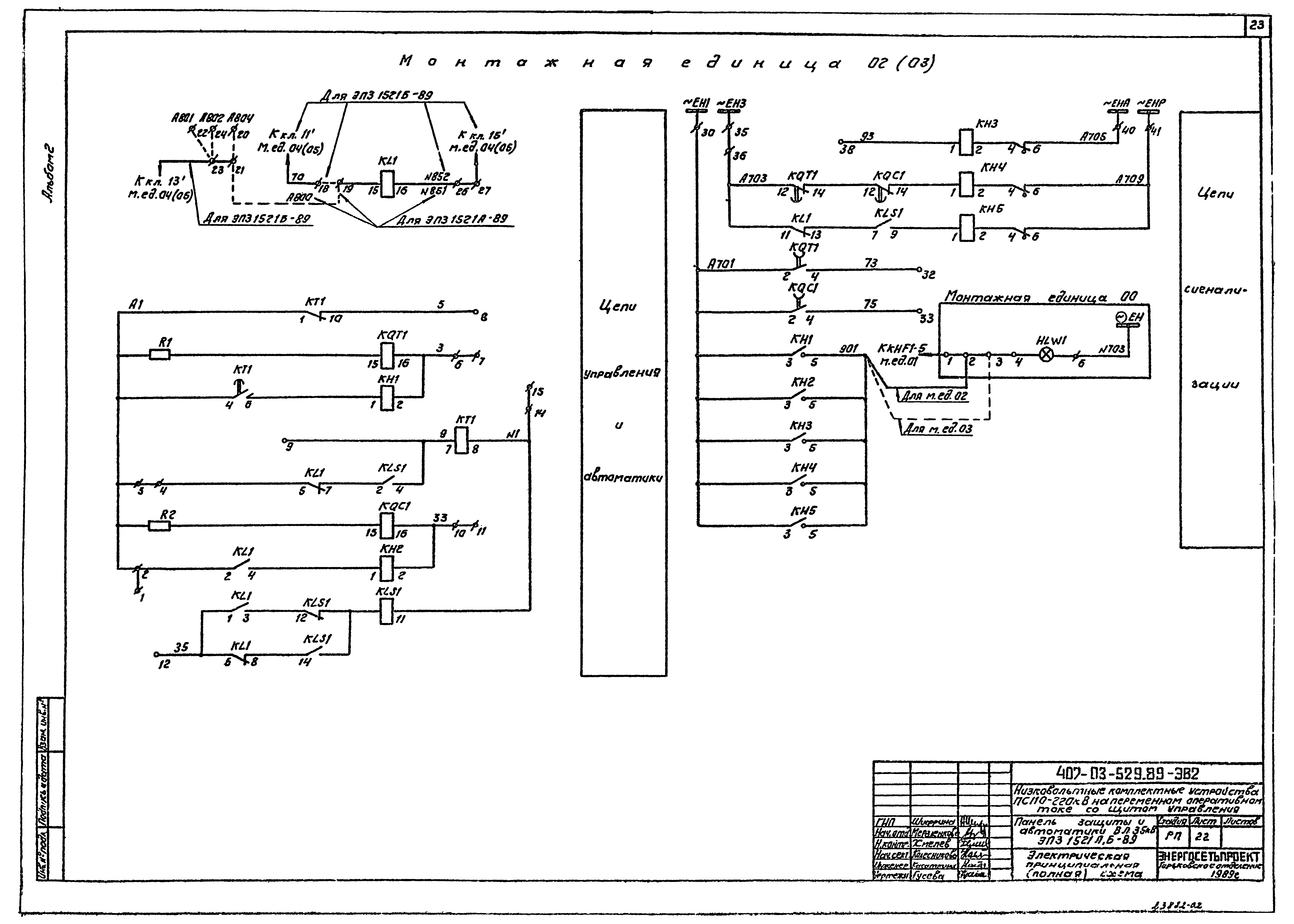
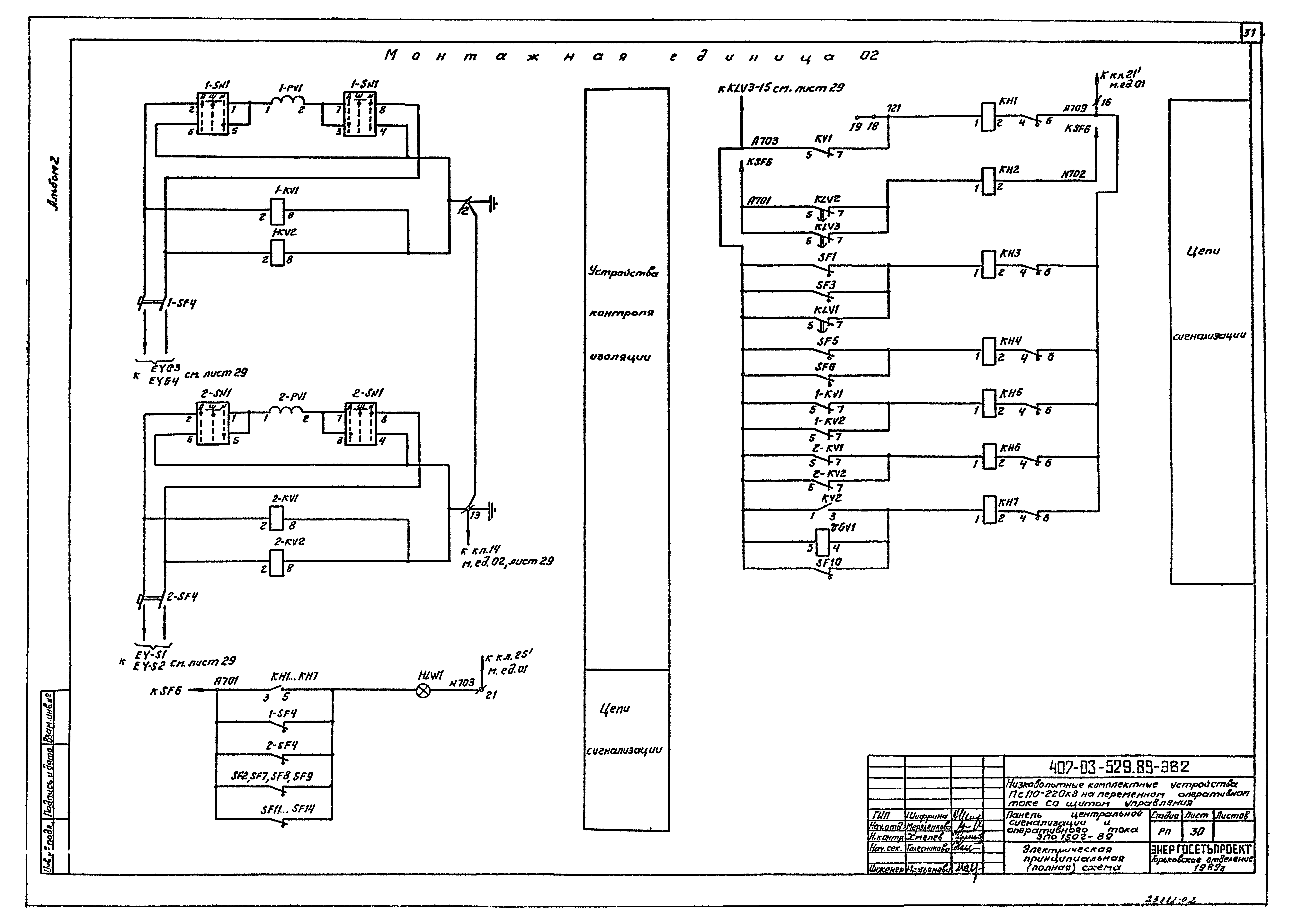
Скачать Типовые материалы для проектирования 407-03-529.89 Альбом 2. Низковольтные комплектные устройства линий 35 кВ и общеподстанционных элементов

Дата актуализации: 10.08.2017

Типовые материалы для проектирования 407-03-529.89

Альбом 2. Низковольтные комплектные устройства линий 35 кВ и общеподстанционных элементов

Обозначение: Типовые материалы для проектирования 407-03-529.89
Обозначение англ: 407-03-529.89
Статус:cправочные материалы, мп, тпр
Название рус.:Альбом 2. Низковольтные комплектные устройства линий 35 кВ и общеподстанционных элементов
Дата добавления в базу:12.02.2016
Дата актуализации:05.05.2017
Дата введения:04.05.1989
Разработан: Горьковское отделение института Энергосетьпроект Минэнерго СССР
Утверждён:04.05.1989 Минэнерго СССР (USSR Minenergo 24)
Издан: ЦИТП Госстроя СССР (CITP, Gosstroy (USSR) 1988 г. )
Расположен в:Техническая документация Строительство Справочные документы Типовые строительные конструкции, изделия и узлы Общероссийский строительный каталог Промышленные предприятия, здания и сооружения Предприятия, здания и сооружения промышленности и электроэнергетики Электроэнергетика Схемы электрические для подстанций и линий электропередачи
Типовые материалы для проектирования 407-03-529.89Типовые материалы для проектирования 407-03-529.89Типовые материалы для проектирования 407-03-529.89Типовые материалы для проектирования 407-03-529.89Типовые материалы для проектирования 407-03-529.89Типовые материалы для проектирования 407-03-529.89Типовые материалы для проектирования 407-03-529.89Типовые материалы для проектирования 407-03-529.89Типовые материалы для проектирования 407-03-529.89Типовые материалы для проектирования 407-03-529.89Типовые материалы для проектирования 407-03-529.89Типовые материалы для проектирования 407-03-529.89Типовые материалы для проектирования 407-03-529.89Типовые материалы для проектирования 407-03-529.89Типовые материалы для проектирования 407-03-529.89Типовые материалы для проектирования 407-03-529.89Типовые материалы для проектирования 407-03-529.89Типовые материалы для проектирования 407-03-529.89Типовые материалы для проектирования 407-03-529.89Типовые материалы для проектирования 407-03-529.89Типовые материалы для проектирования 407-03-529.89Типовые материалы для проектирования 407-03-529.89Типовые материалы для проектирования 407-03-529.89Типовые материалы для проектирования 407-03-529.89Типовые материалы для проектирования 407-03-529.89Типовые материалы для проектирования 407-03-529.89Типовые материалы для проектирования 407-03-529.89Типовые материалы для проектирования 407-03-529.89Типовые материалы для проектирования 407-03-529.89Типовые материалы для проектирования 407-03-529.89Типовые материалы для проектирования 407-03-529.89Типовые материалы для проектирования 407-03-529.89Типовые материалы для проектирования 407-03-529.89Типовые материалы для проектирования 407-03-529.89Типовые материалы для проектирования 407-03-529.89Типовые материалы для проектирования 407-03-529.89Типовые материалы для проектирования 407-03-529.89

© 2013 Ёшкин Кот :-) Карта сайта