| ||||||||||||||||||||||||||||
Скачать Типовые материалы для проектирования 407-03-529.89 Альбом 1. Пояснительная записка. Низковольтные комплектные устройства трансформаторов и шинных аппаратов 6 - 10 - 35 кВДата актуализации: 10.08.2017
|
| Обозначение: | Типовые материалы для проектирования 407-03-529.89 |
| Обозначение англ: | 407-03-529.89 |
| Статус: | cправочные материалы, мп, тпр |
| Название рус.: | Альбом 1. Пояснительная записка. Низковольтные комплектные устройства трансформаторов и шинных аппаратов 6 - 10 - 35 кВ |
| Дата добавления в базу: | 01.09.2013 |
| Дата актуализации: | 05.05.2017 |
| Дата введения: | 04.05.1989 |
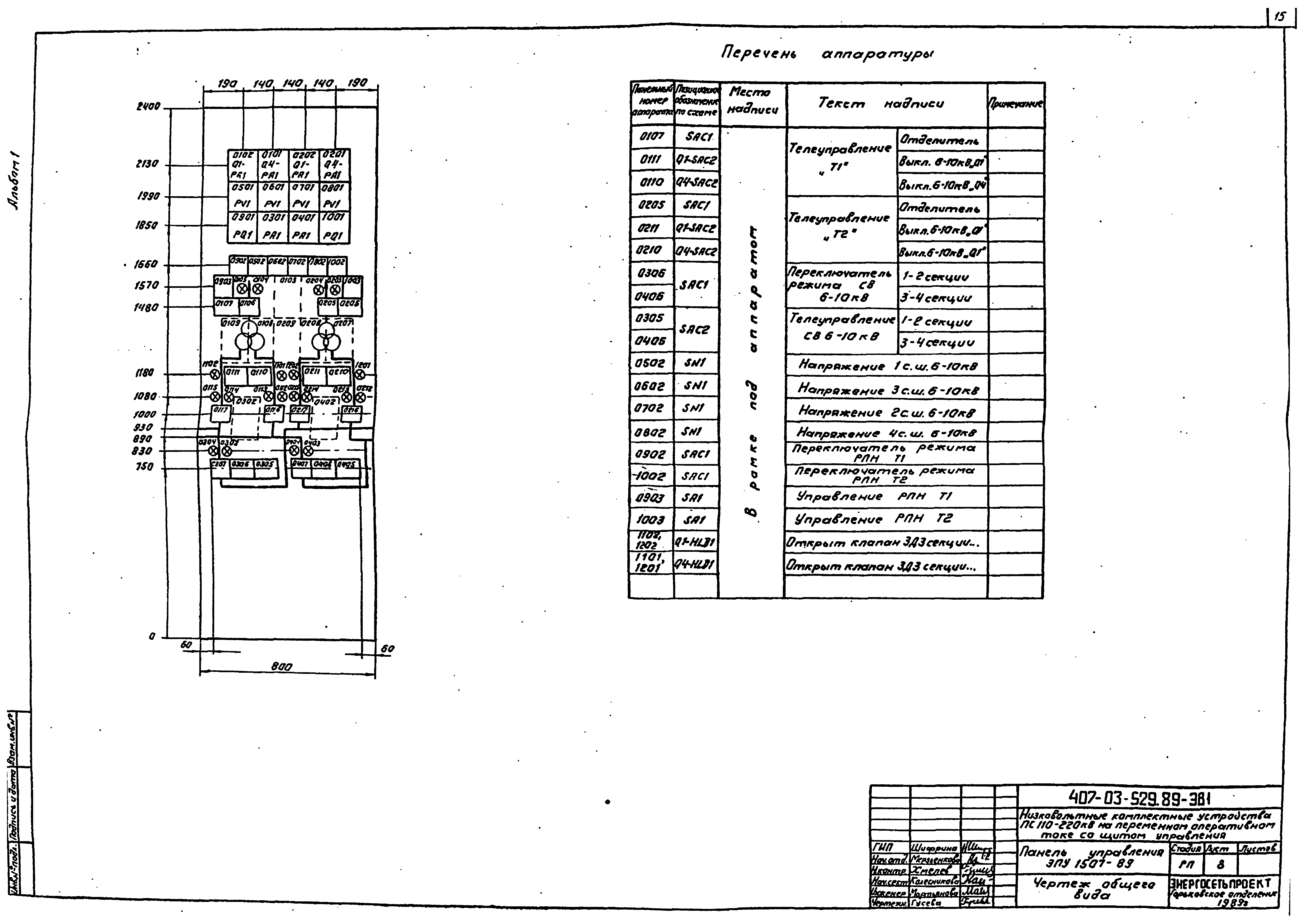
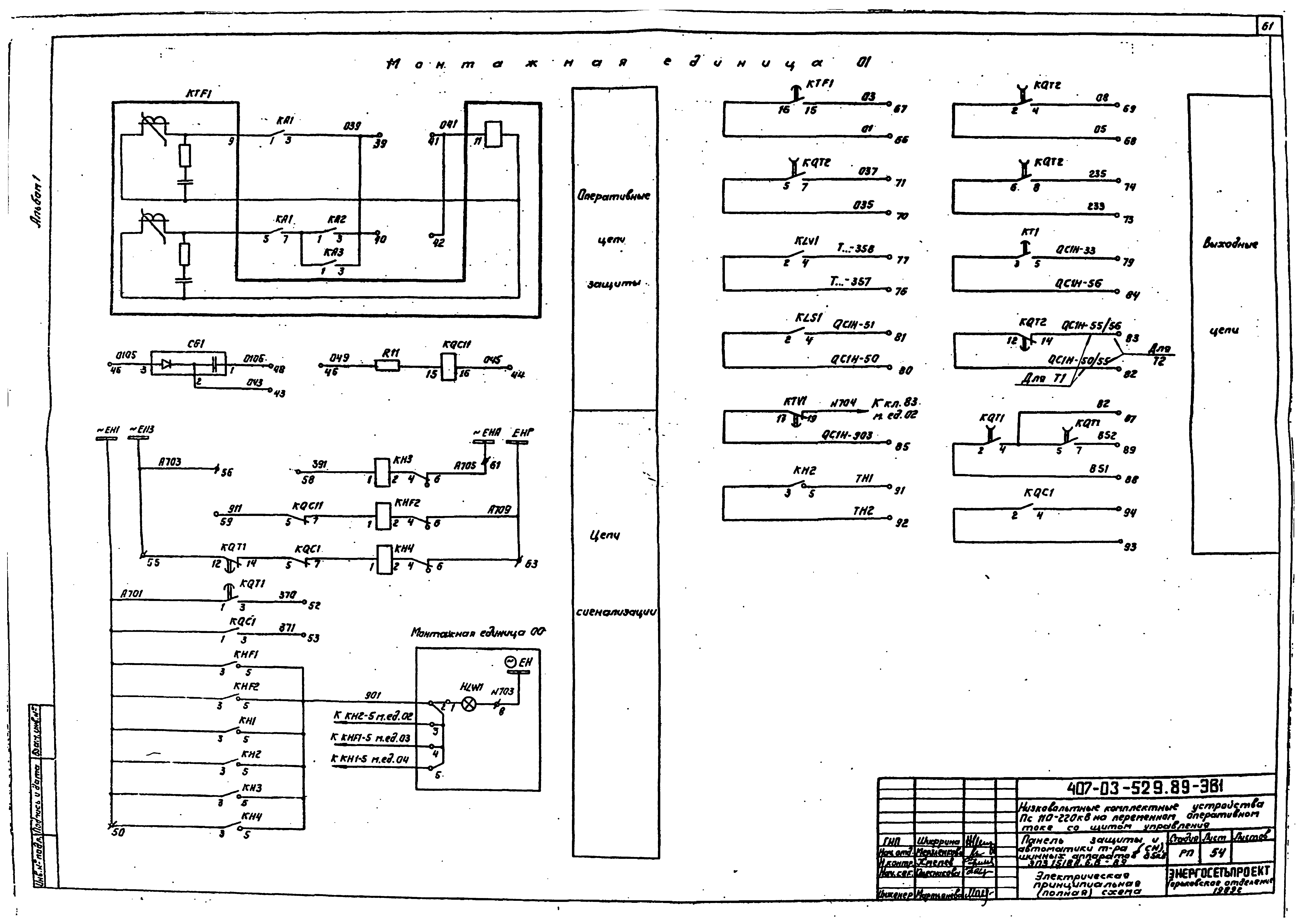
| Оглавление: | Пояснительная записка Низковольтные комплектные устройства трансформаторов и шинных аппаратов 6-10-35 кВ Общие данные Панель управления ЭПУ 1506-89. Чертеж общего вида Панели управления ЭПУ 1506-89, ЭПУ 1508-89. Электрическая принципиальная (полная) схема Панели управления ЭПУ 1506-89, ЭПУ 1508-89. Электрическая схема соединений рядов зажимов. Левая боковина Панели управления ЭПУ 1506-89, ЭПУ 1508-89. Электрическая схема соединений рядов зажимов. Правая боковина Панель управления ЭПУ 1508-89. Чертеж общего вида Панель управления ЭПУ 1507-89. Чертеж общего вида Панель управления ЭПУ 1507-89. Электрическая принципиальная (полная) схема Панель управления ЭПУ 1507-89. Электрическая схема соединений рядов зажимов. Левая боковина Панель управления ЭПУ 1507-89. Электрическая схема соединений рядов зажимов. Правая боковина Панель управления ЭПУ 1509-89. Чертеж общего вида Панель управления ЭПУ 1509-89. Электрическая принципиальная (полная) схема Панель управления ЭПУ 1509-89. Электрическая схема соединений рядов зажимов. Левая боковина Панель управления ЭПУ 1509-89. Электрическая схема соединений рядов зажимов. Правая боковина Панель автоматики трансформаторов 110 кВ ЭПА 1504 А, Б, В, Г-89. Чертеж общего вида Панель автоматики трансформаторов 110 кВ ЭПА 1504 А, Б, В, Г-89. Электрическая принципиальная (полная) схема Панель автоматики трансформаторов 110 кВ ЭПА 1504 А, Б, В, Г-89. Электрическая схема соединений рядов зажимов. Левая боковина Панель автоматики трансформаторов 110 кВ ЭПА 1504 А, Б, В, Г-89. Электрическая схема соединений рядов зажимов. Правая боковина Панель автоматики трансформаторов 220 кВ ЭПА 1505 А, Б, В, Г-89. Чертеж общего вида Панель автоматики трансформаторов 220 кВ ЭПА 1505 А, Б, В, Г-89. Электрическая принципиальная (полная) схема Панель автоматики трансформаторов 220 кВ ЭПА 1505 А, Б, В, Г-89. Электрическая схема соединений рядов зажимов. Левая боковина Панель автоматики трансформаторов 220 кВ ЭПА 1505 А, Б, В, Г-89. Электрическая схема соединений рядов зажимов. Правая боковина Панель защиты трансформаторов 110/6-10 кВ ЭПЗ 1514 А, Б, В, Г-89. Чертеж общего вида Панель защиты трансформаторов 110/6-10 кВ ЭПЗ 1514 А, Б, В, Г-89. Электрическая принципиальная (полная) схема Панель защиты трансформаторов 110/6-10 кВ ЭПЗ 1514 А, Б, В, Г-89. Электрическая схема соединений рядов зажимов Панель защиты трансформатора (ВН) 110-220/35/6-10 кВ ЭПЗ 1515 А, Б-89. Чертеж общего вида Панели защиты трансформаторов 110-220/6-10/6-10 кВ ЭПЗ 1515 А, Б-89; ЭПЗ 1516 А, Б-89. Электрическая принципиальная (полная) схема Панели защиты трансформаторов 110-220/6-10/6-10 кВ ЭПЗ 1515 А, Б-89; ЭПЗ 1516 А, Б-89. Электрическая схема соединений рядов зажимов. Левая боковина Панель защиты трансформатора 110-220/6-10/6-10 кВ ЭПЗ 1516 А, Б-89. Чертеж общего вида Панель защиты трансформатора 110-220/6-10/6-10 кВ ЭПЗ 1516 А, Б-89. Электрическая схема соединений рядов зажимов. Правая боковина Панель защиты трансформатора 110-220/35/6-10 кВ ЭПЗ 1517 А, Б-89. Чертеж общего вида Панель защиты трансформатора 110-220/35/6-10 кВ ЭПЗ 1517 А, Б-89. Электрическая принципиальная (полная) схема Панель защиты трансформатора 110-220/35/6-10 кВ ЭПЗ 1517 А, Б-89. Электрическая схема соединений рядов зажимов Панель защиты и автоматики трансформатора (СН), шинных аппаратов 35 кВ ЭПЗ 1518 А, Б, В-89. Чертеж общего вида Панель защиты и автоматики трансформатора (СН), шинных аппаратов 35 кВ ЭПЗ 1518 А, Б, В-89. Электрическая принципиальная (полная) схема Панель защиты и автоматики трансформатора (СН), шинных аппаратов 35 кВ ЭПЗ 1518 А, Б, В-89. Электрическая схема соединений рядов зажимов. Левая боковина Панель защиты и автоматики трансформатора (СН), шинных аппаратов 35 кВ ЭПЗ 1518 А, Б, В-89. Электрическая схема соединений рядов зажимов. Правая боковина |
| Разработан: | Горьковское отделение института Энергосетьпроект Минэнерго СССР |
| Утверждён: | 04.05.1989 Минэнерго СССР (USSR Minenergo 24) |
| Издан: | ЦИТП Госстроя СССР (CITP, Gosstroy (USSR) 1988 г. ) |
| Расположен в: |


































































