Информационная система
«Ёшкин Кот»

Скачать базу одним архивом
Скачать обновления
История создания базы
Карта сайта

Скачать Типовой проект 212-2-41/75 Альбом IV. Изделия заводского изготовления

Дата актуализации: 10.08.2017

Типовой проект 212-2-41/75

Альбом IV. Изделия заводского изготовления

Обозначение: Типовой проект 212-2-41/75
Обозначение англ: 212-2-41/75
Статус:действует
Название рус.:Альбом IV. Изделия заводского изготовления
Дата добавления в базу:01.09.2013
Дата актуализации:05.05.2017
Оглавление:Содержание альбома
Железобетонные изделия
   Колонны
   Фризовый камень
   Вентиляционный блок
   Арматурные изделия
   Плита жесткости
   Арматурные изделия
   Вентиляционный блок. Плита жесткости. Узлы 1 - 4
   Вентиляционный блок. Плита жесткости. Закладные детали
   Цокольные панели
   Пространственные каркасы
   Ригели
   Панель
   Стакан. Подстаканник
   Отопительные панели
   Армирование колонн
Металлические изделия
   Закладные детали
   Ограждения лестниц
   Объемный каркас. Плоский каркас
Деревянные изделия
   Экран для санузлов
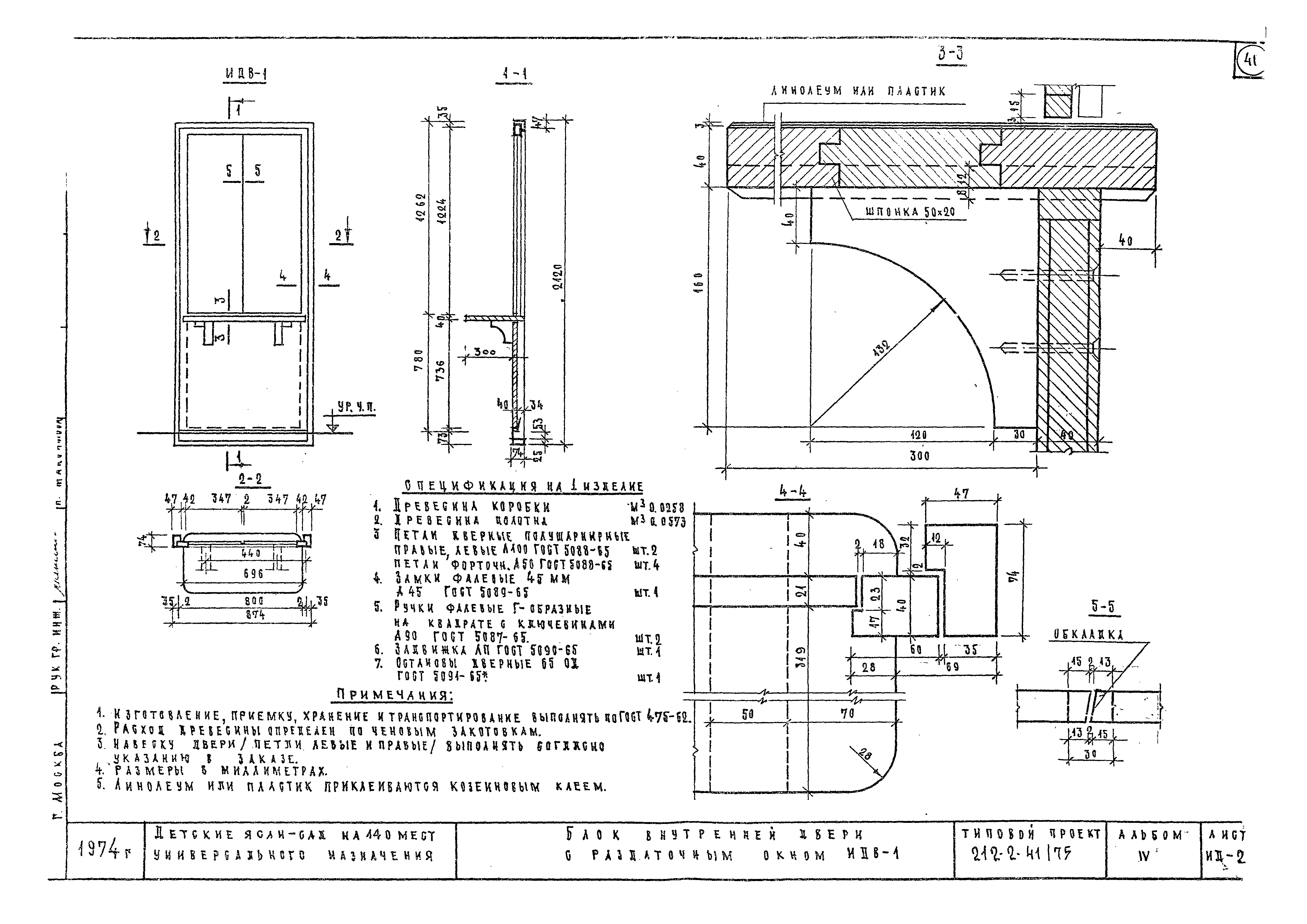
   Блок внутренней двери с раздаточным окном
Разработан: ЦНИИЭП учебных зданий
Утверждён:20.07.1971 Госгражданстрой (Gosgrazhdanstroy 125)
Расположен в:Техническая документация Строительство Справочные документы Типовые строительные конструкции, изделия и узлы Общероссийский строительный каталог Общественные здания в городах и поселках городского типа Детские дошкольные учреждения Детские ясли-сады
Типовой проект 212-2-41/75Типовой проект 212-2-41/75Типовой проект 212-2-41/75Типовой проект 212-2-41/75Типовой проект 212-2-41/75Типовой проект 212-2-41/75Типовой проект 212-2-41/75Типовой проект 212-2-41/75Типовой проект 212-2-41/75Типовой проект 212-2-41/75Типовой проект 212-2-41/75Типовой проект 212-2-41/75Типовой проект 212-2-41/75Типовой проект 212-2-41/75Типовой проект 212-2-41/75Типовой проект 212-2-41/75Типовой проект 212-2-41/75Типовой проект 212-2-41/75Типовой проект 212-2-41/75Типовой проект 212-2-41/75Типовой проект 212-2-41/75Типовой проект 212-2-41/75Типовой проект 212-2-41/75Типовой проект 212-2-41/75Типовой проект 212-2-41/75Типовой проект 212-2-41/75Типовой проект 212-2-41/75Типовой проект 212-2-41/75Типовой проект 212-2-41/75Типовой проект 212-2-41/75Типовой проект 212-2-41/75Типовой проект 212-2-41/75Типовой проект 212-2-41/75Типовой проект 212-2-41/75Типовой проект 212-2-41/75Типовой проект 212-2-41/75Типовой проект 212-2-41/75Типовой проект 212-2-41/75Типовой проект 212-2-41/75Типовой проект 212-2-41/75Типовой проект 212-2-41/75

© 2013 Ёшкин Кот :-) Карта сайта