Информационная система
«Ёшкин Кот»

Скачать базу одним архивом
Скачать обновления
История создания базы
Карта сайта

Скачать Типовой проект 221-1-384.85 Альбом V. Изделия железобетонные сборные. Изделия металлические. Зенитные фонари

Дата актуализации: 10.08.2017

Типовой проект 221-1-384.85

Альбом V. Изделия железобетонные сборные. Изделия металлические. Зенитные фонари

Обозначение: Типовой проект 221-1-384.85
Обозначение англ: 221-1-384.85
Статус:действует
Название рус.:Альбом V. Изделия железобетонные сборные. Изделия металлические. Зенитные фонари
Дата добавления в базу:01.09.2013
Дата актуализации:05.05.2017
Оглавление:221-1-384.85 ИЖ1-00000ДО Ведомость чертежей
221-1-384.85 ИЖ1-00000ТТ Технические требования
221-1-384.85 ИЖ1-01000 1ПСО30.33.4.0-П-1а
221-1-384.85 ИЖ1-02000 1ПСО30.33.4.0-П-1б
221-1-384.85 ИЖ1-03000 1ПСО60.33.4.0-П-1а
221-1-384.85 ИЖ1-04000 1ПСО60.33.4.0-П-1б
221-1-384.85 ИЖ1-05000 1ПСО60.33.4.0-П-1аб
221-1-384.85 ИЖ1-06000 6ПСО30.33.4.0-П-1в
221-1-384.85 ИЖ1-07000 2ПСО29.33.4.0-П-1а
221-1-384.85 ИЖ1-08000 1ПСО29.33.4.0-П-1б
221-1-384.85 ИЖ1-09000 1ПСЛ29.33.4.0-П-2г
221-1-384.85 ИЖ1-10000 2ПСЛ29.33.4.0-П-2г
221-1-384.85 ИЖ1-11000 ПСЛ30.33.4.0-П-2г
221-1-384.85 ИЖ1-12000 ПСП27.10.3,1-п; ПСП27.10.2,6-п
221-1-384.85 ИЖ1-13000 ПВ60.33-1т-1
221-1-384.85 ИЖ1-14000 ПВ60.30-1т-1
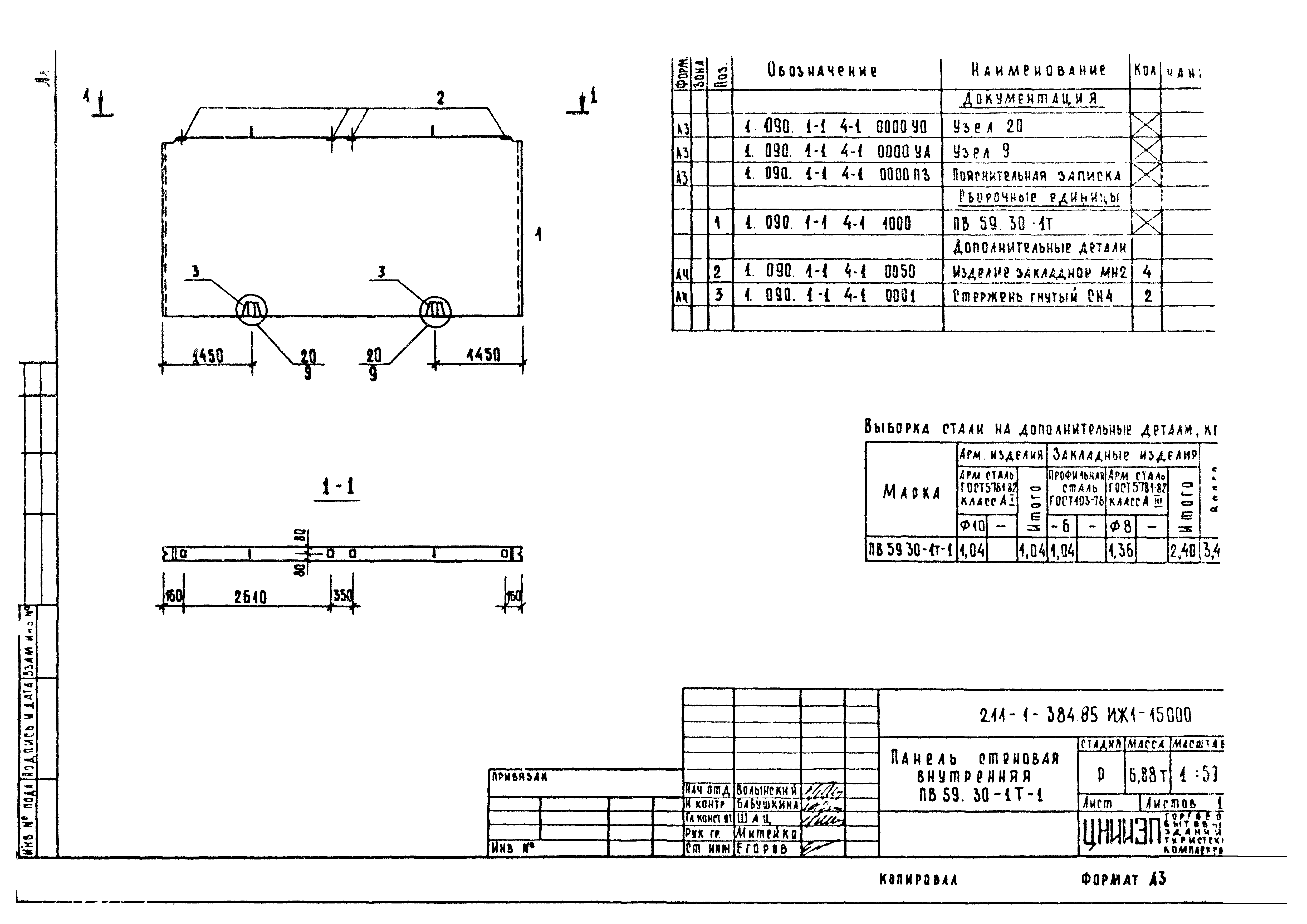
221-1-384.85 ИЖ1-15000 ПВ59.30-1т-1
221-1-384.85 ИЖ1-16000 ПВ60.30-1т-2
221-1-384.85 ИЖ1-17000 ПВ29.30-1т-1
221-1-384.85 ИЖ1-18000 ПВ18.30-1т-1
221-1-384.85 ИЖ1-19000 ПВ30.30-1т-1
221-1-384.85 ИЖ1-20000 1ПСО30.33.3,5-П-1а
221-1-384.85 ИЖ1-21000 1ПСО30.33.3,5-П-1б
221-1-384.85 ИЖ1-22000 1ПСО60.33.3,5-П-1а
221-1-384.85 ИЖ1-23000 1ПСО60.33.3,5-П-1б
221-1-384.85 ИЖ1-24000 1ПСО60.33.3,5-П-1аб
221-1-384.85 ИЖ1-25000 6ПСО30.33.3,5-П-1в
221-1-384.85 ИЖ1-26000 2ПСО29.33.3,5-П-1а
221-1-384.85 ИЖ1-27000 1ПСО29.33.3,5-П-1в
221-1-384.85 ИЖ1-28000 1ПСЛ29.33.3,5-П-2г
221-1-384.85 ИЖ1-29000 2ПСЛ29.33.3,5-П-2г
221-1-384.85 ИЖ1-30000 ПСЛ30.33.3,5-П-2г
221-1-384.85 ИЖ1-31000 1ПГ12-4АтVт-1
221-1-384.85 ИЖ1-32000 1ПФ12-4АтVт-5-1
221-1-384.85 ИЖ1-00100 Каркас пространственный КПП26
221-1-384.85 ИЖ1-00200 Каркас пространственный КП59.30и
221-1-384.85 ИЖ1-00010 Каркас плоский КР-1и
221-1-384.85 ИЖ1-00020 Каркас плоский КР-2и
221-1-384.85 ИМ1-00000ДО Ведомость чертежей
221-1-384.85 ИМ1-01000 Изделие закладное МН-1
221-1-384.85 ИМ1-02000 Изделие закладное МН2
221-1-384.85 ИМ1-03000 Элемент соединительный ИМС-2
221-1-384.85 ИМ1-04000 Элемент соединительный ИМС-3
221-1-384.85 ИМ1-05000 Элемент соединительный ИМС-4
221-1-384.85 ИМ1-06000 Элемент соединительный ИМС-6
221-1-384.85 ИМ1-07000 Элемент соединительный ИМС-1
221-1-384.85 ИМ1-08000 Элемент соединительный ИМС-5
221-1-384.85 ИМ1-09000 Элемент соединительный ИМС-7
221-1-384.85 ИМ1-10000 Рама Р-1
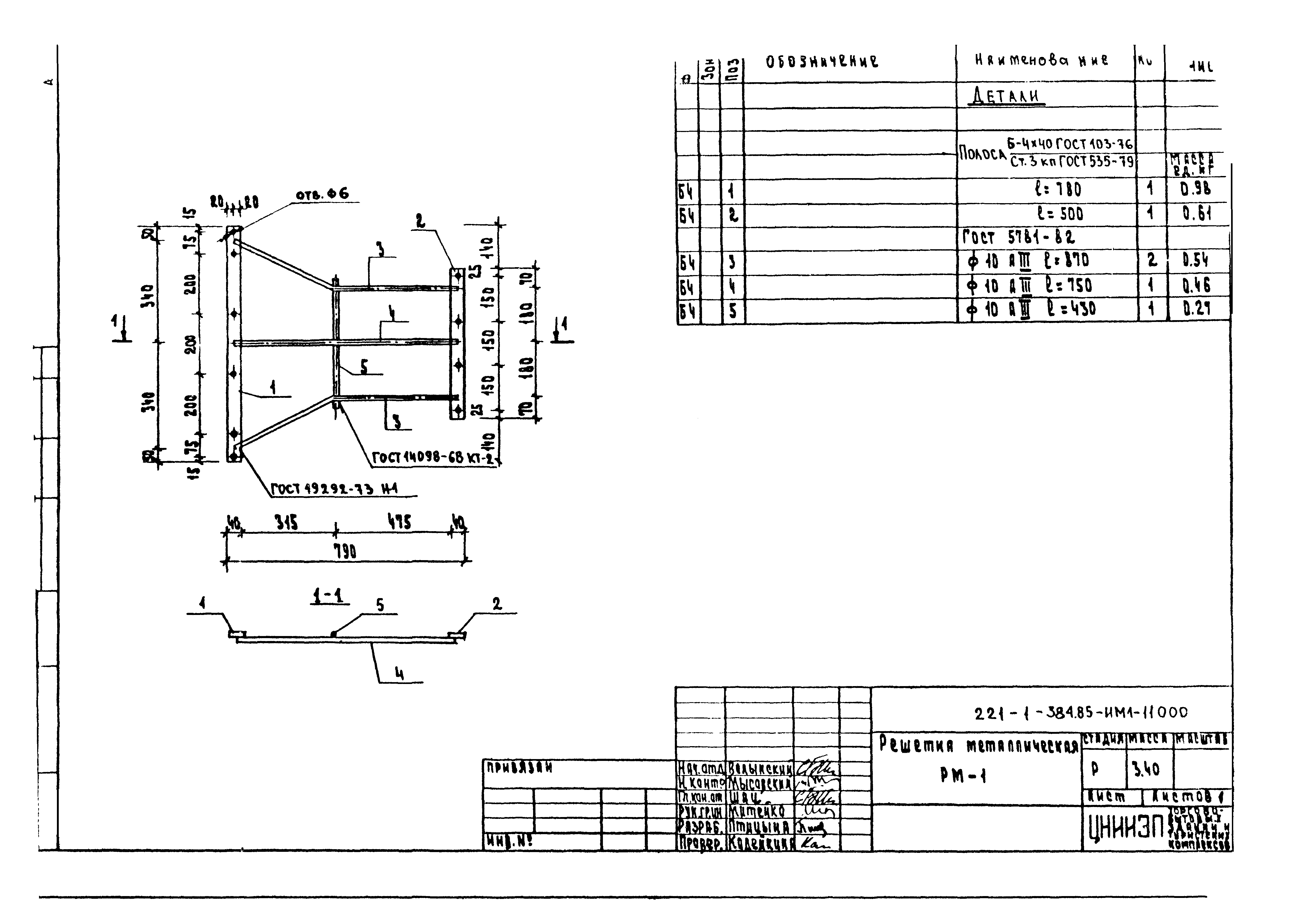
221-1-384.85 ИМ1-11000 Решетка металлическая РМ-1
221-1-384.85 ИМ1-12000 Решетка металлическая РМ-2
221-1-384.85 ИМ1-13000 Кронштейн КР-7м
221-1-384.85 ИМ2-00000000 Ведомость чертежей
221-1-384.85 ИМ2-00000000 Технические требования
221-1-384.85 ИМ2-00000000 Ведомость покупных изделий
221-1-384.85 ИМ2-00000000 Зенитный фонарь
221-1-384.85 ИМ2-00000000 Зенитный фонарь. Спецификация
221-1-384.85 ИМ2-00000000СБ Зенитный фонарь. Сборочный чертеж
221-1-384.85 ИМ2-00000000СБ Зенитный фонарь. Узел 1
221-1-384.85 ИМ2-00000001 Купол
221-1-384.85 ИМ2-00000002 Фартук
221-1-384.85 ИМ2-00000003 Колпачок
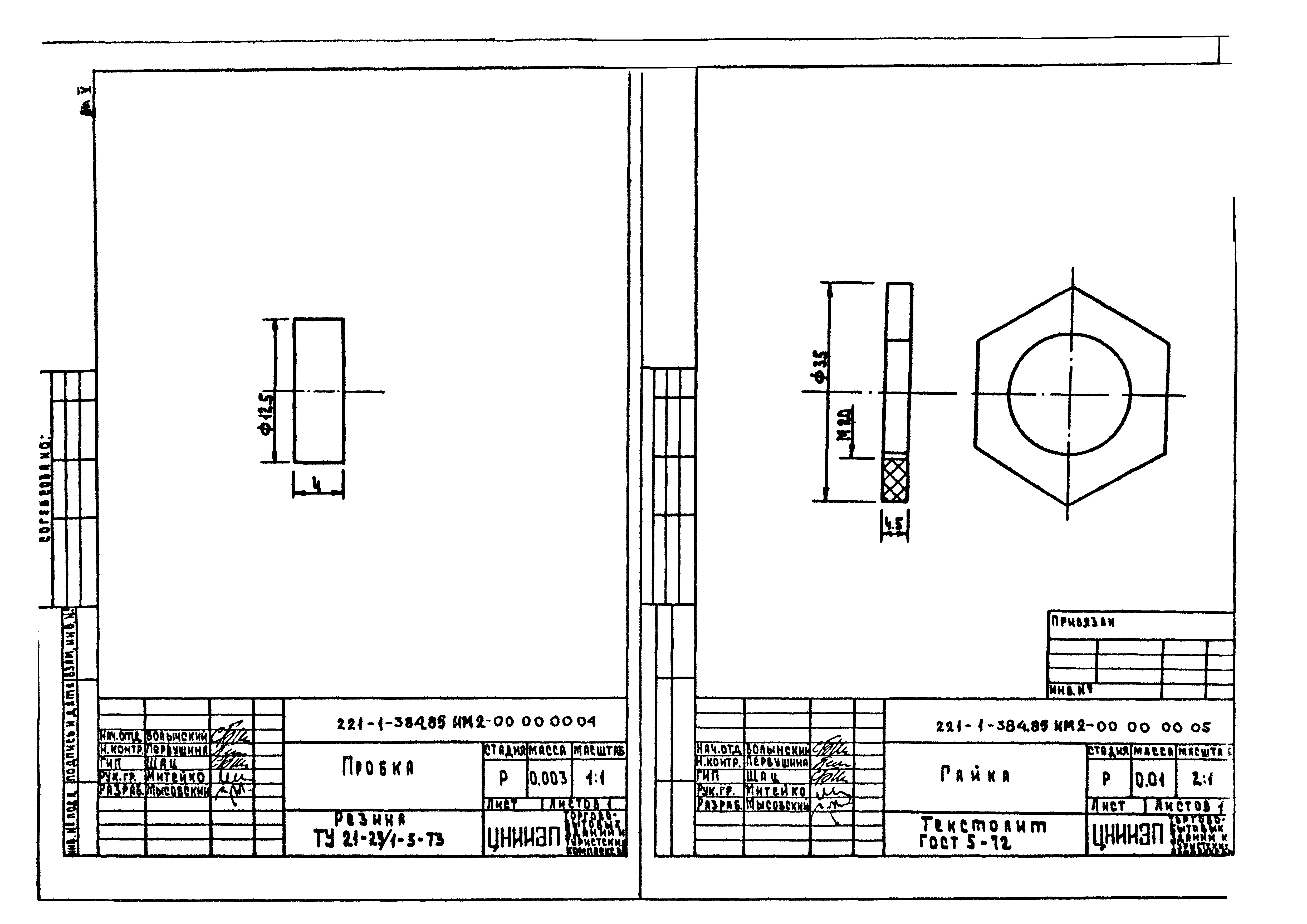
221-1-384.85 ИМ2-00000004 Пробка
221-1-384.85 ИМ2-00000005 Гайка
221-1-384.85 ИМ2-00000006 Прокладка
221-1-384.85 ИМ2-00000007 Втулка
221-1-384.85 ИМ2-00000008 Кольцо
221-1-384.85 ИМ2-00000009 Прокладка
221-1-384.85 ИМ2-00000010 Рама
221-1-384.85 ИМ2-00010000 Опорный элемент
221-1-384.85 ИМ2-00010100СБ Опорный элемент. Сборочный чертеж
221-1-384.85 ИМ2-00010100СБ Опорный элемент. Узел I, II
221-1-384.85 ИМ2-00010001 Лист облицовки
221-1-384.85 ИМ2-00010002 Диаграмма
221-1-384.85 ИМ2-00010003 Проушина
221-1-384.85 ИМ2-00010100 Каркас. Спецификация
221-1-384.85 ИМ2-00010100СБ Каркас. Сборочный чертеж
221-1-384.85 ИМ2-00010101 Элемент верхний
221-1-384.85 ИМ2-00010102 Элемент нижний
221-1-384.85 ИМ2-00010103 Элемент вертикальный
Разработан: ЦНИИЭП торгово-бытовых зданий и туристских комплексов
Утверждён:27.11.1981 Госгражданстрой (Gosgrazhdanstroy 324)
Расположен в:Техническая документация Строительство Справочные документы Типовые строительные конструкции, изделия и узлы Общероссийский строительный каталог Общественные здания для строительства в сельской местности Школы и внешкольные учреждения Общеобразовательные школы
Типовой проект 221-1-384.85Типовой проект 221-1-384.85Типовой проект 221-1-384.85Типовой проект 221-1-384.85Типовой проект 221-1-384.85Типовой проект 221-1-384.85Типовой проект 221-1-384.85Типовой проект 221-1-384.85Типовой проект 221-1-384.85Типовой проект 221-1-384.85Типовой проект 221-1-384.85Типовой проект 221-1-384.85Типовой проект 221-1-384.85Типовой проект 221-1-384.85Типовой проект 221-1-384.85Типовой проект 221-1-384.85Типовой проект 221-1-384.85Типовой проект 221-1-384.85Типовой проект 221-1-384.85Типовой проект 221-1-384.85Типовой проект 221-1-384.85Типовой проект 221-1-384.85Типовой проект 221-1-384.85Типовой проект 221-1-384.85Типовой проект 221-1-384.85Типовой проект 221-1-384.85Типовой проект 221-1-384.85Типовой проект 221-1-384.85Типовой проект 221-1-384.85Типовой проект 221-1-384.85Типовой проект 221-1-384.85Типовой проект 221-1-384.85Типовой проект 221-1-384.85Типовой проект 221-1-384.85Типовой проект 221-1-384.85Типовой проект 221-1-384.85Типовой проект 221-1-384.85Типовой проект 221-1-384.85Типовой проект 221-1-384.85Типовой проект 221-1-384.85Типовой проект 221-1-384.85Типовой проект 221-1-384.85Типовой проект 221-1-384.85Типовой проект 221-1-384.85Типовой проект 221-1-384.85Типовой проект 221-1-384.85Типовой проект 221-1-384.85Типовой проект 221-1-384.85Типовой проект 221-1-384.85Типовой проект 221-1-384.85Типовой проект 221-1-384.85Типовой проект 221-1-384.85Типовой проект 221-1-384.85Типовой проект 221-1-384.85Типовой проект 221-1-384.85Типовой проект 221-1-384.85Типовой проект 221-1-384.85Типовой проект 221-1-384.85Типовой проект 221-1-384.85Типовой проект 221-1-384.85

© 2013 Ёшкин Кот :-) Карта сайта