Информационная система
«Ёшкин Кот»

Скачать базу одним архивом
Скачать обновления
История создания базы
Карта сайта

Скачать Типовой проект 409-14-67.88 Альбом VI. Автоматическое пожаротушение и пожарная сигнализация

Дата актуализации: 10.08.2017

Типовой проект 409-14-67.88

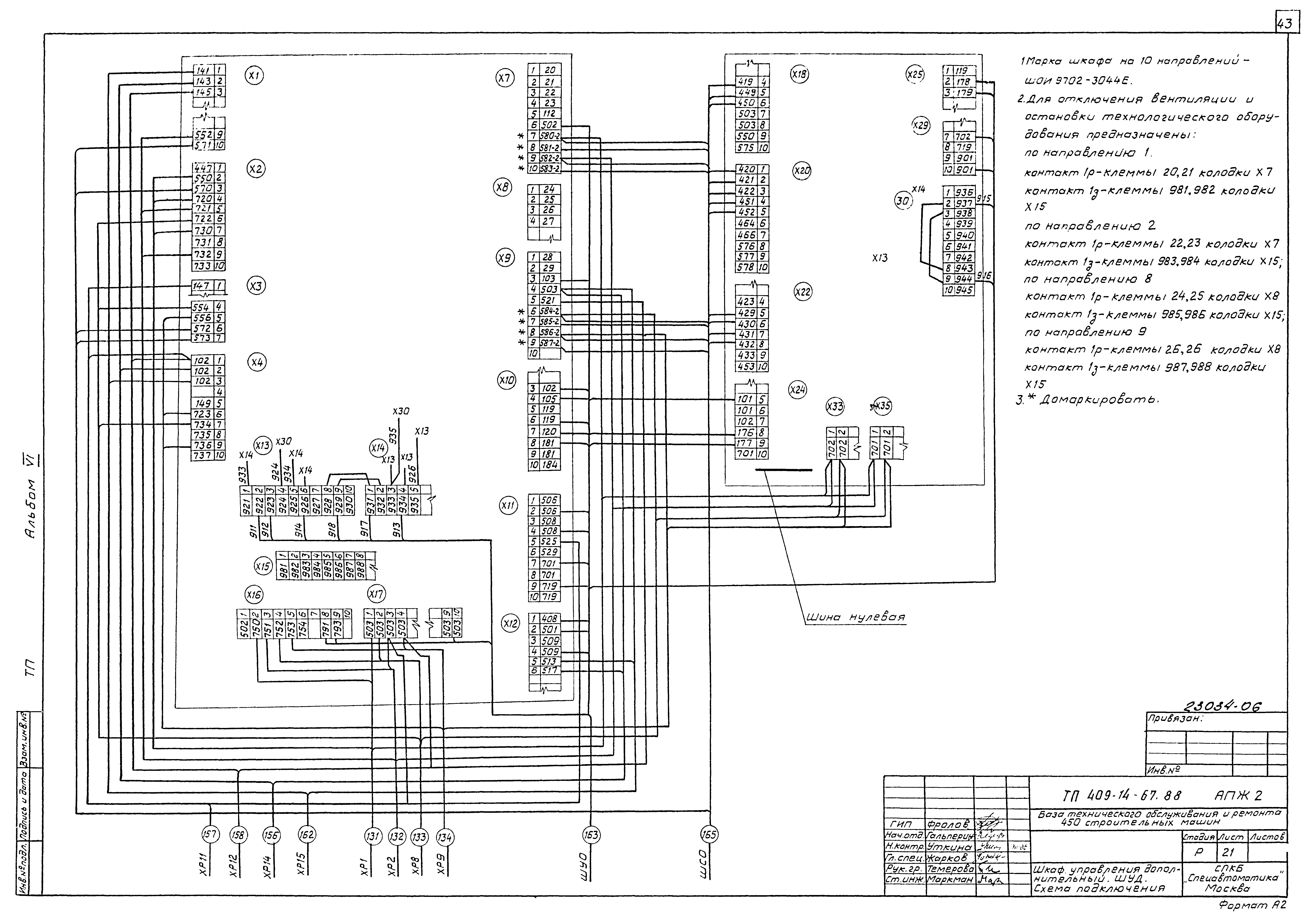
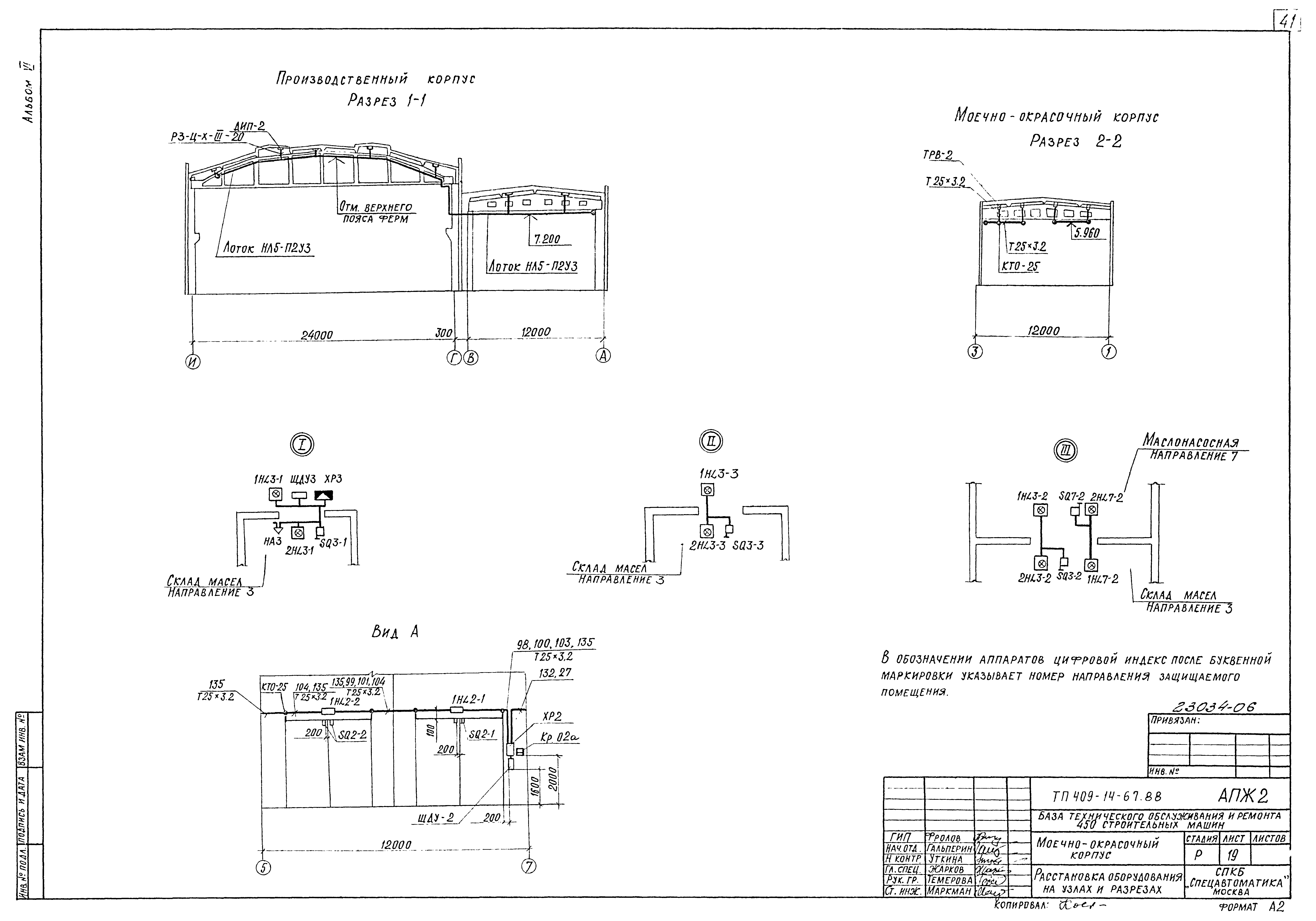
Альбом VI. Автоматическое пожаротушение и пожарная сигнализация

Обозначение: Типовой проект 409-14-67.88
Обозначение англ: 409-14-67.88
Статус:действует
Название рус.:Альбом VI. Автоматическое пожаротушение и пожарная сигнализация
Дата добавления в базу:12.02.2016
Дата актуализации:05.05.2017
Разработан: Проектный институт №2
Утверждён:14.12.1987 Госстрой СССР (Государственный комитет Совета Министров СССР по делам строительства) (USSR Gosstroy 92)
Издан: ЦИТП Госстроя СССР (CITP, Gosstroy (USSR) 1988 г. )
Расположен в:Техническая документация Строительство Справочные документы Типовые строительные конструкции, изделия и узлы Общероссийский строительный каталог Промышленные предприятия, здания и сооружения Предприятия, здания и сооружения промышленности и электроэнергетики Строительная индустрия и промышленность строительных материалов Производство строительных конструкций и изделий Предприятия по техническому обслуживанию и ремонту строительных машин
Типовой проект 409-14-67.88Типовой проект 409-14-67.88Типовой проект 409-14-67.88Типовой проект 409-14-67.88Типовой проект 409-14-67.88Типовой проект 409-14-67.88Типовой проект 409-14-67.88Типовой проект 409-14-67.88Типовой проект 409-14-67.88Типовой проект 409-14-67.88Типовой проект 409-14-67.88Типовой проект 409-14-67.88Типовой проект 409-14-67.88Типовой проект 409-14-67.88Типовой проект 409-14-67.88Типовой проект 409-14-67.88Типовой проект 409-14-67.88Типовой проект 409-14-67.88Типовой проект 409-14-67.88Типовой проект 409-14-67.88Типовой проект 409-14-67.88Типовой проект 409-14-67.88Типовой проект 409-14-67.88Типовой проект 409-14-67.88Типовой проект 409-14-67.88Типовой проект 409-14-67.88Типовой проект 409-14-67.88Типовой проект 409-14-67.88Типовой проект 409-14-67.88Типовой проект 409-14-67.88Типовой проект 409-14-67.88Типовой проект 409-14-67.88Типовой проект 409-14-67.88Типовой проект 409-14-67.88Типовой проект 409-14-67.88Типовой проект 409-14-67.88Типовой проект 409-14-67.88Типовой проект 409-14-67.88Типовой проект 409-14-67.88Типовой проект 409-14-67.88Типовой проект 409-14-67.88Типовой проект 409-14-67.88Типовой проект 409-14-67.88Типовой проект 409-14-67.88Типовой проект 409-14-67.88Типовой проект 409-14-67.88Типовой проект 409-14-67.88Типовой проект 409-14-67.88Типовой проект 409-14-67.88Типовой проект 409-14-67.88Типовой проект 409-14-67.88Типовой проект 409-14-67.88Типовой проект 409-14-67.88Типовой проект 409-14-67.88Типовой проект 409-14-67.88Типовой проект 409-14-67.88Типовой проект 409-14-67.88Типовой проект 409-14-67.88Типовой проект 409-14-67.88Типовой проект 409-14-67.88Типовой проект 409-14-67.88

© 2013 Ёшкин Кот :-) Карта сайта