| ||||||||||||||||||||||||||
Скачать Типовые материалы для проектирования 407-03-469.87 Альбом I. Полные схемыДата актуализации: 10.08.2017
|
| Обозначение: | Типовые материалы для проектирования 407-03-469.87 |
| Обозначение англ: | 407-03-469.87 |
| Статус: | cправочные материалы, мп, тпр |
| Название рус.: | Альбом I. Полные схемы |
| Дата добавления в базу: | 01.10.2014 |
| Дата актуализации: | 05.05.2017 |
| Дата введения: | 04.01.1988 |
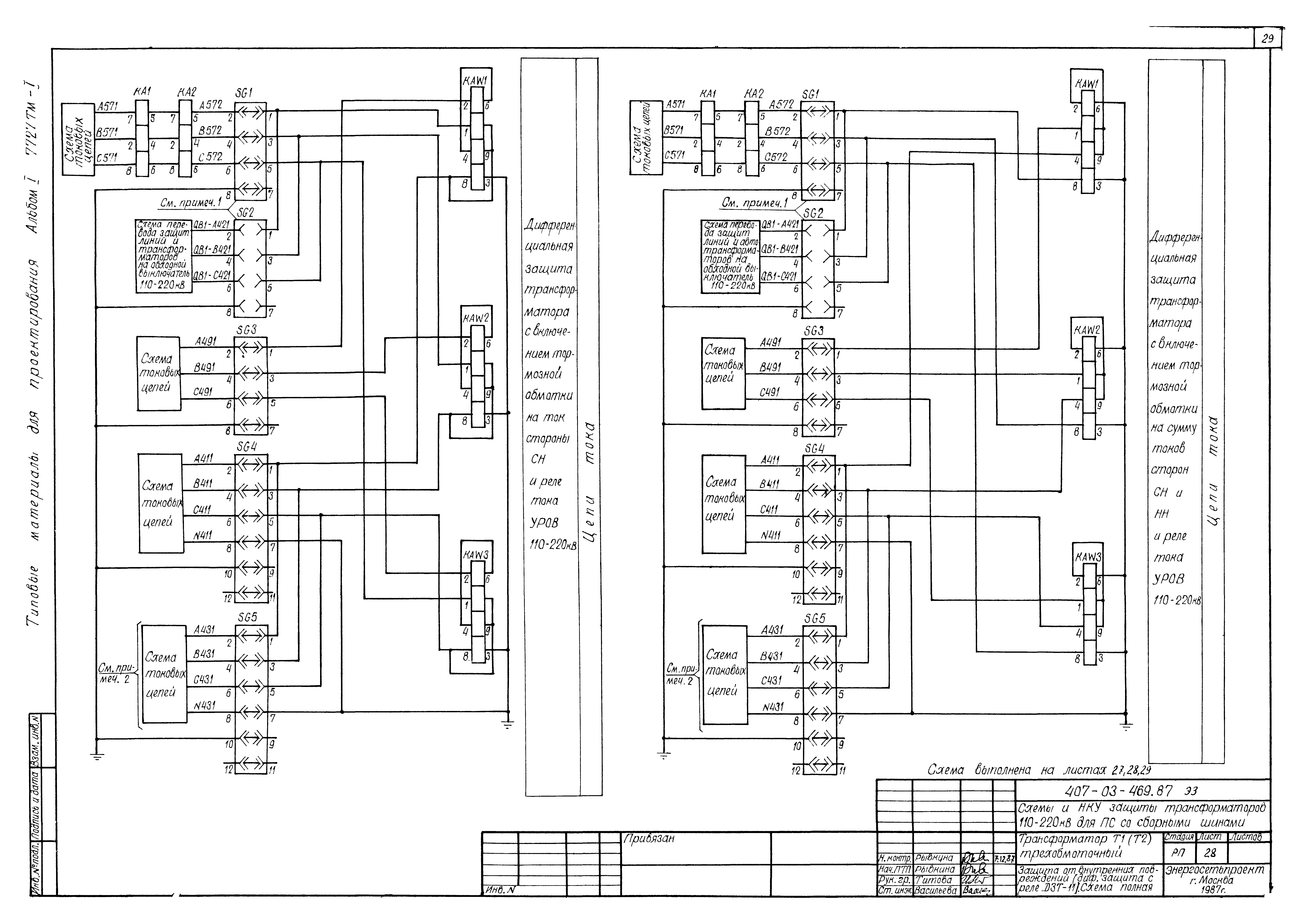
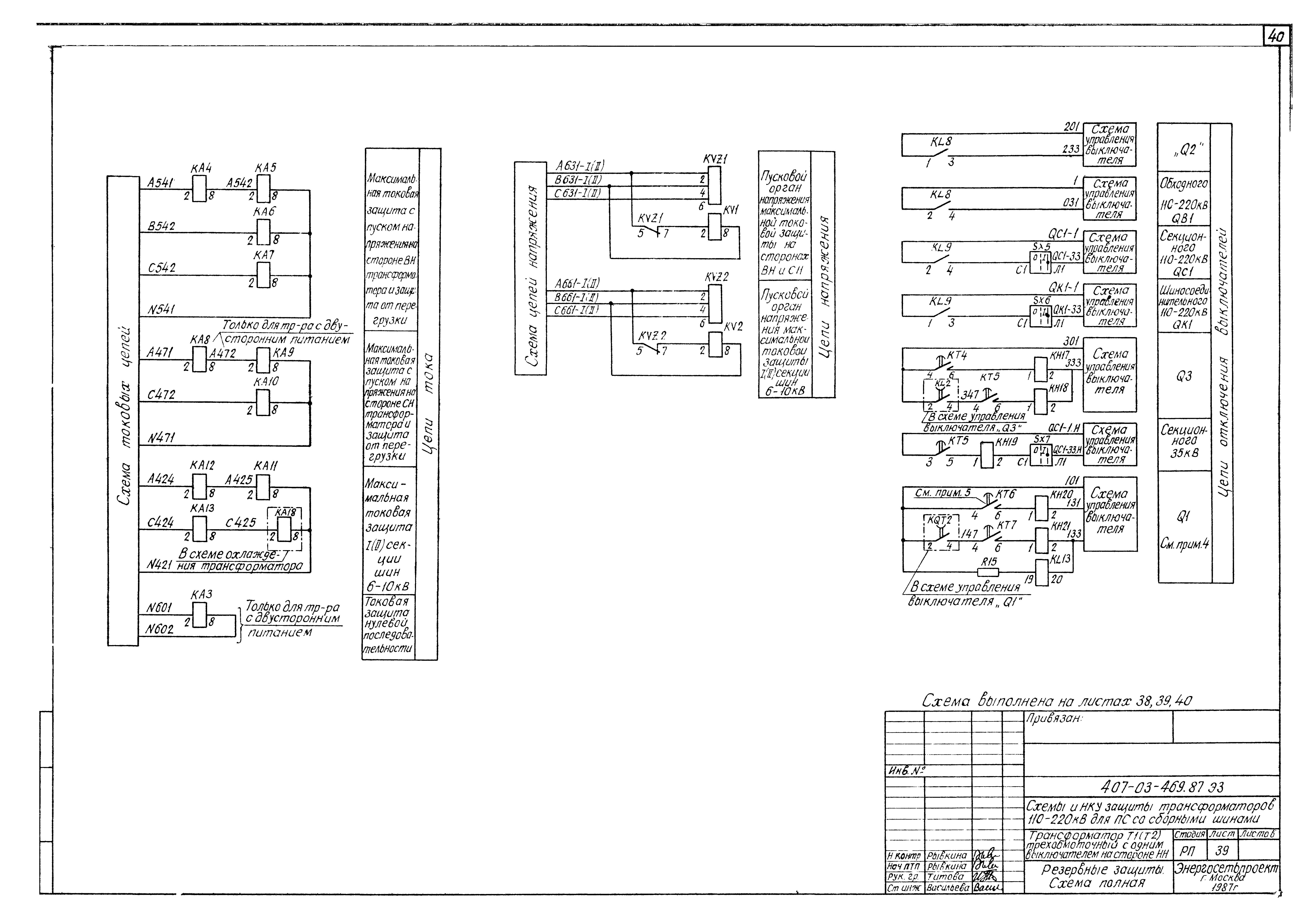
| Оглавление: | Общие данные РУ110 - 220 кВ, 35 кВ. Схемы электрические принципиальные Трансформатор Т1(Т2) двухобмоточный. Таблица выбора чертежей и щитовых устройств Трансформатор Т1(Т2) трехобмоточный. Таблица выбора чертежей и щитовых устройств Трансформатор Т1(Т2) двухобмоточный 110 - 220 кВ с одним выключателем на стороне НН. Токовые цепи. Схема полная Трансформатор Т1(Т2) двухобмоточный 110 - 220 кВ с двумя выключателями на стороне НН. Токовые цепи. Схема полная Трансформатор Т1(Т2) трехобмоточный 110 - 220 кВ с одним выключателем на стороне НН. Токовые цепи. Схема полная Трансформатор Т1(Т2) трехобмоточный 110 - 220 кВ с двумя выключателями на стороне НН. Токовые цепи. Схема полная Трансформатор Т1(Т2) двухобмоточный и трехобмоточный без питания со стороны СН. Цепи напряжения. Схема полная Трансформатор Т1(Т2) трехобмоточный с питанием со стороны СН. Цепи напряжения. Схема полная Трансформатор Т1(Т2) двухобмоточный и трехобмоточный. Цепи напряжения. Схема подключения НКУ Трансформатор Т1(Т2) двухобмоточный. Защита от внутренних повреждений (диф. защита с реле ДЗТ-11). Схема полная Трансформатор Т1(Т2) двухобмоточный. Защита от внутренних повреждений (диф. защита с реле ДЗТ-11). Схема подключения Трансформатор Т1(Т2) двухобмоточный. Защита от внутренних повреждений (диф. защита с реле ДЗТ-21). Схема полная трансформатор Т1(Т2) двухобмоточный. Защита от внутренних повреждений (диф. защита с реле ДЗТ-21). Схема подключения Трансформатор Т1(Т2) двухобмоточный с двумя выключателями на стороне НН. Резервные защиты. Схема полная Трансформатор Т1(Т2) двухобмоточный с одним выключателем на стороне НН. Резервные защиты. Схема полная Трансформатор Т1(Т2) двухобмоточный. Охлаждение (для трансформатора с системой охлаждения типа "Д"). Схема полная Трансформатор Т1(Т2) двухобмоточный. Резервные защиты. Схема подключения Трансформатор Т1(Т2) трехобмоточный. Защита от внутренних повреждений (диф. защита с реле ДЗТ-11). Схема полная Трансформатор Т1(Т2) трехобмоточный. Защита от внутренних повреждений (диф. защита с реле ДЗТ-11). Схема подключения Трансформатор Т1(Т2) трехобмоточный. Защита от внутренних повреждений (диф. защита с реле ДЗТ-21). Схема полная Трансформатор Т1(Т2) трехобмоточный. Защита от внутренних повреждений (диф. защита с реле ДЗТ-21). Схема подключения Трансформатор Т1(Т2) трехобмоточный с двумя выключателями на стороне НН. Резервные защиты. Схема полная Трансформатор Т1(Т2) трехобмоточный с одним выключателем на стороне НН. Резервные защиты. Схема полная Трансформатор Т1(Т2) трехобмоточный. Охлаждение (для трансформатора с системой охлаждения типа "Д"). Схема полная Трансформатор Т1(Т2) трехобмоточный. Резервные защиты. Схема подключения Трансформатор Т1(Т2) двухобмоточный 220 кВ. Измерительные приборы. Схема полная Трансформатор Т1(Т2) двухобмоточный 110 кВ. Измерительные приборы. Схема полная Трансформатор Т1(Т2) двухобмоточный 110 - 220 кВ. Измерительные приборы. Схема подключения НКУ Трансформатор Т1(Т2) трехобмоточный 220 кВ с двумя выключателями на стороне НН. Измерительные приборы. Схема полная Трансформатор Т1(Т2) трехобмоточный 220 кВ с одним выключателем на стороне НН. Измерительные приборы. Схема полная Трансформатор Т1(Т2) 220 кВ трехобмоточный. Измерительные приборы. Схема подключения НКУ Трансформатор Т1(Т2) трехобмоточный 110 кВ с двумя выключателями на стороне НН. Измерительные приборы. Схема полная Трансформатор Т1(Т2) трехобмоточный 110 кВ с одним выключателем на стороне НН. Измерительные приборы. Схема полная Трансформатор Т1(Т2) 110 кВ трехобмоточный. Измерительные приборы. Схема подключения НКУ |
| Разработан: | ВГПИ и НИИ Энергосетьпроект |
| Утверждён: | 04.01.1988 Минэнерго СССР (USSR Minenergo 4) |
| Расположен в: |






















































