Информационная система
«Ёшкин Кот»

Скачать базу одним архивом
Скачать обновления
История создания базы
Карта сайта

Скачать Типовой проект 903-1-158 Альбом III. Сооружения топливоподачи (из ТП 903-1-153)

Дата актуализации: 10.08.2017

Типовой проект 903-1-158

Альбом III. Сооружения топливоподачи (из ТП 903-1-153)

Обозначение: Типовой проект 903-1-158
Обозначение англ: 903-1-158
Статус:заменен
Название рус.:Альбом III. Сооружения топливоподачи (из ТП 903-1-153)
Дата добавления в базу:01.09.2013
Дата актуализации:05.05.2017
Дата введения:01.12.1987
Оглавление:ТП 903-1-153 Титульный лист
ТП 903-1-153 Содержание альбома
ТП 903-1-153-АР-1 Общие данные (начало)
ТП 903-1-153-АР-2 Общие данные (окончание)
ТП 903-1-153-АР-3 План на отм. 0.000;3.600;-3.000;-5.350 и 7.900
ТП 903-1-153-АР-4 Разрез 1-1;2-2. Фрагменты плана
ТП 903-1-153-АР-5 Фасады 1-4;4-1;А-Г и Г-А. Узел 1. Схема № 1
ТП 903-1-153-АР-6 План. Разрез 1-1
ТП 903-1-153-АР-7 Фасад. Сечение и детали галереи
ТП 903-1-153-АР-8 Планы на отм. 0.000;4.200 и 7.200. Фасады
ТП 903-1-153-АР-9 Разрезы 1-1;2-2. План кровли
ТП 903-1-153-КЖ3 Железобетонные конструкции
ТП 903-1-153-КЖ3-1 Общие данные (начало)
ТП 903-1-153-КЖ3-2 Общие данные (окончание)
ТП 903-1-153-КЖ3-3 Дробильное устройство. Фундаменты. План развертки, сечения
ТП 903-1-153-КЖ3-4 Дробильное устройство. План подземного хозяйства. Сечения. Канал БТМ1. Маркировочная схема. Перекрытие канала
ТП 903-1-153-КЖ3-5 Дробильное устройство. Фундамент ФОМ6. Общие виды. Плита ПМ1. Схема армирования
ТП 903-1-153-КЖ3-6 Дробильное устройство. Фундамент ФОМ6. Плита ПФ1. Стойка КМ8. Схемы армирования
ТП 903-1-153-КЖ3-7 Дробильное устройство. Фундамент ФОМ6. Балки БМ10,11,11а,12. Схемы армирования
ТП 903-1-153-КЖ3-8 Дробильное устройство. Монтажные железобетонные балки БМ7,8,9. Схемы армирования
ТП 903-1-153-КЖ3-9 Дробильное устройство. Перекрытие на отм. 4.200 и 7.200. Схемы армирования
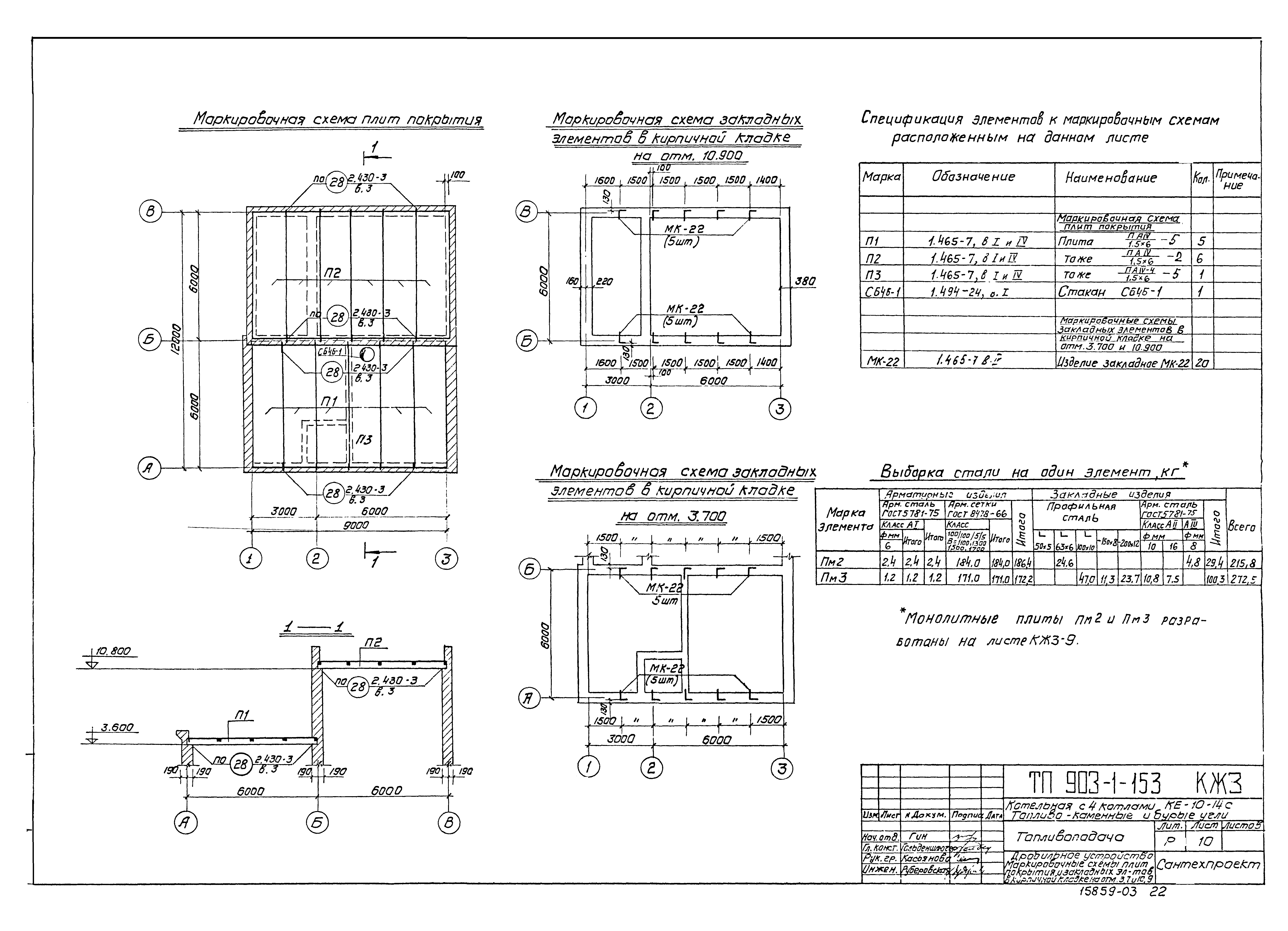
ТП 903-1-153-КЖ3-10 Дробильное устройство. Маркировочные схемы плит покрытия и закладных элементов в карнизной кладке на отм. 3,7 и 10,9
ТП 903-1-153-КЖ3-11 Маневровое устройство. Маркировочная схема фундаментов. Фундаменты ФОМ1 и ФОМ2
ТП 903-1-153-КЖ3-12 Маневровое устройство. Фундаменты ФОМ3-ФОМ5
ТП 903-1-153-КЖ3-13 Галерея № 1. План фундаментов. Разрезы
ТП 903-1-153-КЖ3-14 Галерея № 1. Фундаменты ФМ1,1а,ФМ2,УМ1. Схема армирования
ТП 903-1-153-КЖ3-15 Галерея № 1. Маркировочные схемы покрытия, перекрытия и стеновых панелей
ТП 903-1-153-КЖ3-16 Галерея № 1,2. Монолитные участки УМ2-УМ7. Схема армирования
ТП 903-1-153-КЖ3-17 Галерея № 1. Маркировочная схема фундаментов. Фундаменты ФМ3,ФМ4
ТП 903-1-153-КЖ3-18 Галерея № 1. Маркировочные схемы покрытия, перекрытия и стеновых панелей
ТП 903-1-153-КЖ3-19 Галерея № 1,2. Маркировочные схемы лестницы в осях 1-2,Б-В. Разрезы 1-1÷3-3
ТП 903-1-153-КЖ3-20 Приемное устройство. План фундаментов
ТП 903-1-153-КЖ3-21 Приемное устройство. План фундаментов. Фундамент ФМ5
ТП 903-1-153-КЖ3-22 Приемное устройство. Развертки стен фундаментов. Фундамент ФМ6
ТП 903-1-153-КЖ3-23 Приемное устройство. Маркировочный план на отм. -7.900;-8.900. Маркировочная схема плит покрытия
ТП 903-1-153-КЖ3-24 Приемное устройство. Маркировочная схема каналов электрощитовой
ТП 903-1-153-КЖ3-25 Приемное устройство. Маркировочная схема железобетонных элементов лестницы
ТП 903-1-153-КЖ3-26 Приемное устройство. План стоек днища подвала
ТП 903-1-153-КЖ3-27 Приемное устройство. Маркировочный план на отм. -0.325;-0.180;0.000;0.500
ТП 903-1-153-КЖ3-28 Приемное устройство. Разрезы 3-3÷8-8. Узел 1
ТП 903-1-153-КЖ3-29 Приемное устройство. Балки монолитные БМ1-БМ3. Схема армирования
ТП 903-1-153-КЖ3-30 Приемное устройство. Балки монолитные БМ3-БМ5. Схема армирования
ТП 903-1-153-КЖ3-31 Приемное устройство. Маркировочная схема стоек. Колонны КМ1-КМ3. Схема армирования
ТП 903-1-153-КЖ3-32 Конечное устройство. Монолитные колонны КМ4-КМ7. Схема армирования
ТП 903-1-153-КЖ3-33 Приемное устройство. Плита перекрытия ПМ5. Схемы армирования
ТП 903-1-153-КЖ3-34 Приемное устройство. Плита перекрытия ПМ5. Схемы армирования. Разрезы
ТП 903-1-153-КЖ3-35 Приемное устройство. Стены подвала СМ1. Схема армирования. План. Спецификация
ТП 903-1-153-КЖ3-36 Приемное устройство. Стены подвала СМ7. Схема армирования. Разрезы 1-1;2-2
ТП 903-1-153-КЖ3-37 Приемное устройство. Стены подвала СМ7. Схема армирования. Разрезы 3-3÷7-7
ТП 903-1-153-КЖ3-38 Приемное устройство. Армирование днища. Разрез 1-1
ТП 903-1-153-КЖ3-39 Приемное устройство. Армирование днища. Разрезы 2-2÷4-4
ТП 903-1-153-КМ Металлические конструкции
ТП 903-1-153-КМ-1 Заглавный лист
ТП 903-1-153-КМ-2 Приемное устройство. Дробильное устройство. Техническая спецификация металла
ТП 903-1-153-КМ-3 Галерея № 1. Галерея № 2. Техническая спецификация металла
ТП 903-1-153-КМ-4 Приемное устройство. Схема колонн на отм. 0.000 балок покрытия, прогонов кровли, козырька
ТП 903-1-153-КМ-5 Приемное устройство. Схема фахверка по осям А,Б,1,4. Узлы 24,25
ТП 903-1-153-КМ-6 Приемное устройство. Схема стоек на отм. 0.000, балок на отм. 7.200, монорельсов на отм. 6.510;10.100;3.100
ТП 903-1-153-КМ-7 Приемное устройство. Схема бункеров
ТП 903-1-153-КМ-8 Приемное устройство. Схема решеток бункеров
ТП 903-1-153-КМ-9 Приемное устройство. Схема балок, площадок на отм. 3.000;6.150;8.500
ТП 903-1-153-КМ-10 Приемное устройство. Схема балок и ограждений площадок на отм. -3.000;-4.950
ТП 903-1-153-КМ-11 Приемное устройство. Схема лестниц и ограждений на отм. -3.000;-6.150;8.500
ТП 903-1-153-КМ-12 Галерея № 1. Схема несущих конструкций
ТП 903-1-153-КМ-13 Галерея № 2. Схема несущих конструкций
ТП 903-1-153-КМ-14 Дробильное устройство. Схема балок перекрытий на отм. 4.200 и 7.200
ТП 903-1-153-КМ-15 Дробильное устройство. Схема бункера монорельса, лестницы на отм. 0.000
ТП 903-1-153-КМ-16 Узлы 1-5
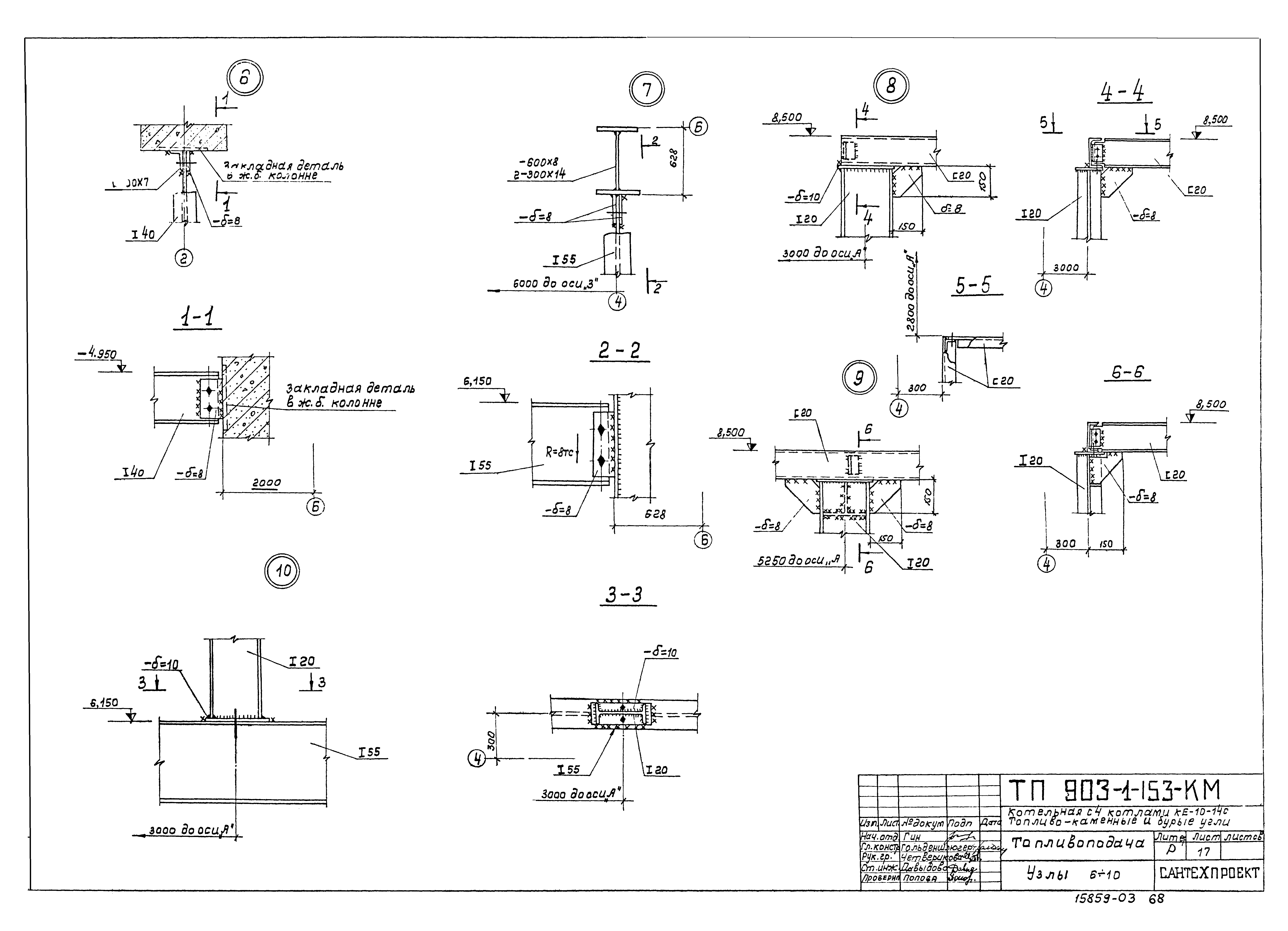
ТП 903-1-153-КМ-17 Узлы 6-10
ТП 903-1-153-КМ-18 Узлы 11-14
ТП 903-1-153-КМ-19 Узлы 17-19
ТП 903-1-153-КМ-20 Узлы 20-23
ТП 903-1-153-КМ-21 Приемное устройство. Схема балок и косоуров на отм. -0.142. Узлы 26-28
Разработан: ГПИ Сантехпроект Госстроя СССР
Минтяжмаш СССР
Союзпроммеханизация
Утверждён:23.03.1979 ГПИ Сантехпроект (46)
Расположен в:Техническая документация Строительство Справочные документы Типовые строительные конструкции, изделия и узлы Общероссийский строительный каталог Промышленные предприятия, здания и сооружения Здания и сооружения санитарно-технические Теплоснабжение Котельные установки Закрытые системы теплоснабжения Топливо - каменные и бурые угли
Заменяет собой:
  • Типовой проект 903-1-107
Чем заменён:
Типовой проект 903-1-158Типовой проект 903-1-158Типовой проект 903-1-158Типовой проект 903-1-158Типовой проект 903-1-158Типовой проект 903-1-158Типовой проект 903-1-158Типовой проект 903-1-158Типовой проект 903-1-158Типовой проект 903-1-158Типовой проект 903-1-158Типовой проект 903-1-158Типовой проект 903-1-158Типовой проект 903-1-158Типовой проект 903-1-158Типовой проект 903-1-158Типовой проект 903-1-158Типовой проект 903-1-158Типовой проект 903-1-158Типовой проект 903-1-158Типовой проект 903-1-158Типовой проект 903-1-158Типовой проект 903-1-158Типовой проект 903-1-158Типовой проект 903-1-158Типовой проект 903-1-158Типовой проект 903-1-158Типовой проект 903-1-158Типовой проект 903-1-158Типовой проект 903-1-158Типовой проект 903-1-158Типовой проект 903-1-158Типовой проект 903-1-158Типовой проект 903-1-158Типовой проект 903-1-158Типовой проект 903-1-158Типовой проект 903-1-158Типовой проект 903-1-158Типовой проект 903-1-158Типовой проект 903-1-158Типовой проект 903-1-158Типовой проект 903-1-158Типовой проект 903-1-158Типовой проект 903-1-158Типовой проект 903-1-158Типовой проект 903-1-158Типовой проект 903-1-158Типовой проект 903-1-158Типовой проект 903-1-158Типовой проект 903-1-158Типовой проект 903-1-158Типовой проект 903-1-158Типовой проект 903-1-158Типовой проект 903-1-158Типовой проект 903-1-158Типовой проект 903-1-158Типовой проект 903-1-158Типовой проект 903-1-158Типовой проект 903-1-158Типовой проект 903-1-158Типовой проект 903-1-158Типовой проект 903-1-158Типовой проект 903-1-158Типовой проект 903-1-158Типовой проект 903-1-158Типовой проект 903-1-158Типовой проект 903-1-158Типовой проект 903-1-158Типовой проект 903-1-158Типовой проект 903-1-158Типовой проект 903-1-158Типовой проект 903-1-158

© 2013 Ёшкин Кот :-) Карта сайта