Информационная система
«Ёшкин Кот»

Скачать базу одним архивом
Скачать обновления
История создания базы
Карта сайта

Скачать Типовой проект 903-1-289.91 Альбом 5. Водоподготовка

Дата актуализации: 10.08.2017

Типовой проект 903-1-289.91

Альбом 5. Водоподготовка

Обозначение: Типовой проект 903-1-289.91
Обозначение англ: 903-1-289.91
Статус:не определен законодательством
Название рус.:Альбом 5. Водоподготовка
Дата добавления в базу:01.09.2013
Дата актуализации:05.05.2017
Дата введения:22.08.1991
Оглавление:Общие данные
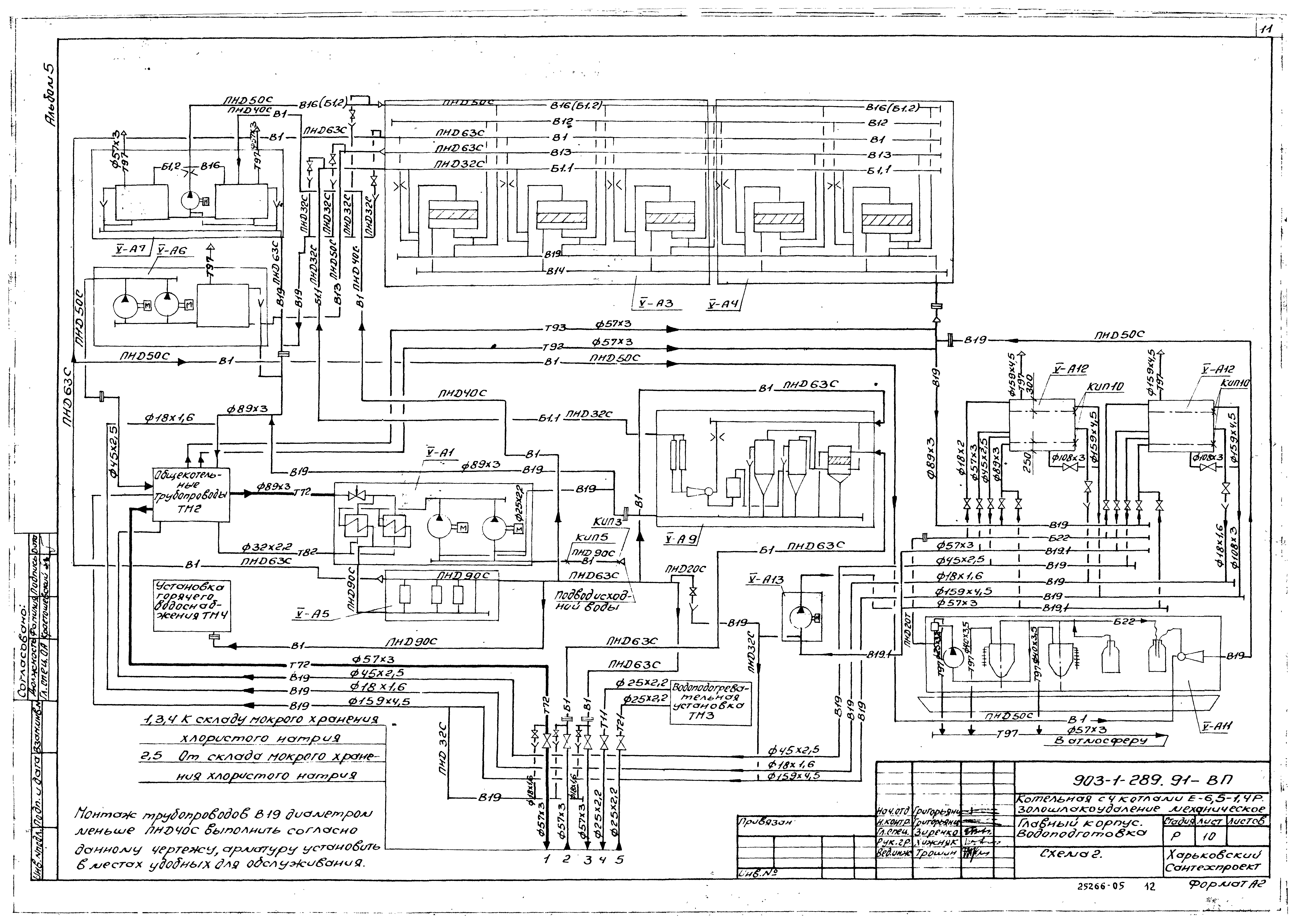
Схема 2
Схема 2. Трубопроводы. План на отм. 0.000. Разрез 1-1
Схема 2. Трубопроводы. План на отм. 3.600. Разрез 2-2
Схема 2. Трубопроводы. Разрез 3-3
Схема 2. Трубопроводы. Разрез 4-4
Схема 2. Трубопроводы. Спецификация
Схема 1
Схема 1. Трубопроводы. План на отм. 0.000. Разрез 1-1
Схема 1. Трубопроводы. План на отм. 3.600. Разрез 2-2
Схема 1. Трубопроводы. Разрез 3-3
Схема 1. Трубопроводы. Разрез 4-4
Схема 1. Трубопроводы. Спецификация
Наружные трубопроводы. План на отм. - 0.150
Наружные трубопроводы. Разрезы 1-1, 2-2, 3-3
Наружные трубопроводы. Спецификация
Разработан: Харьковский Сантехпроект
Утверждён:22.08.1991 Сантехниипроект (25)
Издан: АПП ЦИТП (1992 г. )
Расположен в:Техническая документация Строительство Справочные документы Типовые строительные конструкции, изделия и узлы Общероссийский строительный каталог Промышленные предприятия, здания и сооружения Здания и сооружения санитарно-технические Теплоснабжение Котельные установки Закрытые системы теплоснабжения Топливо - каменные и бурые угли
Заменяет собой:
Типовой проект 903-1-289.91Типовой проект 903-1-289.91Типовой проект 903-1-289.91Типовой проект 903-1-289.91Типовой проект 903-1-289.91Типовой проект 903-1-289.91Типовой проект 903-1-289.91Типовой проект 903-1-289.91Типовой проект 903-1-289.91Типовой проект 903-1-289.91Типовой проект 903-1-289.91Типовой проект 903-1-289.91Типовой проект 903-1-289.91Типовой проект 903-1-289.91Типовой проект 903-1-289.91Типовой проект 903-1-289.91Типовой проект 903-1-289.91Типовой проект 903-1-289.91Типовой проект 903-1-289.91Типовой проект 903-1-289.91Типовой проект 903-1-289.91Типовой проект 903-1-289.91Типовой проект 903-1-289.91Типовой проект 903-1-289.91Типовой проект 903-1-289.91Типовой проект 903-1-289.91Типовой проект 903-1-289.91Типовой проект 903-1-289.91Типовой проект 903-1-289.91Типовой проект 903-1-289.91Типовой проект 903-1-289.91Типовой проект 903-1-289.91

© 2013 Ёшкин Кот :-) Карта сайта