Скачать Типовой проект 903-1-269.89 Альбом 5. Генеральный план. Архитектурные решения. Конструкции железобетонные. Конструкции металлическиеДата актуализации: 10.08.2017 Типовой проект 903-1-269.89
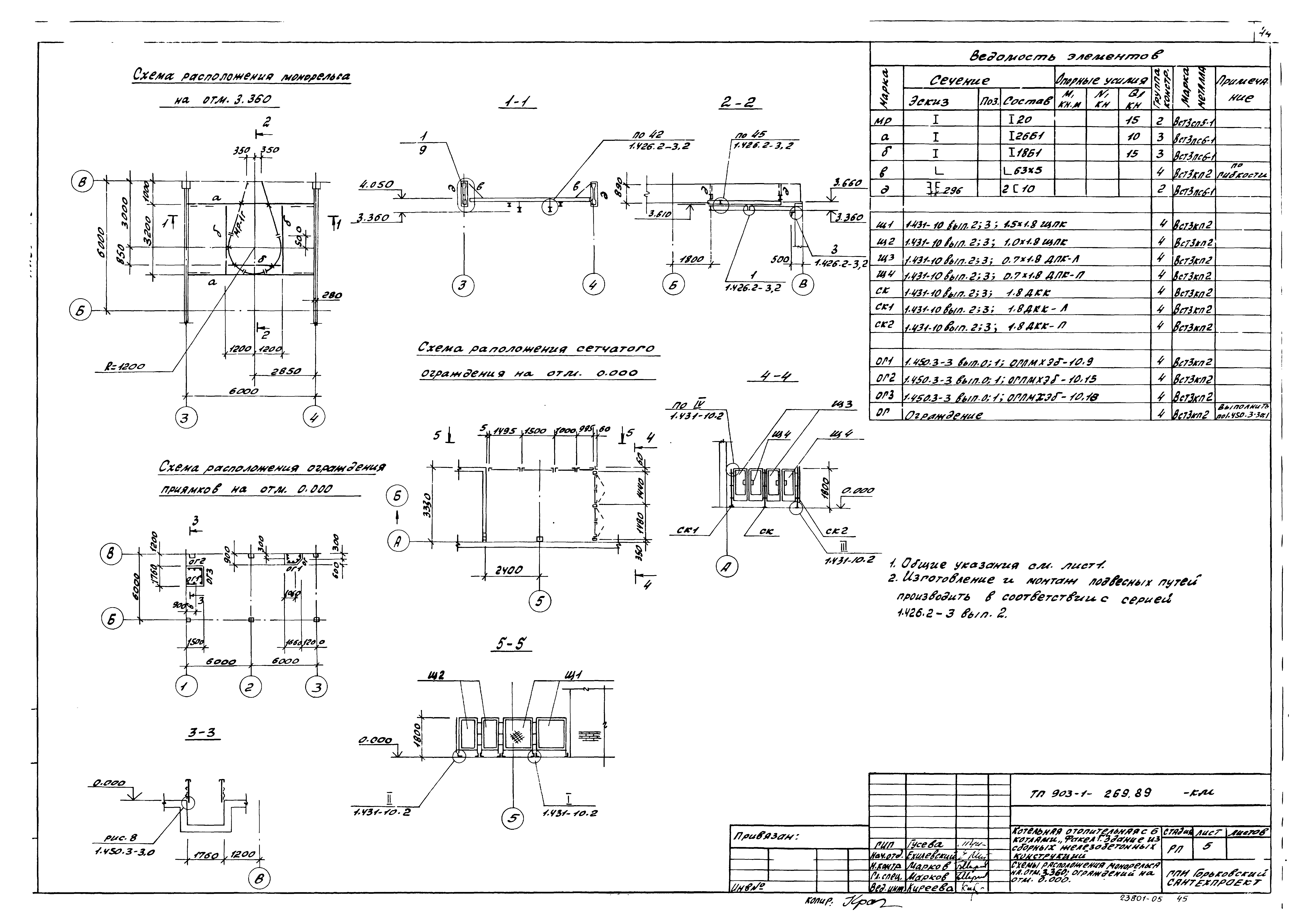
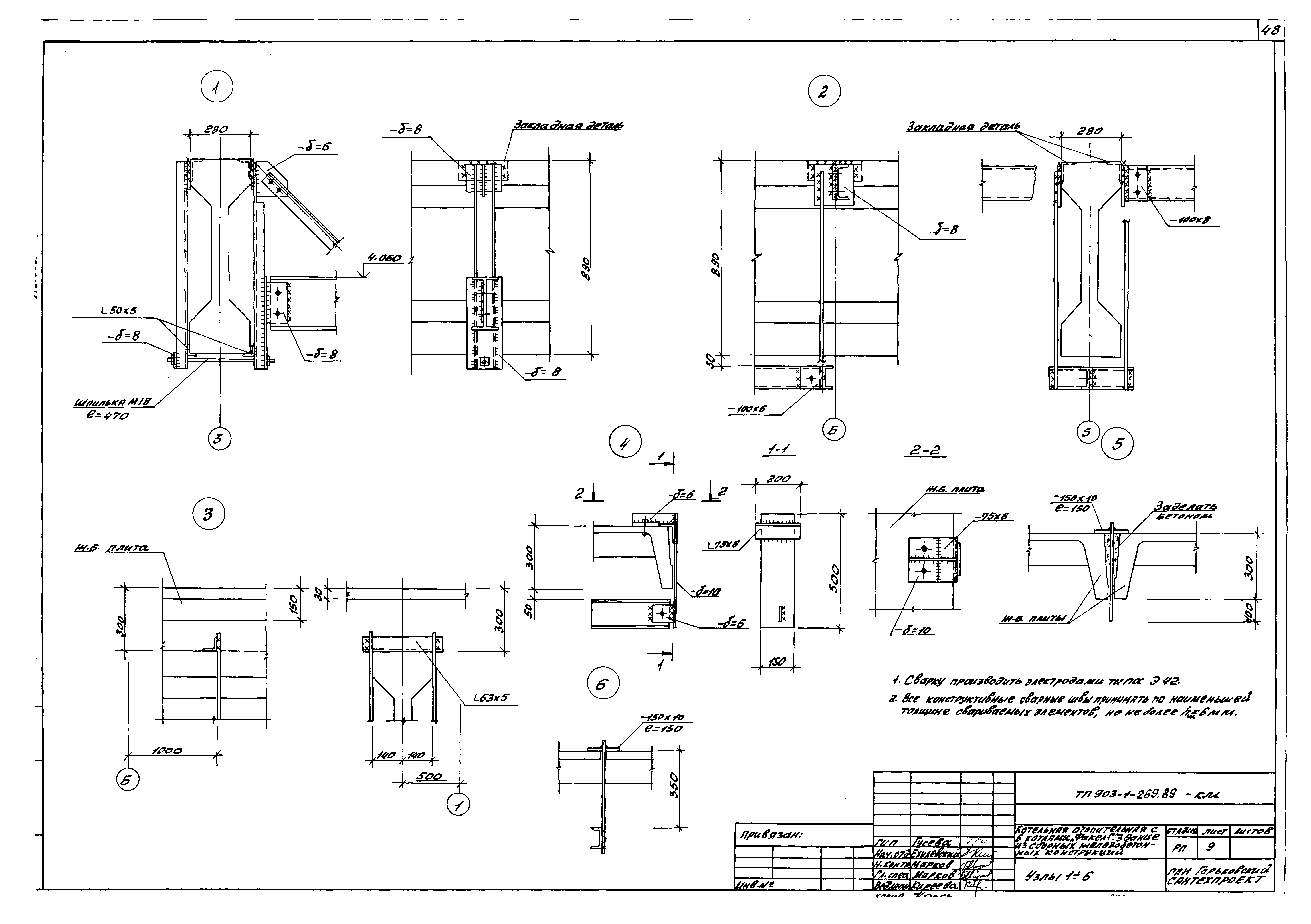
Альбом 5. Генеральный план. Архитектурные решения. Конструкции железобетонные. Конструкции металлическиеОбозначение: | Типовой проект 903-1-269.89 | Обозначение англ: | 903-1-269.89 | Статус: | не определен законодательством | Название рус.: | Альбом 5. Генеральный план. Архитектурные решения. Конструкции железобетонные. Конструкции металлические | Дата добавления в базу: | 01.09.2013 | Дата актуализации: | 05.05.2017 | Дата введения: | 04.04.1989 | Оглавление: | Содержание альбома Чертежи марки ГТ Схема генплана. Сводный план инженерных сетей Чертежи марки АР Общие данные План на отм. 0.000 Разрезы 1-1, 2-2. План полов. План кровли Фасады План расположения отверстий в стенах и перегородках. Фрагмент 1. Узлы Узлы Шкаф ПК1 Чертежи марки КЖ Общие данные Схема расположения фундаментов и фундаментных балок Фундаменты здания. Таблица расчетных нагрузок Фундаменты здания. Фрагмент плана №2. Узлы I - III Фундаменты здания. Узлы IV - VIII Фундаменты Фм1 - Фм3 Фундаменты Фм4 - Фм6 Схема расположения колонн и балок покрытия Схема расположения плит покрытия Спецификация к схемам расположения колонн, балок и плит покрытия Схемы расположения стеновых панелей Схемы расположения стеновых панелей, фрагменты Спецификация к схемам расположения стеновых панелей Схема расположения панелей перегородок Схема расположения каналов, опор и закладных изделий на отм. 0.000 Подземное хозяйство внутри котельной. Разрезы 1-1 - 7-7 Схема расположения фундаментов под оборудование, опор и каналов вне здания Канал КНм1. Сечения 1-1 - 5-5. Узлы Канал КНм1. Армирование Фундаменты ФОм1 - ФОм4. Опоры ОПм1, ОПм2 Опоры ОПн1 - ОПн6, ОПм3, ОПм4. Фундаменты ФОм5, ФОм6 Охладительный колодец К1 Бункер мокрого хранения соли. План, разрезы. Узел I Бункер мокрого хранения соли. Схемы расположения элементов покрытия стеновых блоков Бункер мокрого хранения соли. Армирование Ре1 Чертежи марки КМ Общие данные Ведомость металлоконструкций по видам профилей Техническая спецификация металла Схема расположения монорельса на отм. 3.360, ограждений на отм. 0.000 Схема расположения подвесок и балок для крепления трубопроводов Схема расположения опор на отм. 0.000 и кронштейнов Схема расположения перекрытий канала на отм. 0.000, площадки на отм. 1.200 Узлы 1 - 6 Узлы 7 - 15 | Разработан: | Горьковский Сантехпроект
| Утверждён: | 04.04.1989 Госстрой СССР (Государственный комитет Совета Министров СССР по делам строительства) (USSR Gosstroy 13)
| Издан: | ЦИТП Госстроя СССР (CITP, Gosstroy (USSR) 1989 г. )
| Расположен в: |
| Заменяет собой: | |
                                                
|