| ||||||||||||||||||||||||||
Скачать Типовые материалы для проектирования 407-0-170.87 Альбом II. Схемы принципиальныеДата актуализации: 10.08.2017
|
| Обозначение: | Типовые материалы для проектирования 407-0-170.87 |
| Обозначение англ: | 407-0-170.87 |
| Статус: | не действует |
| Название рус.: | Альбом II. Схемы принципиальные |
| Дата добавления в базу: | 01.09.2013 |
| Дата актуализации: | 05.05.2017 |
| Дата введения: | 01.11.2005 |
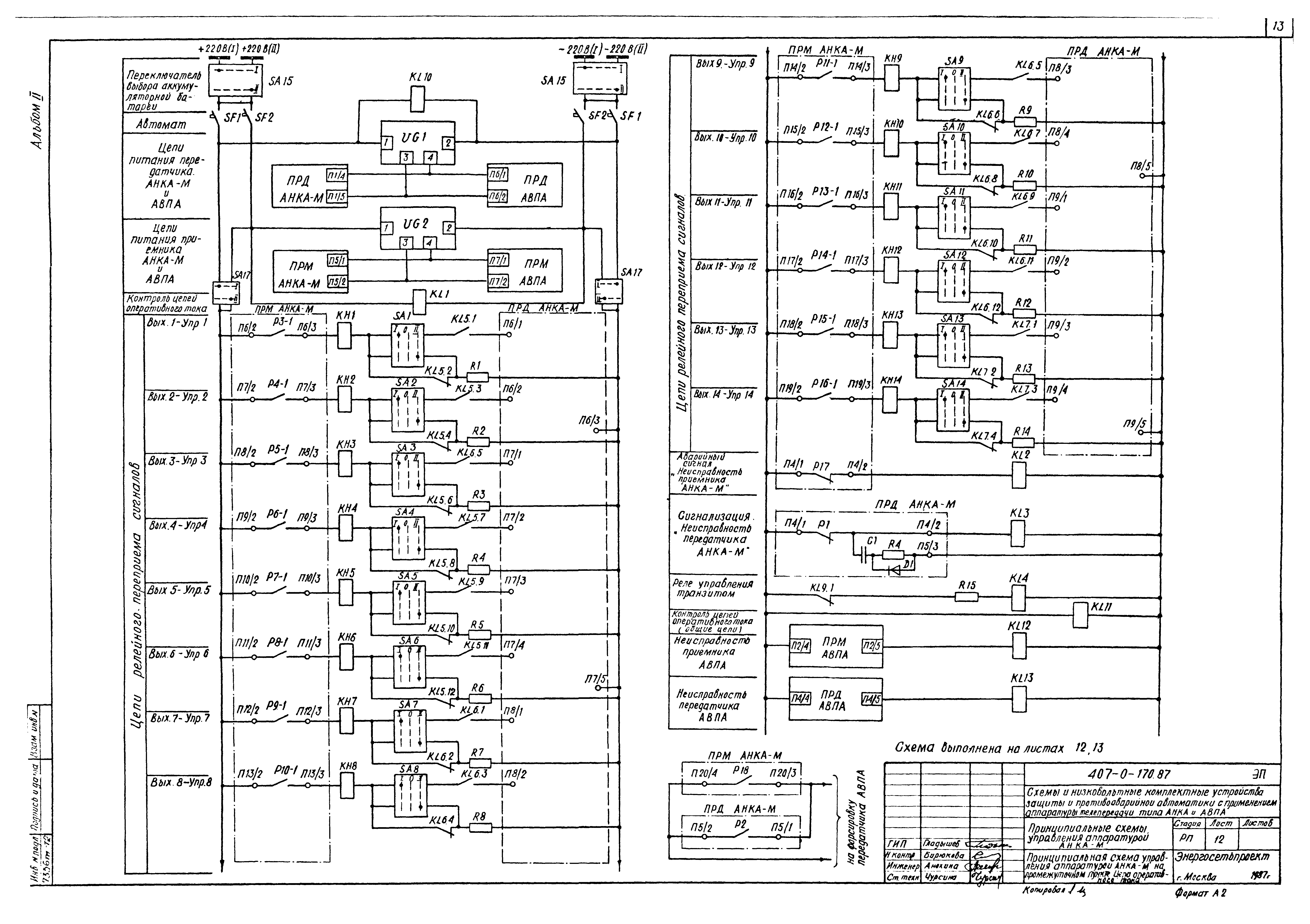
| Оглавление: | Общие данные Структурные схемы телепередачи информации. Варианты I - III Структурные схемы телепередачи информации. Варианты IV, V Структурные схемы телепередачи информации. Варианты VI, VII и VIII Пример распределения тональных частот аппаратуры АНКЛ-М Схемы и таблица управления ключами Кл.1 и Кл2 передатчика АНКА-М Принципиальная схема управления передатчиком АНКА-М на напряжении 220 В. Цепи оперативного тока Принципиальная схема управления передатчиком АНКА-М на напряжении 220 В. Цепи сигнализации Принципиальная схема управления передатчиком АНКА-М на напряжении 32 В Принципиальная схема выходных цепей приемника АНКА. Цепи оперативного тока Принципиальная схема выходных цепей приемника АНКА. Цепи сигнализации Принципиальная схема управления аппаратурой АНКА-М на промежуточном пункте. Цепи оперативного тока Принципиальная схема управления аппаратурой АНКА-М на промежуточном пункте. Цепи сигнализации Принципиальная схема передачи сигнализации о ремонте линии на передающем пункте Принципиальная схема передачи сигналов о ремонте линий на промежуточном пункте Принципиальная схема приема сигналов о ремонте линий на приемном пункте Таблица клемм передатчика АНКА-М Таблица клемм приемника АНКА-М Структурная схема передатчика АНКА-М Структурная схема приемника АНКА-М Схема двухсторонней фиксации ремонта линии на ПС1 и ПС2 |
| Разработан: | Энергосетьпроект Минэнерго СССР |
| Утверждён: | 21.03.1988 Минэнерго СССР (USSR Minenergo 22) |
| Расположен в: |
























