Информационная система
«Ёшкин Кот»

Скачать базу одним архивом
Скачать обновления
История создания базы
Карта сайта

Скачать Типовой проект 409-23-56.87 Альбом 4. Конструкции железобетонные

Дата актуализации: 10.08.2017

Типовой проект 409-23-56.87

Альбом 4. Конструкции железобетонные

Обозначение: Типовой проект 409-23-56.87
Обозначение англ: 409-23-56.87
Статус:не определен законодательством
Название рус.:Альбом 4. Конструкции железобетонные
Дата добавления в базу:01.09.2013
Дата актуализации:05.05.2017
Дата введения:04.12.1985
Оглавление:Общие данные
Схема расположения фундаментов, фундаментных балок
Схема расположения фундаментов, фундаментных балок. Узлы 1, 2
Схема расположения фундаментов, фундаментных балок. Узлы 3 - 5
Фундаменты Фм1, Фм1-1
Фундаменты Фм2, Фм2-1
Фундаменты Фм3, Фм3-1
Фундаменты Фм4, Фм5
Фундаменты Фм6, Фм7
Фундаменты Фм8, Фм9
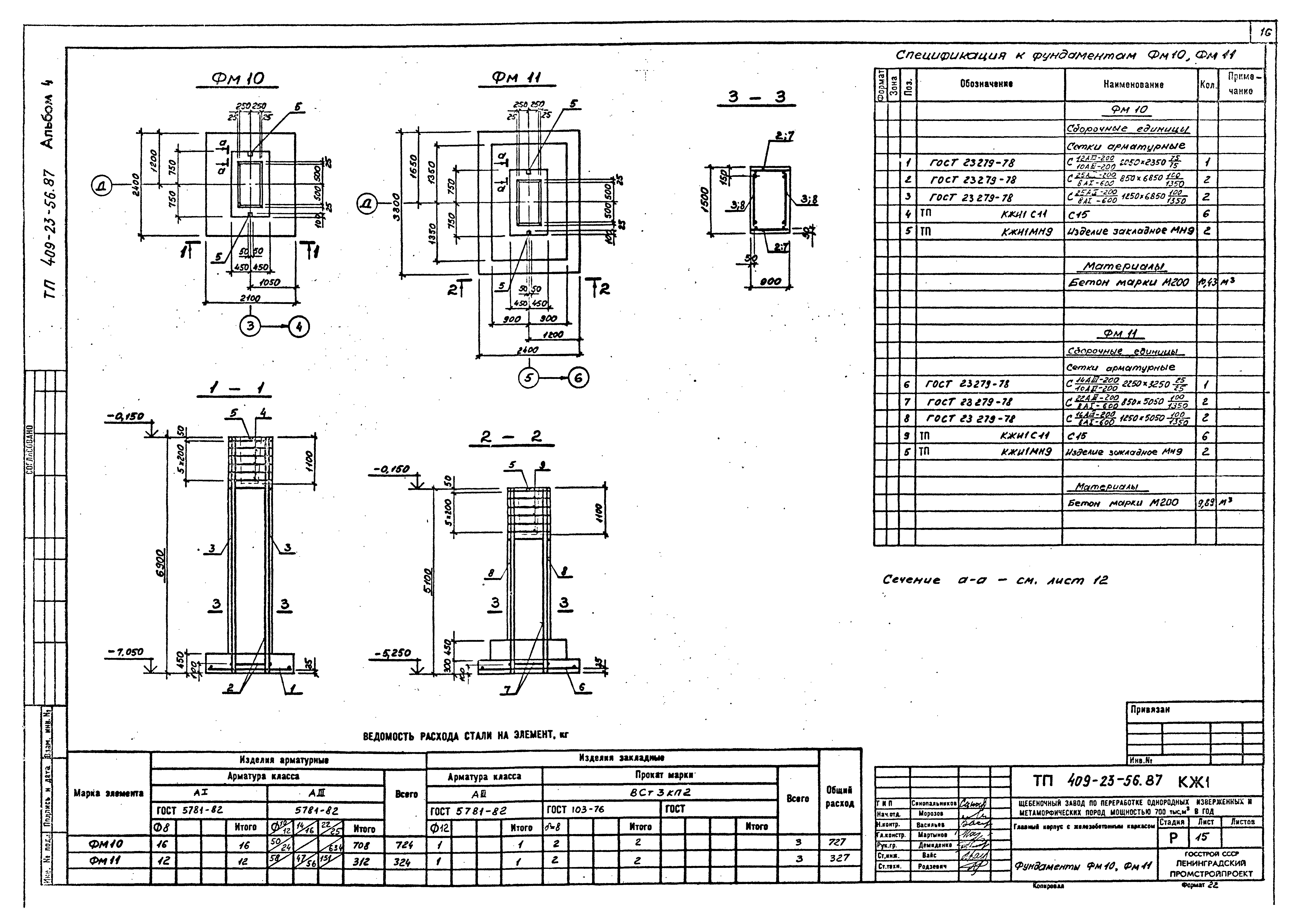
Фундаменты Фм10, Фм11
Фундаменты Фм11-1, Фм11-2
Фундаменты Фм12, Фм13
Фундаменты Фм14, Фм14-1
Фундаменты Фм15, Фм17
Фундаменты Фм16, Фм16-1
Фундаменты Фм18, Фм19, Фм19-1
Фундаменты Фм20, Фм21
Фундаментная рама ФРм1. Фундамент Фм22
Балки фундаментные БФм1 - БФм6
Расчетные схемы к фундаментам
Схема расположения элементов подвала на отм. - 3.600 в осях 1 - 4
Схема расположения элементов подвала на отм. - 3.600 в осях 9 - 12
Плиты фундаментные ПФм1 - ПФм9
Стены подпорные. Участки монолитные Ум1, Ум2
Стены подпорные. Участки монолитные Ум3 - Ум5. СТм1
Схема расположения фундаментов под оборудование, приямков, каналов на отм. - 3.600
Схема расположения закладных элементов под стойки конвейеров на отм. - 3.600
Схема расположения фундаментов под оборудование, приямков, каналов на отм. 0.000
Схема расположения фундаментов под оборудование, приямков, каналов на отм. 0.000. Узлы 1, 2
Схема расположения фундаментов под оборудование, приямков, каналов на отм. 0.000. Узел 3. Схема расположения закладных элементов под конвейер
Схема расположения фундаментов под оборудование, приямков, каналов. Сечения а-а, б-б
Приямок ПЯм1. План на отм. - 6.000
Приямок ПЯм1. План на отм. - 2.800. Разрез 1-1
Приямок ПЯм1. Разрезы 2-2, 3-3
Приямок ПЯм1. Армирование
Приямок ПЯм2. Схема расположения элементов ПЯм2. Разрезы 1-1 - 3-3
Приямок ПЯм2. Разрезы 4-4 - 6-6. Узлы III - X
Приямок ПЯм2. Армирование
Приямок ПЯм3. План на отм. - 5.300
Приямок ПЯм3. План на отм. - 0.100. Схема расположения плит перекрытия на отм. - 1.000
Приямок ПЯм3. Разрезы 1-1, 2-2
Приямок ПЯм3. Разрезы 3-3 - 6-6
Приямок ПЯм3. Разрезы 7-7 - 11-11. Узлы 5 - 8
Приямок ПЯм3. Узел I
Приямок ПЯм3. Армирование
Схема расположения элементов приемного устройства ПРм1
Приямок ПЯм4, подпорные стены СТм2, распорка Рм1
Приямок ПЯм4. Разрезы 1-1, 2-2, 5-5, 6-6, 7-7
Приямок ПЯм4. Армирование
Подпорная стена СТм2, распорка Рм1. Армирование
Балки питателя Бм1, Бм1а, Бм2
Балки питателя Бм1, Бм1а, Бм2. Армирование
Бункер БУм1. Разрезы 1-1 - 4-4, 12-12
Бункер БУм1. Разрезы 5-5 - 7-7. Виды по А, А`, В
Бункер БУм1. Футеровка
Бункер БУм1. Армирование
Приямок ПЯм5
Приямок ПЯм5. Армирование
Приямок ПЯм6
Приямок ПЯм6. Армирование
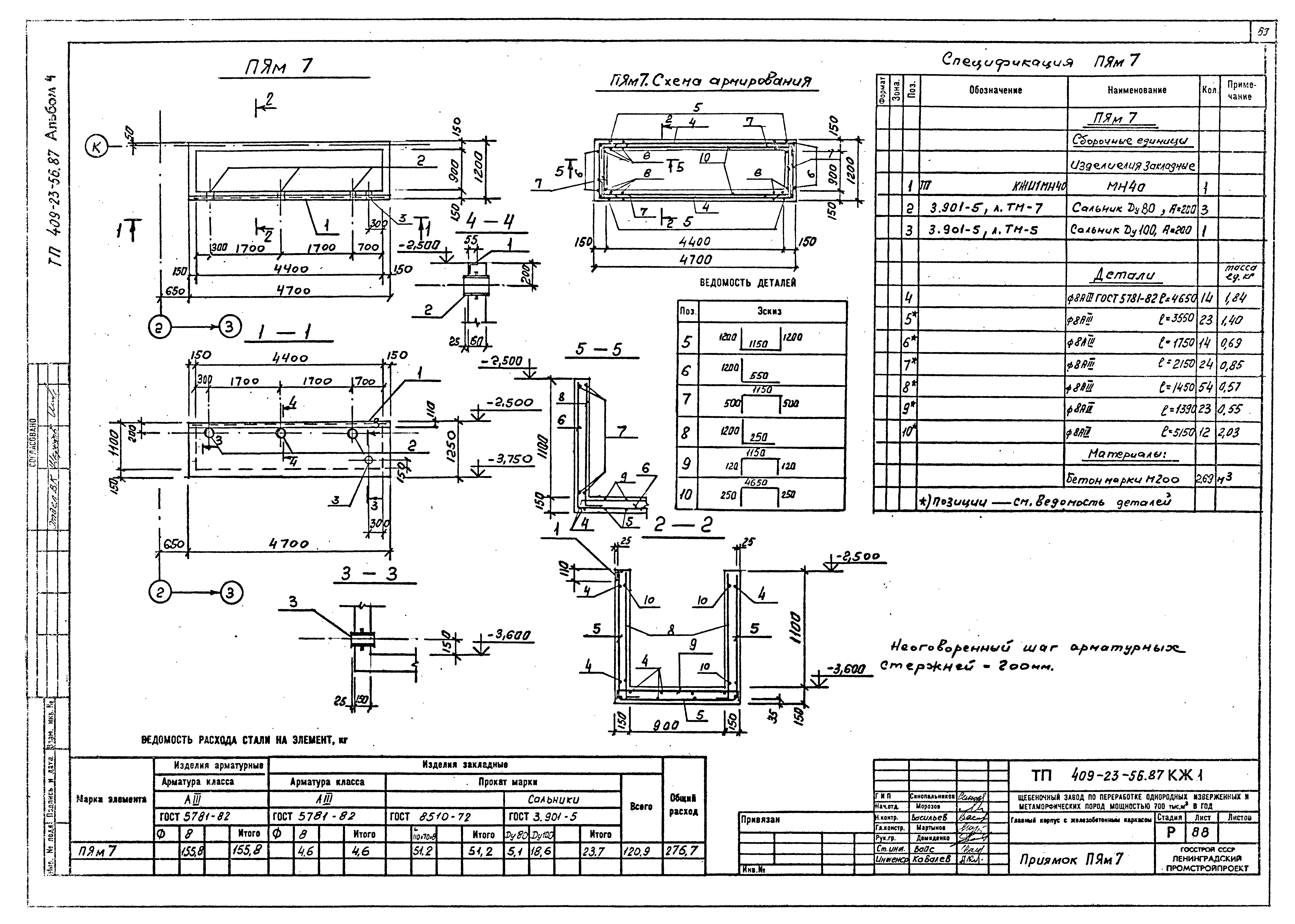
Приямок ПЯм7
Приямок ПЯм8. Фундамент под оборудование ФОм40
Тоннель Тм1
Тоннель Тм1. Участок монолитный Ум1. Армирование
Тоннель Тм2
Тоннель Тм2. Армирование
Разработан: Союзгипронеруд
Утверждён:19.07.1982 Минстройматериалов СССР (USSR Minstroymaterialov 28-154/81)
Расположен в:Техническая документация Строительство Справочные документы Типовые строительные конструкции, изделия и узлы Общероссийский строительный каталог Промышленные предприятия, здания и сооружения Предприятия, здания и сооружения промышленности и электроэнергетики Строительная индустрия и промышленность строительных материалов Производство строительных материалов и изделий Производство тяжелых заполнителей
Типовой проект 409-23-56.87Типовой проект 409-23-56.87Типовой проект 409-23-56.87Типовой проект 409-23-56.87Типовой проект 409-23-56.87Типовой проект 409-23-56.87Типовой проект 409-23-56.87Типовой проект 409-23-56.87Типовой проект 409-23-56.87Типовой проект 409-23-56.87Типовой проект 409-23-56.87Типовой проект 409-23-56.87Типовой проект 409-23-56.87Типовой проект 409-23-56.87Типовой проект 409-23-56.87Типовой проект 409-23-56.87Типовой проект 409-23-56.87Типовой проект 409-23-56.87Типовой проект 409-23-56.87Типовой проект 409-23-56.87Типовой проект 409-23-56.87Типовой проект 409-23-56.87Типовой проект 409-23-56.87Типовой проект 409-23-56.87Типовой проект 409-23-56.87Типовой проект 409-23-56.87Типовой проект 409-23-56.87Типовой проект 409-23-56.87Типовой проект 409-23-56.87Типовой проект 409-23-56.87Типовой проект 409-23-56.87Типовой проект 409-23-56.87Типовой проект 409-23-56.87Типовой проект 409-23-56.87Типовой проект 409-23-56.87Типовой проект 409-23-56.87Типовой проект 409-23-56.87Типовой проект 409-23-56.87Типовой проект 409-23-56.87Типовой проект 409-23-56.87Типовой проект 409-23-56.87Типовой проект 409-23-56.87Типовой проект 409-23-56.87Типовой проект 409-23-56.87Типовой проект 409-23-56.87Типовой проект 409-23-56.87Типовой проект 409-23-56.87Типовой проект 409-23-56.87Типовой проект 409-23-56.87Типовой проект 409-23-56.87Типовой проект 409-23-56.87Типовой проект 409-23-56.87Типовой проект 409-23-56.87Типовой проект 409-23-56.87Типовой проект 409-23-56.87Типовой проект 409-23-56.87Типовой проект 409-23-56.87Типовой проект 409-23-56.87Типовой проект 409-23-56.87Типовой проект 409-23-56.87Типовой проект 409-23-56.87Типовой проект 409-23-56.87Типовой проект 409-23-56.87Типовой проект 409-23-56.87Типовой проект 409-23-56.87Типовой проект 409-23-56.87Типовой проект 409-23-56.87Типовой проект 409-23-56.87Типовой проект 409-23-56.87Типовой проект 409-23-56.87Типовой проект 409-23-56.87Типовой проект 409-23-56.87Типовой проект 409-23-56.87Типовой проект 409-23-56.87Типовой проект 409-23-56.87Типовой проект 409-23-56.87Типовой проект 409-23-56.87Типовой проект 409-23-56.87Типовой проект 409-23-56.87Типовой проект 409-23-56.87Типовой проект 409-23-56.87Типовой проект 409-23-56.87Типовой проект 409-23-56.87Типовой проект 409-23-56.87Типовой проект 409-23-56.87Типовой проект 409-23-56.87Типовой проект 409-23-56.87Типовой проект 409-23-56.87Типовой проект 409-23-56.87Типовой проект 409-23-56.87Типовой проект 409-23-56.87Типовой проект 409-23-56.87Типовой проект 409-23-56.87Типовой проект 409-23-56.87

© 2013 Ёшкин Кот :-) Карта сайта