Информационная система
«Ёшкин Кот»

Скачать базу одним архивом
Скачать обновления
История создания базы
Карта сайта

Скачать Типовой проект 144-16-135.90 Альбом I. Архитектурно-строительные решения. Отопление и вентиляция. Водопровод и канализация. Электрооборудование. Связь и сигнализация. Газоснабжение

Дата актуализации: 10.08.2017

Типовой проект 144-16-135.90

Альбом I. Архитектурно-строительные решения. Отопление и вентиляция. Водопровод и канализация. Электрооборудование. Связь и сигнализация. Газоснабжение

Обозначение: Типовой проект 144-16-135.90
Обозначение англ: 144-16-135.90
Статус:не определен законодательством
Название рус.:Альбом I. Архитектурно-строительные решения. Отопление и вентиляция. Водопровод и канализация. Электрооборудование. Связь и сигнализация. Газоснабжение
Дата добавления в базу:01.09.2013
Дата актуализации:05.05.2017
Дата введения:14.09.1990
Оглавление:Содержание альбома
Архитектурно-строительные чертежи
   Общие данные
   Фасады А - Б; 1 - 3; Б - А; 3 - 1
   Кладочный план. План подвала (вариант)
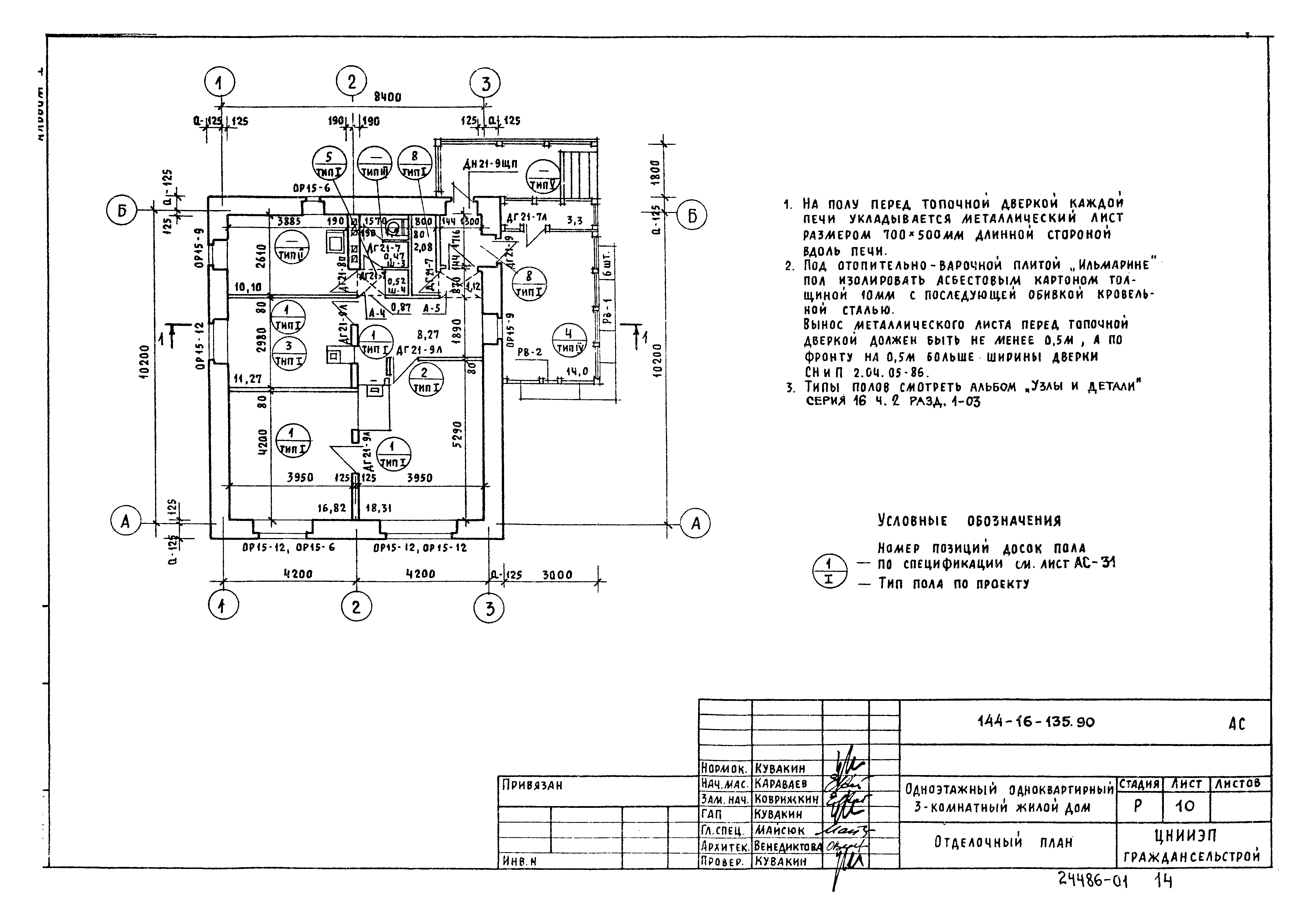
   Отделочный план
   Кладочный план (вариант с полным инженерным оборудованием)
   Отделочный план (вариант с полным инженерным оборудованием)
   Спецификация столярных изделий
   Разрез 1-1
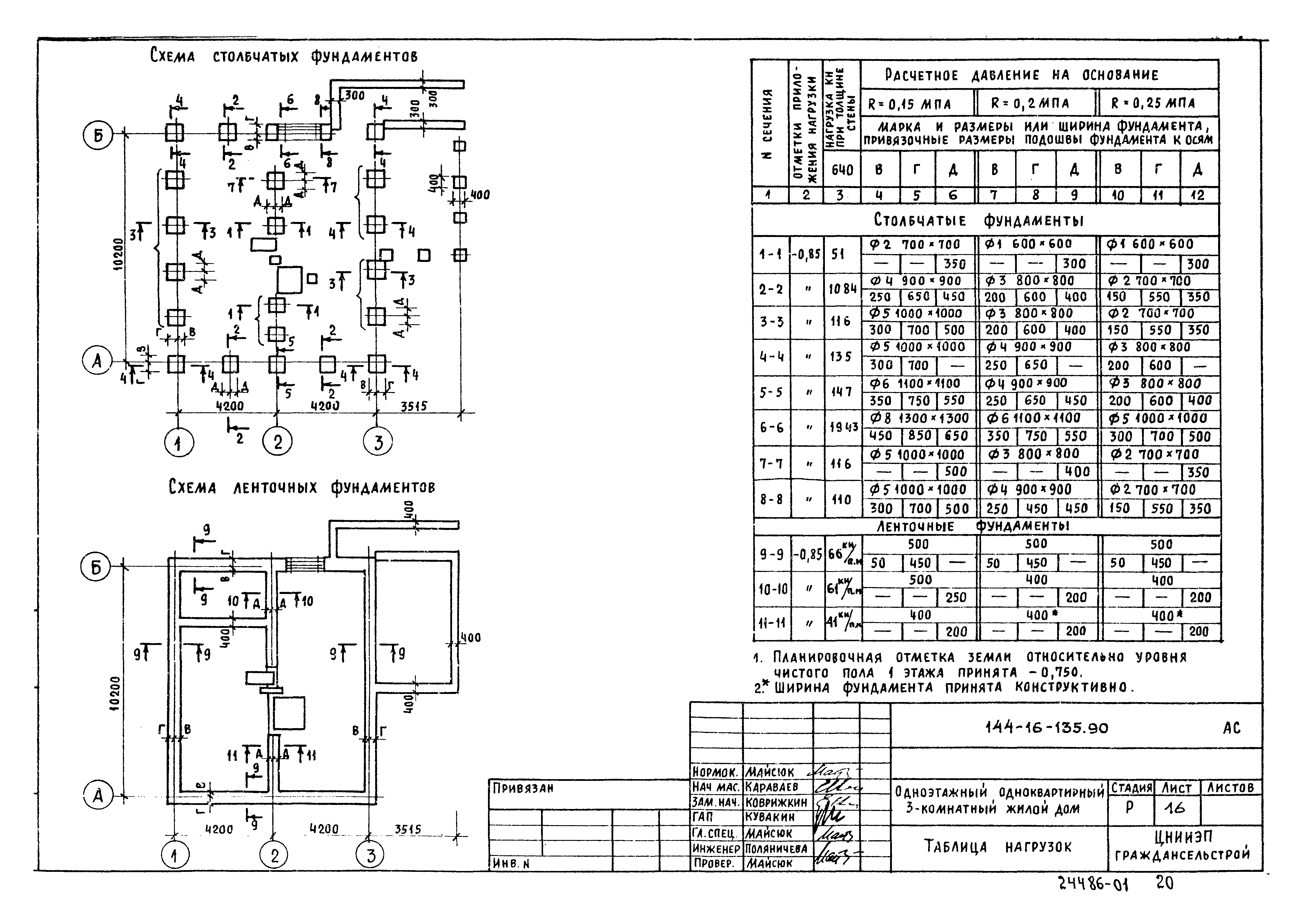
   Таблица нагрузок
   План столбчатых фундаментов
   План столбчатых фундаментов (вариант)
   План ленточных фундаментов
   Развертки ленточных фундаментов
   План цокольного перекрытия
   План чердачного перекрытия
   План цокольного перекрытия (вариант с полным инженерным оборудованием)
   План чердачного перекрытия (вариант с полным инженерным оборудованием)
   План стропил. План кровли
   План стропил (для снеговой нагрузки q = 1,57 кПа)
   Разрезы 1-1, 2-2. Спецификация
   План перемычек. Ведомость перемычек
   Ведомость перемычек
   Дымовентиляционная труба ДВТ№1
   Экспликация полов и спецификации
   Веранда. План. Разрез 1-1
   Веранда. Разрезы 2-2 - 4-4
   Веранда. Спецификация
   Люфт-клозет
   Шкафы встроенные и антресоли Ш-1, Ш-2, А-1, А-2. Спецификации
   Фасады А - Б, 1 - 3, Б - А, 3 - 1 (вариант 1)
   Декоративные элементы НО-1, НО-2, НО-3, НО-4, НО-5, ОВ-1, ОК-1, ОВ-2, ОК-2. Фрагмент №1 (вариант 1)
   Фрагмент №1, фрагмент №2 (вариант 1)
   Фасады А - Б, 1 - 3, Б - А, 3 - 1. Фрагмент №1 (вариант 2)
   Декоративные элементы НО-1, НО-2, НО-3, НО-4, НО-5, ОВ-1, ОК-1, ОВ-2, ОК-2 (вариант 2)
   Фасады А - Б, 1 - 3, Б - А, 3 - 1 (вариант 3)
   Фрагмент №1, фрагмент №2 (вариант 3)
   Вариант решения интерьера общей комнаты
   Фрагмент плана с расстановкой кухонного оборудования. Развертка стены
Отопление и вентиляция
   Общие данные
   План этажа. План подвала. Схема системы отопления
   План этажа. План подвала. Схема системы отопления (вариант с насосом ЦВЦ)
Водопровод и канализация
   Общие данные
   План 1 этажа. План подвала (вариант)
   Схемы систем В1, Т3, К1
Электрооборудование
   Общие данные
   План расположения осветительных сетей
Связь и сигнализация
   Общие данные
   Схема расположения устройств связи
   План этажа. План кровли
Газоснабжение
   Общие данные. Фрагмент плана этажа. Схема газопровода
Разработан: ЦНИИЭП граждансельстрой
Утверждён:27.08.1980 Госкомархитектура (323)
Издан: ЦИТП Госстроя СССР (CITP, Gosstroy (USSR) 1990 г. )
Расположен в:Техническая документация Строительство Справочные документы Типовые строительные конструкции, изделия и узлы Общероссийский строительный каталог Жилые здания для строительства в сельской местности Жилые дома со стенами из местных материалов Серия 16
Типовой проект 144-16-135.90Типовой проект 144-16-135.90Типовой проект 144-16-135.90Типовой проект 144-16-135.90Типовой проект 144-16-135.90Типовой проект 144-16-135.90Типовой проект 144-16-135.90Типовой проект 144-16-135.90Типовой проект 144-16-135.90Типовой проект 144-16-135.90Типовой проект 144-16-135.90Типовой проект 144-16-135.90Типовой проект 144-16-135.90Типовой проект 144-16-135.90Типовой проект 144-16-135.90Типовой проект 144-16-135.90Типовой проект 144-16-135.90Типовой проект 144-16-135.90Типовой проект 144-16-135.90Типовой проект 144-16-135.90Типовой проект 144-16-135.90Типовой проект 144-16-135.90Типовой проект 144-16-135.90Типовой проект 144-16-135.90Типовой проект 144-16-135.90Типовой проект 144-16-135.90Типовой проект 144-16-135.90Типовой проект 144-16-135.90Типовой проект 144-16-135.90Типовой проект 144-16-135.90Типовой проект 144-16-135.90Типовой проект 144-16-135.90Типовой проект 144-16-135.90Типовой проект 144-16-135.90Типовой проект 144-16-135.90Типовой проект 144-16-135.90Типовой проект 144-16-135.90Типовой проект 144-16-135.90Типовой проект 144-16-135.90Типовой проект 144-16-135.90Типовой проект 144-16-135.90Типовой проект 144-16-135.90Типовой проект 144-16-135.90Типовой проект 144-16-135.90Типовой проект 144-16-135.90Типовой проект 144-16-135.90Типовой проект 144-16-135.90Типовой проект 144-16-135.90Типовой проект 144-16-135.90Типовой проект 144-16-135.90Типовой проект 144-16-135.90Типовой проект 144-16-135.90Типовой проект 144-16-135.90Типовой проект 144-16-135.90Типовой проект 144-16-135.90Типовой проект 144-16-135.90Типовой проект 144-16-135.90Типовой проект 144-16-135.90Типовой проект 144-16-135.90Типовой проект 144-16-135.90Типовой проект 144-16-135.90Типовой проект 144-16-135.90Типовой проект 144-16-135.90Типовой проект 144-16-135.90

© 2013 Ёшкин Кот :-) Карта сайта