Информационная система
«Ёшкин Кот»

Скачать базу одним архивом
Скачать обновления
История создания базы
Карта сайта

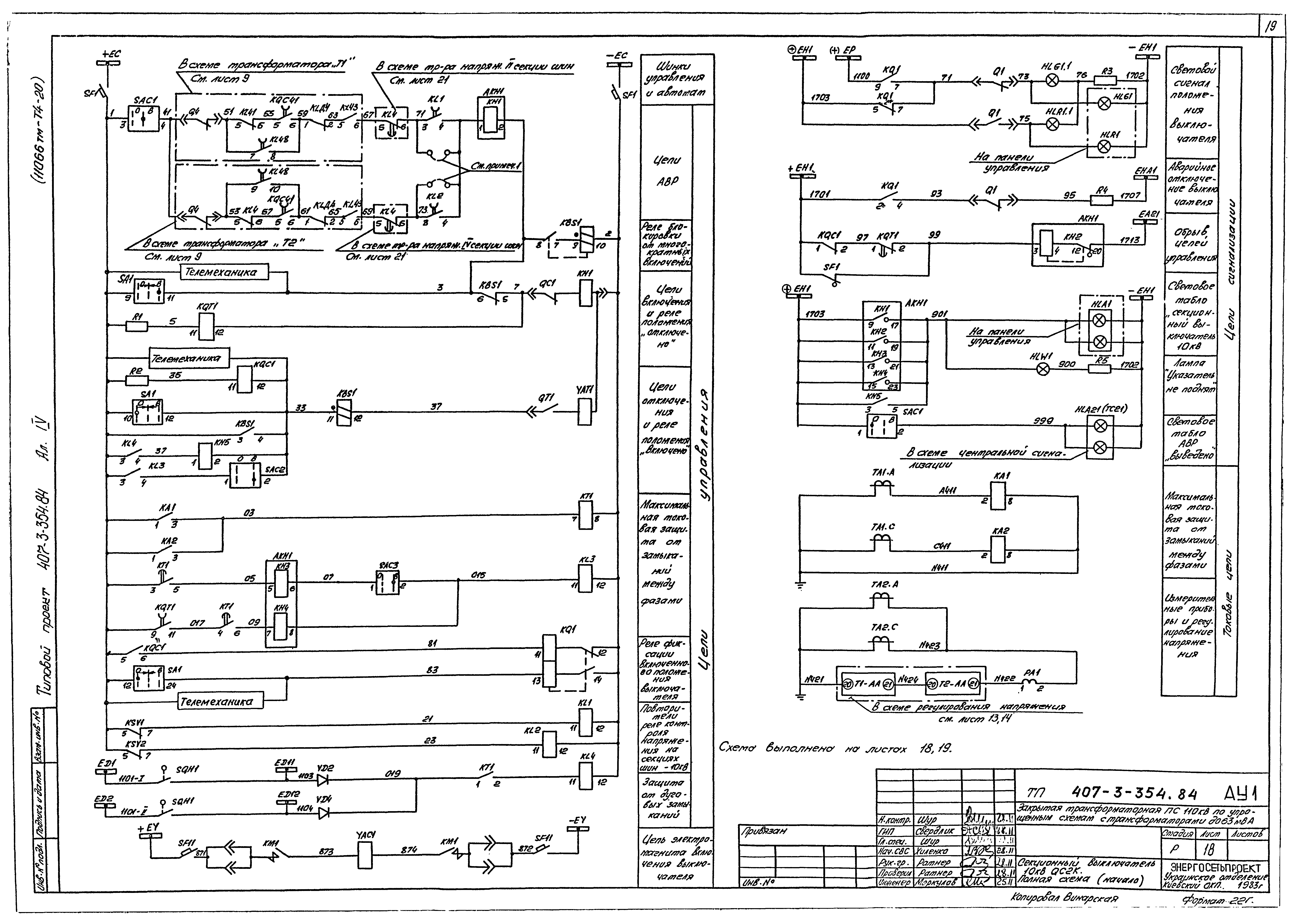
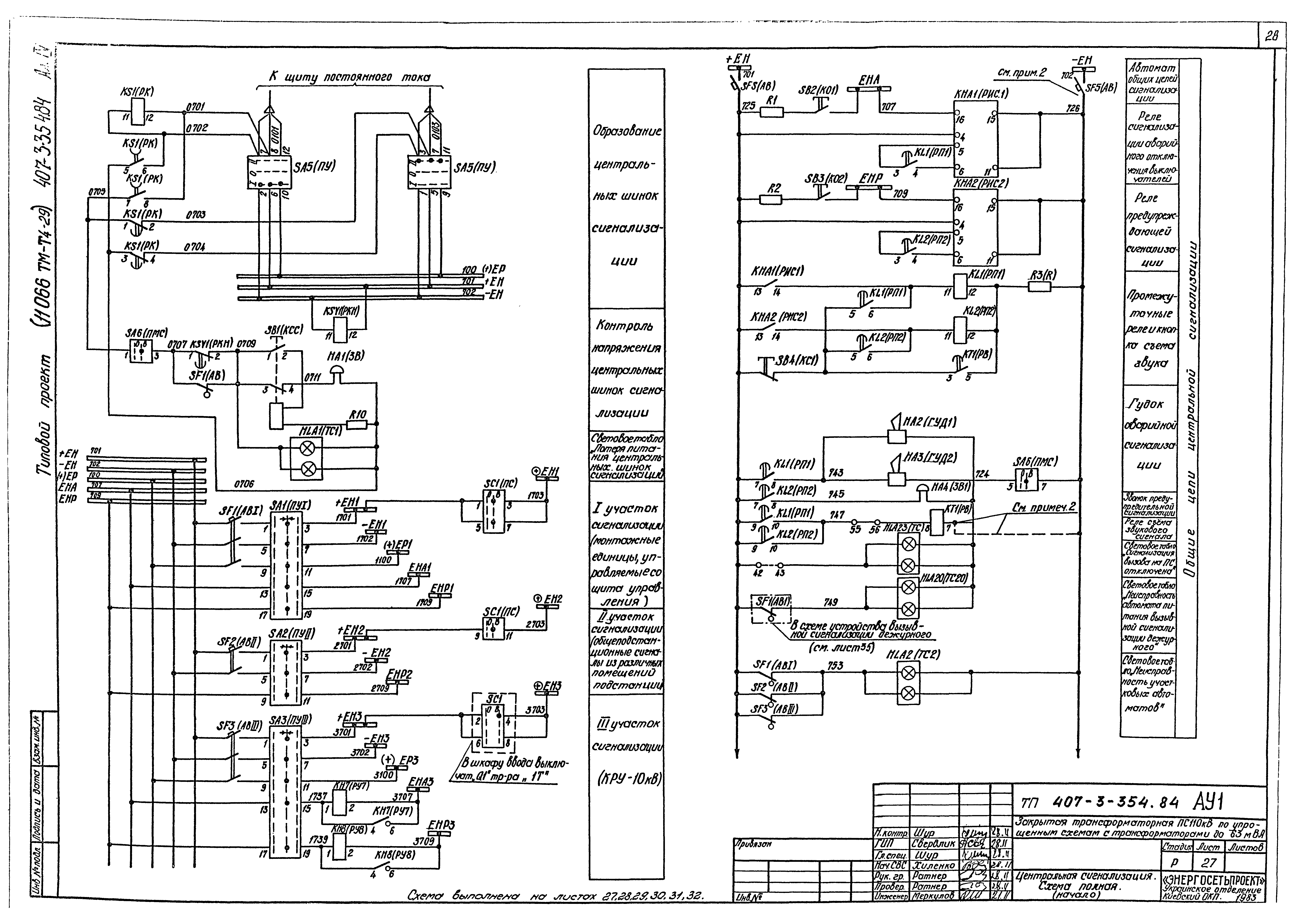
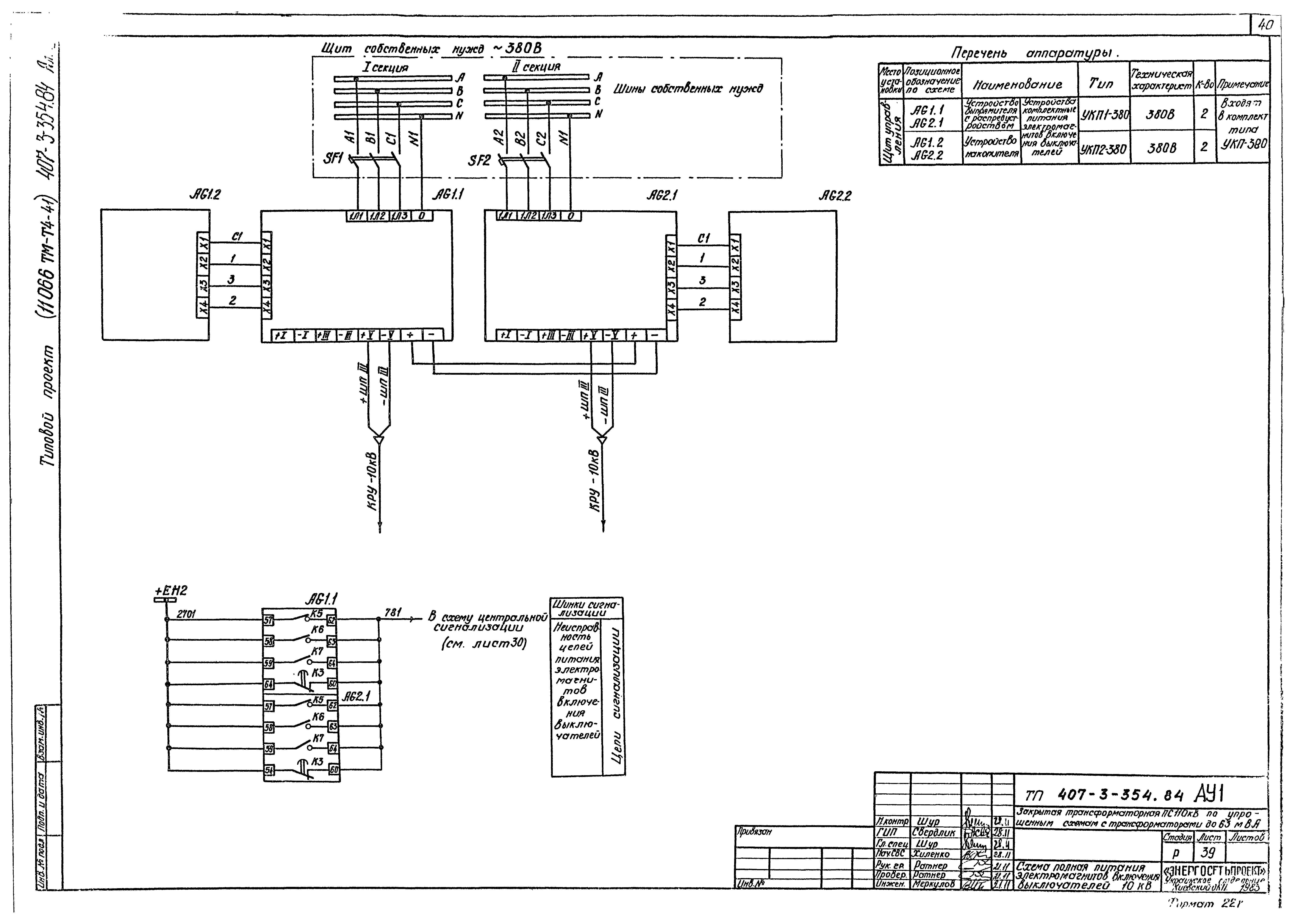
Скачать Типовой проект 407-3-354.84 Альбом IV. Управление и автоматизация

Дата актуализации: 10.08.2017

Типовой проект 407-3-354.84

Альбом IV. Управление и автоматизация

Обозначение: Типовой проект 407-3-354.84
Обозначение англ: 407-3-354.84
Статус:не действует
Название рус.:Альбом IV. Управление и автоматизация
Дата добавления в базу:05.05.2017
Дата актуализации:05.05.2017
Дата введения:01.01.1988
Разработан: Украинское отделение института Энергосетьпроект Киевский отдел комплексного проектирования
Утверждён:07.02.1984 Минэнерго СССР (USSR Minenergo 8)
Расположен в:Техническая документация Строительство Справочные документы Типовые строительные конструкции, изделия и узлы Общероссийский строительный каталог Промышленные предприятия, здания и сооружения Предприятия, здания и сооружения промышленности и электроэнергетики Электроэнергетика Устройства и подстанции распределительные
Заменяет собой:
  • Типовой проект 407-3-245
Типовой проект 407-3-354.84Типовой проект 407-3-354.84Типовой проект 407-3-354.84Типовой проект 407-3-354.84Типовой проект 407-3-354.84Типовой проект 407-3-354.84Типовой проект 407-3-354.84Типовой проект 407-3-354.84Типовой проект 407-3-354.84Типовой проект 407-3-354.84Типовой проект 407-3-354.84Типовой проект 407-3-354.84Типовой проект 407-3-354.84Типовой проект 407-3-354.84Типовой проект 407-3-354.84Типовой проект 407-3-354.84Типовой проект 407-3-354.84Типовой проект 407-3-354.84Типовой проект 407-3-354.84Типовой проект 407-3-354.84Типовой проект 407-3-354.84Типовой проект 407-3-354.84Типовой проект 407-3-354.84Типовой проект 407-3-354.84Типовой проект 407-3-354.84Типовой проект 407-3-354.84Типовой проект 407-3-354.84Типовой проект 407-3-354.84Типовой проект 407-3-354.84Типовой проект 407-3-354.84Типовой проект 407-3-354.84Типовой проект 407-3-354.84Типовой проект 407-3-354.84Типовой проект 407-3-354.84Типовой проект 407-3-354.84Типовой проект 407-3-354.84Типовой проект 407-3-354.84Типовой проект 407-3-354.84Типовой проект 407-3-354.84Типовой проект 407-3-354.84Типовой проект 407-3-354.84Типовой проект 407-3-354.84Типовой проект 407-3-354.84Типовой проект 407-3-354.84Типовой проект 407-3-354.84Типовой проект 407-3-354.84Типовой проект 407-3-354.84Типовой проект 407-3-354.84Типовой проект 407-3-354.84Типовой проект 407-3-354.84Типовой проект 407-3-354.84Типовой проект 407-3-354.84Типовой проект 407-3-354.84Типовой проект 407-3-354.84Типовой проект 407-3-354.84Типовой проект 407-3-354.84Типовой проект 407-3-354.84Типовой проект 407-3-354.84Типовой проект 407-3-354.84Типовой проект 407-3-354.84Типовой проект 407-3-354.84Типовой проект 407-3-354.84Типовой проект 407-3-354.84Типовой проект 407-3-354.84Типовой проект 407-3-354.84Типовой проект 407-3-354.84Типовой проект 407-3-354.84Типовой проект 407-3-354.84Типовой проект 407-3-354.84Типовой проект 407-3-354.84Типовой проект 407-3-354.84Типовой проект 407-3-354.84Типовой проект 407-3-354.84Типовой проект 407-3-354.84Типовой проект 407-3-354.84Типовой проект 407-3-354.84Типовой проект 407-3-354.84Типовой проект 407-3-354.84Типовой проект 407-3-354.84Типовой проект 407-3-354.84Типовой проект 407-3-354.84Типовой проект 407-3-354.84Типовой проект 407-3-354.84Типовой проект 407-3-354.84Типовой проект 407-3-354.84Типовой проект 407-3-354.84

© 2013 Ёшкин Кот :-) Карта сайта