Информационная система
«Ёшкин Кот»

Скачать базу одним архивом
Скачать обновления
История создания базы
Карта сайта

Скачать Типовой проект 407-3-596.90 Альбом 9. Автоматика пожаротушения

Дата актуализации: 10.08.2017

Типовой проект 407-3-596.90

Альбом 9. Автоматика пожаротушения

Обозначение: Типовой проект 407-3-596.90
Обозначение англ: 407-3-596.90
Статус:не определен законодательством
Название рус.:Альбом 9. Автоматика пожаротушения
Дата добавления в базу:01.09.2013
Дата актуализации:05.05.2017
Дата введения:01.02.1991
Оглавление:Общие данные. Управление и автоматизация
Пожаротушение и сигнализация. Схема полная
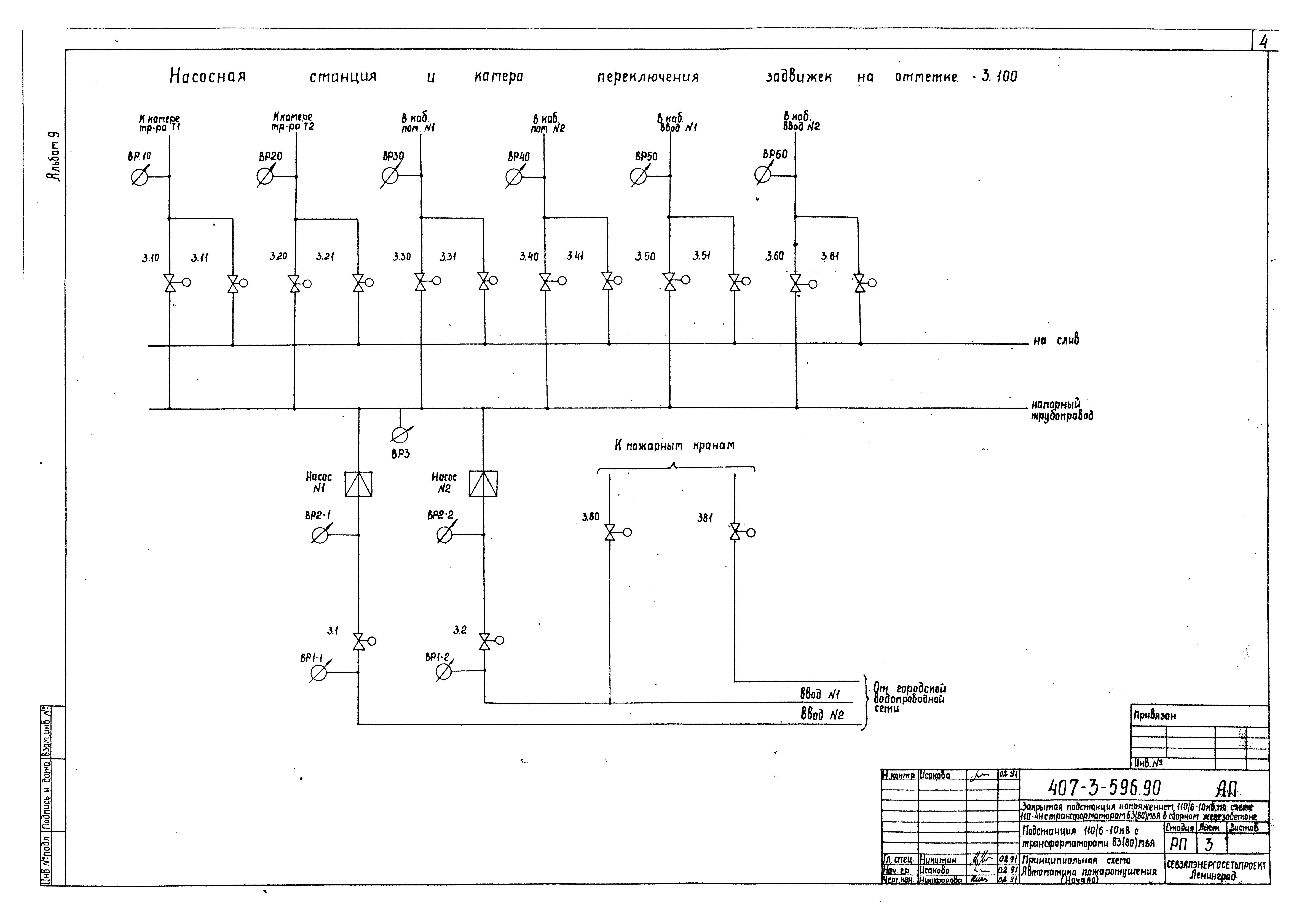
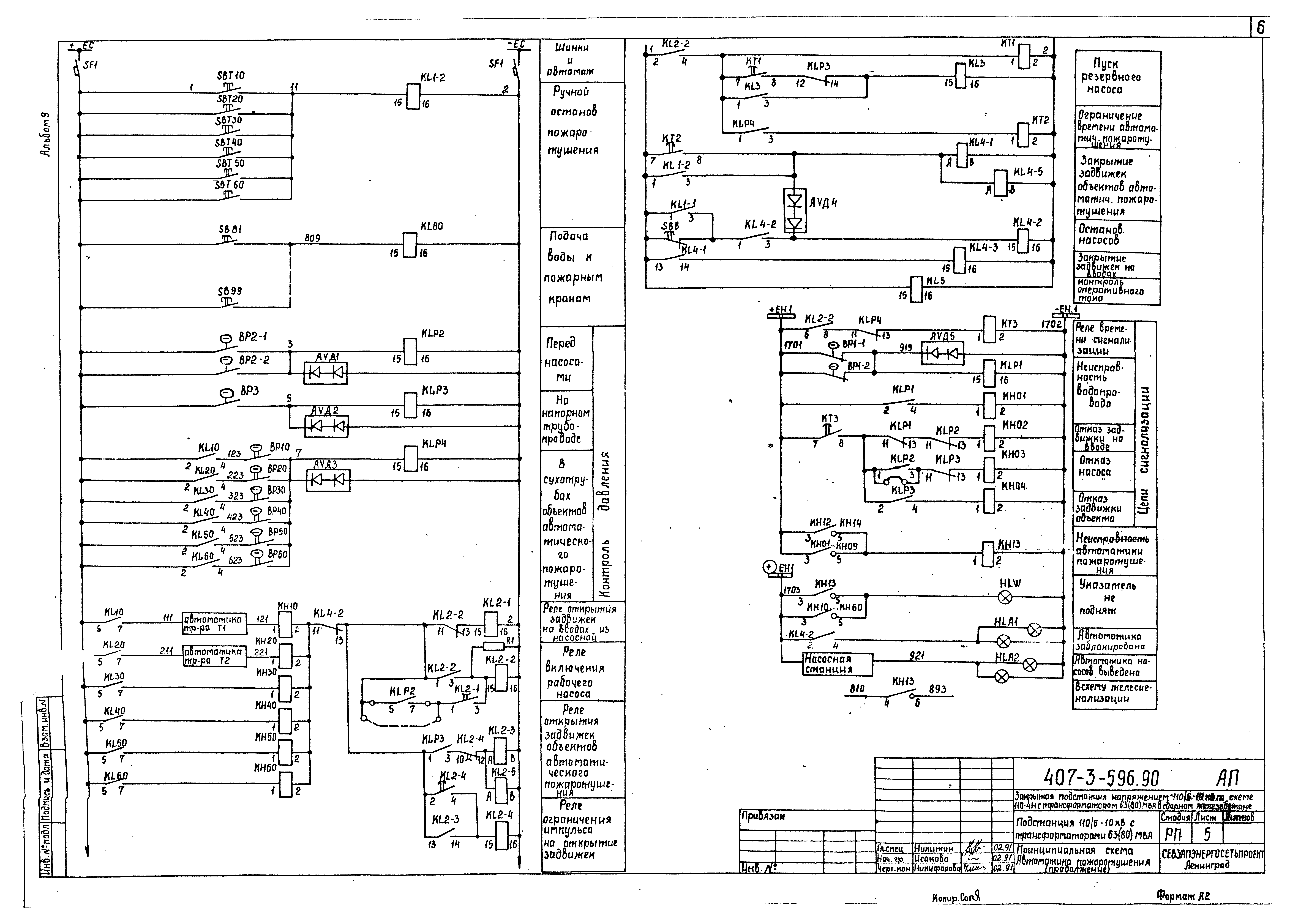
Принципиальная схема. Автоматика пожаротушения
Принципиальная схема. Сборка РТ30. Шкаф ввода питания
Принципиальная схема. Управление задвижкой на вводе насосной
Принципиальная схема. Управление задвижкой на сухотрубопроводе
Принципиальная схема. Управление задвижкой на сливном трубопроводе
Принципиальная схема. Управление задвижкой у пожарных кранов
Принципиальная схема. Управление задвижкой кабельного помещения
Схема подключений. Шкаф управления задвижками. Шкаф №1 и №2
Схема подключений. Шкаф управления задвижками. Шкаф №2
Схема подключений. Шкаф управления задвижками. Шкаф №3
Схема подключений. Шкаф управления заслонками. Шкаф №3
Схема подключений кабелей к задвижкам
Схема подключений. Шкаф манометров
Схема подключений. Панель У5. Автоматика пожаротушения. Левая боковина
Схема подключений. Панель У5. Автоматика пожаротушения. Правая боковина
Пожаротушение и сигнализация. Схема монтажная
Схема соединений. Устройство ППС
Схема соединений кнопки у пожарных кранов
Схемы соединений. Автоматика пожаротушения
Журнал контрольных кабелей
Схема силовой распределительной сети насосной и камеры переключения задвижек
План-схема раскладки контрольных кабелей
Разработан: Севзапэнергосетьпроект
Утверждён:01.02.1991 Минэнерго СССР (USSR Minenergo 1)
Издан: Севзапэнергосетьпроект (1991 г. )
Расположен в:Техническая документация Строительство Справочные документы Типовые строительные конструкции, изделия и узлы Общероссийский строительный каталог Промышленные предприятия, здания и сооружения Предприятия, здания и сооружения промышленности и электроэнергетики Электроэнергетика Устройства и подстанции распределительные
Типовой проект 407-3-596.90Типовой проект 407-3-596.90Типовой проект 407-3-596.90Типовой проект 407-3-596.90Типовой проект 407-3-596.90Типовой проект 407-3-596.90Типовой проект 407-3-596.90Типовой проект 407-3-596.90Типовой проект 407-3-596.90Типовой проект 407-3-596.90Типовой проект 407-3-596.90Типовой проект 407-3-596.90Типовой проект 407-3-596.90Типовой проект 407-3-596.90Типовой проект 407-3-596.90Типовой проект 407-3-596.90Типовой проект 407-3-596.90Типовой проект 407-3-596.90Типовой проект 407-3-596.90Типовой проект 407-3-596.90Типовой проект 407-3-596.90Типовой проект 407-3-596.90Типовой проект 407-3-596.90Типовой проект 407-3-596.90Типовой проект 407-3-596.90Типовой проект 407-3-596.90Типовой проект 407-3-596.90Типовой проект 407-3-596.90Типовой проект 407-3-596.90Типовой проект 407-3-596.90Типовой проект 407-3-596.90Типовой проект 407-3-596.90Типовой проект 407-3-596.90Типовой проект 407-3-596.90Типовой проект 407-3-596.90

© 2013 Ёшкин Кот :-) Карта сайта