Информационная система
«Ёшкин Кот»

Скачать базу одним архивом
Скачать обновления
История создания базы
Карта сайта

Скачать Типовой проект 407-3-596.90 Альбом 4. Часть 1. Управление и автоматизация

Дата актуализации: 10.08.2017

Типовой проект 407-3-596.90

Альбом 4. Часть 1. Управление и автоматизация

Обозначение: Типовой проект 407-3-596.90
Обозначение англ: 407-3-596.90
Статус:не определен законодательством
Название рус.:Альбом 4. Часть 1. Управление и автоматизация
Дата добавления в базу:01.09.2013
Дата актуализации:05.05.2017
Дата введения:01.02.1991
Оглавление:Подстанция 110/10 кВ с трансформаторами 63, 80 МВА с реакторами
   Общие данные
   Схема расположения НКУ
   Электрическая схема соединений сигнально-оперативных шинок
   Чертеж общего вида щита с мнемонической схемой
   Общий вид НКУ
   Полная схема. Питание оперативных цепей
   Полная схема. Распределение оперативного переменного тока
   Полная схема. Заряд конденсаторов трансформатора Т1 (Т2)
   Полная схема. Контроль изоляции цепей выпрямленного тока и устройство мигающего света
   Полная схема. Схема питания электромагнитов включения
   Полная схема. Организация питания цепей оперативной блокировки разъединителей
   Полная схема. Оперативная блокировка разъединителей. Поясняющая схема
   Полная схема. Оперативная блокировка разъединителей. Оперативные цепи
   Полная схема. Центральная сигнализация
   Полная схема. Трансформатор Т1 (Т2). Токовые цепи
   Полная схема. Защита от внутренних повреждений Т1 (Т2)
   Полная схема. Трансформатор Т1 (Т2). Резервные защиты
   Полная схема. Трансформатор Т1 (Т2). Защита минимального напряжения секции шин 10 кВ К1 (2, 3, 4, 5, 6, 7, 8)
   Полная схема. Регулирование напряжения трансформатора Т1 (Т2)
   Полная схема. Трансформатор Т1 (Т2). Охлаждение
   Полная схема. Трансформатор Т1 (Т2). Измерительные приборы
   Полная схема. Трансформатор Т1 (Т2). Выключатель 110 кВ Q2. Управление
   Полная схема. Трансформатор напряжения 110 кВ TV1G (TV2G)
   Полная схема. Трансформатор Т1 (Т2). Выключатель 110 кВ Q1,1. Управление
   Полная схема. Трансформатор Т1 (Т2). Выключатель 110 кВ Q1,2. Управление
   Полная схема. Трансформатор Т1 (Т2). Выключатель 110 кВ Q4,1. Управление
   Полная схема. Трансформатор Т1 (Т2). Выключатель 110 кВ Q4,2. Управление
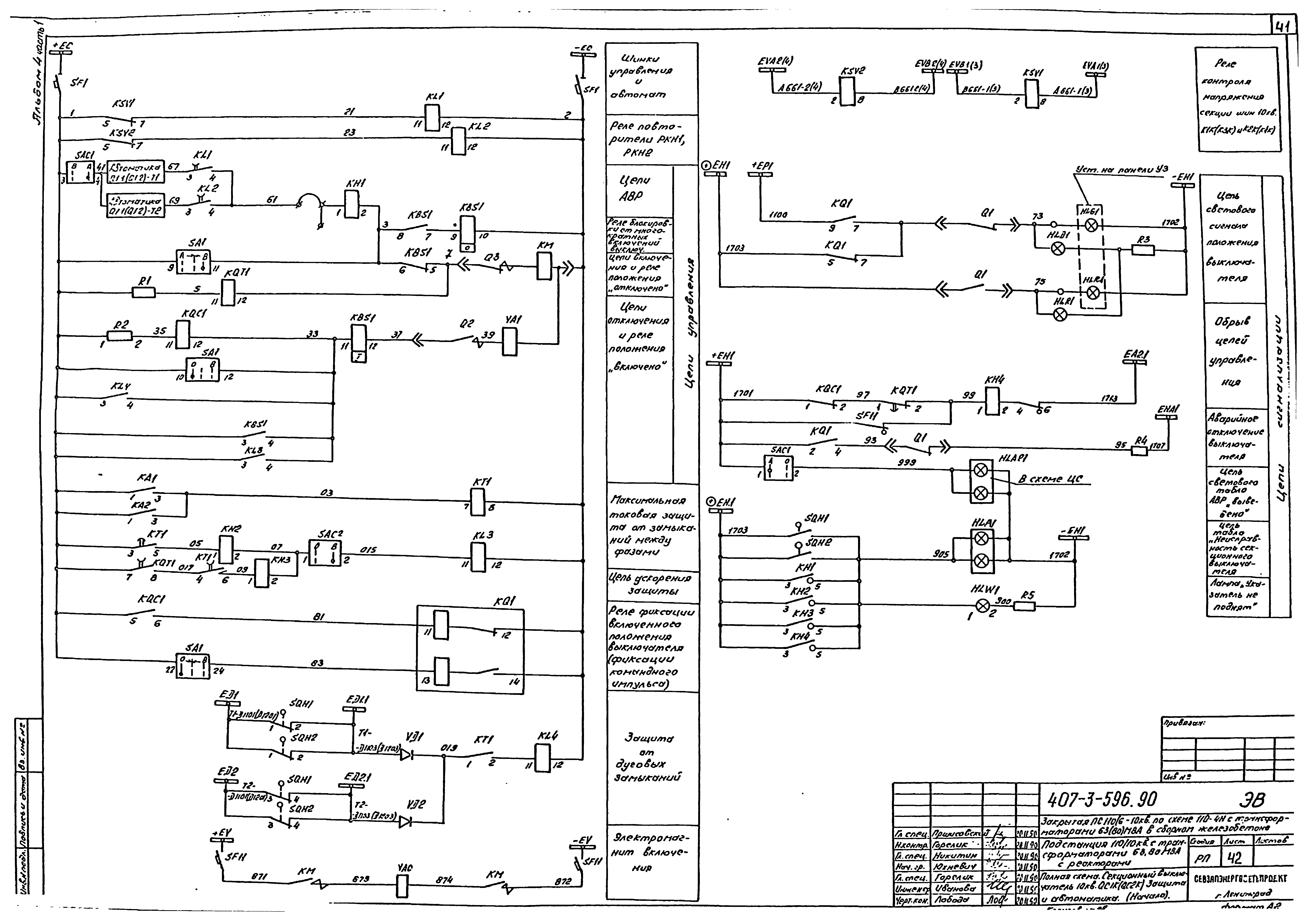
   Полная схема. Секционный выключатель 10 кВ QC1K (QC2K). Защита и автоматика
   Полная схема. Секционный выключатель 10 кВ QC3K (QC4K). Защита и автоматика
   Полная схема. Трансформатор напряжения секции шин 10 кВ К1 (2 - 8). Схема в пределах панели управления
   Полная схема. Маслосборник
   Ряды зажимов. Панель У1
   Ряды зажимов. Панель У2 (У4)
   Ряды зажимов. Панель У3
   Ряды зажимов. Панель Р1 (Р7)
   Ряды зажимов. Панель Р2 (Р8)
   Ряды зажимов. Панель Р3 (Р9)
   Ряды зажимов. Панель Р4 (Р10)
   Ряды зажимов. Панель Р5 (Р11)
   Ряды зажимов. Панель Р6
   Ряды зажимов. Панель Р12
   Ряды зажимов. Панель Р13
   Монтажная схема. Ячейка трансформатора Т1 (Т2)
   Монтажная схема. ЗРУ110 кВ. Ячейка выключателя Q2 трансформатора Т1 (Т2)
   Монтажная схема. ЗРУ110 кВ. Шкаф NXQ2T1 (T2)
   Монтажная схема. ЗРУ110 кВ. Ячейка трансформатора напряжения TV1G (TV2G)
   Монтажная схема. ЗРУ110 кВ. Шкаф NX TV1G (TV2G)
   Монтажная схема. Подключение кабелей к AG1, AG2, UGV1, UGV2
   Монтажная схема. Маслосборник
Разработан: Севзапэнергосетьпроект
Утверждён:01.02.1991 Минэнерго СССР (USSR Minenergo 1)
Издан: Севзапэнергосетьпроект (1991 г. )
Расположен в:Техническая документация Строительство Справочные документы Типовые строительные конструкции, изделия и узлы Общероссийский строительный каталог Промышленные предприятия, здания и сооружения Предприятия, здания и сооружения промышленности и электроэнергетики Электроэнергетика Устройства и подстанции распределительные
Типовой проект 407-3-596.90Типовой проект 407-3-596.90Типовой проект 407-3-596.90Типовой проект 407-3-596.90Типовой проект 407-3-596.90Типовой проект 407-3-596.90Типовой проект 407-3-596.90Типовой проект 407-3-596.90Типовой проект 407-3-596.90Типовой проект 407-3-596.90Типовой проект 407-3-596.90Типовой проект 407-3-596.90Типовой проект 407-3-596.90Типовой проект 407-3-596.90Типовой проект 407-3-596.90Типовой проект 407-3-596.90Типовой проект 407-3-596.90Типовой проект 407-3-596.90Типовой проект 407-3-596.90Типовой проект 407-3-596.90Типовой проект 407-3-596.90Типовой проект 407-3-596.90Типовой проект 407-3-596.90Типовой проект 407-3-596.90Типовой проект 407-3-596.90Типовой проект 407-3-596.90Типовой проект 407-3-596.90Типовой проект 407-3-596.90Типовой проект 407-3-596.90Типовой проект 407-3-596.90Типовой проект 407-3-596.90Типовой проект 407-3-596.90Типовой проект 407-3-596.90Типовой проект 407-3-596.90Типовой проект 407-3-596.90Типовой проект 407-3-596.90Типовой проект 407-3-596.90Типовой проект 407-3-596.90Типовой проект 407-3-596.90Типовой проект 407-3-596.90Типовой проект 407-3-596.90Типовой проект 407-3-596.90Типовой проект 407-3-596.90Типовой проект 407-3-596.90Типовой проект 407-3-596.90Типовой проект 407-3-596.90Типовой проект 407-3-596.90Типовой проект 407-3-596.90Типовой проект 407-3-596.90Типовой проект 407-3-596.90Типовой проект 407-3-596.90Типовой проект 407-3-596.90Типовой проект 407-3-596.90Типовой проект 407-3-596.90Типовой проект 407-3-596.90Типовой проект 407-3-596.90Типовой проект 407-3-596.90Типовой проект 407-3-596.90Типовой проект 407-3-596.90Типовой проект 407-3-596.90Типовой проект 407-3-596.90Типовой проект 407-3-596.90Типовой проект 407-3-596.90Типовой проект 407-3-596.90Типовой проект 407-3-596.90Типовой проект 407-3-596.90Типовой проект 407-3-596.90Типовой проект 407-3-596.90Типовой проект 407-3-596.90Типовой проект 407-3-596.90

© 2013 Ёшкин Кот :-) Карта сайта