| ||||||||||||||||||||||||||
Скачать Типовые проектные решения 407-03-332.83 Альбом I. Шкафы вводов, секционных выключателей, трансформаторов напряжения и общеподстанционных элементовДата актуализации: 10.08.2017
|
| Обозначение: | Типовые проектные решения 407-03-332.83 |
| Обозначение англ: | 407-03-332.83 |
| Статус: | не действует |
| Название рус.: | Альбом I. Шкафы вводов, секционных выключателей, трансформаторов напряжения и общеподстанционных элементов |
| Дата добавления в базу: | 01.10.2014 |
| Дата актуализации: | 05.05.2017 |
| Дата введения: | 01.02.1987 |
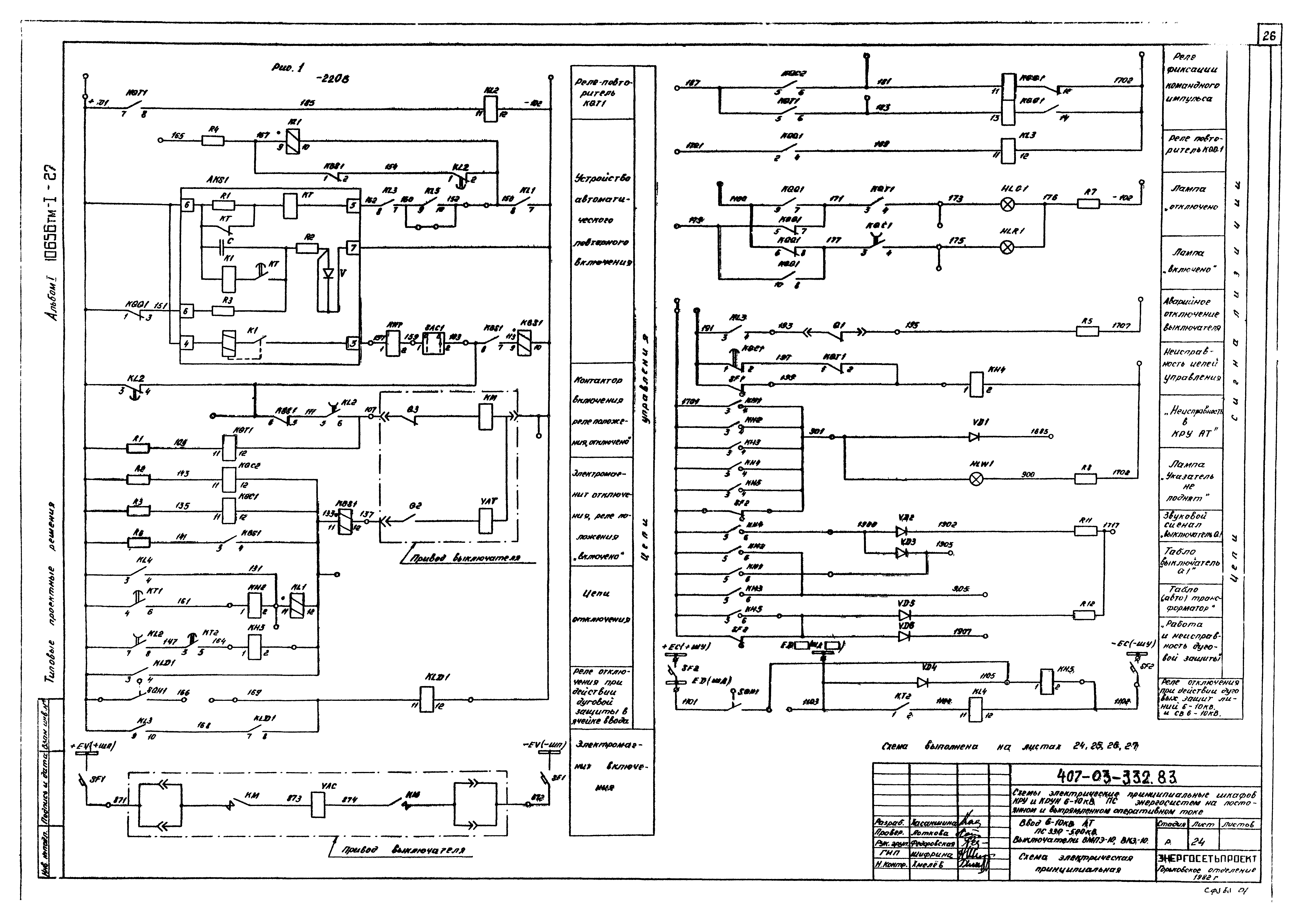
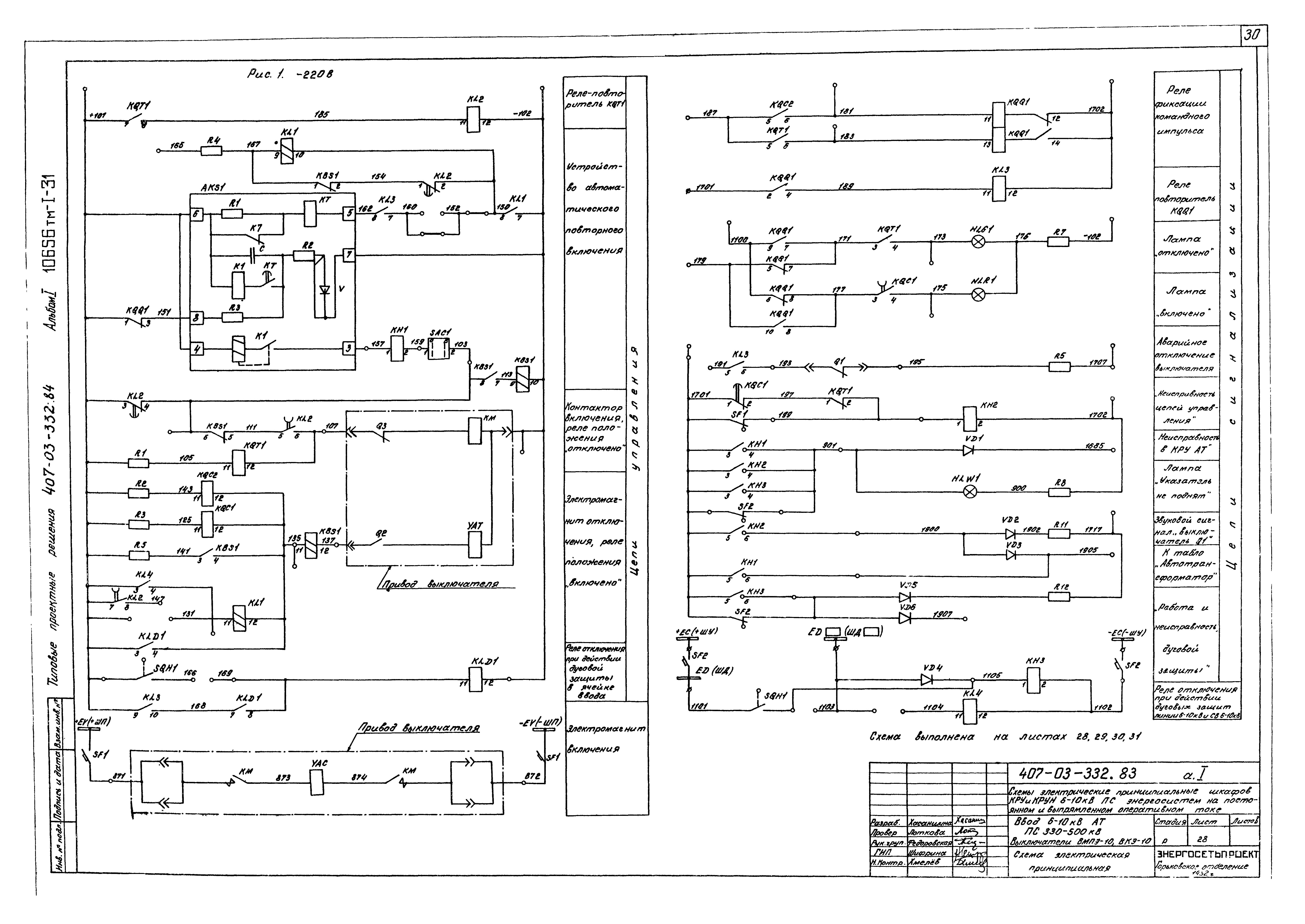
| Оглавление: | Содержание альбома Пояснительная записка Выбор чертежей Ввод 6 - 10 кВ АТ и Т ПС 110 - 220 кВ. Выключатель ВМПЭ-10, ВКЭ-10. Схема электрическая принципиальная Ввод 6 - 10 кВ АТ ПС 110 - 220 кВ. Выключатель ВМПЭ-10, ВКЭ-10. Схема электрическая принципиальная Ввод 6 - 10 кВ АТ и Т ПС 110 - 220 кВ. Выключатель ВК-10. Схема электрическая принципиальная Ввод 6 - 10 кВ АТ ПС 110 - 220 кВ. Выключатель ВК-10. Схема электрическая принципиальная Ввод 6 - 10 кВ АТ ПС 330 - 500 кВ. Выключатель ВМПЭ-10, ВКЭ-10. Схема электрическая принципиальная Ввод 6 - 10 кВ АТ ПС 330 - 500 кВ. Выключатель ВК-10. Схема электрическая принципиальная Глухой ввод. Схема электрическая принципиальная Секционный выключатель ВМПЭ-10, ВКЭ-10 ПС 110 - 220 кВ. Схема электрическая принципиальная Секционный выключатель ВМПЭ-10, ВКЭ-10 ПС 330 - 500 кВ. Схема электрическая принципиальная Секционный выключатель ВК-10 ПС 110 - 220 кВ. Схема электрическая принципиальная Секционный выключатель ВК-10 ПС 330 - 500 кВ. Схема электрическая принципиальная Секционный выключатель ВК-10, ВЭ-10(БАВР) ПС 110 - 220 кВ. Схема электрическая принципиальная Секционный разъединитель. Схема электрическая принципиальная АНР 6 - 10кВ. Схема электрическая принципиальная Трансформатор собственных нужд. Выключатель ВК-10. Схема электрическая принципиальная Трансформатор собственных нужд. Выключатель ВКЭ-10. Схема электрическая принципиальная Трансформатор собственных нужд с предохранителем. Схема электрическая принципиальная Трансформатор с дугогасящей катушкой. Выключатель ВК-10. Схема электрическая принципиальная Трансформатор с дугогасящей катушкой. Выключатель ВКЭ-10. Схема электрическая принципиальная Автоматика обогрева релейных отсеков. Схема электрическая принципиальная Шинный трансформатор напряжения 3х3НОЛ (НТМИ) - 6(10) кВ. Схема электрическая принципиальная Трансформатор напряжения для питания счетчиков 2хНОЛ (НОМ) - 6(10) кВ. Схема электрическая принципиальная Трансформатор напряжения для питания счетчиков 3хНОЛ (НОМ) - 6(10) кВ. Схема электрическая принципиальная Трансформатор напряжения 2хНОЛ (НОМ) - 6(10) кВ на вводе трансформатора. Схема электрическая принципиальная Трансформатор напряжения 3х3НОЛ - 6(10) кВ на вводе автотрансформатора. Схема электрическая принципиальная Трансформатор напряжения НТМИ - 6(10) кВ на вводе автотрансформатора. Схема электрическая принципиальная Трансформатор напряжения НОЛ (НОМ) на линии 6 - 10 кВ. Схема электрическая принципиальная |
| Разработан: | Горьковское отделение института Энергосетьпроект Минэнерго СССР |
| Утверждён: | 08.10.1982 Минэнерго СССР (USSR Minenergo 33) |
| Расположен в: |































































































