| ||||||||||||||||||||||||||||
Скачать Типовые материалы для проектирования 407-03-379.87 Альбом III. Полные схемыДата актуализации: 10.08.2017
|
| Обозначение: | Типовые материалы для проектирования 407-03-379.87 |
| Обозначение англ: | 407-03-379.87 |
| Статус: | cправочные материалы, мп, тпр |
| Название рус.: | Альбом III. Полные схемы |
| Дата добавления в базу: | 01.09.2013 |
| Дата актуализации: | 05.05.2017 |
| Дата введения: | 21.08.1987 |
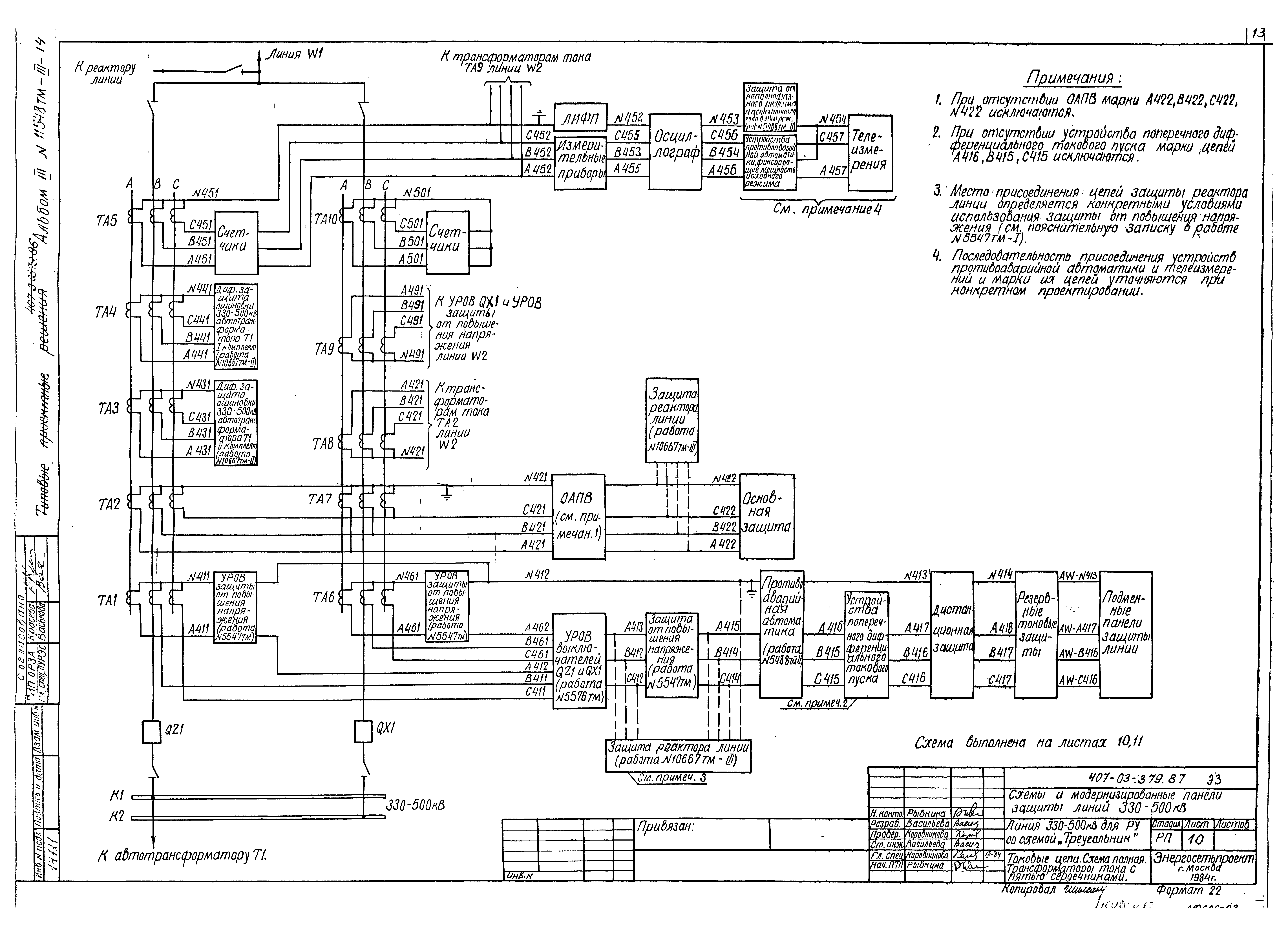
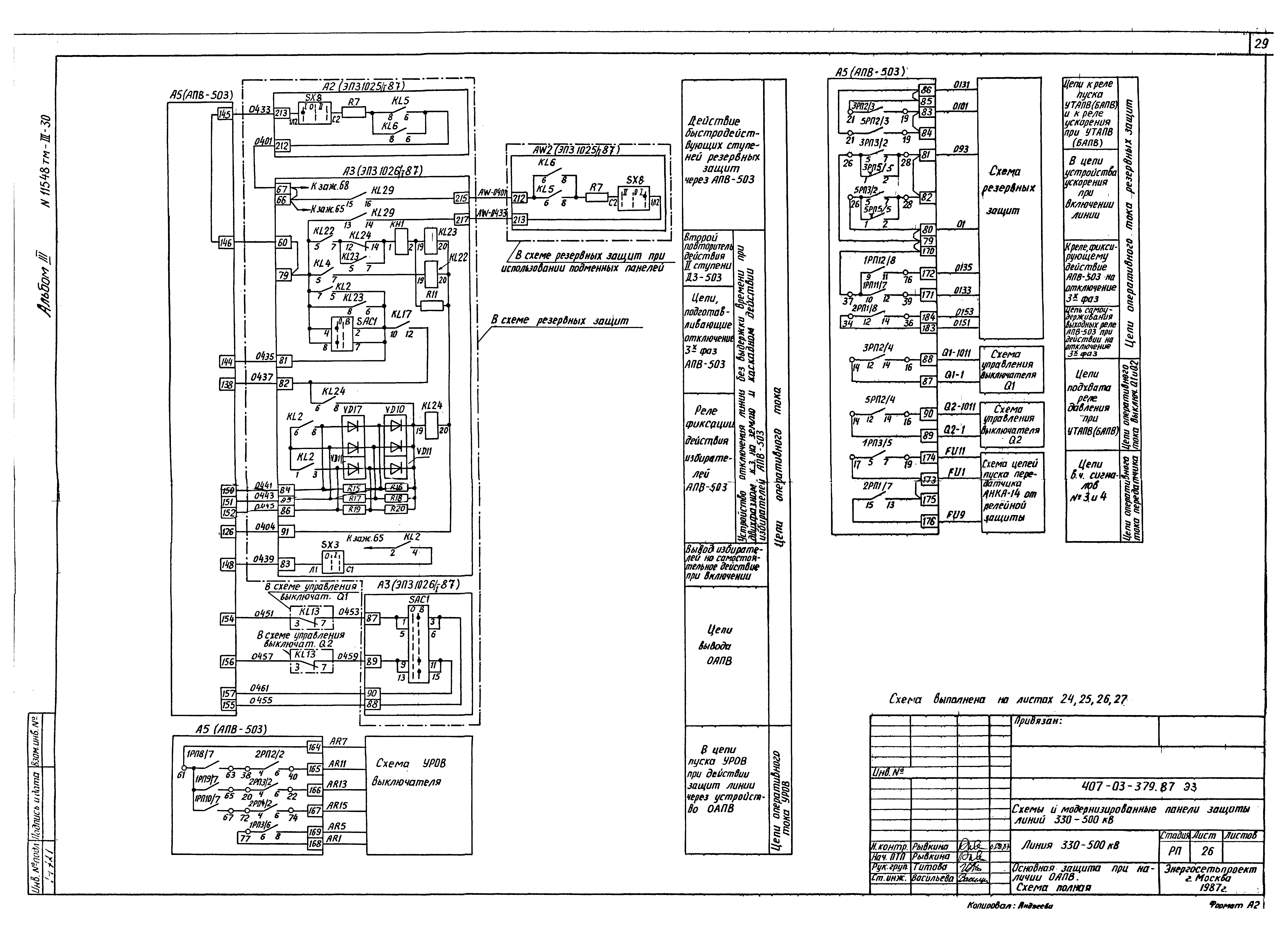
| Оглавление: | Пояснительная записка Таблицы выбора схем Схема электрических соединений РУ 330 - 500 кВ Линия 330 - 500 кВ для РУ со схемой "Треугольник". Токовые цепи. Схема полная. Трансформаторы тока с четырьмя сердечниками Линия 330 - 500 кВ для РУ со схемой "Треугольник". Токовые цепи. Схема полная. Трансформаторы тока с пятью сердечниками Линия 330 - 500 кВ для РУ со схемой "Четырехугольник" и "Автотрансформатор - шины". Токовые цепи. Схема полная. Трансформаторы тока с четырьмя сердечниками Линия 330 - 500 кВ для РУ со схемой "Четырехугольник" и "Автотрансформатор - шины". Токовые цепи. Схема полная. Трансформаторы тока с пятью сердечниками Линия 330 - 500 кВ для РУ со схемой "Полуторная". Токовые цепи. Схема полная. Трансформаторы тока с четырьмя сердечниками Линия 330 - 500 кВ для РУ со схемой "Полуторная". Токовые цепи. Схема полная. Трансформаторы тока с пятью сердечниками Линия 330 - 500 кВ. Схема питания цепей управления, автоматики и защиты Линия 330 - 500 кВ. Основная защита. Схема питания оперативным током Линия 330 - 500 кВ. Резервные защиты. Схема питания оперативным током Линия 330 - 500 кВ. Подменные панели резервных защит. Схема питания и подключения цепей оперативного тока Линия 330 - 500 кВ. Основная защита при наличии ОАПВ. Схема полная Линия 330 - 500 кВ. Основная защита при отсутствии ОАПВ. Схема полная Линия 330 - 500 кВ. Основная защита. Цепи между релейной частью ДФЗ-503, ДФЗ-504 и приемопередатчиком Линия 330 - 500 кВ. Устройство для предотвращения работы дифференциальной защиты ДФЗ-503 при нарушении цепей напряжения. Схема полная Линия 330 - 500 кВ. Основная защита. Схема подключения панели ДФЗ-503 и блоков БЗ307/1,2-84, БА203-80 Линия 330 - 500 кВ. Основная защита. Схема подключения панели ДФЗ-504 Линия 330 - 500 кВ. Основная защита при наличии ОАПВ. Схема подключения панели АПВ-503 Линия 330 - 500 кВ. Резервные защиты. Схема полная Линия 330 - 500 кВ. Резервные защиты. Таблицы переключений в цепях панели ЭПЗ1025/1-87 Параллельные линии 330 - 500 кВ. Устройство поперечного дифференциального токового пуска. Схема полная Линия 330 - 500 кВ. Выходные цепи приемника АНКА-14 от релейной защиты. Схема полная Линия 330 - 500 кВ. Цепи пуска передатчика АНКА-14 от релейной защиты. Схема полная Линия 330 - 500 кВ. Резервные защиты. Схема подключения панели ДЗ-503 Линия 330 - 500 кВ. Резервные защиты при наличии ОАПВ. Схема подключения панели ЭПЗ 1025/1-87 Линия 330 - 500 кВ. Резервные защиты при отсутствии ОАПВ. Схема подключения панели ЭПЗ 1025/1-87 Линия 330 - 500 кВ. Резервные защиты при наличии ОАПВ. Схема подключения панели ЭПЗ 1026/1-87 Линия 330 - 500 кВ. Резервные защиты при отсутствии ОАПВ. Схема подключения панели ЭПЗ 1026/1-87 Линия 330 - 500 кВ. Резервные защиты. Схема подключения блока БЗ306/1-87 Линия 330 - 500 кВ. Выходные цепи приемника и цепи пуска передатчика АНКА-14. Схема подключения НКУ Линия 330 - 500 кВ. Резервные защиты при использовании подменных панелей. Схема полная Линия 330 - 500 кВ. Резервные защиты. Схема подключения подменной панели ДЗ-503 Линия 330 - 500 кВ. Резервные защиты. Схема подключения подменной панели ЭПЗ1025/1-87 Линия 330 - 500 кВ. Измерение и учет электроэнергии. Вариант I. Схема полная Линия 330 - 500 кВ. Измерение и учет электроэнергии. Вариант I. Схема подключения НКУ Линия 330 - 500 кВ. Измерение и учет электроэнергии. Вариант II. Схема полная Линия 330 - 500 кВ. Измерение и учет электроэнергии. Вариант II. Схема подключения НКУ Линия 330 - 500 кВ. Измерение и учет электроэнергии. Вариант III. Схема полная Линия 330 - 500 кВ. Измерение и учет электроэнергии. Вариант III. Схема подключения НКУ Линия 330 - 500 кВ. Измерение и учет электроэнергии. Вариант IV. Схема полная Линия 330 - 500 кВ. Измерение и учет электроэнергии. Вариант IV. Схема подключения НКУ |
| Разработан: | Энергосетьпроект Минэнерго СССР |
| Утверждён: | 21.08.1987 Минэнерго СССР (USSR Minenergo 33) |
| Расположен в: | |
| Заменяет собой: |
|















































































