Информационная система
«Ёшкин Кот»

Скачать базу одним архивом
Скачать обновления
История создания базы
Карта сайта

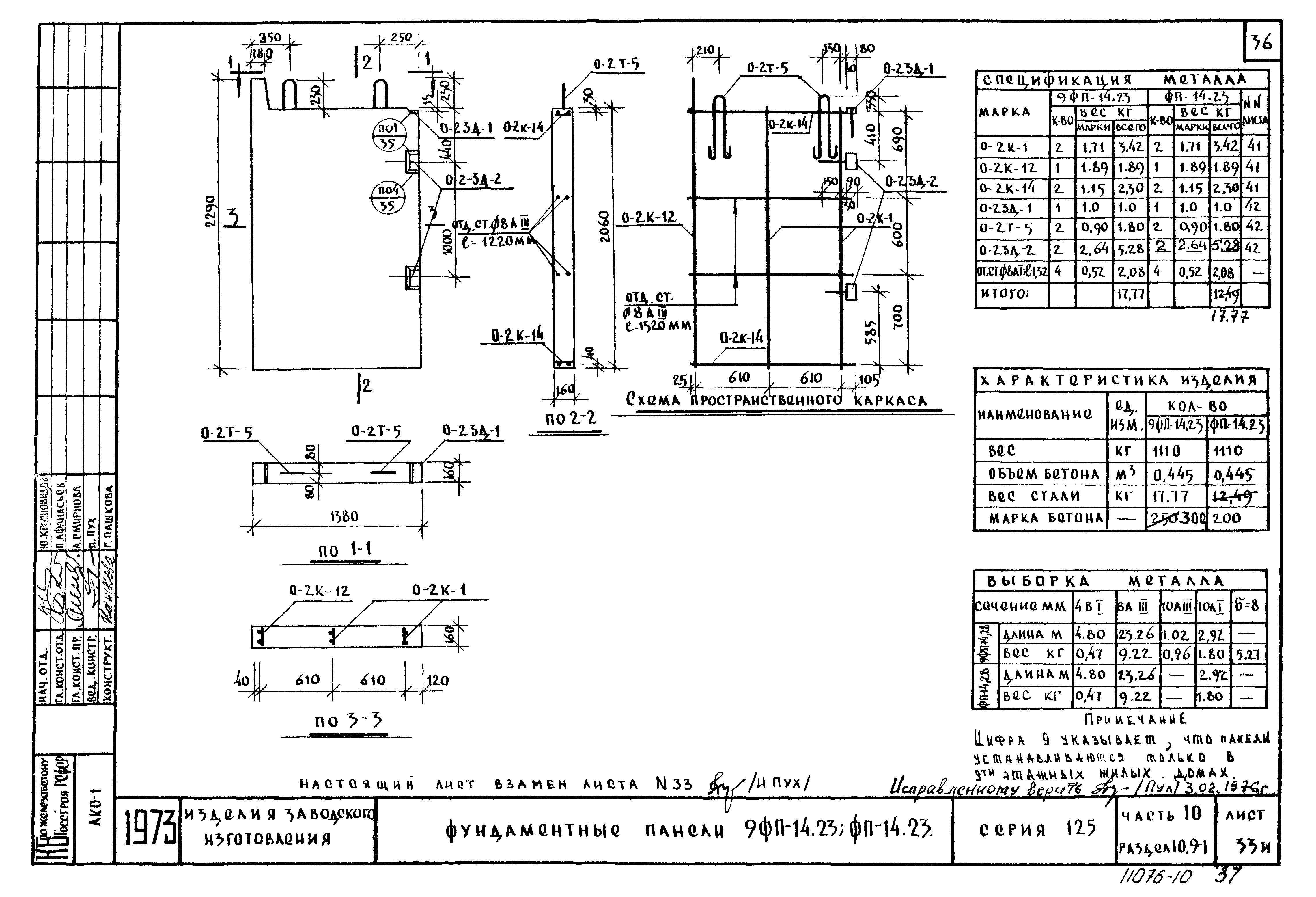
Скачать Типовой проект Серия 125 Часть 10. Раздел 10.9-1. Изделия заводского изготовления. Изделия нулевого цикла

Дата актуализации: 10.08.2017

Типовой проект Серия 125

Часть 10. Раздел 10.9-1. Изделия заводского изготовления. Изделия нулевого цикла

Обозначение: Типовой проект Серия 125
Обозначение англ: Серия 125
Статус:действует
Название рус.:Часть 10. Раздел 10.9-1. Изделия заводского изготовления. Изделия нулевого цикла
Дата добавления в базу:01.09.2013
Дата актуализации:05.05.2017
Оглавление:Содержание альбома
Пояснительная записка
Цокольная панель
Детали
Цокольная панель
Детали
Сварные каркасы
Подъемные петли. Закладные детали
Сварные каркасы. Петли
Фундаментные блоки
Фундаментная панель
Ребро лоджии
Детали
Сварные сетки. Петли
Сварные каркасы
Закладные детали. Петли
Сварные каркасы
Плита входа
Разработан: КБ по железобетону Госстроя РСФСР
Утверждён:19.12.1978 Госстрой РСФСР (Russian Federation Gosstroy 8-23)
Расположен в:Техническая документация Строительство Справочные документы Типовые строительные конструкции, изделия и узлы Общероссийский строительный каталог Жилые здания для строительства в городах и поселках городского типа Обычные условия Общежития Серия 125 Жилые дома панельные Серия 125 Жилые здания для строительства в сельской местности Жилые дома панельные Серия 125
Типовой проект Серия 125Типовой проект Серия 125Типовой проект Серия 125Типовой проект Серия 125Типовой проект Серия 125Типовой проект Серия 125Типовой проект Серия 125Типовой проект Серия 125Типовой проект Серия 125Типовой проект Серия 125Типовой проект Серия 125Типовой проект Серия 125Типовой проект Серия 125Типовой проект Серия 125Типовой проект Серия 125Типовой проект Серия 125Типовой проект Серия 125Типовой проект Серия 125Типовой проект Серия 125Типовой проект Серия 125Типовой проект Серия 125Типовой проект Серия 125Типовой проект Серия 125Типовой проект Серия 125Типовой проект Серия 125Типовой проект Серия 125Типовой проект Серия 125Типовой проект Серия 125Типовой проект Серия 125Типовой проект Серия 125Типовой проект Серия 125Типовой проект Серия 125Типовой проект Серия 125Типовой проект Серия 125Типовой проект Серия 125Типовой проект Серия 125Типовой проект Серия 125Типовой проект Серия 125Типовой проект Серия 125Типовой проект Серия 125Типовой проект Серия 125Типовой проект Серия 125Типовой проект Серия 125Типовой проект Серия 125Типовой проект Серия 125Типовой проект Серия 125Типовой проект Серия 125Типовой проект Серия 125

© 2013 Ёшкин Кот :-) Карта сайта