Информационная система
«Ёшкин Кот»

Скачать базу одним архивом
Скачать обновления
История создания базы
Карта сайта

Скачать Типовой проект Серия 125 Часть 9. Раздел 9-37. Узлы и детали. Монтажные узлы и детали

Дата актуализации: 10.08.2017

Типовой проект Серия 125

Часть 9. Раздел 9-37. Узлы и детали. Монтажные узлы и детали

Обозначение: Типовой проект Серия 125
Обозначение англ: Серия 125
Статус:действует
Название рус.:Часть 9. Раздел 9-37. Узлы и детали. Монтажные узлы и детали
Дата добавления в базу:01.09.2013
Дата актуализации:05.05.2017
Оглавление:Общие данные
Герметизация дренированных стыков
Детали заделки стыков
Указания по заделке стыков (вариант двухрядной разрезки наружных стен)
Детали заделки стыков наружных стеновых панелей (вариант двухрядной разрезки наружных стен)
Детали заделки швов
Узлы 1, 2, 3, 4
Узлы 5, 5а, 6, 6а, 7, 7а
Узлы 8, 8а, 9, 9а
Узлы 10, 10а, 11, 11а, 12, 12а, 13
Узлы 14, 15, 15а, 16
Узлы 17, 18, 18а, 19, 20, 20а
Узлы 21, 21а, 22, 22а
Узлы 23, 23а, 24, 24а, 25, 25а
Узлы 26, 27, 27а, 28, 29
Узлы 30, 30а, 31, 31а, 32, 33
Узлы 34, 34а, 35, 35а
Узлы 36, 37, 38, 39
Узлы 36, 37, 38, 39. Вариант двухрядной разрезки стен
Узлы 40, 41, 42, 43, 44
Узлы 40, 41, 42, 43, 44. Вариант двухрядной разрезки стен
Узлы 45, 46, 47, 48, 49, 50
Узлы 51, 52, 53
Узлы 54, 55, 56
Узлы 54, 55, 56. Вариант двухрядной разрезки стен
Узлы 57, 58, 59, 60
Узлы 61, 61а, 62, 62а, 63, 63а
Узлы 64, 64а, 65, 65а, 66, 66а
Узлы 67, 67а, 68, 68а, 69, 69а
Узлы 70, 71, 72, 73, 74. Гипсобетонные перегородки
Узлы 70, 71, 72, 73, 74. Керамзитобетонные перегородки
Узлы 75, 76, 77, 78
Узлы 79, 80, 81, 82
Узлы 83, 84, 85
Узлы 86, 87, 88. Узлы установки воронки
Узел 89. Деталь заделки кровли в деформационном шве. Деталь установки анкера для крепления радиостоек и телеантенн
Узлы 90, 90а, 90б
Узлы 91, 92, 92а, 92б, 93, 93в
Узлы 94, 94а, 95, 96
Узлы 97, 97а, 97б, 98, 98а, 99
Узлы 100, 101, 101а, 102, 103
Узлы 104, 105, 105а, 106, 106а, 107. Вариант двухрядной разрезки стен
Узлы 108, 109, 109а, 110, 111, 111а. Вариант двухрядной разрезки стен
Узлы 112, 113, 114, 115, 116, 117. Для наружных стен толщиной 350 и 400 мм
Узлы 118, 119, 120, 121, 122
Узлы 123, 124, 125, 126, 127, 128. Для наружных стен толщиной 250 и 300 мм
Узлы 129, 130, 131, 132, 133
Узлы 134, 135, 136, 137, 138, 139
Узлы 140, 141, 142
Узлы 143, 144, 145, 146, 147, 147а
Узлы 148, 149, 150. Вариант двухрядной разрезки стен
Узлы 151, 152, 153. Вариант двухрядной разрезки стен
Узлы 154, 155, 156, 157, 158. Машинное отделение
Детали установки радиостойки и телеантенны
Машинное отделение лифта
Машинное отделение лифта (двухрядная разрезка)
Монтажные фасады машинного отделения
Установка столярных блоков во внутренних стенах. Разрезы по горизонтали. Дверца для осмотра
Установка столярных блоков во внутренних перегородках и стенах. Разрезы по горизонтали
Установка столярных блоков во внутренних стенах и перегородках. Разрезы по горизонтали
Установка столярных блоков во внутренних перегородках. Разрезы по горизонтали
Установка столярных блоков во внутренних стенах и перегородках. Разрезы по вертикали
Установка столярных блоков во внутренних стенах. Разрезы по вертикали
Установка столярных блоков во внутренних стенах и перегородках. Разрезы по вертикали
Установка оконных и балконных блоков со спаренными переплетами в наружных стенах толщиной 300, 350, 400 мм. Горизонтальные и вертикальные разрезы
Установка оконных и балконных блоков с раздельными переплетами в наружных стенах толщиной 300, 350, 400 мм. Горизонтальные и вертикальные разрезы
Установка оконных и балконных блоков с тройным остеклением в наружных стенах толщиной 300, 350, 400 мм. Горизонтальные и вертикальные разрезы
Установка столярных блоков во внутренних стенах. Разрезы по горизонтали
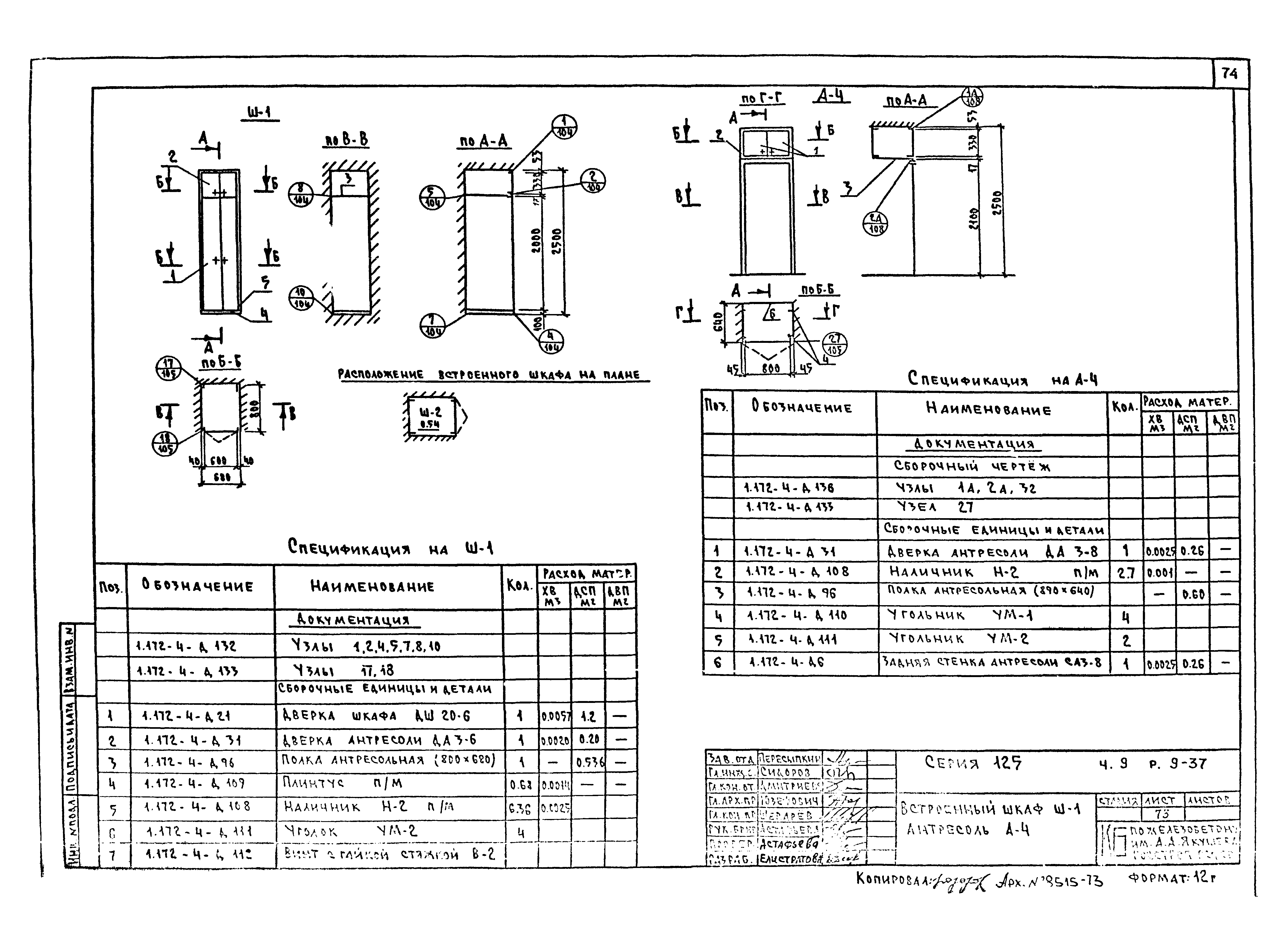
Встроенный шкаф Ш-1. Антресоль А-4
Шкаф встроенный Ш-2
Встроенный шкаф Ш-3 (Ш-4 - зеркально)
Антресоль А-2. Антресоль А-5
Встроенный шкаф Ш-5 (Ш-6 - зеркально)
Антресоль А-1. Антресоль А-3
Встроенный шкаф Ш-7 (Ш-8 - зеркально)
Узлы крепления ограждений лестниц
Узлы крепления ограждений балконов
Разработан: КБ по железобетону им. А.А. Якушева
Утверждён:19.12.1978 Госстрой РСФСР (Russian Federation Gosstroy 8-23)
Расположен в:Техническая документация Строительство Справочные документы Типовые строительные конструкции, изделия и узлы Общероссийский строительный каталог Жилые здания для строительства в городах и поселках городского типа Обычные условия Общежития Серия 125 Жилые дома панельные Серия 125 Жилые здания для строительства в сельской местности Жилые дома панельные Серия 125
Типовой проект Серия 125Типовой проект Серия 125Типовой проект Серия 125Типовой проект Серия 125Типовой проект Серия 125Типовой проект Серия 125Типовой проект Серия 125Типовой проект Серия 125Типовой проект Серия 125Типовой проект Серия 125Типовой проект Серия 125Типовой проект Серия 125Типовой проект Серия 125Типовой проект Серия 125Типовой проект Серия 125Типовой проект Серия 125Типовой проект Серия 125Типовой проект Серия 125Типовой проект Серия 125Типовой проект Серия 125Типовой проект Серия 125Типовой проект Серия 125Типовой проект Серия 125Типовой проект Серия 125Типовой проект Серия 125Типовой проект Серия 125Типовой проект Серия 125Типовой проект Серия 125Типовой проект Серия 125Типовой проект Серия 125Типовой проект Серия 125Типовой проект Серия 125Типовой проект Серия 125Типовой проект Серия 125Типовой проект Серия 125Типовой проект Серия 125Типовой проект Серия 125Типовой проект Серия 125Типовой проект Серия 125Типовой проект Серия 125Типовой проект Серия 125Типовой проект Серия 125Типовой проект Серия 125Типовой проект Серия 125Типовой проект Серия 125Типовой проект Серия 125Типовой проект Серия 125Типовой проект Серия 125Типовой проект Серия 125Типовой проект Серия 125Типовой проект Серия 125Типовой проект Серия 125Типовой проект Серия 125Типовой проект Серия 125Типовой проект Серия 125Типовой проект Серия 125Типовой проект Серия 125Типовой проект Серия 125Типовой проект Серия 125Типовой проект Серия 125Типовой проект Серия 125Типовой проект Серия 125Типовой проект Серия 125Типовой проект Серия 125Типовой проект Серия 125Типовой проект Серия 125Типовой проект Серия 125Типовой проект Серия 125Типовой проект Серия 125Типовой проект Серия 125Типовой проект Серия 125Типовой проект Серия 125Типовой проект Серия 125Типовой проект Серия 125Типовой проект Серия 125Типовой проект Серия 125Типовой проект Серия 125Типовой проект Серия 125Типовой проект Серия 125Типовой проект Серия 125Типовой проект Серия 125Типовой проект Серия 125

© 2013 Ёшкин Кот :-) Карта сайта