| ||||||||||||||||||||||||||
Скачать Типовые материалы для проектирования 407-03-533.89 Альбом 5. Строительные конструкцииДата актуализации: 10.08.2017
|
| Обозначение: | Типовые материалы для проектирования 407-03-533.89 |
| Обозначение англ: | 407-03-533.89 |
| Статус: | cправочные материалы, мп, тпр |
| Название рус.: | Альбом 5. Строительные конструкции |
| Дата добавления в базу: | 01.10.2014 |
| Дата актуализации: | 05.05.2017 |
| Дата введения: | 13.09.1989 |
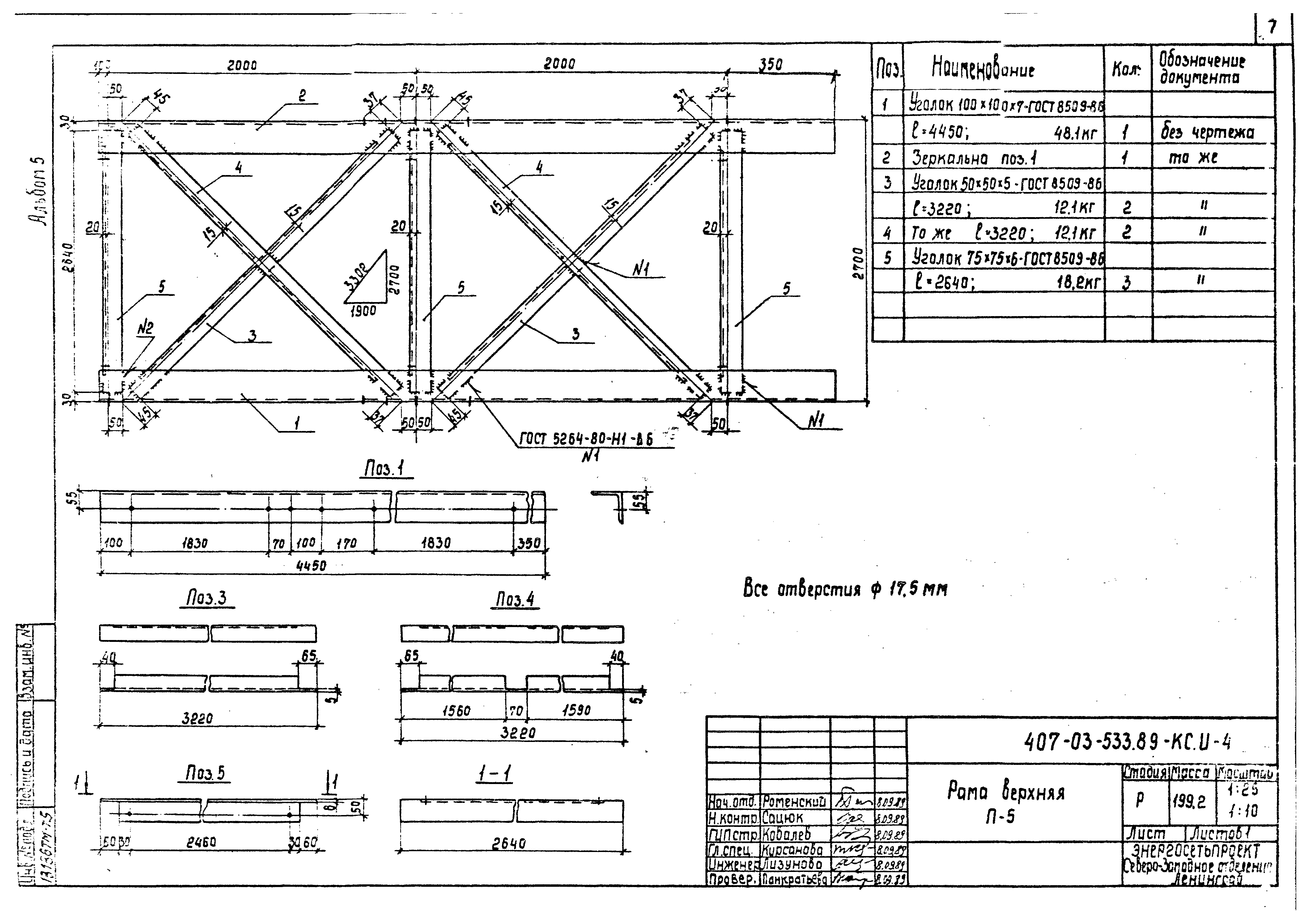
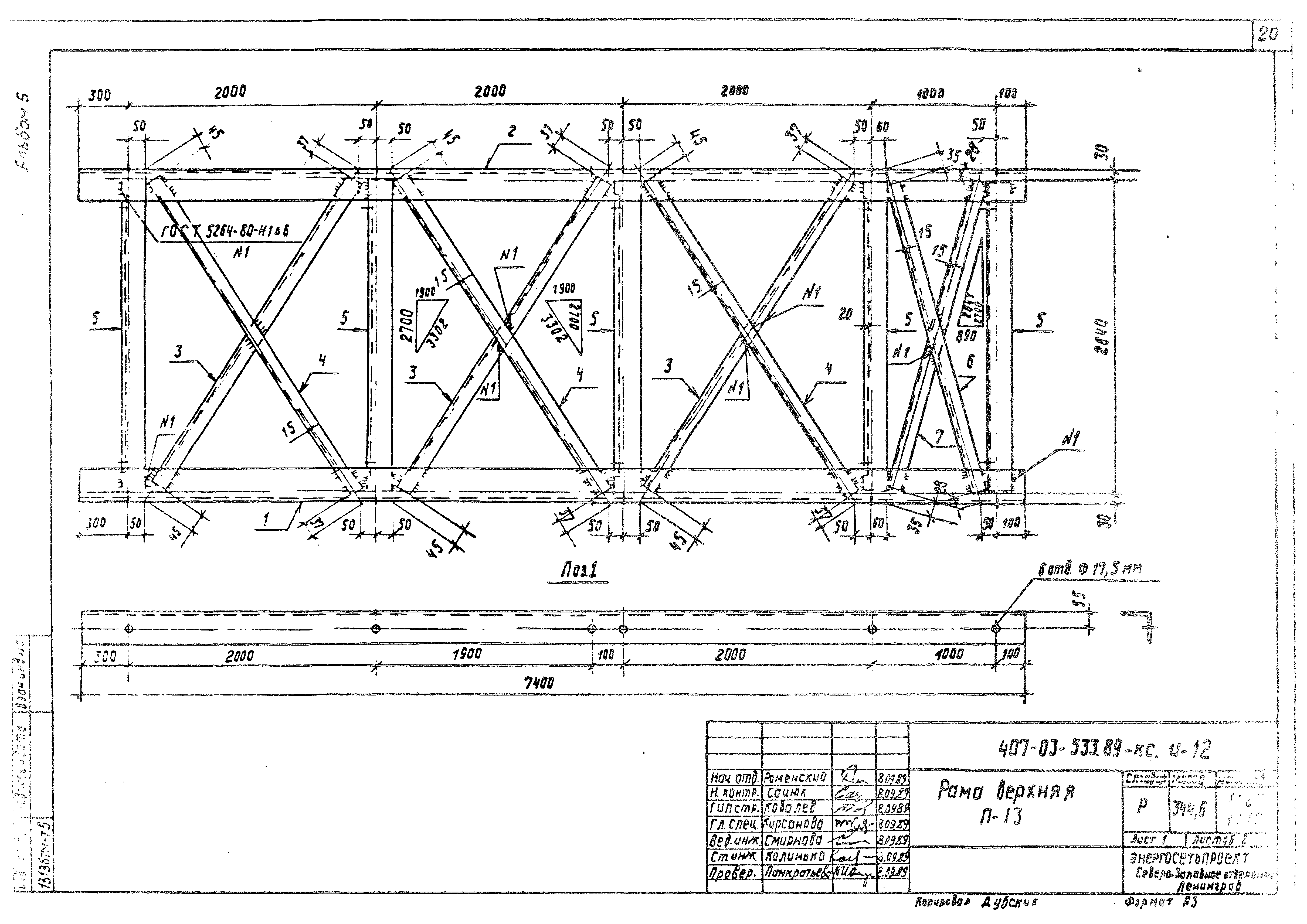
| Оглавление: | 407-03-533.89-КС.И-ТТ Стальные изделия. Технические требования 407-03-533.89-КС.И-1 Рама П-1, П-2 407-03-533.89-КС.И-2 Рама П-3 407-03-533.89-КС.И-3 Рама нижняя П-4 407-03-533.89-КС.И-4 Рама верхняя П-5 407-03-533.89-КС.И-5 Рама нижняя П-6 407-03-533.89-КС.И-6 Рама верхняя П-7 407-03-533.89-КС.И-7 Рама нижняя П-8 407-03-533.89-КС.И-8 Рама верхняя П-9 407-03-533.89-КС.И-9 Рама нижняя П-10 407-03-533.89-КС.И-10 Рама верхняя П-11 407-03-533.89-КС.И-11 Рама нижняя П-12 407-03-533.89-КС.И-12 Рама верхняя П-13 407-03-533.89-КС.И-13 Рама нижняя П-14 407-03-533.89-КС.И-14 Рама верхняя П-15 407-03-533.89-КС.И-15 Рама нижняя П-16 407-03-533.89-КС.И-16 Рама верхняя П-17 407-03-533.89-КС.И-17 Рама нижняя П-18 407-03-533.89-КС.И-18 Раскос Р-1…Р-13; Р-1а…Р-12а. Стойка С-2 407-03-533.89-КС.И-19 Траверса Т-1 407-03-533.89-КС.И-20 Тросостойка ТР-1 407-03-533.89-КС.И-21 Стойка С-1 407-03-533.89-КС.И-22 Балка Б-11. Стойка С-3, С-4 407-03-533.89-КС.И-23 Балка Б-1, Б-2 407-03-533.89-КС.И-24 Балка Б-3, Б-4 407-03-533.89-КС.И-25 Балка Б-5, Б-6 407-03-533.89-КС.И-26 Балка Б-7, Б-8 407-03-533.89-КС.И-27 Балка Б-9, Б-10 407-03-533.89-КС.И-28 Балка Б-12, Б-14 407-03-533.89-КС.И-29 Стойка С-5, С-6. Элемент крепежный К-1…К-3 407-03-533.89-КС.И-30 Элемент крепежный К-4…К-8 407-03-533.89-КС.И-31 Элемент крепежный К-9…К-11 407-03-533.89-КС.И-32 Элемент крепежный К-12. Раскос Р-14, Р-15, Р-16 407-03-533.89-КС.И-33 Опорная конструкция О-1…О-3 407-03-533.89-КС.И-34 Опорная конструкция О-4, О-5 407-03-533.89-КС.И-35 Опорная конструкция О-6, О-7 |
| Разработан: | Северо-западное отделение института Энергосетьпроект |
| Утверждён: | 13.09.1989 Минэнерго СССР (USSR Minenergo 34) |
| Расположен в: |
















































