| ||||||||||||||||||||||||||
Скачать Типовые материалы для проектирования 407-0-173.88 Альбом 3. Схемы полныеДата актуализации: 10.08.2017
|
| Обозначение: | Типовые материалы для проектирования 407-0-173.88 |
| Обозначение англ: | 407-0-173.88 |
| Статус: | cправочные материалы, мп, тпр |
| Название рус.: | Альбом 3. Схемы полные |
| Дата добавления в базу: | 01.09.2013 |
| Дата актуализации: | 05.05.2017 |
| Дата введения: | 21.03.1988 |
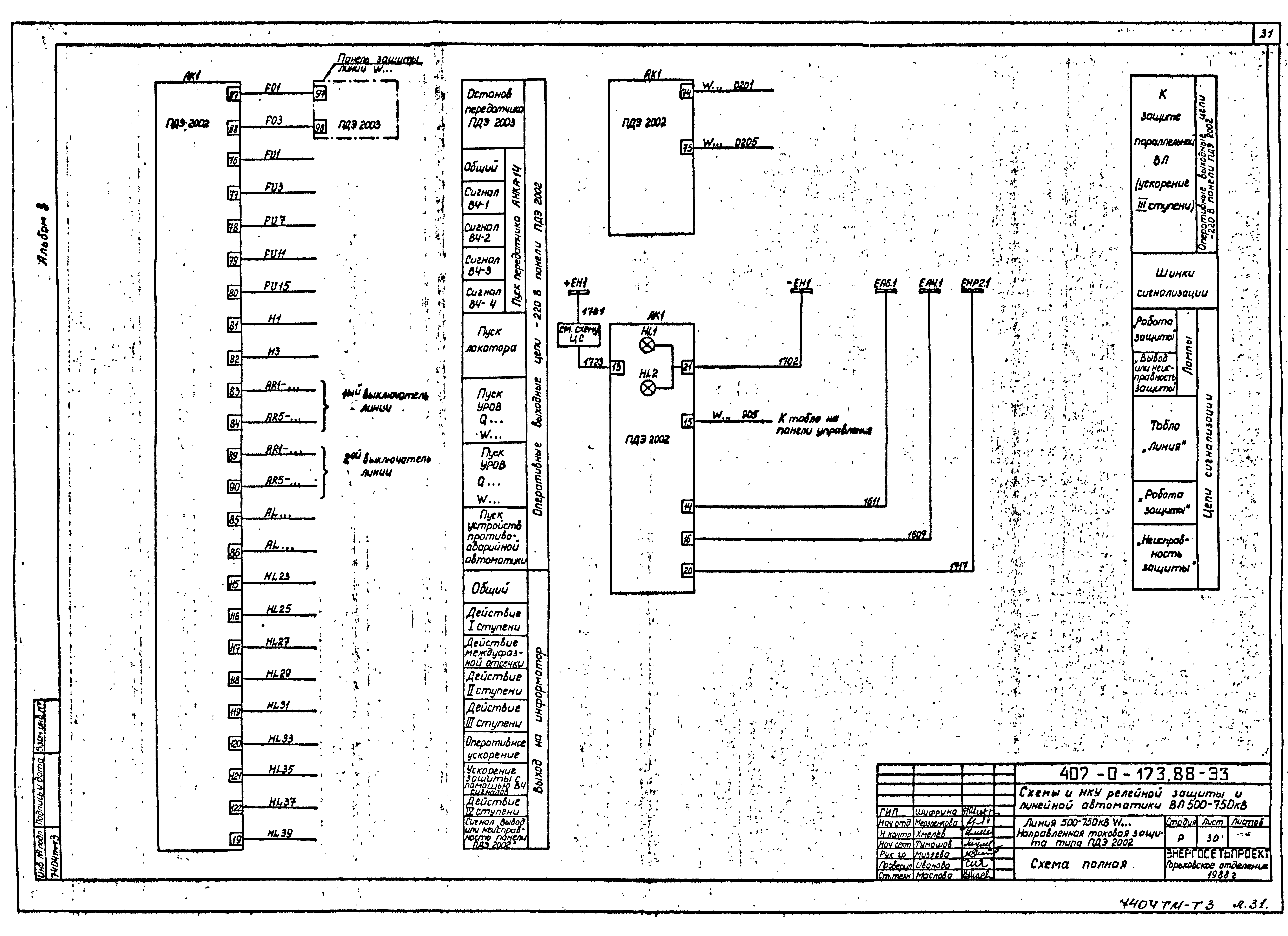
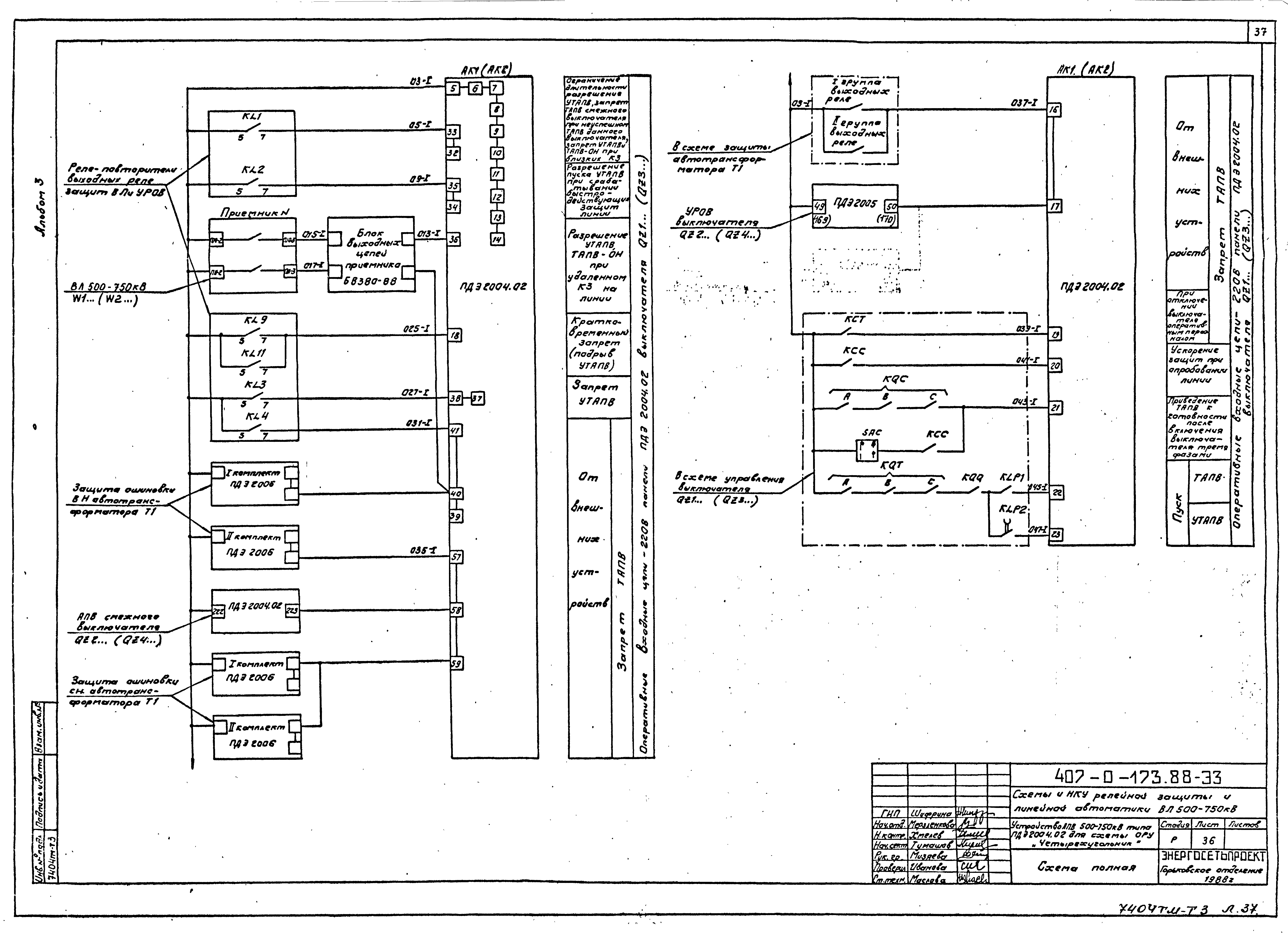
| Оглавление: | Чертежи основного комплекта марки ЭЗ Общие данные Распределительные устройства 500 - 700 кВ Линия 500 кВ. Схема распределения защит, автоматики и измерительных приборов по трансформаторам тока Линия 500 - 750 кВ. Схема распределения защит, автоматики и измерительных приборов по трансформаторам тока Линия 500 кВ. Схема распределения защит, автоматики и измерительных приборов по трансформаторам тока Линия 500 - 750 кВ. Схема распределения защит, автоматики и измерительных приборов по трансформаторам тока Линия 500 кВ. Схема распределения защит, автоматики и измерительных приборов по трансформаторам тока Линия 500 - 750 кВ. Схема распределения защит, автоматики и измерительных приборов по трансформаторам тока Линия 500 кВ. Схема распределения защит, автоматики и измерительных приборов по трансформаторам тока Линия 500 - 750 кВ. Схема распределения защит, автоматики и измерительных приборов по трансформаторам тока Питание оперативных цепей 220 В устройств РЗА линий W1, W2. Схема полная Питание оперативных цепей 220 В устройств РЗА линий W4 и автотрансформатора Т1 Линия 500 - 750 кВ W. Дистанционная защита типа ПДЭ2001. Схема полная Линия 500 - 750 кВ W. Направленная токовая защита типа ПДЭ2002. Схема полная Линия 500 - 750 кВ W. Направленная и дифференциально-фазная высокочастотная защита типа ПДЭ2003. Схема полная Устройство АПВ 500 - 750 кВ типа ПДЭ2004.02 для схемы ОРУ "четырехугольник". Схема полная Устройство АПВ 500 - 750 кВ типа ПДЭ2004.02 для схемы ОРУ "трансформаторы- шины с присоединением линий через два выключателя". Схема полная Устройство АПВ 500 - 750 кВ типа ПДЭ2004.02 для схемы ОРУ "трансформаторы- шины с полуторным присоединением линий". Схема полная Устройство АПВ 500 - 750 кВ типа ПДЭ2004.02 для схемы ОРУ "полуторная". Схема полная УРОВ 500 - 750 кВ с ПДЭ2005 для схемы ОРУ "четырехугольник". Схема полная УРОВ 500 - 750 кВ с ПДЭ2005 для схемы ОРУ "трансформаторы - шины с присоединением линий через два выключателя". Схема полная УРОВ 500 - 750 кВ с ПДЭ2005 для схемы ОРУ "трансформаторы - шины с полуторным присоединением линий". Схема полная УРОВ 500 - 750 кВ с ПДЭ2005 для схемы ОРУ "полуторная". Схема полная Линия 500 - 750 кВ. Пусковые цепи для передатчика типа АНКА-14. Схема полная Линия 500 - 750 кВ. Выходные цепи приемного типа АНКА-14. Схема полная Цепи подключения реле-повторителей линии W1. Схема полная Цепи подключения реле-повторителей линии W4. Схема полная Цепи подключения реле-повторителей линий W1, W2. Схема полная Панель защиты типа ПДЭ2001. Электрическая схема соединений рядов зажимов Панель защиты типа ПДЭ2002. Электрическая схема соединений рядов зажимов Панель защиты типа ПДЭ2003. Электрическая схема соединений рядов зажимов Панель АПВ типа ПДЭ2004.02. Электрическая схема соединений рядов зажимов Панель УРОВ типа ПДЭ2005. Электрическая схема соединений рядов зажимов |
| Разработан: | Энергосетьпроект Минэнерго СССР |
| Утверждён: | 21.03.1988 Минэнерго СССР (USSR Minenergo 23) |
| Расположен в: |



































































































