Информационная система
«Ёшкин Кот»

Скачать базу одним архивом
Скачать обновления
История создания базы
Карта сайта

Скачать Типовой проект 903-1-272.89 Альбом 4. Генеральный план. Архитектурные решения. Конструкции железобетонные. Конструкции металлические

Дата актуализации: 10.08.2017

Типовой проект 903-1-272.89

Альбом 4. Генеральный план. Архитектурные решения. Конструкции железобетонные. Конструкции металлические

Обозначение: Типовой проект 903-1-272.89
Обозначение англ: 903-1-272.89
Статус:действует
Название рус.:Альбом 4. Генеральный план. Архитектурные решения. Конструкции железобетонные. Конструкции металлические
Дата добавления в базу:01.09.2013
Дата актуализации:05.05.2017
Оглавление:Чертежи марки ГП
   Схема генплана
Чертежи марки АР
   Общие данные
   Планы на отм. 0.000; 3.000. Фрагмент плана №1. Вариант решения тамбура при t = - 40 градусов Цельсия
   Ведомости и спецификации
   Разрезы 1-1 - 3-3. Узлы 1, 2
   Фасады 1 - 9; 9 - 1; А - В; В - А. Схемы заполнения оконных проемов
   План кровли. План полов на отм. 0.000
   Узлы 3 - 10
   Бункер шлакозолоудаления. План. Разрез. Фасады
Чертежи марки КЖ
   Общие данные
   Схема расположения фундаментов и фундаментных балок
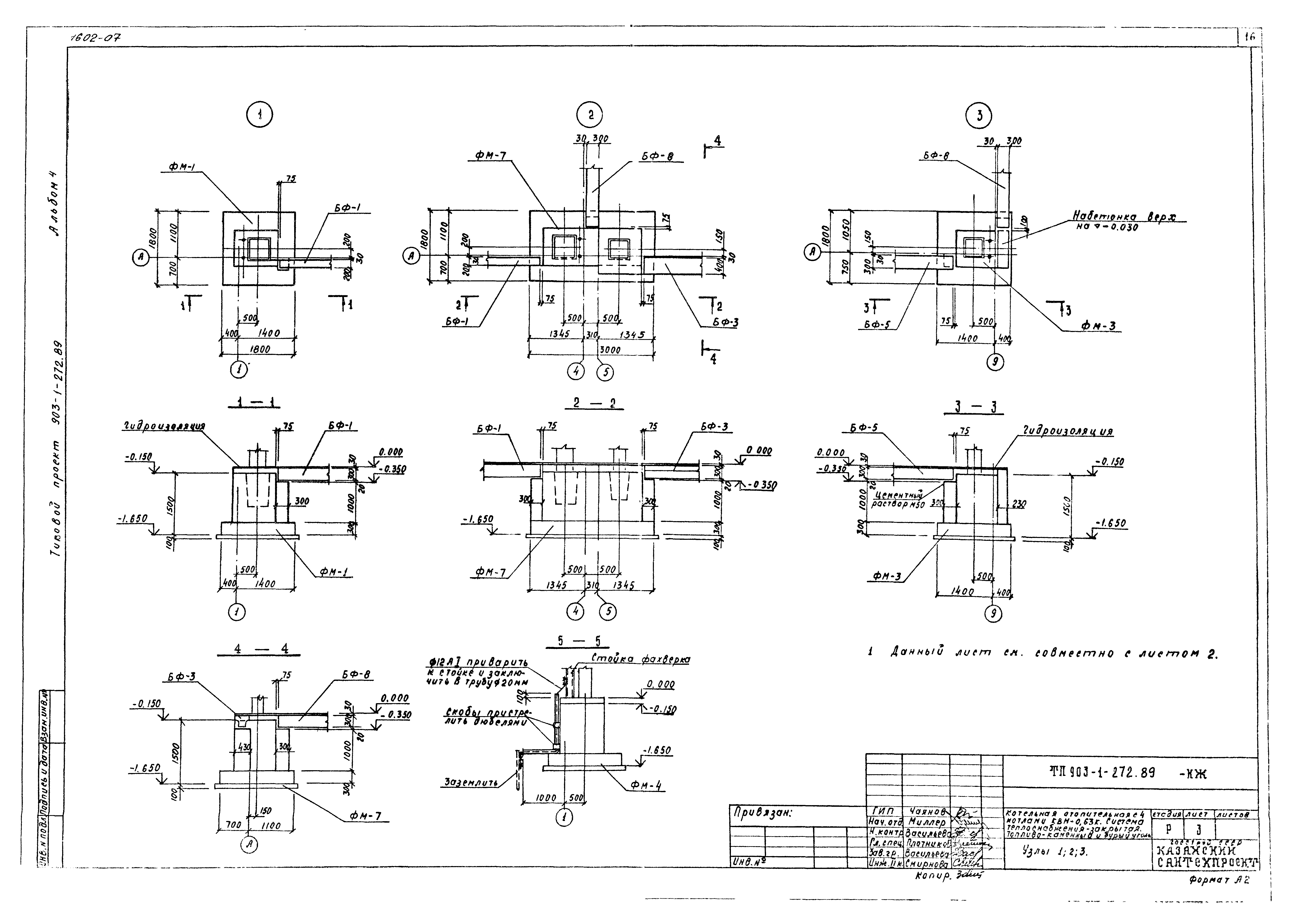
   Узлы 1, 2, 3
   Узлы 4, 5, 6
   Фундаменты ФМ-1 - ФМ-3
   Фундаменты ФМ-4 - ФМ-6
   Фундаменты ФМ-6 - ФМ-9
   Фундаменты ФМ-10 - ФМ-12
   Схема расположения закладных элементов в складе угля. Фундаменты ФМ-13, ФМ-14
   Фундаменты здания. Таблицы расчетных нагрузок
   Схема расположения фундаментов под оборудование, каналов, приямков и закладных изделий
   Фундаменты ФОМ1 - ФОМ2
   Канал КЛ-1. Сечение 1-1
   Канал КЛ-1. Сечение 2-2 - 6-6
   Приямок ПРМ1. Армирование
   Схема расположения канала в помещении ПСУ и диспетчерской
   Плиты монолитные ПМ-1, ПМ-2
   Подземное хозяйство (наружное)
   Подземное хозяйство (наружное). Фундаменты ФОМ1 - ФОМ10
   Канал КЛ-2. Сечения. Угол поворота УП
   Охлаждающий колодец
   Бункер мокрого хранения соли. План. Разрезы
   Бункер мокрого хранения соли. Схемы расположения элементов покрытия, стеновых блоков
   Схема расположения колонн. Схема расположения балок покрытия. Разрезы 1-1, 2-2
   Разрезы 3-3 - 5-5. Схема расположения плит покрытия
   Схемы расположения стеновых панелей. Фрагменты 15, 16
   Схемы расположения стеновых панелей. Фрагменты 1 - 14
   Спецификация к схемам стеновых панелей
   Схемы расположения асбестоцементных листов
   Схема расположения несущих балок подвесного потолка. Разрезы 1-1, 2-2
   Схема расположения перегородок на отм. 0.000. Фрагмент №1. Сечения
   Сечения 2-2, 7-7, 8-8. Узлы перегородок I - VI
   Спецификация к схемам расположения панелей перегородок
   Бункер шлакозолоудаления. Схемы расположения асбестоцементных листов
Чертежи марки КМ
   Общие данные
   Техническая спецификация металла
   Ведомость металлоконструкций по профилям
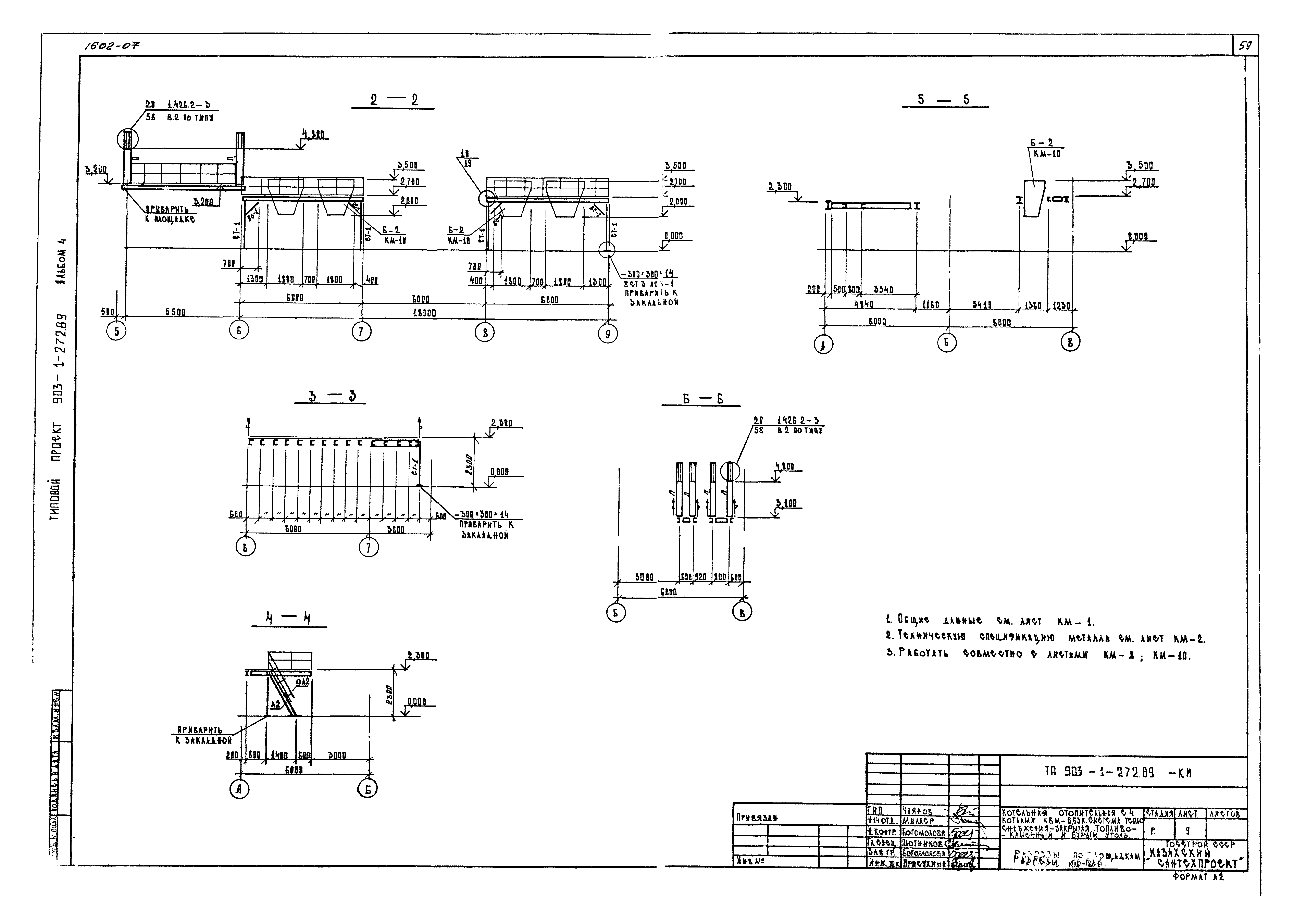
   Схема монорельсов в осях А - В/1 - 4
   Схема монорельсов в осях А - В/6 - 9
   Приемно-дробильное устройство в осях Б - В/2 - 3
   Бункер приемный для угля Б-1
   Внутрицеховые площадки
   Разрезы к КМ-8
   Бункер выдачи угля над котлом Б-2
   Бункер шлакозолоудаления. Планы на отм. 0.000; 5.000. Покрытие
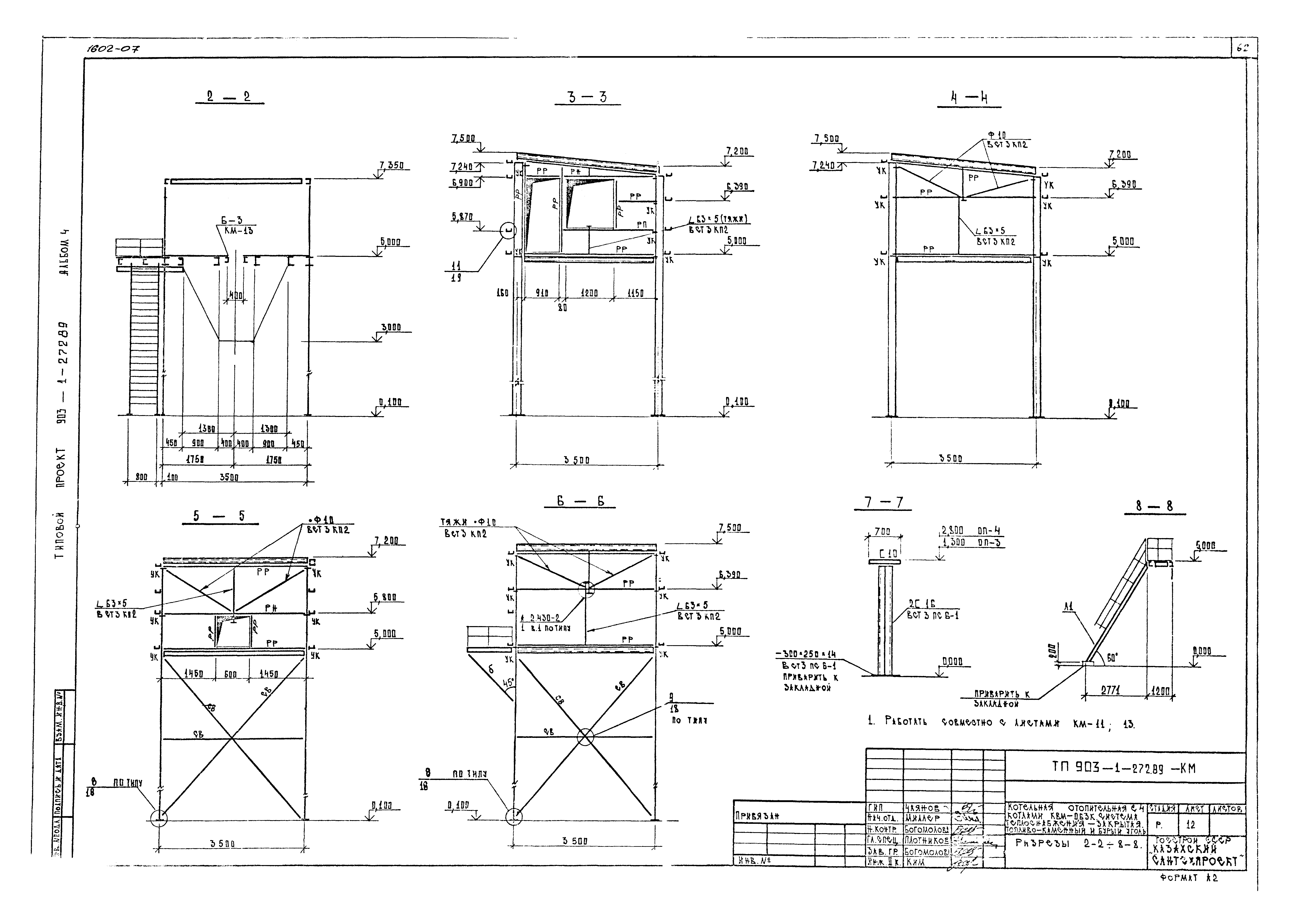
   Разрезы 2-2 - 8-8
   Бункер шлакозолоудаления Б-3
   Схема балок для крепления подвесок ОП1, ОП2
   Стойки фахверка
   СТ-1. Узлы 1 - 4
   Пожарная лестница в осях Б/5. Узел 5
   Узлы 7, 8, 9
   Узлы 10, 11
   Схемы ветровых ригелей. Узлы крепления конвейера в осях 5 - Б/Б - В; 7 - 8/Б - 8
Разработан: Казахский Сантехпроект
Утверждён:28.06.1989 Госстрой СССР (Государственный комитет Совета Министров СССР по делам строительства) (USSR Gosstroy 9)
Расположен в:Техническая документация Строительство Справочные документы Типовые строительные конструкции, изделия и узлы Общероссийский строительный каталог Промышленные предприятия, здания и сооружения Здания и сооружения санитарно-технические Теплоснабжение Котельные установки Закрытые системы теплоснабжения Топливо - каменные и бурые угли
Типовой проект 903-1-272.89Типовой проект 903-1-272.89Типовой проект 903-1-272.89Типовой проект 903-1-272.89Типовой проект 903-1-272.89Типовой проект 903-1-272.89Типовой проект 903-1-272.89Типовой проект 903-1-272.89Типовой проект 903-1-272.89Типовой проект 903-1-272.89Типовой проект 903-1-272.89Типовой проект 903-1-272.89Типовой проект 903-1-272.89Типовой проект 903-1-272.89Типовой проект 903-1-272.89Типовой проект 903-1-272.89Типовой проект 903-1-272.89Типовой проект 903-1-272.89Типовой проект 903-1-272.89Типовой проект 903-1-272.89Типовой проект 903-1-272.89Типовой проект 903-1-272.89Типовой проект 903-1-272.89Типовой проект 903-1-272.89Типовой проект 903-1-272.89Типовой проект 903-1-272.89Типовой проект 903-1-272.89Типовой проект 903-1-272.89Типовой проект 903-1-272.89Типовой проект 903-1-272.89Типовой проект 903-1-272.89Типовой проект 903-1-272.89Типовой проект 903-1-272.89Типовой проект 903-1-272.89Типовой проект 903-1-272.89Типовой проект 903-1-272.89Типовой проект 903-1-272.89Типовой проект 903-1-272.89Типовой проект 903-1-272.89Типовой проект 903-1-272.89Типовой проект 903-1-272.89Типовой проект 903-1-272.89Типовой проект 903-1-272.89Типовой проект 903-1-272.89Типовой проект 903-1-272.89Типовой проект 903-1-272.89Типовой проект 903-1-272.89Типовой проект 903-1-272.89Типовой проект 903-1-272.89Типовой проект 903-1-272.89Типовой проект 903-1-272.89Типовой проект 903-1-272.89Типовой проект 903-1-272.89Типовой проект 903-1-272.89Типовой проект 903-1-272.89Типовой проект 903-1-272.89Типовой проект 903-1-272.89Типовой проект 903-1-272.89Типовой проект 903-1-272.89Типовой проект 903-1-272.89Типовой проект 903-1-272.89Типовой проект 903-1-272.89Типовой проект 903-1-272.89Типовой проект 903-1-272.89Типовой проект 903-1-272.89Типовой проект 903-1-272.89Типовой проект 903-1-272.89Типовой проект 903-1-272.89Типовой проект 903-1-272.89Типовой проект 903-1-272.89Типовой проект 903-1-272.89Типовой проект 903-1-272.89

© 2013 Ёшкин Кот :-) Карта сайта