Информационная система
«Ёшкин Кот»

Скачать базу одним архивом
Скачать обновления
История создания базы
Карта сайта

Скачать Типовой проект 409-23-63.88 Альбом III. Часть 1. Конструкции металлические

Дата актуализации: 10.08.2017

Типовой проект 409-23-63.88

Альбом III. Часть 1. Конструкции металлические

Обозначение: Типовой проект 409-23-63.88
Обозначение англ: 409-23-63.88
Статус:не определен законодательством
Название рус.:Альбом III. Часть 1. Конструкции металлические
Дата добавления в базу:01.09.2013
Дата актуализации:05.05.2017
Дата введения:20.04.1987
Оглавление:Общие данные
Вариант I
   Техническая спецификация металла
   Техническая спецификация металла на лестницы и ограждения
   Ведомость металлоконструкций по видам профилей
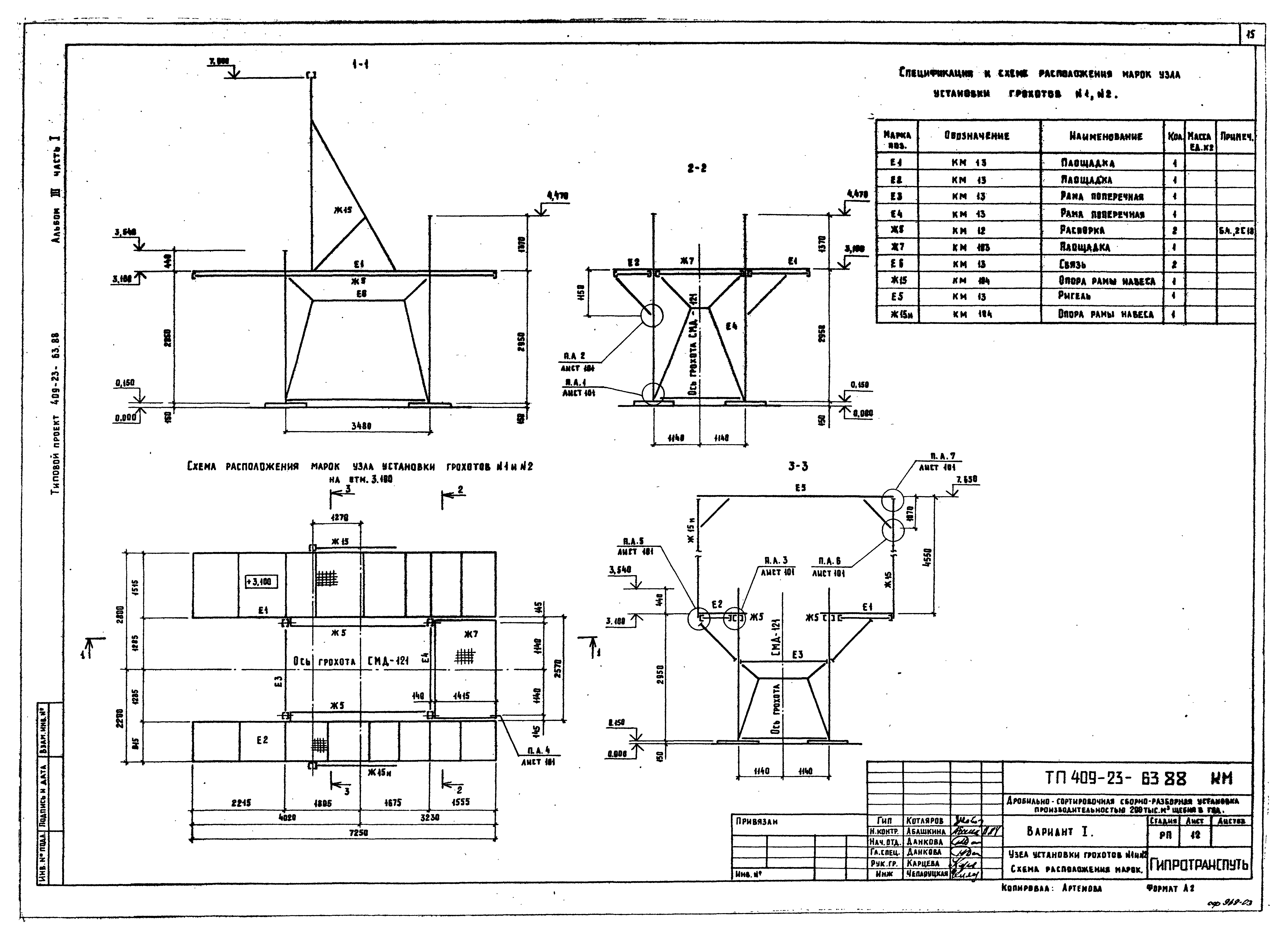
   Узел установки грохотов №1 и №2. Схема расположения марок
   Узел установки грохотов №1 и №2. Марки Е1 - Е6
   Узел установки грохотов №1 и №2. Марки Е1 - Е6. Узлы 1 - 6
   Галерея конвейеров №4, №6. Схема расположения марок
   Галерея конвейеров №4, №6. Схема расположения марок. Разрезы
   Галерея конвейера №5. Схема расположения марок
   Галерея конвейера №7. Схема расположения марок
   Схема расположения лестниц и ограждений. Спецификация
   Схема расположения лестниц и ограждений. Разрезы
Вариант II
   Техническая спецификация металла
   Техническая спецификация металла на лестницы и ограждения
   Ведомость металлоконструкций по видам профилей
   Узел установки грохотов №1, №3. Схема расположения марок
   Узел установки грохотов №1, №3. Схема расположения марок. Разрез 1-1 - 3-3
   Узел установки грохотов №1, №3. Схема расположения марок. Разрез 4-4. узлы 1 - 4
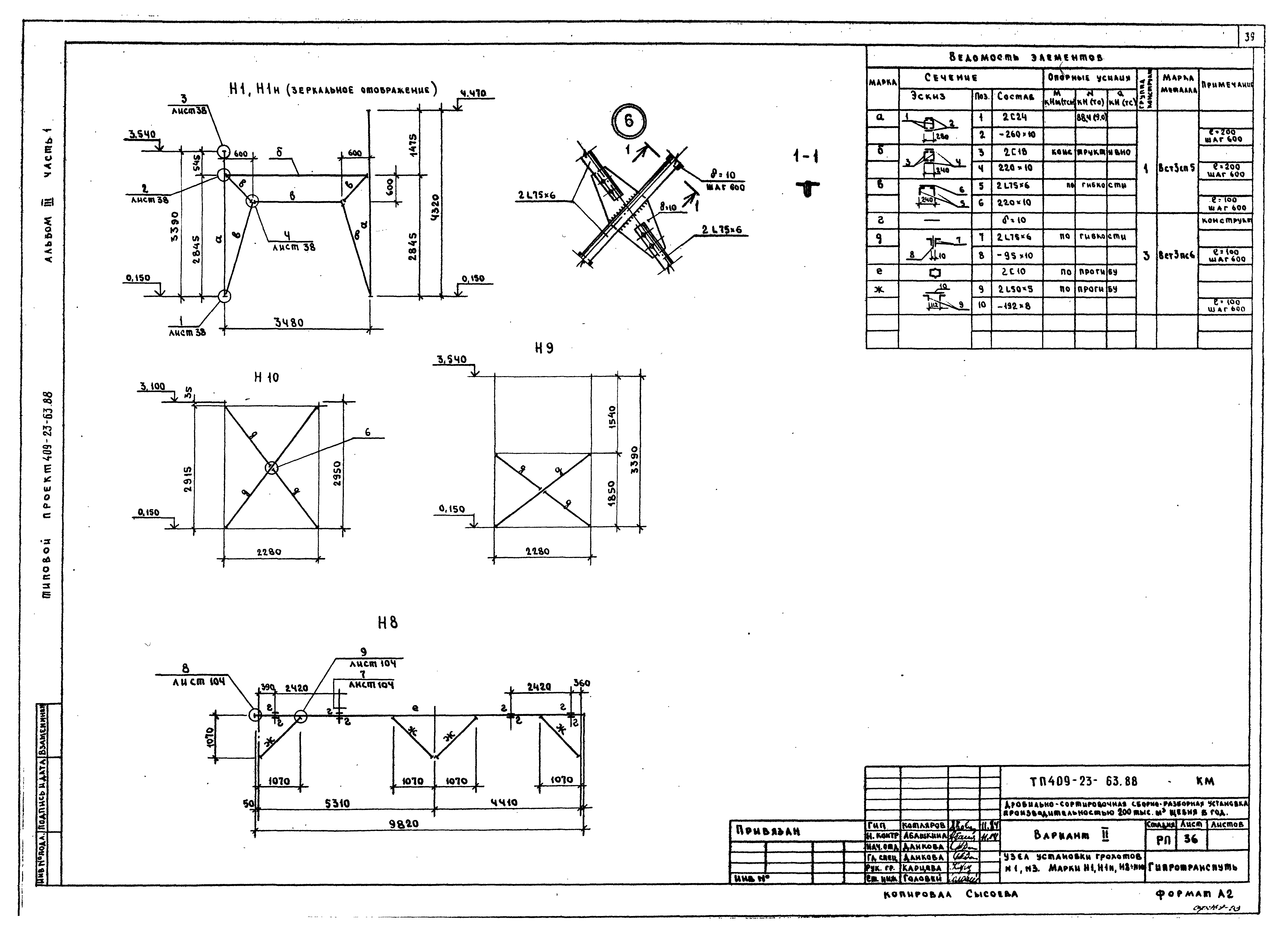
   Узел установки грохотов №1, №3. Марки Н1, Н1н, Н8 - Н10
   Узел установки грохотов. Марки Н5 - Н7
   Узел установки грохотов №1, №3. Марки Н1, Н1н, Н8 - Н10. Узлы 1 - 4
   Узел установки грохотов №2, №4. Схема расположения марок. Разрезы 2-2, 3-3
   Узел установки грохотов №2, №4. Схема расположения марок. Разрезы 1-1, 4-4, 5-5, 6-6
   Узел установки грохотов №2, №4. Марки Ж1 - Ж4, Ж11, Ж12, Ж16. Узел 7
   Галерея конвейера №4. Схема расположения марок
   Галерея конвейера №5. Схема расположения марок
   Галерея конвейера №7. Схема расположения марок
   Галерея конвейера №8, 9. Схема расположения марок
   Галерея конвейера №8, 9. Схема расположения марок. Разрезы
   Галерея конвейера №11. Схема расположения марок
   Узел установки дробилки КМД-1750гр. Схема расположения марок на отм. 3.080; 5.200
   Узел установки дробилки КМД-1750гр. Схема расположения марок на отм. 3.080; 5.200. Узлы
   Узел установки дробилки КМД-1750гр. Марки П1 - П6. Узлы
   Пульпонасосная. Схема расположения укрытия. Узлы
   Пульпонасосная. Марки П1, П1м, П2
   Узел установки классификатора 1КСИ-15. Схема расположения марок
   Узел установки классификатора 1КСИ-15. Марки М1, М1н, М3 - М7
   Схема расположения лестниц и ограждений
   Схема расположения лестниц и ограждений. Спецификация
   Схема расположения лестниц и ограждений. Разрезы
Разработан: Гипротранспуть
Утверждён:20.04.1987 Министерство путей сообщения СССР (USSR Ministry of Railroads 2273у)
Издан: Госстрой СССР (1989 г. )
Расположен в:Техническая документация Строительство Справочные документы Типовые строительные конструкции, изделия и узлы Общероссийский строительный каталог Промышленные предприятия, здания и сооружения Предприятия, здания и сооружения промышленности и электроэнергетики Строительная индустрия и промышленность строительных материалов Производство строительных материалов и изделий Производство тяжелых заполнителей
Типовой проект 409-23-63.88Типовой проект 409-23-63.88Типовой проект 409-23-63.88Типовой проект 409-23-63.88Типовой проект 409-23-63.88Типовой проект 409-23-63.88Типовой проект 409-23-63.88Типовой проект 409-23-63.88Типовой проект 409-23-63.88Типовой проект 409-23-63.88Типовой проект 409-23-63.88Типовой проект 409-23-63.88Типовой проект 409-23-63.88Типовой проект 409-23-63.88Типовой проект 409-23-63.88Типовой проект 409-23-63.88Типовой проект 409-23-63.88Типовой проект 409-23-63.88Типовой проект 409-23-63.88Типовой проект 409-23-63.88Типовой проект 409-23-63.88Типовой проект 409-23-63.88Типовой проект 409-23-63.88Типовой проект 409-23-63.88Типовой проект 409-23-63.88Типовой проект 409-23-63.88Типовой проект 409-23-63.88Типовой проект 409-23-63.88Типовой проект 409-23-63.88Типовой проект 409-23-63.88Типовой проект 409-23-63.88Типовой проект 409-23-63.88Типовой проект 409-23-63.88Типовой проект 409-23-63.88Типовой проект 409-23-63.88Типовой проект 409-23-63.88Типовой проект 409-23-63.88Типовой проект 409-23-63.88Типовой проект 409-23-63.88Типовой проект 409-23-63.88Типовой проект 409-23-63.88Типовой проект 409-23-63.88Типовой проект 409-23-63.88Типовой проект 409-23-63.88Типовой проект 409-23-63.88Типовой проект 409-23-63.88Типовой проект 409-23-63.88Типовой проект 409-23-63.88Типовой проект 409-23-63.88Типовой проект 409-23-63.88Типовой проект 409-23-63.88Типовой проект 409-23-63.88Типовой проект 409-23-63.88Типовой проект 409-23-63.88Типовой проект 409-23-63.88Типовой проект 409-23-63.88Типовой проект 409-23-63.88Типовой проект 409-23-63.88Типовой проект 409-23-63.88Типовой проект 409-23-63.88Типовой проект 409-23-63.88Типовой проект 409-23-63.88

© 2013 Ёшкин Кот :-) Карта сайта