Информационная система
«Ёшкин Кот»

Скачать базу одним архивом
Скачать обновления
История создания базы
Карта сайта

Скачать Типовой проект 409-23-63.88 Альбом II. Архитектурно-строительные решения. Конструкции железобетонные

Дата актуализации: 10.08.2017

Типовой проект 409-23-63.88

Альбом II. Архитектурно-строительные решения. Конструкции железобетонные

Обозначение: Типовой проект 409-23-63.88
Обозначение англ: 409-23-63.88
Статус:не определен законодательством
Название рус.:Альбом II. Архитектурно-строительные решения. Конструкции железобетонные
Дата добавления в базу:01.09.2013
Дата актуализации:05.05.2017
Дата введения:20.04.1987
Оглавление:Чертежи основного комплекта марки АР
   Общие данные
   Вариант I
      План сооружений
      Узел установки грохота №1. План. Разрезы
      Узел установки грохота №2. План. Разрезы
      Галерея конвейера №5. План. Разрезы
      Галерея конвейера №7. План. Разрезы
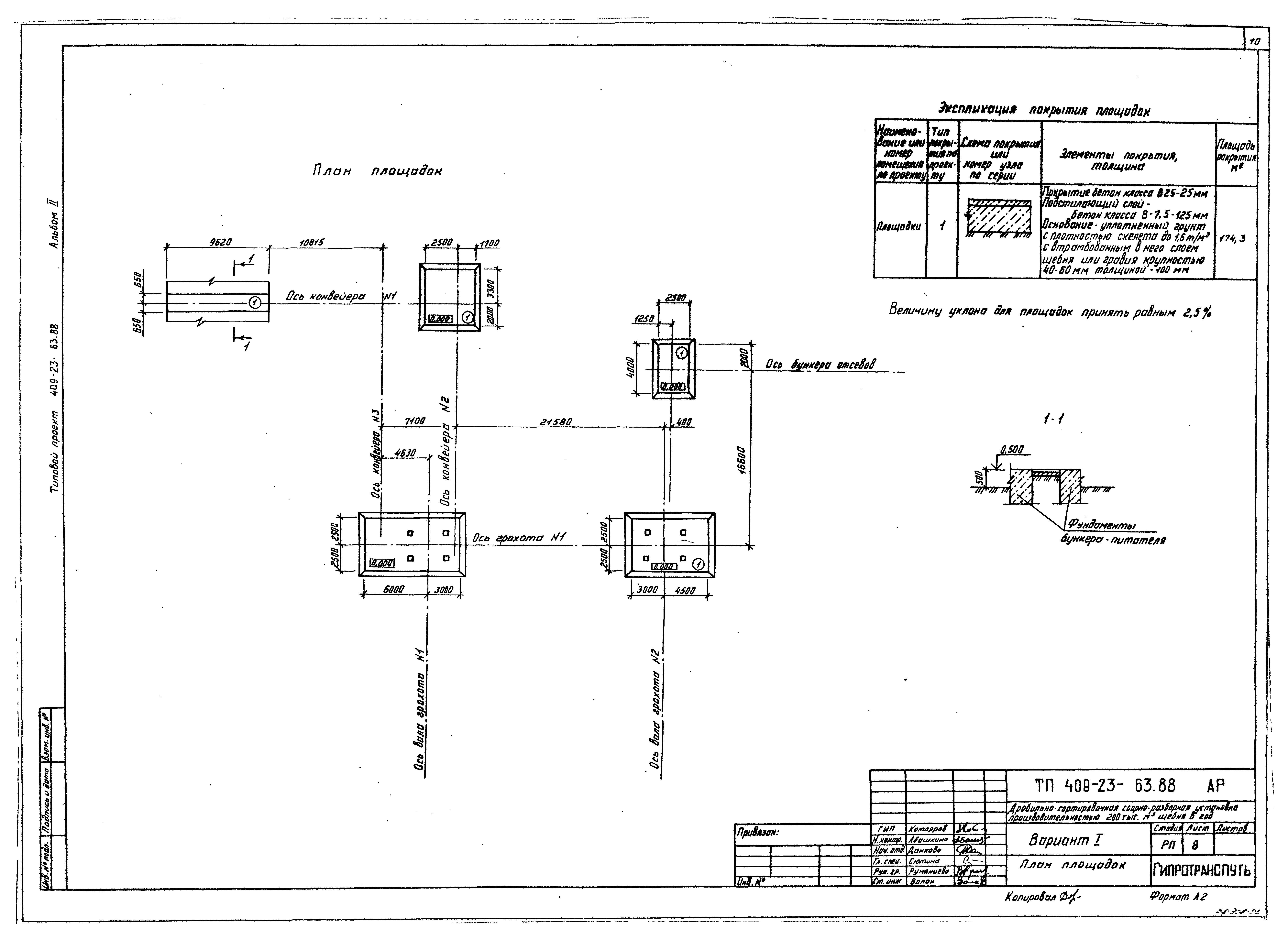
      План площадок
   Вариант II
      План сооружений
      Экспликация сооружений
      Узел установки дробилки КМД 1750гр. План. Разрезы
      Узел установки грохотов №1, №3. План на отм. 3.100. Вид 1-1
      Узел установки грохотов №1, №3. Разрезы 2-2, 3-3, 4-4
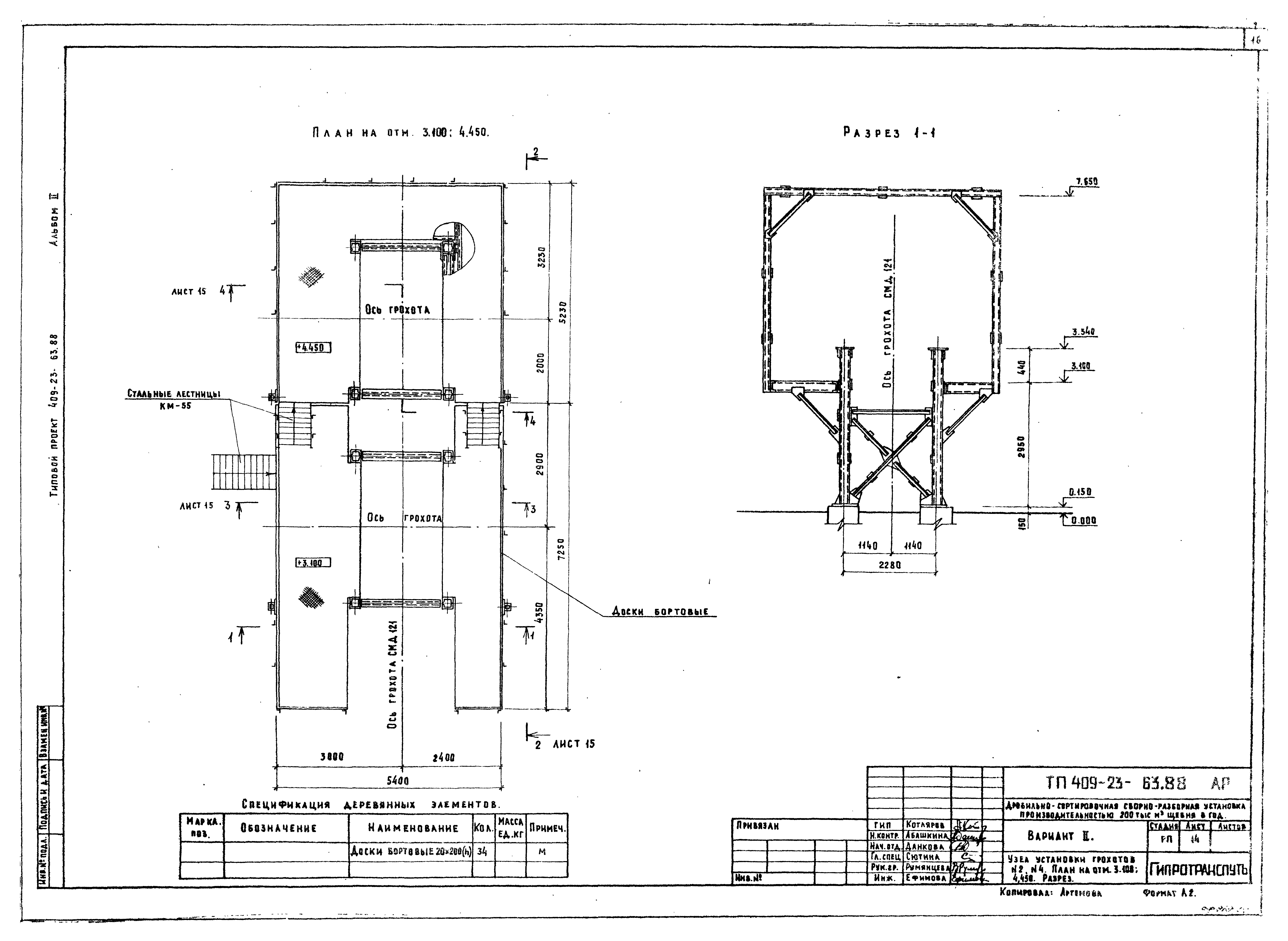
      Узел установки грохотов №2, №4. План на отм. 3.100; 4.450. Разрезы
      Узел установки грохотов №2, №4. Разрезы. Вид 2-2
      Галерея конвейера №4а. План. Разрезы
      Галерея конвейера №5а. План. Разрезы
      Галерея конвейера №7. План. Разрезы
      Галерея конвейера №8, 9. План. Разрезы
      Галерея конвейера №11. План. Разрезы
      Пульпонасосная. План. Разрезы 1-1, 2-2
      Узел установки классификатора 1КСН-15
      Помещение маслохозяйства. План. Разрезы. Фасады
      Помещение маслохозяйства. План полов. План перемычек и отверстий
      План площадок
   Вариант I, II
      Загрузочная эстакада. План
      Загрузочная эстакада. Разрезы
      Узел установки питателя 1-15-60. Планы
      Узел установки питателя 1-15-60. Вид 1-1. Разрез 2-2
      Узел установки питателя 1-15-60. Разрезы 3-3, 4-4
      Узел установки дробилки СМД-110. План. Разрезы
      Узел установки дробилки СМД-109. План. Разрезы
      Галерея конвейера №2. План. Разрезы
      Галерея конвейера №3. План. Разрезы
      Галерея конвейера №4, №6. План. Разрезы
      Бункер отсевов. План. Разрезы
      Электротехнический комплекс. План. Разрезы
      Электротехнический комплекс. Фасады. План кровли
      Электротехнический комплекс. План полов. Фрагмент
      Электротехнический комплекс. План перемычек и отверстий
      Электротехнический комплекс. Венткамера ВК1. План. Разрезы. Узлы
Чертежи основного комплекта марки КЖ
   Общие данные
   Вариант I
      Схема расположения фундаментов
      Спецификация к схеме расположения фундаментов
   Вариант II
      Схема расположения фундаментов
      Спецификация к схеме расположения фундаментов
      Фундаменты Ф18 - Ф24
      Фундаменты Ф07 - Ф010
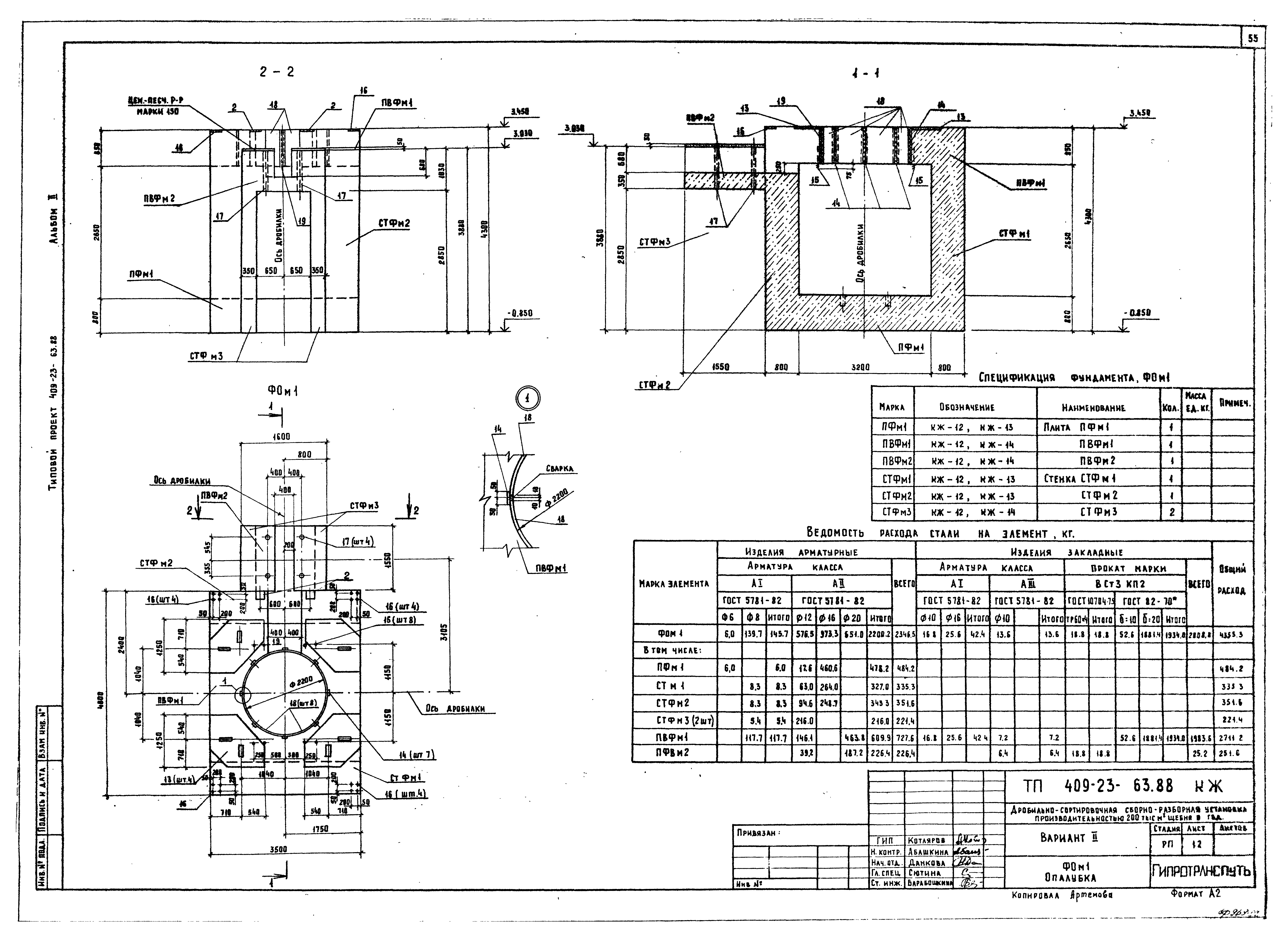
      Фундамент ФОм1. Опалубка
      Фундамент ФОм1. Армирование
      Помещение маслохозяйства. Фрагмент схемы расположения фундаментов 2. Схема расположения плит покрытия. Канал КН3, приямок ПР2. Пульпонасосная
      Фрагмент схемы расположения фундаментов 3. Фундаменты ФО11, ФО12. Приямок ПР3
      Пульпонасосная. Пульпосборник ПСм1. Опалубка
      Пульпонасосная. Пульпосборник ПСм1. Армирование стенок СТм2 - СТм4
      Пульпонасосная. Пульпосборник ПСм1. Армирование стенки СТм1, плиты Пм1
      Резервуар загрязненных стоков. Резервуар охлажденной воды
   Вариант I, II
      Фундаменты Ф1 - Ф5
      Фундаменты Ф6 - Ф10
      Фундаменты Ф11 - Ф15
      Фундаменты Ф01 - Ф06
      Электротехнический комплекс. Фрагмент схемы расположения фундаментов
      Электротехнический комплекс. Канал КН-1. Приямок ПР1
      Электротехнический комплекс. Схема расположения плит перекрытия канала, плит покрытия
Разработан: Гипротранспуть
Утверждён:20.04.1987 Министерство путей сообщения СССР (USSR Ministry of Railroads 2273у)
Издан: Госстрой СССР (1989 г. )
Расположен в:Техническая документация Строительство Справочные документы Типовые строительные конструкции, изделия и узлы Общероссийский строительный каталог Промышленные предприятия, здания и сооружения Предприятия, здания и сооружения промышленности и электроэнергетики Строительная индустрия и промышленность строительных материалов Производство строительных материалов и изделий Производство тяжелых заполнителей
Типовой проект 409-23-63.88Типовой проект 409-23-63.88Типовой проект 409-23-63.88Типовой проект 409-23-63.88Типовой проект 409-23-63.88Типовой проект 409-23-63.88Типовой проект 409-23-63.88Типовой проект 409-23-63.88Типовой проект 409-23-63.88Типовой проект 409-23-63.88Типовой проект 409-23-63.88Типовой проект 409-23-63.88Типовой проект 409-23-63.88Типовой проект 409-23-63.88Типовой проект 409-23-63.88Типовой проект 409-23-63.88Типовой проект 409-23-63.88Типовой проект 409-23-63.88Типовой проект 409-23-63.88Типовой проект 409-23-63.88Типовой проект 409-23-63.88Типовой проект 409-23-63.88Типовой проект 409-23-63.88Типовой проект 409-23-63.88Типовой проект 409-23-63.88Типовой проект 409-23-63.88Типовой проект 409-23-63.88Типовой проект 409-23-63.88Типовой проект 409-23-63.88Типовой проект 409-23-63.88Типовой проект 409-23-63.88Типовой проект 409-23-63.88Типовой проект 409-23-63.88Типовой проект 409-23-63.88Типовой проект 409-23-63.88Типовой проект 409-23-63.88Типовой проект 409-23-63.88Типовой проект 409-23-63.88Типовой проект 409-23-63.88Типовой проект 409-23-63.88Типовой проект 409-23-63.88Типовой проект 409-23-63.88Типовой проект 409-23-63.88Типовой проект 409-23-63.88Типовой проект 409-23-63.88Типовой проект 409-23-63.88Типовой проект 409-23-63.88Типовой проект 409-23-63.88Типовой проект 409-23-63.88Типовой проект 409-23-63.88Типовой проект 409-23-63.88Типовой проект 409-23-63.88Типовой проект 409-23-63.88Типовой проект 409-23-63.88Типовой проект 409-23-63.88Типовой проект 409-23-63.88Типовой проект 409-23-63.88Типовой проект 409-23-63.88Типовой проект 409-23-63.88Типовой проект 409-23-63.88Типовой проект 409-23-63.88Типовой проект 409-23-63.88Типовой проект 409-23-63.88Типовой проект 409-23-63.88Типовой проект 409-23-63.88Типовой проект 409-23-63.88Типовой проект 409-23-63.88Типовой проект 409-23-63.88Типовой проект 409-23-63.88Типовой проект 409-23-63.88Типовой проект 409-23-63.88

© 2013 Ёшкин Кот :-) Карта сайта