Скачать Типовой проект 294-8-12.85 Альбом III. Электротехнические чертежи, связь и сигнализация, автоматизация сантехустройствДата актуализации: 10.08.2017 Типовой проект 294-8-12.85
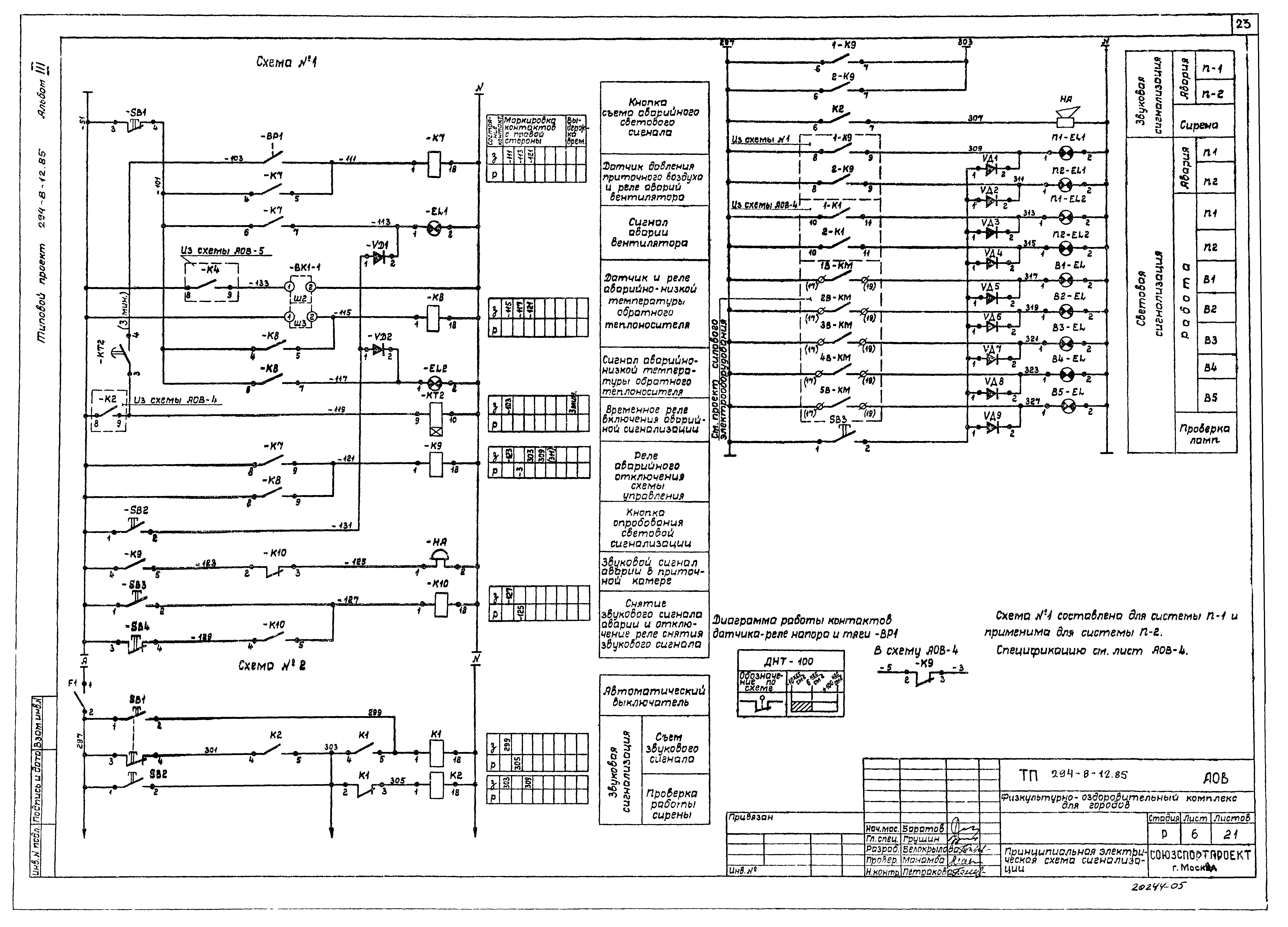
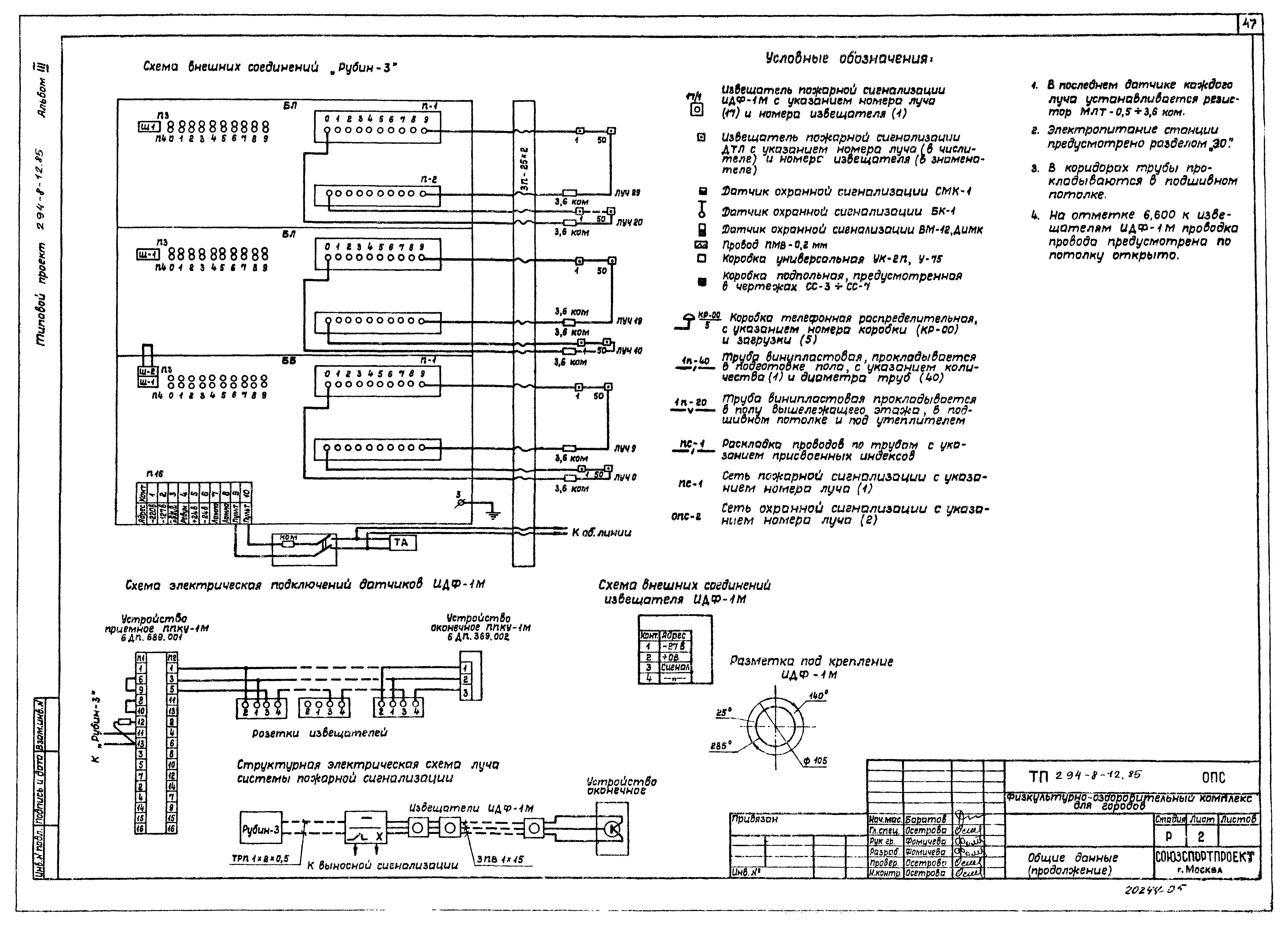
Альбом III. Электротехнические чертежи, связь и сигнализация, автоматизация сантехустройствОбозначение: | Типовой проект 294-8-12.85 | Обозначение англ: | 294-8-12.85 | Статус: | действует | Название рус.: | Альбом III. Электротехнические чертежи, связь и сигнализация, автоматизация сантехустройств | Дата добавления в базу: | 01.09.2013 | Дата актуализации: | 05.05.2017 | Дата введения: | 03.01.1985 | Оглавление: | Чертежи основного комплекта марки ЭО Общие данные Силовое электрооборудование. Вводно-распределительное устройство. Схема принципиальная однолинейная Силовое электрооборудование. План на отм. 0.000 и 3.300 Силовое электрооборудование. План на отм. 3.300 и 10.050 Силовое электрооборудование. Принципиальная электрическая схема электролизной установки Силовое электрооборудование. Шкафы управления 1ШУ - 12ШУ. Схема принципиальная однолинейная Электроосвещение. План на отм. 0.000 в осях 2 - 9; А - Д Электроосвещение. План на отм. 0.000 в осях 3 - 9; Г - Д Электроосвещение. План на отм. 3.300 в осях 2 - 9; А - Д Электроосвещение. План на отм. 3.000 в осях 3 - 9; Г - К Электроосвещение. План на отм. 6.600 и 10.050 в осях 2 - 9; А - Д Электроосвещение. План на отм. 0.000 и 3.300 в осях 1 - 3; Г -К Электроосвещение. План на отм. 0.000 и 3.300 в осях 9 - 11; Б - М Задание заводу-изготовителю. Вводно-распределительное устройство. Заказная схема Задание заводу-изготовителю. Вводно-распределительное устройство. Заказная спецификация Чертежи основного комплекта марки АОВ Общие данные Приточные системы П-1, П-2. Вытяжные системы В1 - В5, ВЕ1 - ВЕ6. Воздушная завеса У1. Схемы автоматизации функциональные Приточные системы П-1 (П-2). Вытяжные системы В1 (В2 - В5). Принципиальная электрическая схема управления Приточные системы П-1 (П-2). Принципиальная электрическая схема регулирования Принципиальная электрическая схема сигнализации Центральный тепловой пункт. Принципиальная технологическая схема Вытяжные системы ВЕ1 (ВЕ2). Принципиальные электрические схемы Вытяжные системы ВЕ3 (ВЕ4 - ВЕ5). Принципиальные электрические схемы Принципиальная электрическая схема управления насосами обходных дорожек Воздушная завеса У1. Принципиальная электрическая схема. Схема соединений щита У1 Принципиальная электрическая схема уровня в расширительном баке и управление задвижкой Щит П1. Схема соединений Щит П2. Схема соединений Щит диспетчер. Схема соединений Схема соединений задвижки и расширительного бака Щит насосов обогрева обходных дорожек. Контроль расхода воды. Схема соединений План на отм. 0.000; 3.300; 6.600; 9.900. Расположение электрических проводок План на отм. 0.000; 3.300; 6.600. Расположение электрических проводок План венткамеры. Расположение электрических проводок План ЦТП и насосной. Расположение электрических проводок Чертежи основного комплекта марки СС Общие данные План расположения сети радиофикации, телефонизации и сигнализации. 1 этаж оси 2 - 9; Б - Д План расположения сети радиофикации, телефонизации и сигнализации. 1 этаж оси 3 - 9; Г - Л План расположения сети радиофикации, телефонизации и сигнализации. 1 и 2 этаж оси 1 - 4; Г - К План расположения сети радиофикации, телефонизации и сигнализации. 1 и 2 этаж оси 9 - 1; Б - К План расположения сети радиофикации, телефонизации и сигнализации. 2 этаж оси 2 - 9; А - Д Чертежи основного комплекта марки ОПС Общие данные План расположения сети пожарной и охранной сигнализации. 1 этаж в осях 3 - 9; А - Д План расположения сети пожарной сигнализации. 1 этаж в осях 3 - 9; Д - Л План расположения сети пожарной сигнализации. 1 и 2 этаж в осях 1 - 4; Г - К План расположения сети пожарной и охранной сигнализации. 1 и 2 этаж в осях 9 - 11; Б - К План расположения сети пожарной сигнализации. 2 этаж в осях 3 - 9; А - Д План расположения сети пожарной сигнализации. 3 этаж в осях 2 - 9; А - Д Блокировка однопольных деревянных дверей датчиком СМК-1 и проводом ПМВ-0,2 Блокировка открывающегося одностворчатого окна датчиками СМК-1 и ДИМК | Разработан: | Союзспортпроект Спорткомитета СССР
| Утверждён: | 11.08.1983 Госгражданстрой (Gosgrazhdanstroy 234)
| Расположен в: |
|
                                                        
|