Информационная система
«Ёшкин Кот»

Скачать базу одним архивом
Скачать обновления
История создания базы
Карта сайта

Скачать Типовой проект 291-8-17с.87 Альбом III. Часть 2. Электрооборудование. Автоматизация отопительных и вентиляционных систем

Дата актуализации: 10.08.2017

Типовой проект 291-8-17с.87

Альбом III. Часть 2. Электрооборудование. Автоматизация отопительных и вентиляционных систем

Обозначение: Типовой проект 291-8-17с.87
Обозначение англ: 291-8-17с.87
Статус:не определен законодательством
Название рус.:Альбом III. Часть 2. Электрооборудование. Автоматизация отопительных и вентиляционных систем
Дата добавления в базу:01.09.2013
Дата актуализации:05.05.2017
Дата введения:11.02.1988
Оглавление:Чертежи основного комплекта марки ЭМ
   Общие данные
   Питающая сеть 380/220 В. Схема принципиальная
   Распределительная сеть 380/220 В. Схема принципиальная
   Управление рабочим электрическим освещением зала. Схема общая
   Управление рабочим электрическим освещением бассейна. Схема общая
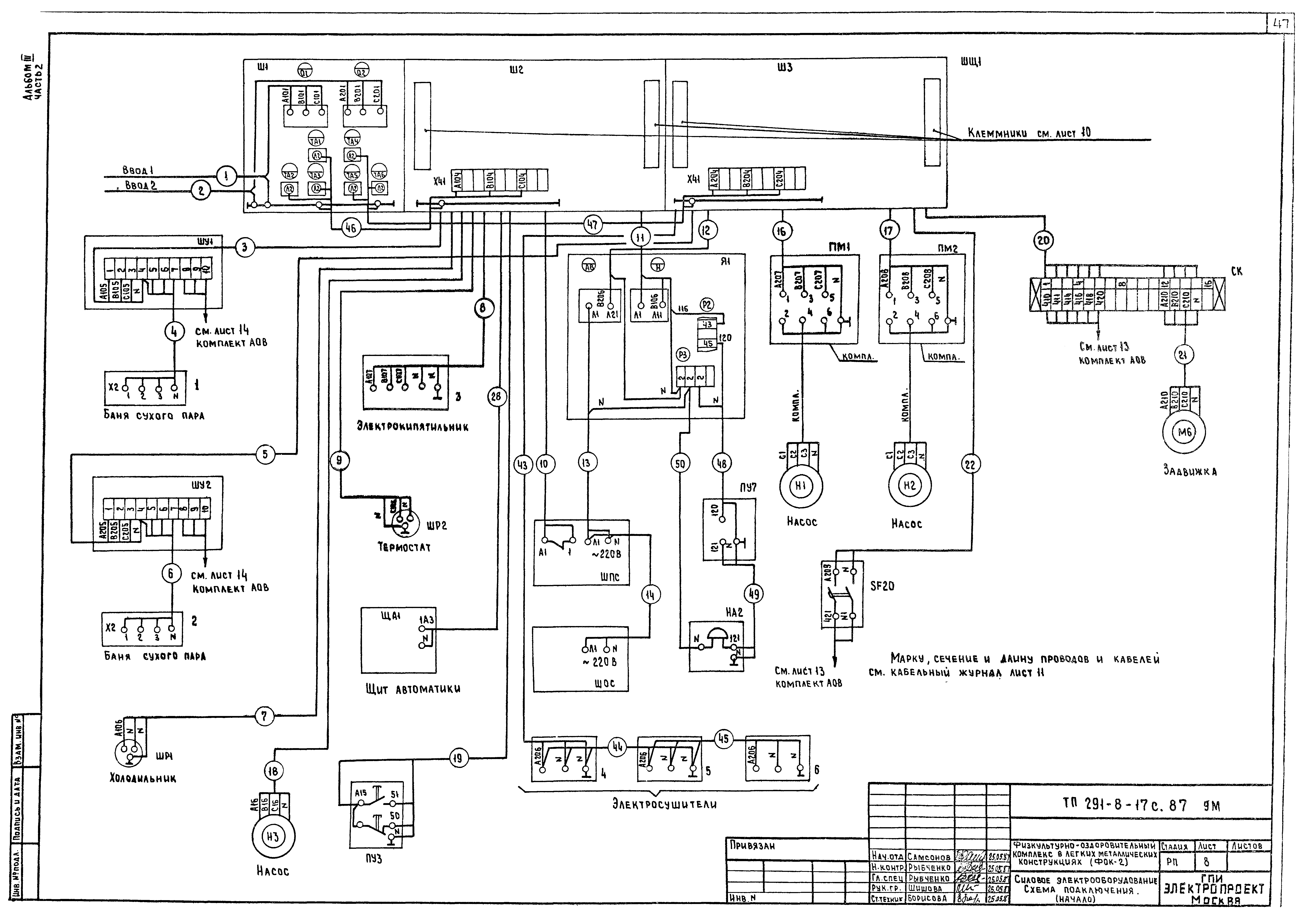
   Силовое электрооборудование. Схема подключений
   Кабельный журнал
   Силовое электрооборудование. План расположения электрооборудования, прокладка кабелей и проводов
   План расположения электрооборудования и прокладки электрических групповых сетей на отм. 3.000
   План расположения электрооборудования и прокладки электрических групповых сетей на отм. 0.000
   Узлы установки электроосветительного оборудования
   Электрооборудование стойки металлической СМ-1 (СМ-2, СМ-3)
   Ведомость электромонтажных конструкций и деталей, подлежащих изготовлению в МЭЗ
   Щит защищенный ШЩ1. Общий вид
Чертежи основного комплекта марки АОВ
   Общие данные
   Пояснительная записка
   Приточная система П1. Схема автоматизации
   Вентиляторы РВ1, В1…В3. Электронагреватель заслонки ВЕ1. Схема электрическая принципиальная
   Приточная система П1. Схема электрическая принципиальная
   Вытяжная заслонка вентсистемы П1. Схема электрическая принципиальная
   Вытяжная заслонка ВЕ1. Схема электрическая принципиальная
   Приточная система П1. Схема соединений внешних проводок
   Задвижка бака аккумулятора. Схема соединений внешних проводок
   Кабельный журнал
   План расположения электрооборудования, прокладка кабелей и проводов
   Задвижка бака аккумулятора. Схема электрическая принципиальная
   Установка фильтрации. Схема автоматизации
   Установка фильтрации. Схема соединений внешних проводок
   Щит автоматики ЩА1. Общий вид
Разработан: Электропроект Минмонтажспецстроя СССР
Утверждён:24.06.1987 Госгражданстрой (Gosgrazhdanstroy 19)
Издан: ЦИТП Госстроя СССР (CITP, Gosstroy (USSR) 1988 г. )
Расположен в:Техническая документация Строительство Справочные документы Типовые строительные конструкции, изделия и узлы Общероссийский строительный каталог Общественные здания в городах и поселках городского типа Физкультурно-оздоровительные и спортивные здания и сооружения Физкультурно-оздоровительные и спортивные комплексы
Типовой проект 291-8-17с.87Типовой проект 291-8-17с.87Типовой проект 291-8-17с.87Типовой проект 291-8-17с.87Типовой проект 291-8-17с.87Типовой проект 291-8-17с.87Типовой проект 291-8-17с.87Типовой проект 291-8-17с.87Типовой проект 291-8-17с.87Типовой проект 291-8-17с.87Типовой проект 291-8-17с.87Типовой проект 291-8-17с.87Типовой проект 291-8-17с.87Типовой проект 291-8-17с.87Типовой проект 291-8-17с.87Типовой проект 291-8-17с.87Типовой проект 291-8-17с.87Типовой проект 291-8-17с.87Типовой проект 291-8-17с.87Типовой проект 291-8-17с.87Типовой проект 291-8-17с.87Типовой проект 291-8-17с.87Типовой проект 291-8-17с.87Типовой проект 291-8-17с.87Типовой проект 291-8-17с.87Типовой проект 291-8-17с.87Типовой проект 291-8-17с.87Типовой проект 291-8-17с.87Типовой проект 291-8-17с.87Типовой проект 291-8-17с.87Типовой проект 291-8-17с.87Типовой проект 291-8-17с.87Типовой проект 291-8-17с.87Типовой проект 291-8-17с.87Типовой проект 291-8-17с.87Типовой проект 291-8-17с.87Типовой проект 291-8-17с.87Типовой проект 291-8-17с.87Типовой проект 291-8-17с.87Типовой проект 291-8-17с.87Типовой проект 291-8-17с.87Типовой проект 291-8-17с.87Типовой проект 291-8-17с.87Типовой проект 291-8-17с.87Типовой проект 291-8-17с.87Типовой проект 291-8-17с.87Типовой проект 291-8-17с.87

© 2013 Ёшкин Кот :-) Карта сайта