| ||||||||||||||||||||||||||
Скачать Типовые проектные решения 407-5-02.22.87 Альбом 2. Часть 2. Технологическая частьДата актуализации: 10.08.2017
|
| Обозначение: | Типовые проектные решения 407-5-02.22.87 |
| Обозначение англ: | 407-5-02.22.87 |
| Статус: | cправочные материалы, мп, тпр |
| Название рус.: | Альбом 2. Часть 2. Технологическая часть |
| Дата добавления в базу: | 01.09.2013 |
| Дата актуализации: | 05.05.2017 |
| Дата введения: | 12.02.1987 |
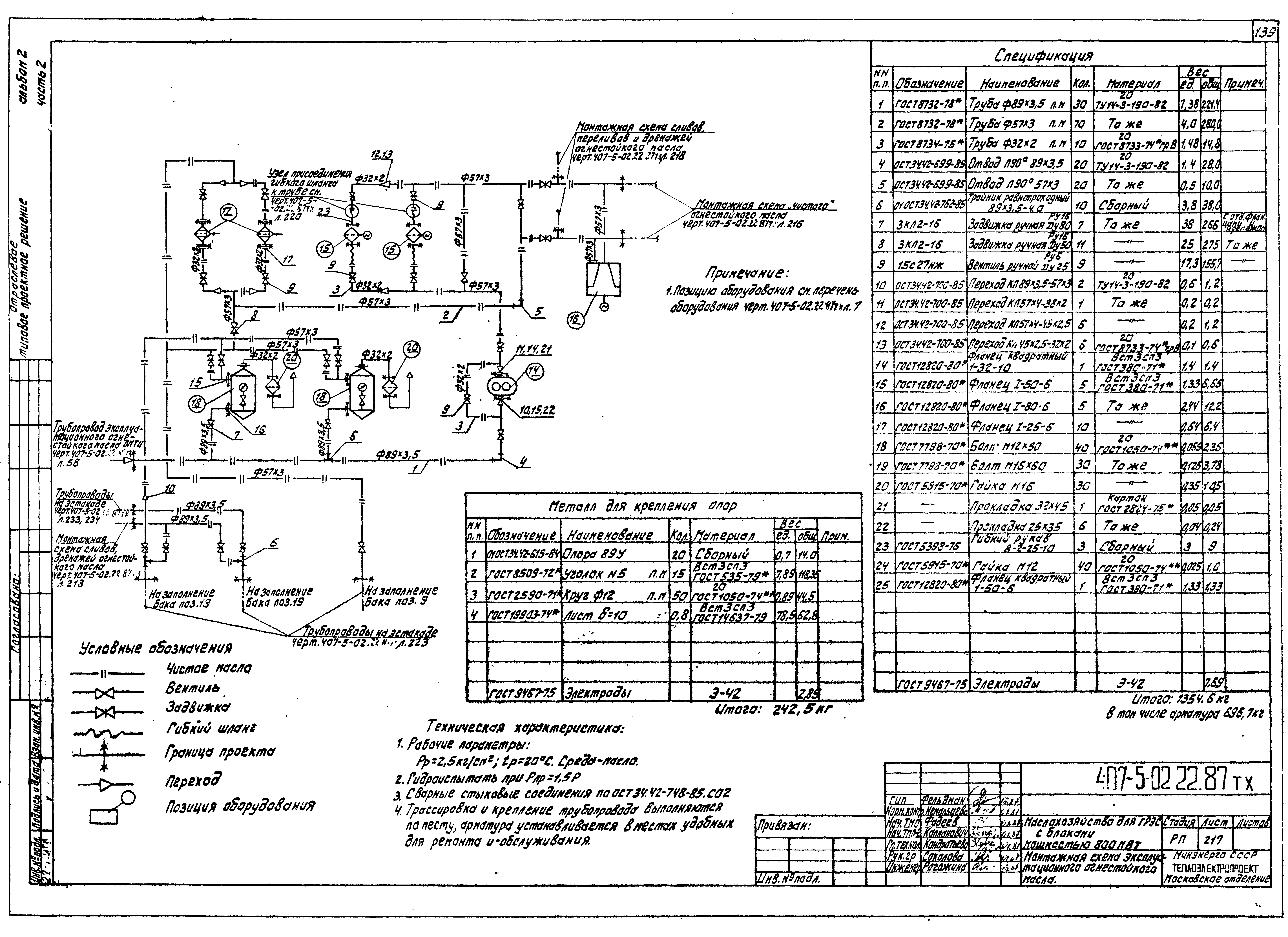
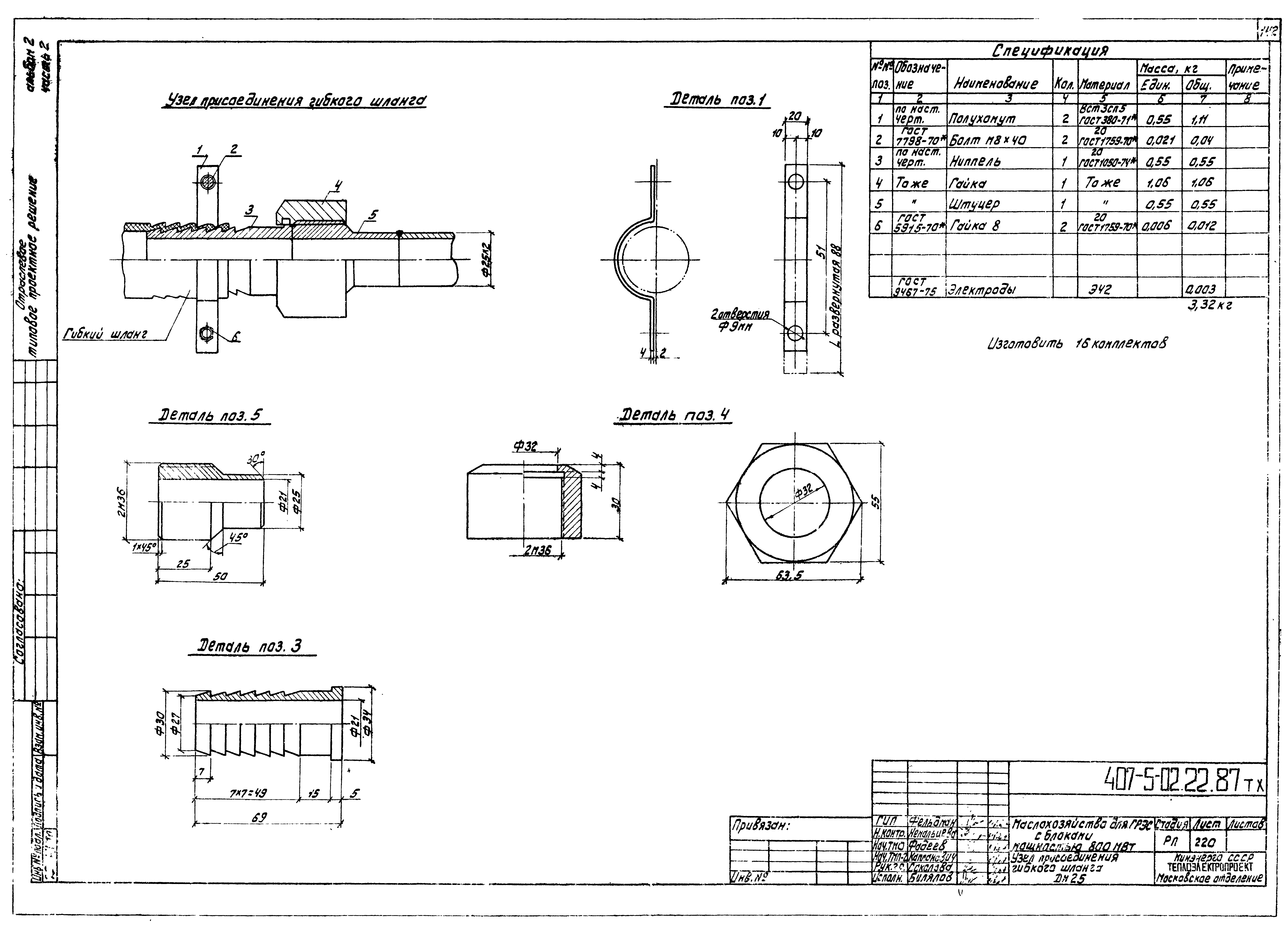
| Оглавление: | Трубопроводы "чистого" турбинного масла. Разрезы Трубопроводы "чистого" турбинного масла. Блок №1 Трубопроводы "чистого" турбинного масла. Блок №3 Трубопроводы "чистого" турбинного масла. Блок №4 Трубопроводы "чистого" турбинного масла. Блок №5 Трубопроводы "чистого" турбинного масла. Блок №6 Трубопроводы "чистого" турбинного масла. Блок №7 Трубопроводы "чистого" турбинного масла. Блок №9 Трубопроводы "чистого" турбинного масла. Блок №10 Трубопроводы "чистого" турбинного масла. Блок №11 Трубопроводы "чистого" турбинного масла. Блоки №12, 13, 18, 19 Трубопроводы "чистого" турбинного масла. Блоки №14, 16 Трубопроводы "чистого" турбинного масла. Блок №17 Трубопроводы "чистого" турбинного масла. Блок №20 Трубопроводы "чистого" турбинного масла. Скользящая опора №1 Трубопроводы "чистого" турбинного масла. Скользящая опора №2 Трубопроводы "чистого" турбинного масла. Скользящие опоры №3, 4 Трубопроводы "чистого" турбинного масла. Подпятник №5, 6 Трубопроводы "чистого" турбинного масла. Скользящая опора №7 Трубопроводы "чистого" турбинного масла. Скользящие опоры №8, 9 Трубопроводы "чистого" турбинного масла. Скользящая опора №10 Трубопроводы "чистого" турбинного масла. Скользящая опора №11 Трубопроводы "чистого" турбинного масла. Скользящие опоры №12, 13 Трубопроводы аварийного слива турбинного и трансформаторного масла из расходных баков. План Трубопроводы аварийного слива турбинного и трансформаторного масла из расходных баков. Разрезы Трубопроводы аварийного слива турбинного и трансформаторного масла из расходных баков. Блоки 1 - 4, 9 - 18, 20, 21, 24, 25 Трубопроводы аварийного слива турбинного и трансформаторного масла из расходных баков. Блок №5 Трубопроводы аварийного слива турбинного и трансформаторного масла из расходных баков. Блок №6 Трубопроводы аварийного слива турбинного и трансформаторного масла из расходных баков. Блок №8 Трубопроводы аварийного слива турбинного и трансформаторного масла из расходных баков. Блок №19, 23 Трубопроводы аварийного слива турбинного и трансформаторного масла из расходных баков. Блок №27, 28, 29 Трубопроводы аварийного слива турбинного и трансформаторного масла из расходных баков. Скользящие опоры №1, 2, 3, 6, 7, 12 - 14, 17, 18, 21, 22 Трубопроводы аварийного слива турбинного и трансформаторного масла из расходных баков. Подпятник №4, 8, 10, 15, 19, 23 Трубопроводы аварийного слива турбинного и трансформаторного масла из расходных баков. Скользящие опоры №5, 9, 11, 16, 20, 24 Монтажная схема контура "чистого" трансформаторного масла Монтажная схема контура "чистого" трансформаторного масла. Спецификация Напорный трубопровод от насоса приема трансформаторного масла Напорный трубопровод от насоса приема трансформаторного масла. Блок №1 Напорный трубопровод от насоса приема трансформаторного масла. Блок №3 Напорный трубопровод от насоса приема трансформаторного масла. Блок №4 Напорный трубопровод от насоса приема трансформаторного масла. Блок №5 Напорный трубопровод от насоса приема трансформаторного масла. Блок №6 Напорный трубопровод от насоса приема трансформаторного масла. Блок №8 Напорный трубопровод от насоса приема трансформаторного масла. Блок №9 Напорный трубопровод от насоса приема трансформаторного масла. Блок №10 Напорный трубопровод от насоса приема трансформаторного масла. Блок №11 Напорный трубопровод от насоса приема трансформаторного масла. Блок №12 Напорный трубопровод от насоса приема трансформаторного масла. Блок №13 Напорный трубопровод от насоса приема трансформаторного масла. Блок №14 Напорный трубопровод от насоса приема трансформаторного масла. Блок №15 Напорный трубопровод от насоса приема трансформаторного масла. Блоки №16, 17 Напорный трубопровод от насоса приема трансформаторного масла. Скользящая опора №1 Напорный трубопровод от насоса приема трансформаторного масла. Скользящая опора №2 Напорный трубопровод от насоса приема трансформаторного масла. Скользящие опоры №3, 4 Напорный трубопровод от насоса приема трансформаторного масла. Подпятник №5, 6 Напорный трубопровод от насоса приема трансформаторного масла. Скользящая опора №7 Напорный трубопровод от насоса приема трансформаторного масла. Жесткая подвеска №8 Напорный трубопровод от насоса приема трансформаторного масла. Скользящие опоры №9, 10 Напорный трубопровод от насоса приема трансформаторного масла. Скользящие опоры №11, 12 Монтажная схема контура эксплуатационного трансформаторного масла Трубопроводы слива индустриального и трансформаторного масла из цистерн Трубопроводы слива индустриального и трансформаторного масла из цистерн. Блок №1 Трубопроводы слива индустриального и трансформаторного масла из цистерн. Блок №2 Трубопроводы слива индустриального и трансформаторного масла из цистерн. Блок №4 Трубопроводы слива индустриального и трансформаторного масла из цистерн. Блок №5 Трубопроводы слива индустриального и трансформаторного масла из цистерн. Блок №7, 8 Трубопроводы слива индустриального и трансформаторного масла из цистерн. Блок №9 Трубопроводы слива индустриального и трансформаторного масла из цистерн. Скользящие опоры №1 - 3 Трубопроводы слива индустриального и трансформаторного масла из цистерн. Жесткие подвески №6, 7 Трубопроводы слива индустриального и трансформаторного масла из цистерн. Скользящая опора №5 Трубопроводы слива индустриального и трансформаторного масла из цистерн. Скользящая опора №4 Монтажная схема контура "чистого" индустриального масла Трубопроводы индустриального масла от насоса перекачки отработанных масел в цистерну Трубопроводы индустриального масла от насоса перекачки отработанных масел в цистерну. Перечень опор Трубопроводы индустриального масла от насоса перекачки отработанных масел в цистерну. Блок №1 Трубопроводы индустриального масла от насоса перекачки отработанных масел в цистерну. Блок №3 Трубопроводы индустриального масла от насоса перекачки отработанных масел в цистерну. Блок №4 Трубопроводы индустриального масла от насоса перекачки отработанных масел в цистерну. Блок №5 Трубопроводы индустриального масла от насоса перекачки отработанных масел в цистерну. Блок №7 Трубопроводы индустриального масла от насоса перекачки отработанных масел в цистерну. Блок №8 Трубопроводы индустриального масла от насоса перекачки отработанных масел в цистерну. Блок №9 Трубопроводы индустриального масла от насоса перекачки отработанных масел в цистерну. Блок №10 Трубопроводы индустриального масла от насоса перекачки отработанных масел в цистерну. Блок №11 Трубопроводы индустриального масла от насоса перекачки отработанных масел в цистерну. Блоки №12, 18 Трубопроводы индустриального масла от насоса перекачки отработанных масел в цистерну. Блок №13 Трубопроводы индустриального масла от насоса перекачки отработанных масел в цистерну. Блок №14 Трубопроводы индустриального масла от насоса перекачки отработанных масел в цистерну. Блок №15 Трубопроводы индустриального масла от насоса перекачки отработанных масел в цистерну. Блок №16 Трубопроводы индустриального масла от насоса перекачки отработанных масел в цистерну. Блок №17 Трубопроводы индустриального масла от насоса перекачки отработанных масел в цистерну. Блок №19 Трубопроводы индустриального масла от насоса перекачки отработанных масел в цистерну. Блок №20 Трубопроводы индустриального масла от насоса перекачки отработанных масел в цистерну. Подпятник №1, 9, 10, 11 Трубопроводы индустриального масла от насоса перекачки отработанных масел в цистерну. Скользящие опоры №2, 3, 12 Трубопроводы индустриального масла от насоса перекачки отработанных масел в цистерну. Скользящая опора №4 Трубопроводы индустриального масла от насоса перекачки отработанных масел в цистерну. Скользящие опоры №5, 6 Трубопроводы индустриального масла от насоса перекачки отработанных масел в цистерну. Скользящие опоры №7, 8 Трубопроводы индустриального масла от насоса перекачки отработанных масел в цистерну. Скользящие опоры №13, 14 Трубопроводы индустриального масла от насоса перекачки отработанных масел в цистерну. Подпятник №15 Монтажная схема контура сливов, переливов и дренажей индустриального масла Монтажная схема контура отработанного индустриального масла Монтажная схема трубопроводов системы обогрева наружных баков маслосклада и маслослива из цистерн Монтажная схема трубопроводов системы обогрева наружных баков маслосклада и маслослива из цистерн. Спецификация Монтажная схема контура эксплуатационного турбинного масла Трубопровод аварийного слива трансформаторного масла из бака V = 6,3 куб. м Трубопровод аварийного слива трансформаторного масла. Блок №1 Трубопровод аварийного слива трансформаторного масла. Блок №2 Трубопровод аварийного слива трансформаторного масла. Блоки №3, 5 Трубопровод аварийного слива трансформаторного масла. Скользящая опора №1 Трубопровод аварийного слива трансформаторного масла. Скользящая опора №2 Схема переливов трансформаторного масла Монтажная схема "чистого" огнестойкого масла Монтажная схема эксплуатационного огнестойкого масла Монтажная схема сливов, переливов, дренажей и замасленных вод огнестойкого масла Схема сбора протечек масла из поддонов Узел гибкого шланга |
| Разработан: | Теплоэлектропроект |
| Утверждён: | 12.02.1987 Министерство энергетики и электрификации СССР (USSR Ministry of Energy and Electrical Power ) |
| Расположен в: |








































































