| ||||||||||||||||||||||||||
Скачать Типовые проектные решения 407-03-416.87 Альбом I. Схемы управления, автоматики и сигнализации линий 110 - 220 кВ и обходного выключателяДата актуализации: 10.08.2017
|
| Обозначение: | Типовые проектные решения 407-03-416.87 |
| Обозначение англ: | 407-03-416.87 |
| Статус: | cправочные материалы, мп, тпр |
| Название рус.: | Альбом I. Схемы управления, автоматики и сигнализации линий 110 - 220 кВ и обходного выключателя |
| Дата добавления в базу: | 01.09.2013 |
| Дата актуализации: | 05.05.2017 |
| Дата введения: | 29.10.1986 |
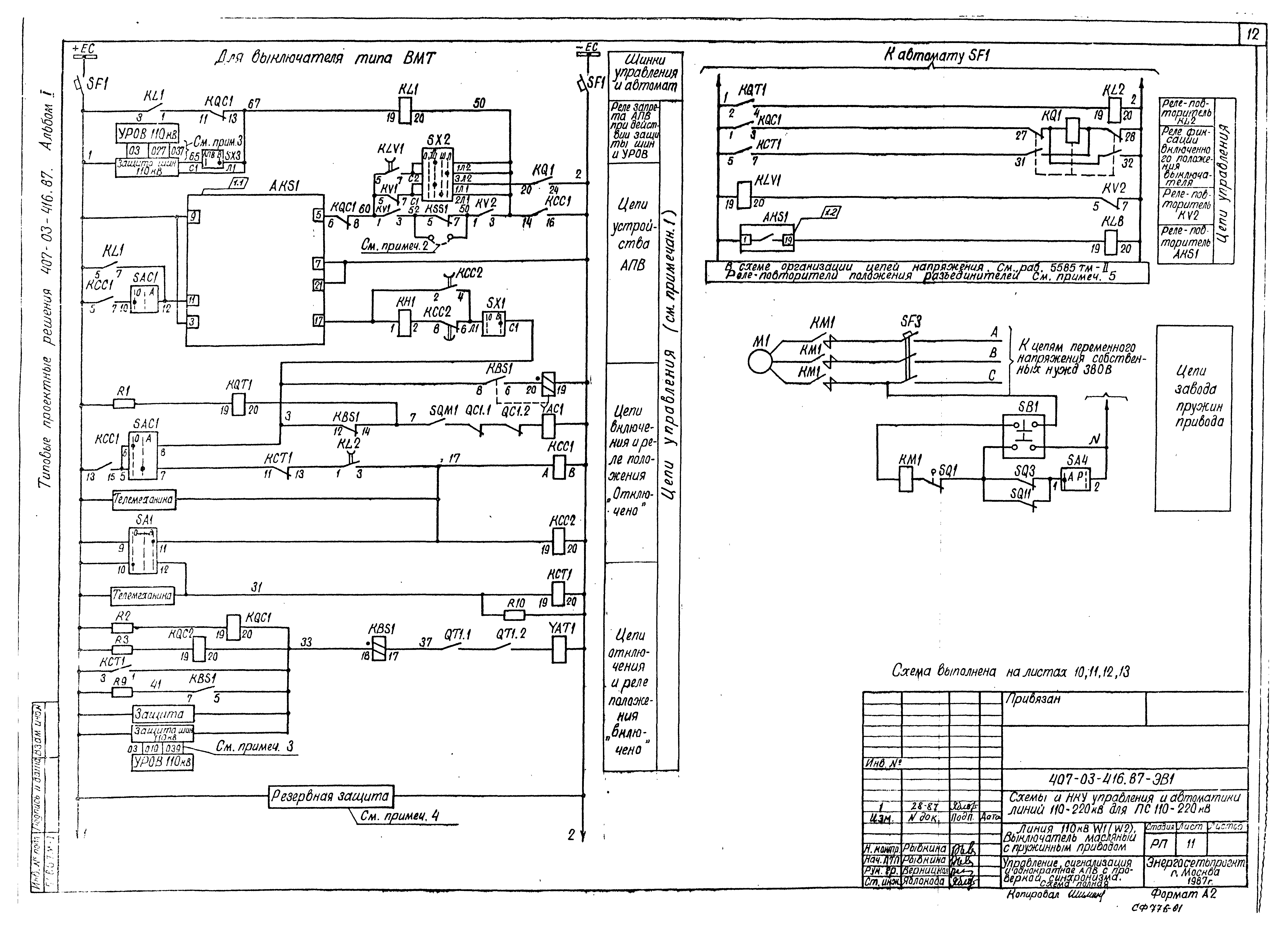
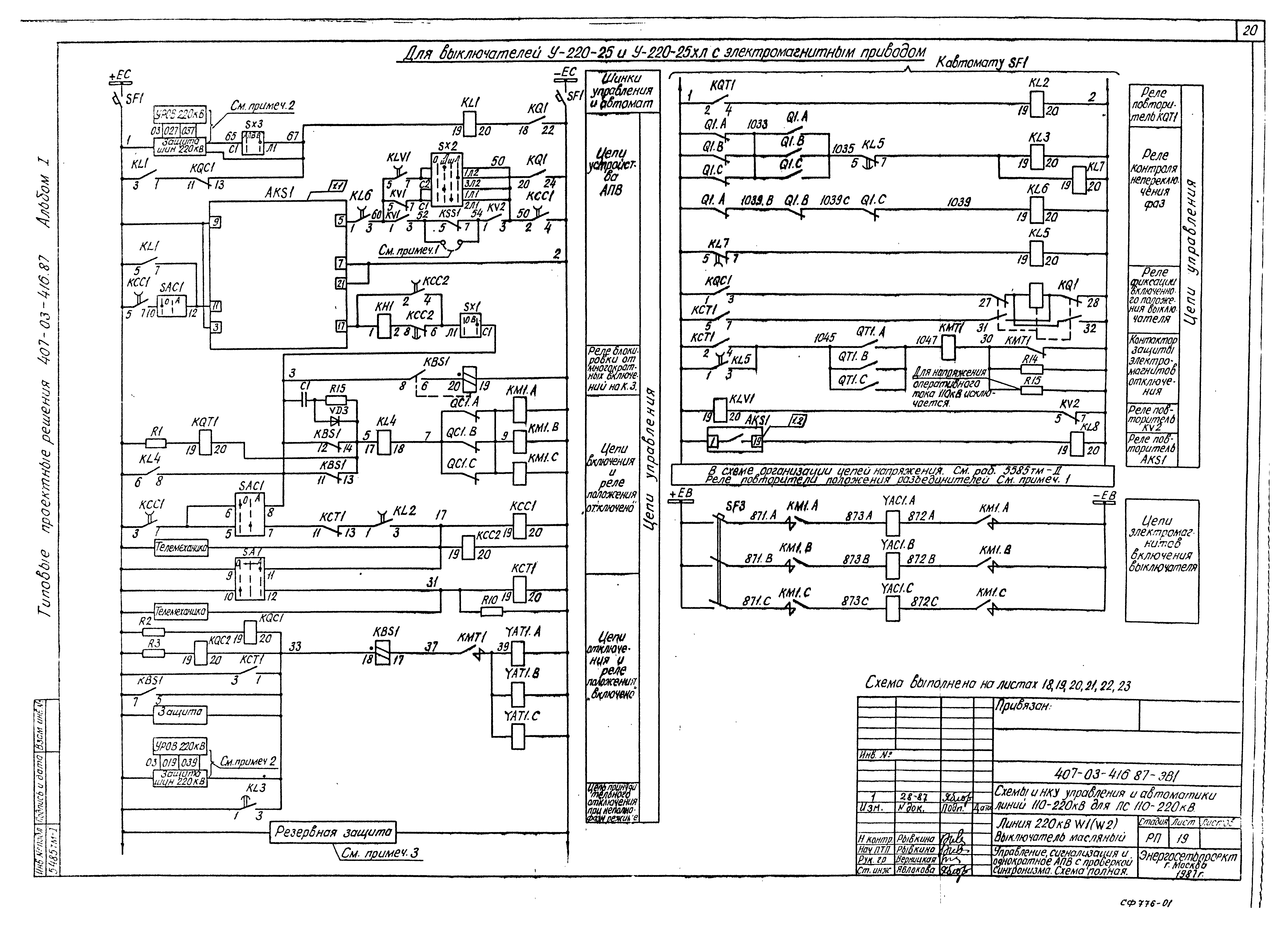
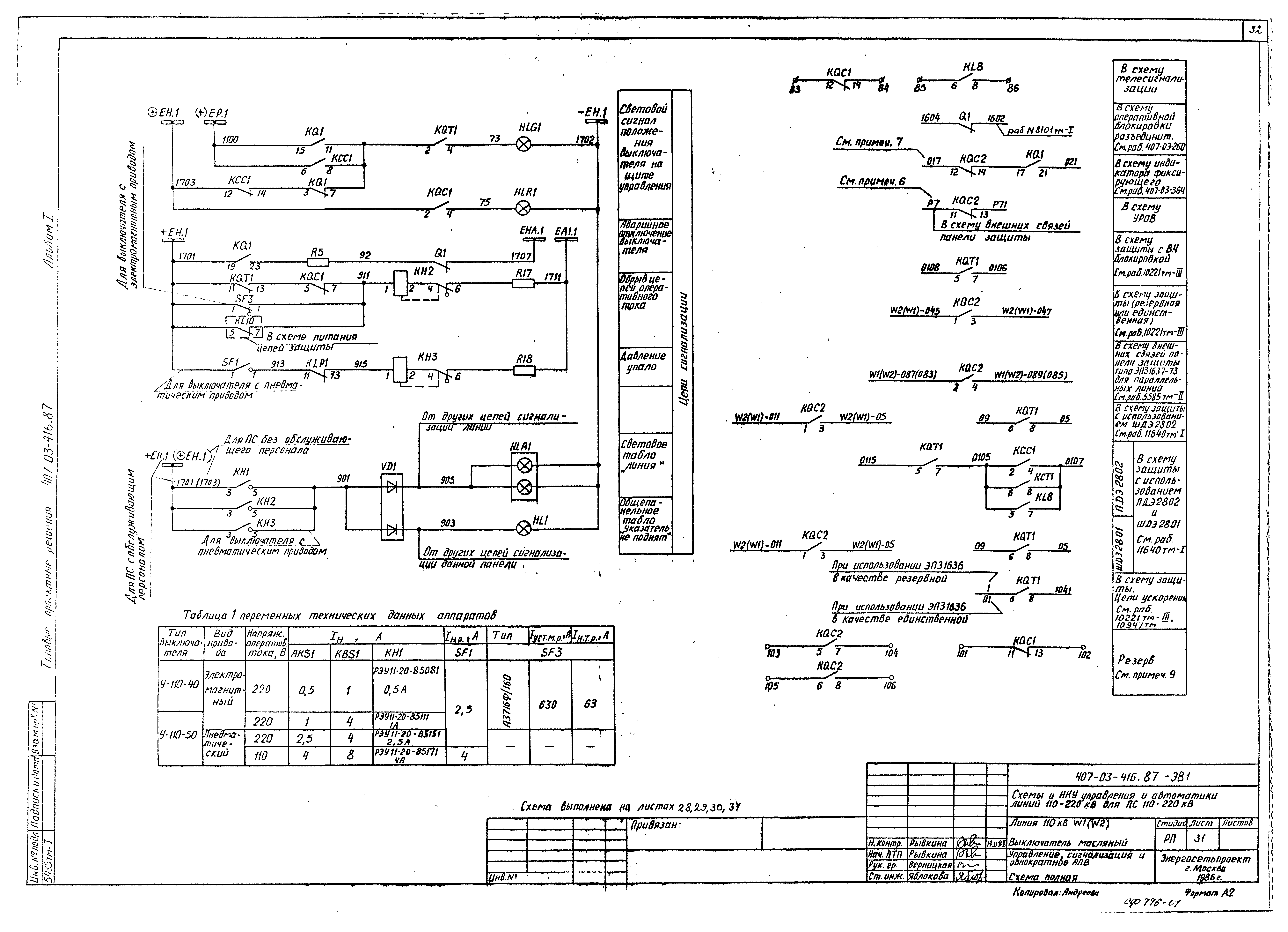
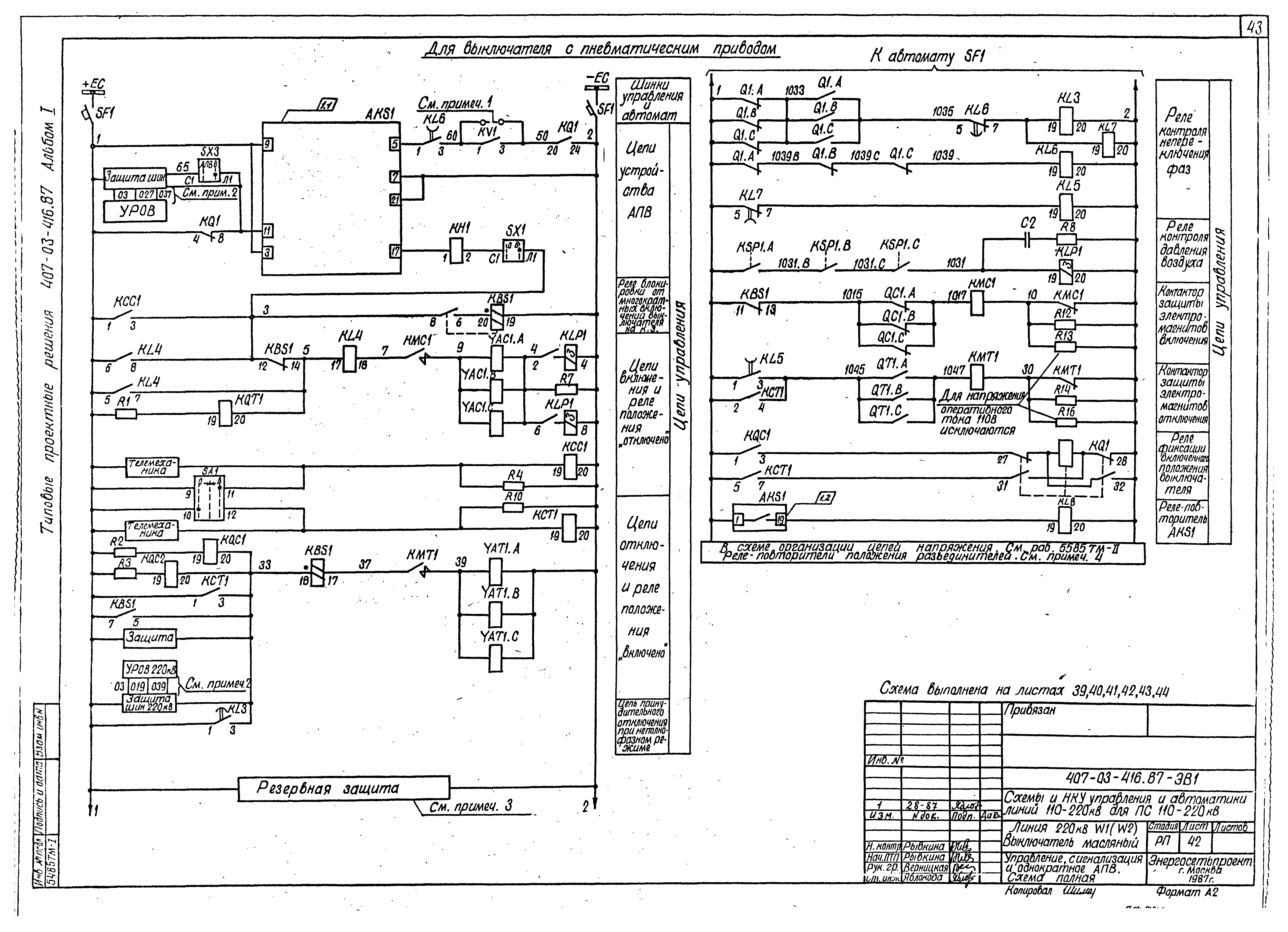
| Оглавление: | Общие данные Линия 110 кВ W1 (W2). Выключатель масляный. Управление, сигнализация и однократное АПВ с проверкой синхронизма. Схема полная Линия 110 кВ W1 (W2). Выключатель масляный с пружинным приводом. Управление, сигнализация и однократное АПВ с проверкой синхронизма. Схема полная Линия 110 - 220 кВ W1 (W2). Выключатель воздушный. Управление, сигнализация и однократное АПВ с проверкой синхронизма. Схема полная Линия 220 кВ W1 (W2). Выключатель масляный. Управление, сигнализация и однократное АПВ с проверкой синхронизма. Схема полная Линия 220 кВ W1 (W2). Выключатель типа ВМТ. Управление, сигнализация и однократное АПВ с проверкой синхронизма. Схема полная Линия 110 кВ W1 (W2). Выключатель масляный. Управление, сигнализация и однократное АПВ. Схема полная Линия 110 кВ W1 (W2). Выключатель масляный с пружинным приводом. Управление, сигнализация и однократное АПВ. Схема полная Линия 110 - 220 кВ W1 (W2). Выключатель воздушный. Управление, сигнализация и однократное АПВ. Схема полная Линия 220 кВ W1 (W2). Выключатель масляный. Управление, сигнализация и однократное АПВ. Схема полная Линия 220 кВ W1 (W2). Выключатель типа ВМТ. Управление, сигнализация и однократное АПВ. Схема полная Линия 110 кВ W1 (W2). Выключатель масляный. Управление, сигнализация и двукратное АПВ. Схема полная Линия 110 кВ W1 (W2). Выключатель масляный с пружинным приводом. Управление, сигнализация и двукратное АПВ. Схема полная Линия 110 - 220 кВ W1 (W2). Выключатель воздушный. Управление, сигнализация и двукратное АПВ. Схема полная Линия 220 кВ W1 (W2). Выключатель масляный. Управление, сигнализация и двукратное АПВ. Схема полная Линия 220 кВ W1 (W2). Выключатель типа ВМТ. Управление, сигнализация и двукратное АПВ. Схема полная Линия 110 кВ W1 (W2). Выключатель масляный. Управление, сигнализация и однократное АПВ с проверкой синхронизма при применении реле РПВ-258. Схема полная Линия 220 кВ W1 (W2). Выключатель масляный. Управление, сигнализация и однократное АПВ с проверкой синхронизма при применении реле РПВ-258. Схема полная Обходной выключатель 110 кВ масляный. Управление, сигнализация и АПВ с проверкой синхронизма. Схема полная Обходной выключатель 110 кВ с пружинным приводом. Управление, сигнализация и АПВ с проверкой синхронизма. Схема полная Обходной выключатель 110 кВ воздушный. Управление, сигнализация и АПВ с проверкой синхронизма. Схема полная Обходной выключатель 220 кВ типа ВМТ. Управление, сигнализация и АПВ с проверкой синхронизма. Схема полная Обходной выключатель 220 кВ масляный. Управление, сигнализация и АПВ с проверкой синхронизма. Схема полная Линия W1 (W2). Схема подключения реле контроля напряжений типа РН-54/48 Линия 110 - 220 кВ W1 (W2). Питание цепей защиты. Схема полная |
| Разработан: | Энергосетьпроект |
| Утверждён: | 29.10.1986 Минэнерго СССР (USSR Minenergo 34) |
| Расположен в: |



































































































