| ||||||||||||||||||||||||||
Скачать Типовые проектные решения 407-03-414.87 Альбом II. ЧертежиДата актуализации: 10.08.2017
|
| Обозначение: | Типовые проектные решения 407-03-414.87 |
| Обозначение англ: | 407-03-414.87 |
| Статус: | cправочные материалы, мп, тпр |
| Название рус.: | Альбом II. Чертежи |
| Дата добавления в базу: | 01.09.2013 |
| Дата актуализации: | 05.05.2017 |
| Дата введения: | 20.10.1986 |
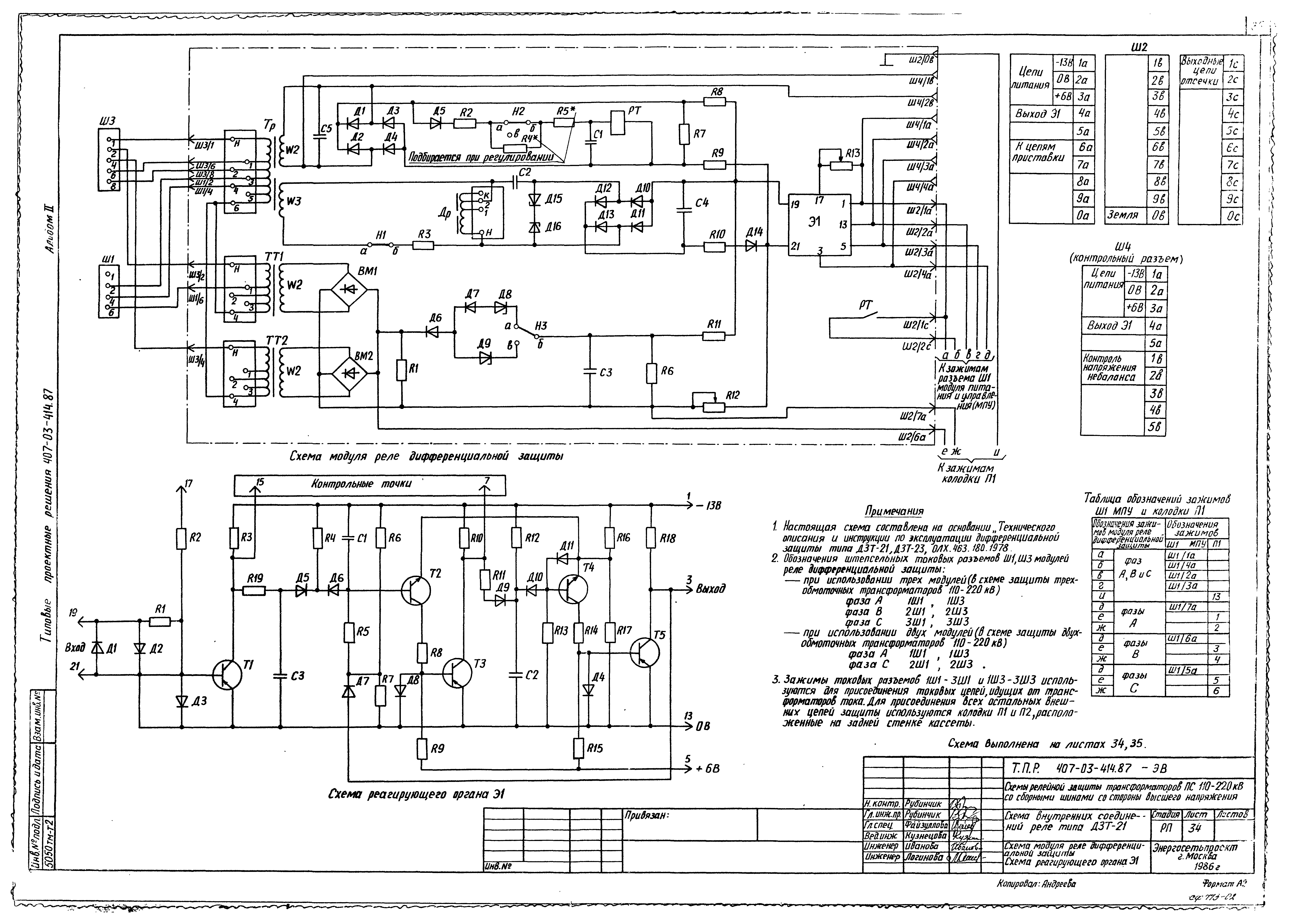
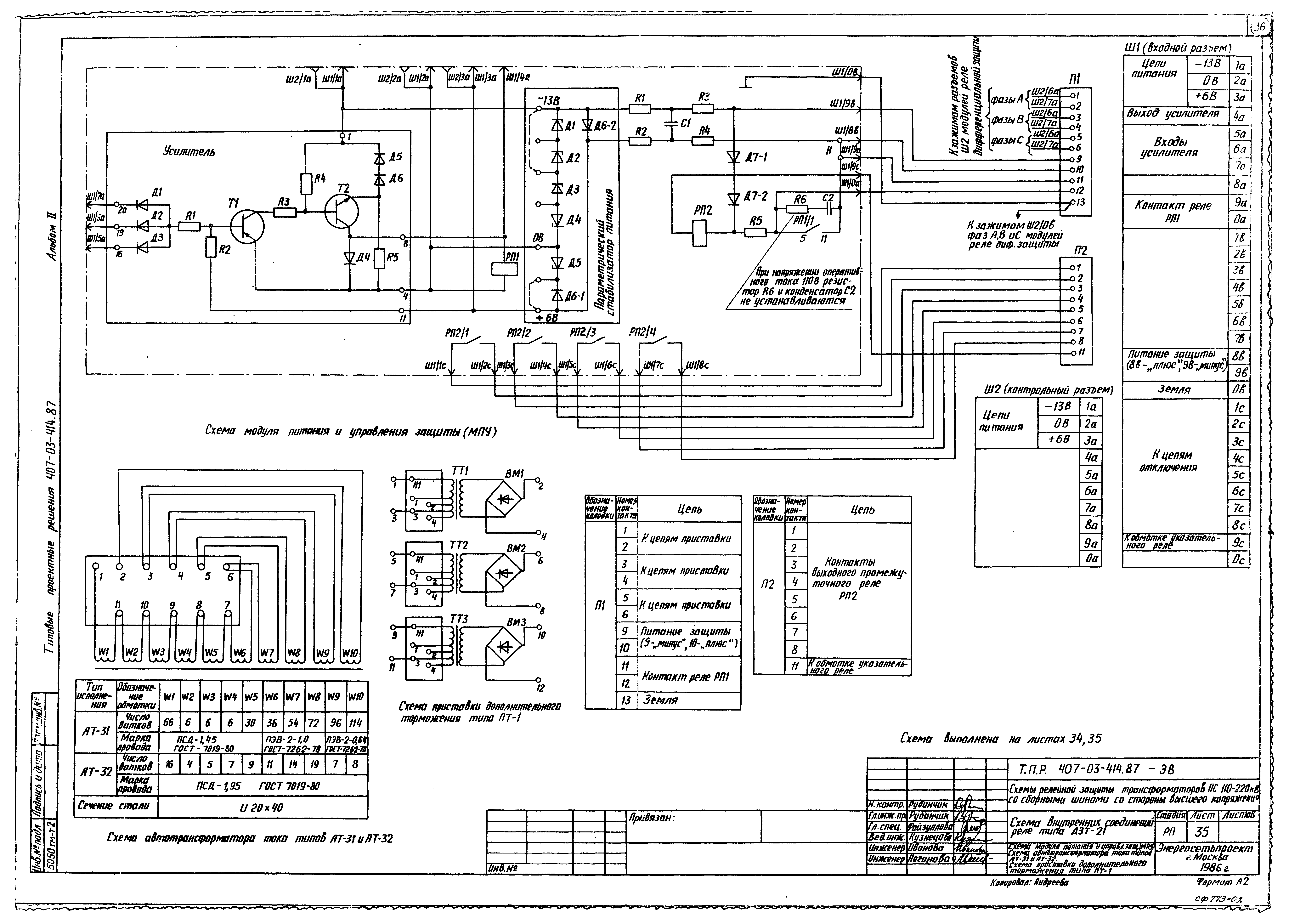
| Оглавление: | Схемы электрических соединений на сторонах высшего и среднего напряжения подстанций Схемы электрических соединений на стороне низшего напряжения подстанций Принципиальная схема релейной защиты понижающего двухобмоточного трансформатора 110-220/6-10 кВ с расщепленной обмоткой низшего напряжения (дифференциальная защита выполняется с одним комплектом реле ДЗТ-11). Перечень элементов. Обозначения Принципиальная схема релейной защиты понижающего двухобмоточного трансформатора 110-220/6-10 кВ с расщепленной обмоткой низшего напряжения (дифференциальная защита выполняется с одним комплектом реле ДЗТ-11). Поясняющая схема. Цепи переменного тока. Цепи напряжения Принципиальная схема релейной защиты понижающего двухобмоточного трансформатора 110-220/6-10 кВ с расщепленной обмоткой низшего напряжения (дифференциальная защита выполняется с одним комплектом реле ДЗТ-11). Цепи оперативного постоянного тока. Цепи сигнализации Принципиальная схема релейной защиты понижающего двухобмоточного трансформатора 110-220/6-10 кВ с расщепленной обмоткой низшего напряжения (дифференциальная защита выполняется с двумя комплектами реле ДЗТ-11). Перечень элементов. Обозначения Принципиальная схема релейной защиты понижающего двухобмоточного трансформатора 110-220/6-10 кВ с расщепленной обмоткой низшего напряжения (дифференциальная защита выполняется с двумя комплектами реле ДЗТ-11). Поясняющая схема. Цепи переменного тока. Цепи напряжения Принципиальная схема релейной защиты понижающего двухобмоточного трансформатора 110-220/6-10 кВ с расщепленной обмоткой низшего напряжения (дифференциальная защита выполняется с двумя комплектами реле ДЗТ-11). Цепи оперативного постоянного тока. Цепи сигнализации Принципиальная схема релейной защиты понижающего двухобмоточного трансформатора 110-220/6-10 кВ с расщепленной обмоткой низшего напряжения (дифференциальная защита выполняется с использованием ДЗТ-21). Перечень элементов. Обозначения Принципиальная схема релейной защиты понижающего двухобмоточного трансформатора 110-220/6-10 кВ с расщепленной обмоткой низшего напряжения (дифференциальная защита выполняется с использованием ДЗТ-21). Поясняющая схема. Цепи переменного тока. Цепи напряжения Принципиальная схема релейной защиты понижающего двухобмоточного трансформатора 110-220/6-10 кВ с расщепленной обмоткой низшего напряжения (дифференциальная защита выполняется с использованием ДЗТ-21). Цепи оперативного постоянного тока. Цепи сигнализации Принципиальная схема релейной защиты понижающего двухобмоточного трансформатора 110-220/6-10 кВ с параллельным соединением частей расщепленной обмотки низшего напряжения (дифференциальная защита выполняется с одним комплектом реле ДЗТ-11). Перечень элементов. Обозначения Принципиальная схема релейной защиты понижающего двухобмоточного трансформатора 110-220/6-10 кВ с параллельным соединением частей расщепленной обмотки низшего напряжения (дифференциальная защита выполняется с одним комплектом реле ДЗТ-11). Поясняющая схема. Цепи переменного тока. Цепи напряжения Принципиальная схема релейной защиты понижающего двухобмоточного трансформатора 110-220/6-10 кВ с параллельным соединением частей расщепленной обмотки низшего напряжения (дифференциальная защита выполняется с одним комплектом реле ДЗТ-11). Цепи оперативного постоянного тока. Цепи сигнализации Принципиальная схема релейной защиты понижающего трехобмоточного трансформатора 110-220/35/6-10 кВ с питанием со стороны высшего и среднего напряжений (дифференциальная защита выполняется с одним комплектом реле ДЗТ-11). Перечень элементов. Обозначения Принципиальная схема релейной защиты понижающего трехобмоточного трансформатора 110-220/35/6-10 кВ с питанием со стороны высшего и среднего напряжений (дифференциальная защита выполняется с одним комплектом реле ДЗТ-11). Поясняющая схема. Цепи переменного тока Принципиальная схема релейной защиты понижающего трехобмоточного трансформатора 110-220/35/6-10 кВ с питанием со стороны высшего и среднего напряжений (дифференциальная защита выполняется с одним комплектом реле ДЗТ-11). Цепи напряжения. Цепи оперативного постоянного тока Принципиальная схема релейной защиты понижающего трехобмоточного трансформатора 110-220/35/6-10 кВ с питанием со стороны высшего и среднего напряжений (дифференциальная защита выполняется с одним комплектом реле ДЗТ-11). Цепи оперативного постоянного тока. Цепи сигнализации Принципиальная схема релейной защиты понижающего трехобмоточного трансформатора 110-220/35/6-10 кВ с питанием со стороны высшего напряжения (дифференциальная защита выполняется с одним комплектом реле ДЗТ-11). Перечень элементов. Обозначения Принципиальная схема релейной защиты понижающего трехобмоточного трансформатора 110-220/35/6-10 кВ с питанием со стороны высшего напряжения (дифференциальная защита выполняется с одним комплектом реле ДЗТ-11). Поясняющая схема. Цепи переменного тока Принципиальная схема релейной защиты понижающего трехобмоточного трансформатора 110-220/35/6-10 кВ с питанием со стороны высшего напряжения (дифференциальная защита выполняется с одним комплектом реле ДЗТ-11). Цепи напряжения. Цепи оперативного постоянного тока Принципиальная схема релейной защиты понижающего трехобмоточного трансформатора 110-220/35/6-10 кВ с питанием со стороны высшего напряжения (дифференциальная защита выполняется с одним комплектом реле ДЗТ-11). Цепи оперативного постоянного тока. Цепи сигнализации Принципиальная схема релейной защиты понижающего трехобмоточного трансформатора 110-220/35/6-10 кВ с питанием со сторон высшего и среднего напряжений (дифференциальная защита выполняется с двумя комплектами реле ДЗТ-11). Перечень элементов. Обозначения Принципиальная схема релейной защиты понижающего трехобмоточного трансформатора 110-220/35/6-10 кВ с питанием со сторон высшего и среднего напряжений (дифференциальная защита выполняется с двумя комплектами реле ДЗТ-11). Поясняющая схема. Цепи переменного тока Принципиальная схема релейной защиты понижающего трехобмоточного трансформатора 110-220/35/6-10 кВ с питанием со сторон высшего и среднего напряжений (дифференциальная защита выполняется с двумя комплектами реле ДЗТ-11). Цепи напряжения. Цепи оперативного постоянного тока Принципиальная схема релейной защиты понижающего трехобмоточного трансформатора 110-220/35/6-10 кВ с питанием со сторон высшего и среднего напряжений (дифференциальная защита выполняется с двумя комплектами реле ДЗТ-11). Цепи оперативного постоянного тока. Цепи сигнализации Принципиальная схема релейной защиты понижающего трехобмоточного трансформатора 110-220/35/6-10 кВ с питанием со сторон высшего и среднего напряжений (дифференциальная защита выполняется с использованием ДЗТ-21). Перечень элементов. Обозначения Принципиальная схема релейной защиты понижающего трехобмоточного трансформатора 110-220/35/6-10 кВ с питанием со сторон высшего и среднего напряжений (дифференциальная защита выполняется с использованием ДЗТ-21). Поясняющая схема. Цепи переменного тока Принципиальная схема релейной защиты понижающего трехобмоточного трансформатора 110-220/35/6-10 кВ с питанием со сторон высшего и среднего напряжений (дифференциальная защита выполняется с использованием ДЗТ-21). Цепи напряжения. Цепи оперативного постоянного тока Принципиальная схема релейной защиты понижающего трехобмоточного трансформатора 110-220/35/6-10 кВ с питанием со сторон высшего и среднего напряжений (дифференциальная защита выполняется с использованием ДЗТ-21). Цепи оперативного постоянного тока. Цепи сигнализации Схемы цепей тока дифференциальной защиты трехобмоточного трансформатора с включением тормозной обмотки реле типа ДЗТ-11 на сумму токов сторон среднего и низшего напряжений Схема внутренних соединений реле типа ДЗТ-21. Схема модуля реле дифференциальной защиты. Схема реагирующего органа Э1 Схема внутренних соединений реле типа ДЗТ-21. Схема модуля питания и управления защиты (МПУ). Схема автотрансформатора тока типов АТ-31 и АТ-32. Схема приставки дополнительного торможения типа ПТ-1 |
| Разработан: | Энергосетьпроект |
| Утверждён: | 20.10.1986 Минэнерго СССР (USSR Minenergo 31) |
| Расположен в: |





































